Rapport d’enquête sur la sécurité du transport ferroviaire R18E0007

Mouvement non contrôlé de matériel roulant
Compagnie des chemins de fer nationaux du Canada
Train de marchandises L76951-10
Point milliaire 0,5, embranchement industriel de Luscar
Leyland (Alberta)

Le Bureau de la sécurité des transports du Canada (BST) a enquêté sur cet événement dans le but de promouvoir la sécurité des transports. Le Bureau n’est pas habilité à attribuer ni à déterminer les responsabilités civiles ou pénales. Le présent rapport n’est pas créé pour être utilisé dans le contexte d’une procédure judiciaire, disciplinaire ou autre. Voir Propriété et utilisation du contenu.

Table des matières

    Résumé

    Le 10 janvier 2018, vers 2 h 28, heure normale des Rocheuses, le train de marchandises L76951-10 de la Compagnie des chemins de fer nationaux du Canada, roulant en direction du sud sur l’embranchement industriel de Luscar, en provenance de l’installation de chargement de charbon Cardinal River Operations de Teck Resources Limited près de Cadomin (Alberta), a subi une perte de maîtrise alors qu’il descendait une pente en terrain montagneux vers Leyland (Alberta). Le train a atteint une vitesse maximale de 53 mi/h avant de s’arrêter au point milliaire 0,5. Il n’y a eu aucun blessé.

    Le mouvement non contrôlé s’est produit lorsque la capacité de freinage disponible a été insuffisante pour maîtriser le train alors qu’il descendait la pente montagneuse abrupte de l’embranchement industriel de Luscar. L’inspection immédiatement après l’arrêt du train a révélé que les freins à air de 27 des 58 wagons chargés de charbon ne s’étaient pas serrés. Lorsque le train était à Luscar, la température a chuté en dessous d’un point critique, ce qui a nui au fonctionnement des distributeurs de freins à air sur les wagons de ce train. Au moment de l’événement, la température ambiante était de −24 °C.

    Les joints de caoutchouc usés de l’orifice d’échappement du couvercle inférieur des dispositifs de serrage de type DB-10 des distributeurs de freins à air se sont contractés dans le froid extrême, entraînant une fuite des réservoirs auxiliaires et le desserrage involontaire des freins à air de 27 wagons de marchandises suite à des serrages des freins à air de service. Les problèmes de rendement antérieurs concernant les distributeurs du dispositif de serrage de type DB-10 se sont manifestés par temps froid et ont donné lieu à une circulaire de la Association of American Railroads (AAR) en 2013; le mode de défaillance indiqué dans la circulaire a été s’est répété dans cet le présent événement. Si les problèmes de rendement liés aux composants en caoutchouc dans les distributeurs de freins à air ne sont pas entièrement analysés lorsqu’ils se produisent, la dégradation de l’efficacité du distributeur, en particulier par temps froid, peut ne pas être repérée et traitée en temps opportun, ce qui augmente le risque de perte de maîtrise.

    Opérations ferroviaires par temps froid

    Il est bien connu dans l’industrie ferroviaire canadienne que le temps froid peut entraîner des fuites d’air des systèmes de freinage pneumatique des wagons de marchandises. Les joints et les garnitures de caoutchouc deviennent rigides et le métal se contracte, ce qui entraîne des fuites d’air sous pression.

    Habituellement, compte tenu des difficultés rencontrées dans l’exploitation des trains pendant les mois d’hiver, les chemins de fer qui opèrent dans les climats nordiques élaborent et mettent en œuvre un plan d’exploitation hivernale. Le plan d’exploitation hivernale de la Compagnie des chemins de fer nationaux du Canada (CN) pour 2017-2018 comportait un certain nombre de modifications de procédure visant à faciliter les opérations ferroviaires en cours à cette période de l’année, comme des réductions de vitesse et la réduction de la longueur maximale des trains. Toutefois, ce plan ne contenait aucune limite particulière applicable au train à l’étude qui circulait sur les pentes montagneuses abruptes de l’embranchement industriel de Luscar lorsque les températures ambiantes sont tombées en dessous d’un point particulier. Par exemple, il n’y avait pas d’exigences supplémentaires d’essai des freins (comme un essai no 1A) une fois que le train était chargé et prêt à partir. Cet essai aurait permis de vérifier le serrage et le desserrage des freins sur chaque wagon du train avant de descendre la pente montagneuse abrupte dans des conditions de froid extrême.

    Suite à l’événement à l’étude, le CN a mis en œuvre de nouvelles procédures d’essai des freins à air pour les opérations par temps froid à Luscar afin de vérifier que les freins de wagons se serrent. Les paramètres d’exploitation spécifiques suivants ont été adoptés pour les opérations hivernales sur l’embranchement industriel de Luscar :

    • Lorsque la température atteint −25 °C ou moins, les trains chargés de charbon cessent de circuler sur l’embranchement industriel de Luscar.
    • Lorsque la température se situe entre −22 °C et −25 °C, les opérations avec des wagons chargés de charbon sont effectuées uniquement le jour.

    Essai des freins d’un wagon individuel

    Un essai des freins à air d’un wagon individuel vérifie l’efficacité des freins à air d’un wagon et confirme, entre autres, que les freins restent serrés et que les fuites de pression d’air restent sous des niveaux prédéterminés. Toutefois, les exigences actuelles ne comprennent pas les essais par temps froid, lorsque des vulnérabilités dans l’efficacité des freins à air sont plus susceptibles de se manifester. À l’heure actuelle, l’essai des freins à air d’un wagon individuel est le plus souvent effectué dans un environnement contrôlé à l’intérieur d’un atelier, où les températures ne reflètent pas les conditions d’exploitation. Bien que les essais sur wagons individuels puissent valider la fonction des distributeurs de freins à air à des températures de fonctionnement modérées, l’industrie ne dispose pas d’une méthode d’essai pratique pour repérer les vulnérabilités opérationnelles dans les distributeurs de freins à air dans des opérations par temps froid extrême.

    Dans le cas des wagons loués en cause dans le présent événement, les essais des freins à air d’un wagon individuel n’ont pas été effectués lorsque les wagons ont été sortis de l’entrepôt ni avant ou après leur livraison au CN. À l’heure actuelle, il n’y a aucune exigence d’essais sur wagons individuels pour les wagons qui retournent en service actif après avoir été entreposés, à condition que le temps d’entreposage n’entraîne pas la non-conformité des wagons aux exigences existantes.

    Le CN a mis en œuvre l’exigence selon laquelle les propriétaires de wagons doivent s’assurer que les wagons loués arrivent au CN avec des distributeurs de freins à air de wagon de marchandises qui ont moins de 10 ans. Les wagons à charbon nouvellement loués qui circulent sur les lignes du CN doivent avoir passé un essai des freins à air d’un wagon individuel au cours des 5 années précédentes. Tous les distributeurs de wagon de plus de 10 ans doivent être remplacés.

    Le CN a mis en œuvre d’autres modifications aux procédures :

    • le remplacement systématique des distributeurs de freins à air des wagons de marchandises qui ont 10 ans ou plus sur les wagons appartenant au CN;
    • l’exécution d’un essai automatisé sur wagon individuel pour 10 % des wagons remis en service après avoir été entreposés, choisis au hasard;
    • l’obligation que tous les nouveaux distributeurs de freins à air de wagon de marchandises installés disposent d’une fonction de maintien de la pression des cylindres de frein DB-60II.

    Le 8 juillet 2018, le BST a émis l’Avis de sécurité ferroviaire 04/18 à Transports Canada concernant les défaillances potentielles des distributeurs de frein sur les wagons qui ont été entreposés à long terme. Le BST a suggéré ce qui suit à Transports Canada :

    Étant donné les conséquences potentielles d’une perte de freinage causée par la défaillance d’une valve de commande de frein, Transports Canada souhaiterait peut-être aviser les compagnies ferroviaires et les propriétaires de wagons de la nécessité d’examiner le fonctionnement des valves de commande de frein de wagons qui ont été longtemps entreposés, en particulier si ces wagons doivent être utilisés par temps froid.

    Transports Canada a répondu le 20 novembre 2019 à l’Avis de sécurité ferroviaire 04/18 du BST, indiquant qu’il avait publié en 2019 un Bulletin de la sécurité ferroviaire intitulé « Défaillances potentielles des valves de commande de frein sur les wagons longtemps entreposés ». Le bulletin indique ceci :

    Transports Canada est d’avis qu’avant de remettre les wagons en service, les compagnies ferroviaires et les propriétaires de wagons devraient examiner le fonctionnement des valves de commande de frein de wagons qui ont été longtemps entreposés, surtout lorsqu’il y a possibilité de prise du caoutchouc des joints toriques et si ces wagons doivent être utilisés par temps froid.

    L’AAR a introduit un changement à la règle 4 de ses manuels de règles d’échange Field Manual et Office Manual, en vigueur le 1er juillet 2020, selon lequel il serait désormais permis de retirer les distributeurs de plus de 13 ans. Cette règle énonce les exigences de renouvellement des distributeurs en ce qui a trait à l’âge et les températures froides.

    Événements de mouvements imprévus ou non contrôlés

    L’événement à l’étude est un de 589 événements de mouvements imprévus ou non contrôlésNote de bas de page 1 sur l’ensemble des chemins de fer au Canada qui ont été signalés au BST entre 2010 et 2019. De ces événements, la perte de maîtrise, comme dans le présent événement, était la catégorie de cause dans 21 (4 %) des cas. Bien que les mouvements non contrôlés dus à la perte de maîtrise soient des événements de faible fréquence, 57 % d’entre eux (12 sur 21) concernaient la voie principale. Dans ces cas, il y a un risque accru de mettre le public en danger à des passages à niveau et de heurter des trains de marchandises et de voyageurs de la voie principale. Par conséquent, ces événements sont considérés comme des événements à faible fréquence et à haut risque. Le BST s’inquiète du fait que les moyens de défense actuels ne sont pas suffisants pour réduire le nombre de mouvements non contrôlés et pour améliorer la sécurité.


    1.0 Renseignements de base

    Le 9 janvier 2018, une équipe de train de la Compagnie des chemins de fer nationaux du Canada (CN) a été appelée à 12 h 03Note de bas de page 2 et a pris son service à 14 h à Edson (Alberta). Elle prévoyait conduire le train-blocNote de bas de page 3 de charbon C76850-09 vers l’ouest de Holloway (Alberta), dans la subdivision de Foothills, jusqu’à la subdivision de Mountain Park, puis à la mine Luscar (à l’installation Cardinal River Operations appartenant à Teck Resources Limited) au point milliaire 5,5 sur l’embranchement industriel de Luscar. L’embranchement industriel de Luscar s’étend vers le nord sur 5,8 milles, à partir du point milliaire 22,4 dans la subdivision de Mountain Park (Figure 1).

    Figure 1. Carte de la région montrant le lieu de l’événement (Source : Association des chemins de fer du Canada, Atlas du rail canadien, avec annotations du BST)
    Image
    Carte de la région montrant le lieu de l’événement (Source : Association des chemins de fer du Canada, <em>Atlas du rail canadien</em>, avec annotations du BST)

    Le train C76850-09, un train ordinaireNote de bas de page 4, était formé de 3 locomotives (CN 2870 en tête, CN 2888 et IC 2718) et de 116 wagons-tombereaux de charbon en aluminium vides. Le train pesait 3081 tonnes et avait une longueur de 6380 pieds. L’équipe était formée d’un mécanicien de locomotive (ML) et d’un chef de train. Le ML avait plus de 30 années d’expérience au CN, dont 25 ans à titre de ML. Le chef de train avait 7 ans d’expérience et était également un ML qualifié.

    Avant d’être appelés pour le train C76850-09, les 2 membres de l’équipe avaient terminé leur service à 8 h le 7 janvier 2018. Les membres de l’équipe respectaient les exigences en matière de capacité et de repos lorsqu’ils se sont présentés au travail, et ils étaient qualifiés pour leurs postes. Ils avaient tous deux une vaste expérience de conduite sur le territoire.

    À Edson, l’équipe a pris un taxi pour Holloway, où elle a relevé l’équipe en provenance de Jasper (Alberta). Vers 15 h 35, le train C76850-09 est parti d’Holloway et a roulé jusqu’à la jonction Parkhill (point milliaire 35,9), où il a continué vers l’ouest dans la subdivision de Mountain Park. Vers 18 h 30, à l’arrivée à Wingo (Alberta) (point milliaire 20), l’équipe a laissé les 58 premiers wagons sur la voie d’évitement.

    Une fois les wagons garés, le train C76850-09 a continué de rouler avec les 58 wagons vides restants jusqu’à l’aiguillage de la voie principale (point milliaire 22,4), à l’entrée de l’embranchement industriel de Luscar, où ils se sont arrêtés. Le pavillon-dortoir du CN, où les équipes commencent ou terminent leur service et peuvent se reposer, est situé à Leyland (point milliaire 22,5 de la subdivision de Mountain Park). Les membres de l’équipe se sont présentés au superviseur au pavillon-dortoir, ont communiqué avec l’installation de chargement de charbon à la mine Luscar et ont commencé à préparer leurs documents pour le voyage vers le site minier.

    Le train a été redésigné comme le train L76951-10. Vers 19 h 15, le train est parti vers le nord pour la mine, laquelle est en haut d’une pente ascendante. Environ 30 minutes plus tard, le train est arrivé à la mine Luscar. À son arrivée, la vitesse du train a été réduite à environ 7 mi/h au moyen du manipulateur seulement. Le train a fait l’objet d’une inspection au défilé par un employé de la mine positionné à la structure de chargement de charbon (figure 2).

    Une fois l’inspection au défilé terminée, le train s’est immobilisé au moyen des seuls freins indépendants. Le train a alors fait un mouvement vers l’arrière, reculant lentement pour faciliter la pulvérisation de latex à l’intérieur des wagons de charbon videsNote de bas de page 5. Avant que le train ne soit mis en marche arrière, les freins du train avaient été mis dans une position de serrage minimal sur le robinet de mécanicienNote de bas de page 6. Les freins du train ont été utilisés pour aider à contrôler la vitesse et à immobiliser le train lorsqu’il était au sud de la rampe de chargement. Juste avant que le train s’immobilise, un serrage accru des freins a été fait en réduisant la pression de la conduite généraleNote de bas de page 7 de 8 lb/po² supplémentaires. Une fois le train immobilisé, les freins du train ont été desserrés et rechargés.

    Vers 20 h 05, le train a été repositionné vers l’avant, avec le 1er wagon vide sous la rampe de chargement. La locomotive de tête CN 2870 a été mise en mode de commande à basse vitesseNote de bas de page 8. Lorsque la mine était prête pour commencer le chargement, un signal a été émis par radio au ML afin de commencer à faire avancer le train à une vitesse de chargement de 0,17 mi/h.

    Figure 2. Installation de chargement de charbon à la mine Luscar (Source : BST)
    Image
    Installation de chargement de charbon à la mine Luscar (Source : BST)

    Lorsque le chargement était terminé, à 0 h 48, les locomotives ont été configurées pour le voyage de retour. L’équipe avait prévu de configurer le train pour une conduite en traction répartie (TR)Note de bas de page 9. La locomotive CN 2888 devait être la locomotive de tête, suivie de la locomotive CN 2870, et de la locomotive IC 2718 comme locomotive télécommandée en TR de queue. Toutefois, au cours de la vérification de la configuration, la locomotive IC 2718 a été disqualifiéeNote de bas de page 10 du contrôle télécommandé.

    Par conséquent, le train a été disposé dans une configuration ordinaire. Puisque la locomotive CN 2888 faisait face au sud, elle a été placée en tête pour le voyage de retour. Les locomotives CN 2870 et IC 2718 ont été placées derrière. Les 3 locomotives ont subi un test des freins à air sur la voie d’atelierNote de bas de page 11. De plus, l’équipe a testé l’unité de détection et de freinage (UDF)Note de bas de page 12. Les 3 locomotives ont ensuite été déplacées en direction sud sur la voie adjacente et placées sur l’extrémité sud du train pour le voyage de retour dans la pente descendante.

    Les locomotives ont été attelées au train, les tuyaux de la conduite générale ont été accouplés et les robinets d’arrêt entre la locomotive menée et le 1er wagon ont été ouverts. La pression de la conduite générale à la locomotive de commande a été fixée à 90 lb/po². La continuité de la conduite générale a été confirméeNote de bas de page 13, l’écran du conducteur indiquant que la pression à la queue augmentait. Environ 17 minutes après l’ouverture des robinets d’arrêt entre la locomotive menée et le 1er wagon, l’indicateur du débit d’airNote de bas de page 14 s’était stabilisé à 33 pieds cubes par minute (CFM) et la pression de la conduite générale à la fin du train indiquée était de 88 lb/po². Le système de freinage pneumatique du train était considéré comme pleinement chargé, avec un vrai gradient de conduite généraleNote de bas de page 15 de 2 lb/po². À ce moment, l’équipe était prête à ramener le train à Holloway.

    1.1 L’événement

    Le 10 janvier 2018, vers 2 h 28, le train de marchandises ordinaire L76951-10 a quitté la mine Luscar, se déplaçant vers le sud en direction de Leyland sur l’embranchement industriel de Luscar (figure 3). Le train était formé de 3 locomotives et de 58 wagons-tombereaux chargés de charbon. Il pesait 8513 tonnes et avait une longueur de 3296 pieds.

    Figure 3. Carte de l’embranchement industriel de Luscar, montrant le parcours suivi par le train dans le présent événement (Source : Association des chemins de fer du Canada, Atlas du rail canadien, avec annotations du BST)
    Image
    Carte de l’embranchement industriel de Luscar, montrant le parcours suivi par le train dans le présent événement (Source : Association des chemins de fer du Canada, <em>Atlas du rail canadien</em>, avec annotations du BST)

    Juste avant le départ, vers 2 h 27, avec le train immobile au point milliaire 5,14 (figure 4), le ML a serré les freins de service du train en faisant une dépression de 11 lb/po² dans la conduite générale au moyen de la poignée du robinet de mécanicien. Lorsqu’une dépression assuréeNote de bas de page 16 a été affichée sur l’unité d’entrée et d’affichage (UEA)Note de bas de page 17 et que le ML était convaincu que les freins du train étaient engagés, les freins indépendants (c’est-à-dire les freins de la locomotive) ont été desserrés et le train a commencé à bouger. Le manipulateur a ensuite été placé au 1er cran et une autre dépression de 3 lb/po² dans la conduite générale a été faite afin d’accroître le serrage des freins du train.

    Figure 4. Pentes dans le secteur de l’événement (Source : Compagnie des chemins de fer nationaux du Canada, avec annotations du BST)
    Image
    Pentes dans le secteur de l’événement (Source : Compagnie des chemins de fer nationaux du Canada, avec annotations du BST)

    Après que l’ensemble du train eut commencé à se déplacer et atteint une vitesse d’environ 4 mi/h, le ML a remis le manipulateur au ralenti. Le ML a attendu environ 33 secondes avant de placer le levier du frein dynamiqueNote de bas de page 18 à la position de mise en service (SET UP), puis a commencé à accroître l’effort de freinage dynamique. Une fois que le train eut atteint une vitesse d’environ 7 mi/h, une autre dépression de 5 lb/po² dans la conduite générale a été faite avec le frein automatique. Lorsque la vitesse du train était de 11 mi/h, une autre dépression de 3 lb/po² a été faite. À ce stade, le serrage total des freins du train était de 22 lb/po², environ 4 lb/po² de moins qu’un serrage à fond des freins.

    Alors que la vitesse du train atteignait environ 14 mi/h, le levier du frein dynamique a été mis à la position 8 et la poignée du robinet de mécanicien a été mise en position de serrage à fond. Même avec les freins du train entièrement serrés et le frein dynamique produisant un effort décélérateur maximum, le train continuait à accélérer. Le ML a observé sur l’accéléromètre que le taux d’augmentation de la vitesse était plus élevé que la normale, indiquant que la force de freinage était insuffisante. Aux environs du point milliaire 4,51, la vitesse du train avait atteint 20 mi/h et le ML a mis la poignée du robinet de mécanicien à la position d’urgenceNote de bas de page 19. Un freinage d’urgence devrait entraîner une augmentation de la pression au cylindre de frein d’environ 20 % à chaque wagon du train.

    Après avoir mis le train dans une situation d’urgence, l’équipe a communiqué avec le contrôleur de la circulation ferroviaire (CCF), situé à Edmonton (Alberta), au moyen de la fonction d’appel d’urgence de la radio de locomotive. Le CCF a maintenu le contact radio avec l’équipe au cours de la descente du train.

    Le train a continué à accélérer en descendant la pente. Vers le point milliaire 1,73, le train a atteint une vitesse de 53 mi/h. Le train n’a pas commencé à ralentir avant le point milliaire 1,48 environ. Vers 2 h 39, le train s’est arrêté, avec la tête s’immobilisant au point milliaire 0,5 environ. Le CCF a continué de garder une voie de communication ouverte avec l’équipe après que le train s’était arrêté, indiquant à l’équipe de prendre quelques minutes pour évaluer la situation.

    Avant d’entreprendre toute tentative de rétablir les freins à air du train et de recharger le système, le chef de train a fait une inspection à pied du train. Au cours de l’inspection, on a remarqué que les pistons des cylindres des freins n’étaient pas engagés pour 27 des 58 wagons, indiquant que les freins n’étaient pas serrés sur ces wagons. D’autres détails sur le fonctionnement des freins à air de locomotives et de wagons de marchandises sont fournis à l’annexe A.

    1.2 Renseignements consignés

    1.2.1 Séquence des événements

    Le tableau 1 fournit un résumé des événements compilé à partir du consignateur d’événements de locomotive (CEL) de la locomotive de tête. L’annexe B fournit plus de détails sur la conduite du train d’après les renseignements du CEL.

    Tableau 1. Résumé des événements
    Heure Point milliaire Vitesse (mi/h) Événement

    2 h 27 min 32 s

    5,14

    0

    Avec l’inverseur placé en position avant, une dépression de 11 lb/po² de la conduite générale est faite en raison de l’application des freins de service. Le débit d’air dans la conduite générale est de 33 CFM avant le serrage des freins du train et augmente à 41 CFM après le serrage des freins du train.

    2 h 27 min 43 s

    5,14

    0

    La poignée du robinet de frein indépendant est mise en position de desserrage.

    2 h 27 min 52 s

    5,14

    0

    La tête du train commence à avancer.

    2 h 28 min 6 s

    5,14

    1,0

    La queue du train (le dernier wagon) commence à avancer.

    2 h 28 min 14 s

    5,13

    1,0

    Le manipulateur est placé au 1er cran.

    2 h 28 min 24 s

    5,13

    2,0

    Une dépression de 3 lb/po² dans la conduite générale est faite en raison de l’application des freins de service.

    2 h 28 min 51 s

    5,11

    4,0

    Le manipulateur est placé au ralenti.

    2 h 29 min 24 s

    5,06

    5,0

    Le levier du frein dynamique est placé en position de mise en service (SET UP).

    2 h 30 min 18 s

    4,97

    6,0

    Le levier du frein dynamique est placé en position 4.

    2 h 31 min 20 s

    4,85

    7,0

    Une dépression de 5 lb/po² dans la conduite générale est faite en raison de l’application des freins de service.

    2 h 32 min 6 s

    4,73

    11,0

    Une dépression de 3 lb/po² dans la conduite générale est faite en raison de l’application des freins de service.

    2 h 32 min 14 s

    4,71

    12,0

    Le levier du frein dynamique est placé en position 6.

    2 h 32 min 30 s

    4,65

    14,0

    Le levier du frein dynamique est placé en position 8.

    2 h 32 min 35 s

    4,64

    15,0

    La poignée du robinet de mécanicien est placée dans la position à fond.

    2 h 32 min 58 s

    4,51

    20,0

    Un freinage d’urgence est déclenché par le ML.

    2 h 37 min 57 s

    1,73

    53,0

    Le train atteint sa vitesse maximale.

    2 h 38 min 15 s

    1,48

    52,0

    Le train commence à ralentir.

    2 h 39 min 58 s

    0,52

    0,0

    Le train s’arrête sur la pente ascendante.

    Au cours de la séquence de chargement, avant le mouvement non contrôlé, le contremaître au chargement de la mine a demandé au ML d’immobiliser le train à 4 reprises. À cet endroit, la pente de la voie ferrée est légèrement descendante du point milliaire 5,5 au point milliaire 6. Chaque fois, le ML a serré les freins du train et les freins indépendants de la locomotive, immobilisant le train.

    À 22 h 54, 2 heures 50 minutes après le début du chargement du train, les freins du train ont été serrés pour la 1re fois. Il s’agissait d’un serrage minimal des freins du train et le serrage à fond des freins indépendants de la locomotive. À ce moment, la commande à basse vitesse était désactivée et le train s’est arrêté. Entre 22 h 54 min 3 s et 22 h 56 min 28 s, une période de 2 minutes 25 secondes, le débit d’air dans la conduite générale a progressivement augmenté de 25 CFM à 62 CFM, et la pression en queue de train à baissé de 81 lb/po² à 76 lb/po². Ensuite, les freins du train ont été desserrés. Quatre minutes plus tard, les freins du train ont été serrés de nouveau, au moyen d’un serrage minimal des freins du train, avec un débit d’air dans la conduite générale de 65 CFM. Les freins indépendants de la locomotive ont été serrés à fond, la commande à basse vitesse a été désactivée, et le train s’est arrêté. Avec les freins du train serrés, le débit d’air dans la conduite générale s’est stabilisé à environ 60 CFM et est demeuré à ce taux jusqu’à ce que les freins soient desserrés. Pendant 1 heure 12 minutes après le relâchement du 2e serrage des freins à air, le débit d’air est demeuré supérieur à 53 CFM. Près de la fin de l’étape de chargement, le train a été immobilisé 2 autres fois, avec des résultats semblables concernant le débit d’air. Le ML n’a remarqué aucun changement dans le débit d’air dans la conduite générale au cours du serrage des freins alors que les wagons étaient chargés, et il n’a pas remarqué que le débit d’air est demeuré à 53 CFM avant le 3e serrage des freins.

    1.3 Conditions météorologiques

    Au moment de l’événement, la température ambianteNote de bas de page 20 était de −24 °C. Il y avait un vent léger et une légère chute de neige tout au long de la nuit. Puisqu’il faisait noir et que le ciel était couvert, la visibilité était limitée.

    Le 9 janvier 2018, le jour avant l’événement, la température dans la région a commencé à diminuer constamment, à partir d’environ 3 h (figure 5). La température ambiante au début de la journée était entre −4 °C et −6 °C. À 2 h 28 le 10 janvier 2018, la température avait chuté à −24 °C. La température ambiante lors des événements clés est indiquée à la figure 5.

    Figure 5. Températures horaires à Luscar (Source : Alberta Climate Information Service, avec annotations du BST)
    Image
    Températures horaires à Luscar (Source : Alberta Climate Information Service, avec annotations du BST)

    1.3.1 Plan d’exploitation hivernale de la Compagnie des chemins de fer nationaux du Canada

    Reconnaissant les difficultés associées à l’exploitation des trains par temps froid, le CN a élaboré un plan d’exploitation hivernale afin d’atténuer les risques connexes. Ces difficultés associées au temps froid concernent le déneigement, le fonctionnement des aiguillages à double commande, la fuite accrue de la conduite générale des trains, le déplacement haut le pied des employés en sécurité (pour aller et venir de leur lieu de travail), et les effets des températures froides sur les rails et les roues d’acier ainsi que les wagons à charge d’impact élevéNote de bas de page 21.

    Le plan d’exploitation hivernale du CN est révisé et mis à jour avant chaque saison hivernale et intègre les leçons tirées des saisons précédentes. Ce plan comprend des mesures pour les éventualités relatives à l’inspection des rails par temps froid, une politique pour les restrictions de vitesse par temps froid et une politique pour le passage des trains par le territoire du système de commande centralisée de la circulation (CCC) lorsqu’un canton est hors d’usage. Certains des éléments du plan sont déclenchés par des seuils d’accumulation de neige ou des seuils de température, à savoir −25 °C et −30 °C. Au cours de l’hiver 2017-2018, le CN avait un plan d’exploitation hivernale en place.

    Le plan d’exploitation hivernale comprend des lignes directrices sur la longueur des trains dans les températures d’hiver. En raison des fuites accrues des conduites générales lors de l’exploitation par temps extrêmement froid, ces lignes directrices visent à limiter la longueur totale de la conduite générale. Le plan d’exploitation hivernale tient compte de l’utilisation des locomotives en TR ou des wagons à air comprimé au milieu du train pour déterminer les longueurs maximums des trains.

    Dans le cadre du plan d’exploitation, une réduction de la longueur du train est d’application si la température prévue au terminal de départ, ou en route, est de −25 °C ou moins. Ces mesures aident à prévenir les retards en ligne lors du rechargement du système de freinage pneumatique après le rebranchement de la conduite générale. Le plan d’exploitation hivernale n’exige aucune modification aux procédures de mise à l’essai des freins à air par des températures plus froides.

    1.4 Renseignements sur la subdivision

    1.4.1 Subdivision de Foothills

    La subdivision de Foothills du CN est reliée à la subdivision d’Edson à Bickerdike (Alberta) (point milliaire 139,9 de la subdivision d’Edson). La direction de l’indicateur de la subdivision de Foothills est d’est en ouest. La seule voie principale de la subdivision de Foothills commence à Bickerdike, point milliaire 0,0, et aboutit à Coal Valley (Alberta), point milliaire 45,8. La voie s’étend jusqu’au point milliaire 50,86.

    Les mouvements des trains dans la subdivision de Foothills sont contrôlés par la CCC entre le point milliaire 0,0 et le point milliaire 35,9, et par la régulation de l’occupation de la voie (ROV) entre le point milliaire 35,9 et le point milliaire 45,8. Les mouvements des trains régis par les méthodes de contrôle CCC et ROV sont autorisés par le Règlement d’exploitation ferroviaire du Canada (REF) et supervisés par un CCF situé à Edmonton.

    À l’ouest du point milliaire 45,8, où la voie principale se termine, la voie est désignée comme une voie de subdivision. Une voie de subdivision est définie dans le REF comme suit :

    Voie non principale indiquée dans la colonne « Méthode d’exploitation » de l’indicateur qui est le prolongement de la voie principale et correspond à la voie directe à l’emplacement en question, tel que défini par des poteaux milliairesNote de bas de page 22.

    L’exploitation de trains sur les voies non principales est gouvernée par la règle 105 du REF, laquelle indique ce qui suit :

    105. CIRCULATION SUR UNE VOIE NON PRINCIPALE

    Des instructions spéciales indiqueront quand cette règle ne s’applique pas sur une voie spécifique.

    Sous réserve de l’indication des signaux, un mouvement qui utilise une voie non principale doit circuler à vitesse RÉDUITE et être prêt à s’arrêter avant la fin de la voie ou du signal rouge prescrit à la règle 41.

    1. En CCC, les mouvements ne peuvent s’engager sur une voie d’évitement que sur l’indication des signaux ou avec la permission du CCF.
    2. Sous réserve de l’indication des signaux ou d’instructions spéciales, les mouvements se déplaçant sur une voie non principale ne doivent pas dépasser quinze (15) mi/h.
    3. En plus de se déplacer à vitesse RÉDUITE, un mouvement utilisant une voie d’évitement non signalisée ou utilisant des voies non principales spécifiées dans des instructions spéciales, doit circuler à une vitesse qui lui permettra d’arrêter en deçà de la moitié de la distance de visibilité d’un véhicule d’entretienNote de bas de page 23.

    1.4.2 Subdivision de Mountain Park

    La subdivision de Mountain Park du CN débute à la jonction Parkhill (point milliaire 35,9 dans la subdivision de Foothills). La direction de l’indicateur est d’est en ouest. La subdivision de Mountain Park consiste en une seule voie principale du point milliaire 0,0 (jonction Parkhill) au point milliaire 20,0 et une voie de subdivision désignée du point milliaire 20,0 au point milliaire 26,0 (fin de la voie).

    Les mouvements des trains dans la subdivision de Mountain Park sont contrôlés par la méthode de contrôle des trains ROV entre le point milliaire 0,0 et le point milliaire 20,0, comme l’autorise le REF, et sont supervisés par un CCF situé à Edmonton.

    1.4.3 Embranchement industriel de Luscar

    L’embranchement industriel de Luscar s’étend vers le nord sur 5,8 milles, à partir du point milliaire 22,4 dans la subdivision de Mountain Park. La direction de l’indicateur est du nord au sud. Entre le point milliaire 1,0 et le point milliaire 4,5, les mouvements des trains sont gouvernés par la méthode de contrôle des trains ROV et sont supervisés par un CCF situé à Edmonton. La voie entre les points milliaires 0,0 et 1,0 et entre les points milliaires 4,5 et 5,8 est désignée voie non principale en vertu de la règle 105 du REF, Circulation sur une voie non principale.

    1.5 Renseignements sur le groupe de traction

    Le groupe de tractionNote de bas de page 24 était formé de 3 locomotives : CN 2888, CN 2870 et IC 2718. Les locomotives étaient configurées pour l’exploitation à plusieurs unités, avec CN 2888 comme locomotive de commande de tête. Lors de l’événement, les 3 locomotives étaient en marche et en prise (produisant un effort de traction).

    Ces locomotives d’une puissance de 4400 hp, fabriquées par GE Transportation (GE), sont classées comme des locomotives diesel-électriques de marchandises. Chaque locomotive a 6 essieux activés par des moteurs de traction. Les autres caractéristiques opérationnelles ou physiques de ces locomotives comprennent ce qui suit :

    • CN 2888 et CN 2870 sont toutes deux des locomotives GE ES44AC, construites en 2014. Elles possèdent des moteurs diesel à 12 cylindres GE Evolution, type GEV012, avec des moteurs de traction à courant alternatif (CA). Ces locomotives pèsent approximativement 420 000 livres chacune.
    • IC 2718 est une locomotive GE C44-9W, construite en 2004. Elle possède un moteur diesel à 16 cylindres, de type 7FDL16, avec des moteurs de traction à courant continu (CC). Cette locomotive pèse approximativement 390 000 livres.
    • Le frein dynamique sur les 3 locomotives est de type F – plat à plage étendue. Sur le train à l’étude, la fonction de freinage dynamique de la locomotive de queue (IC 2718) était désactivée afin de se conformer aux instructions d’exploitation du CNNote de bas de page 25. Cela a été en fait en coupant le moteur de traction no 1.
    • CN 2888 et CN 2870 possèdent un dispositif de maintien du freinage dynamique, lequel maintient le freinage dynamique au cours d’une urgence ou d’un freinage compensateur. Les données du CEL pour ces 2 locomotives ont permis de vérifier que ce dispositif fonctionnait comme prévu lors de l’événement.
    • CN 2888 est équipé d’un système de freinage pneumatique électronique utilisant un distributeur contrôlé par ordinateur et des composants connexes fabriqués par New York Air Brake (NYAB). Les systèmes de freinage pneumatique électroniques sont des systèmes de freinage contrôlés par microprocesseur qui sont intégrés dans les dispositifs électriques et mécaniques à bord. Ils fonctionnent d’une manière semblable au système de freinage pneumatique 26-L traditionnel avec les mêmes fonctions.

    1.6 Rapports d’inspection des locomotives

    1.6.1 Inspection après l’événement

    Après l’événement, le CN a effectué une inspection et un essai sur place des freins à air, des systèmes de communication et des dispositifs de contrôle de sécurité. Chacune des locomotives dans le groupe a réussi l’inspection de sécurité des locomotives. Le formulaire du CN Annexe BNote de bas de page 26 a été délivré par un inspecteur accrédité de locomotivesNote de bas de page 27 et signé par un superviseur des services de mécanique.

    Les observations suivantes ont été faites dans le rapport du bon de travail :

    • La course des pistons était bonne.
    • Les 3 freins à main étaient en bon état de fonctionnement.
    • L’inspection de sécurité des locomotives a été notée comme étant « OK ».
    • L’Annexe B a été remplie.
    • Taille des roues 40,125, ordinateur 4.2.
    • L’auto-test des freins à air dans l’unité de tête a été réussi.
    • Le freinage dynamique a été vérifié pour CN 2888 (tête) et CN 2870 (milieu). Il était impossible de vérifier le freinage dynamique pour la locomotive IC 2718, car le moteur no 1 était coupé.

    1.6.2 Historique d’inspection et de réparation des locomotives

    L’historique d’inspection et de réparation a été obtenu pour les 3 locomotives. Les 3 locomotives avaient fait l’objet des inspections électriques et mécaniques annuelles (368 jours) et semi-annuelles (184 jours) requisesNote de bas de page 28. Les locomotives avaient également reçu des services d’entretien et de réparation normaux, au besoin.

    1.7 Historique des wagons loués

    Le CN avait loué les wagons à charbon de CIT Group Inc. Ces wagons ont été construits par FreightCar America Inc. en 2006. Les 116 wagons étaient des wagons-tombereaux en aluminium avec des parois et des extrémités élevées et un fond surbaissé pour le déchargement dans des machines de déchargement (figure 6). Les distributeurs de frein de ces wagons, fabriqués par NYAB, étaient du modèle DB-60Note de bas de page 29 et ont été fabriqués en 2006, signifiant qu’ils avaient environ 11 ans lors de l’événement. De plus, certains des dispositifs de serrage des wagonsNote de bas de page 30 avaient été fabriqués par Wabtec Freight Car Pneumatics (Wabtec).

    Figure 6. Wagon-tombereau de charbon en aluminium avec un attelage tournant (Source : BST)
    Image
    Wagon-tombereau de charbon en aluminium avec un attelage tournant (Source : BST)

    Les wagons loués avaient été entreposés à Mobile (Alabama, États-Unis) pendant 22 à 34 mois. Le 30 novembre 2017, les wagons ont été sortis de l’entreposage et envoyés à Memphis (Tennessee, États-Unis). Avant de partir de Mobile, un essai des freins à air no 1 a été effectué. Le 2 décembre 2017, un autre essai des freins à air no 1 et une inspection des wagons par un inspecteur accrédité ont été effectués à Memphis. À partir de Memphis, les wagons loués ont été envoyés au triage Symington à Winnipeg, arrivant le 5 décembre 2017.

    À partir du triage Symington, les wagons loués ont été envoyés vers l’ouest pour commencer à transporter du charbon dans l’Ouest du Canada. Les wagons ont été d’abord chargés de charbon à Coal Valley (Alberta), le 8 décembre 2017, puis déchargés aux installations de Ridley Terminals Inc. à Prince Rupert (Colombie-Britannique) le 12 décembre 2017.

    Du 14 décembre 2017 au 6 janvier 2018, les wagons loués ont été inclus dans un train qui a fait 3 allers-retours entre les terminaux Ridley et Tumbler (Colombie-Britannique). Il fallait en moyenne 5 jours pour chaque aller-retour, depuis le départ du train vide des terminaux Ridley et jusqu’à son retour de Tumbler, chargé. Lors du 2e voyage à Tumbler, le train a subi des problèmes avec le système de freinage pneumatique de certains wagons.

    1.7.1 Défectuosité des freins à air à Tumbler

    Le 21 décembre 2017, vers 20 h, après être arrivés à Tumbler (point milliaire 61,6 de la subdivision de Tumbler du CN), les wagons loués vides ont été garés sur 2 voies du triage. Alors qu’ils garaient les wagons, l’équipe a remarqué que les freins de certains des wagons ne répondaient pas à un serrage des freins d’urgence exécuté par l’équipeNote de bas de page 31. Une fois que l’équipe a avisé un superviseur, un agent de locomotive a été joint. La température à ce moment était de −25 °C.

    L’agent de locomotive a tenté de régler le problème avec le ML par radio. Cependant, puisque le problème n’a pas pu être corrigé, 2 agents de locomotive de Prince George sont arrivés à Tumbler le jour suivant (le 22 décembre 2017). Travaillant avec 2 inspecteurs accrédités de wagons et l’équipe du train, les agents de locomotive n’ont toujours pas pu déterminer la cause du problème.

    Après avoir été chargés le 23 décembre 2017, les wagons loués ont été ramenés à Prince George pour un examen approfondi. Puisque l’on croyait que le problème venait des distributeurs, le dispositif de serrage d’urgence de chaque wagon a été remplacé. Les wagons loués ont ensuite été mis à l’essai de nouveau; on a confirmé que les freins (d’urgence et de service) fonctionnaient comme prévu, et les wagons ont été renvoyés aux terminaux Ridley. Cependant, les wagons n’ont pas été mis à l’essai individuellement avant d’être remis en service, comme l’exige la règle 3 des règles d’échangede la Association of American Railroads (AAR)Note de bas de page 32. Le CN ne voulait pas retarder davantage le déchargement de ces wagons, craignant qu’ils deviennent plus difficiles à décharger plus le produit restait longtemps à dans des températures inférieures au point de congélation. De plus, puisque le CN n’avait pas prévu d’adresser une facture au propriétaire des wagons loués à ce moment, les essais des wagons individuels ont été reportés.

    Les wagons ont été utilisés pour un autre aller-retour à Tumbler avant d’être envoyés à Luscar. Au cours de l’aller-retour à Tumbler, les freins à air du train fonctionnaient comme prévu.

    1.8 Exigences réglementaires et instructions de la compagnie pour les essais de frein

    Le Règlement relatif à l’inspection et à la sécurité des freins sur les trains de marchandises et de voyageurs approuvé par Transports Canadaétablit l’exigence pour un essai de frein no 1 comme suit :

    11. ESSAI DE FREIN No 1

    11.1 Un essai de frein no 1 doit être effectué par un inspecteur accrédité de matériel remorqué dans un lieu désigné pour les vérifications de sécurité :

    1. sur les trains formés à cet endroit;
    2. sur les wagons ajoutés à un train à cet endroit;
    3. sur les wagons échangés;
    4. sur un train formé ailleurs que dans un lieu désigné pour les vérifications de sécurité, l’essai de frein no 1 doit être effectué à celui que la compagnie ferroviaire aura désigné pour ce train dans le sens de la marche de celui-ci.

    11.2 Exceptions – Il n’est pas nécessaire d’effectuer un essai de frein no 1 :

    1. sur les trains circulant sur des voies principales, entre des triages, jusque dans un rayon de trente (30) milles [cinquante (50) kilomètres)]. Ces trains doivent être affectés exclusivement au garage ou au ramassage de matériels de l’industrie et/ou au transfert de matériels entre des triages et leur liste communiquée au Ministère.
    2. dans le cas d’un transfert de lots de wagons qui ont été sans air pour une période de temps n’excédant pas 24 heures et pouvant être prolongée à 48 heures après en avoir avisé le Ministère.

    11.3 L’essai de frein no 1 doit permettre de vérifier :

    1. l’intégrité et la continuité de la conduite générale;
    2. que l’état de la timonerie de frein sur chaque véhicule dans le train satisfait aux exigences minimales énoncées aux articles 20, 21 et 22 du présent Règlement;
    3. que le serrage et le desserrage des freins de chaque véhicule sont constatés par une vérification visuelle du déplacement du piston ou de l’indicateur de freinage; et
    4. que la course du piston sur chaque véhicule est conforme aux normes.

    11.4 Un inspecteur accrédité de matériel remorqué peut effectuer une surveillance au défilé pour vérifier le desserrage des freins du train.

    11.5 Les inspecteurs accrédités de matériel remorqué doivent faire rapport, conformément aux marches à suivre et aux instructions de travail de la compagnie, de tous les résultats des essais de frein effectués. Toute anomalie du système de freinage constatée au cours de l’essai de frein et non réparée avant le départ doit être consignée comme une avarie et signalée au chef de train ou, en son absence, au mécanicien. Le chef de train ou le mécanicien devra mettra à jour en conséquence le système d’information sur la situation des freins de train en y consignant les anomalies reconnues. Les résultats de tels essais doivent être conservés durant quatre-vingt-douze (92) jours.

    11.6 Après un essai de frein nº 1, un train peut quitter un lieu désigné pour les vérifications de sécurité avec quatre-vingt-quinze (95) pour cent de ses freins en service, à la condition que tout effort raisonnable ait été fait pour maintenir un taux de cent (100) pour cent de freins en service. Cette exigence ne s’applique pas aux véhicules dont il est question au paragraphe 8.4 du présent Règlement.

    11.7 Il n’est pas nécessaire d’effectuer un essai de frein nº 1 à un point d’échange et/ou à un point d’entrée au Canada si le mécanicien a accès à des documents qui indiquent qu’un tel essai, conformément au présent Règlement, ou un essai de frein au terminal d’origine par un personnel de la Mécanique aux États-Unis, a eu lieuNote de bas de page 33.

    Conformément à ces règles et aux Instructions générales d’exploitation du CN, les essais de frein no 1 sont menés par des inspecteurs accrédités de wagons aux endroits où les trains sont formés ou à des endroits désignés pour les trains en service. Les inspecteurs effectuant ces essais doivent vérifier l’intégrité et la continuité de la conduite générale, ainsi que l’état de la timonerie de frein de chaque wagon, afin de s’assurer que les freins respectent les exigences minimales. Afin d’effectuer cet essai, les freins sont serrés et les pistons de cylindre de frein sont visuellement vérifiés afin de s’assurer que les freins sont serrés sur chaque wagon et que la course du piston de cylindre de frein correspond aux spécifications. Après le desserrage des freins, les pistons de cylindre de frein sont de nouveau vérifiés visuellement sur chaque wagon afin de s’assurer que les freins se sont desserrés.

    Les trains-blocs vides servant au transport de charbon entre les terminaux Ridley et Luscar reçoivent un essai des freins no 1 avant leur départ de Prince George. Lors de leur départ de Prince George, au moins 95 % des wagons doivent avoir des freins fonctionnels. Le 9 janvier 2018, des inspecteurs de wagons accrédités par le CN ont effectué un essai des freins no 1 sur le train C76850-09. À Luscar, un essai de la continuité de la conduite générale et un essai de l’UDF ont été effectués une fois le train chargé et prêt à partir. Puisque Luscar n’était pas un lieu d’inspection de sécurité pour le train à l’étude, il n’y avait aucune exigence que l’équipe effectue un essai des freins no 1ANote de bas de page 34.

    Le tableau 2 présente un résumé des essais des freins no 1 effectués sur les wagons loués.

    Tableau 2. Essais des freins no 1 effectués sur les wagons loués
    Date Heure Lieu Type d’inspection

    2017-11-30

    18 h 31

    Mobile (Alabama)

    Inspection des freins à air no 1

    2017-12-02

    3 h 30

    Memphis (Tennessee)

    Inspection des freins à air no 1

    2017-12-15

    18 h 45

    Prince George (Colombie-Britannique)

    Inspection des freins à air no 1

    2017-12-21

    17 h 53

    Prince George (Colombie-Britannique)

    Inspection des freins à air no 1

    2017-12-24

    15 h 42

    Prince George (Colombie-Britannique)

    Inspection des freins à air no 1

    2017-12-28

    11 h 53

    Prince George (Colombie-Britannique)

    Inspection des freins à air no 1

    2018-01-03

    16 h 02

    Terminaux Ridley (Colombie-Britannique)

    Inspection des freins à air no 1

    2018-01-09

    6 h 10

    Prince George (Colombie-Britannique)

    Inspection des freins à air no 1

    1.9 Essai des freins à air d’un wagon individuel

    Un essai des freins à air d’un wagon individuel vérifie l’efficacité des freins du wagon et permet de s’assurer, entre autres, que les freins demeurent serrés et n’ont aucune fuite. Cet essai est effectué sur une voie de réparation ou dans un atelier par un inspecteur accrédité de wagons. Le dispositif utilisé pour effectuer cet essai est doté d’un distributeur spécial et d’un débitmètre afin de vérifier les fonctions de freinage essentielles. Au cours de l’essai, la perte de pression est mesurée dans les cylindres de frein pendant 4 minutes subséquemment à une dépression de 10 lb/po² dans la conduite générale. La perte de pression admissible est de 1 lb/po² (ou moins).

    Conformément au Field Manual of the AAR Interchange Rules, un essai sur wagon individuel est requis [traduction] :

    lorsqu’un wagon est sur une voie de réparation ou dans un atelier et n’a pas reçu un essai sur wagon individuel depuis plus d’un an; ou

    lorsqu’un wagon a été en service sans avoir un essai sur wagon individuel pendant une période de 5 ansNote de bas de page 35.

    Aucun essai des freins à air d’un wagon individuel n’a été effectué sur les wagons loués lorsqu’ils ont été sortis de l’entreposage à Mobile ou à tout moment avant ou après qu’ils ont été livrés au CN.

    En ce qui a trait à un wagon remis en service après avoir été entreposé, il n’y a aucune exigence particulière de mener un essai des freins à air d’un wagon individuel, tant que le temps d’entreposage ne fait pas que le wagon contrevient à d’autres exigences existantes.

    Aucun essai des freins à air d’un wagon individuel n’a été mené sur les wagons loués après qu’on ait constaté les défectuosités des freins à air à Tumbler le 21 décembre 2017 ou une fois que les dispositifs de serrage d’urgence des distributeurs ont été remplacés peu après à Prince George.

    1.10 Fuite du système de freinage pneumatique

    Le système de freinage pneumatique contient de nombreux raccords, joints d’étanchéité et garnitures qui sont vulnérables aux fuites d’air, particulièrement par temps extrêmement froid (en dessous de −25 °C). De nombreux joints d’étanchéité et garnitures dans le système de freinage pneumatique sont faits de caoutchouc. Les effets du temps froid sur le caoutchouc peuvent varier en fonction de la composition du caoutchouc. Cependant, on sait de façon générale que les conditions de temps froid réduisent la résilience de rebondissement, rendant le caoutchouc plus rigide et moins efficace pour prévenir le débit d’air diffus.

    Pour les trains ordinaires, au cours d’opérations par temps froid, la pression dans la conduite générale en queue est habituellement inférieure à la pression dans la conduite générale des locomotives de tête. La différence de pression entre la tête et la queue du train (le gradient de conduite générale) est la différence observée entre ces 2 valeurs. Comme il est indiqué dans le Règlement relatif à l’inspection et à la sécurité des freins sur les trains de marchandises et de voyageurs approuvé par Transports Canada, le gradient maximum de conduite générale lors de l’exploitation d’un train ordinaire est de 15 lb/po².

    Après le serrage des freins de service ou des freins d’urgence, l’air du réservoir auxiliaire et du réservoir d’urgence à chaque wagon entre dans le cylindre de frein par le distributeur. Lorsque la force de freinage voulue est atteinte, le distributeur passe automatiquement à la position neutre, isolant les cylindres de frein et les conduites connexes du reste du système de freinage du train. Si l’air fuit du cylindre de frein, la pression appliquée par le piston de cylindre de frein est réduite. Par conséquent, les freins sont graduellement desserrés jusqu’à ce qu’il n’y ait plus d’air dans le cylindre de frein et que les freins soient complètement desserrés.

    Des fuites d’air peuvent également découler de la contamination des composants du cylindre de frein et de la dégradation de la graisse qui lubrifie le système. Ces fuites sont également amplifiées par temps froid, lorsque le métal se contracte.

    Les fuites d’air mineures qui n’influencent pas la pression dans la conduite générale ne peuvent pas être facilement détectées par le ML. Les fuites d’air importantes sont signalées au ML par un gradient accru de conduite générale et un plus grand débit d’air des locomotives.

    1.11 Événement précédent ayant entraîné une lettre circulaire de la Association of American Railroads

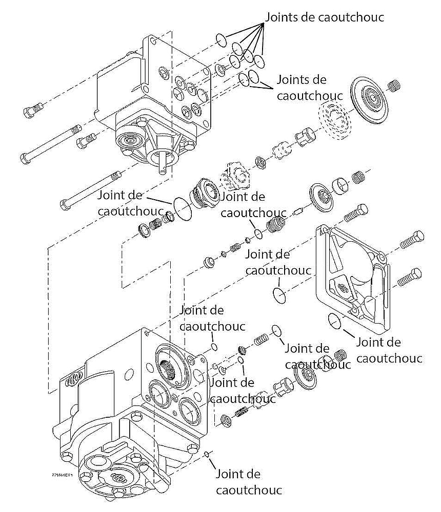
    Le 25 octobre 2013, l’AAR a diffusé la lettre circulaire C-12027 concernant les défectuosités par temps froid au cours du serrage des freins de service (annexe C). À l’époque, des essais avaient permis de déterminer que les joints de caoutchouc usés (joints toriques) de l’orifice d’échappement du couvercle inférieur des dispositifs de serrage de type DB-10 (figure 7) pouvaient rétrécir à des températures extrêmement froides. Ce rétrécissement des joints de caoutchouc pouvait ensuite causer une fuite du réservoir auxiliaire et mener à un desserrage localisé imprévu des freins de service d’un wagon.

    Figure 7. Vue du dessous du dispositif de serrage de type DB-10 montrant l’orifice d’échappement du couvercle inférieur (Source : New York Air Brake; reproduction en français : BST)
    Image
    Vue du dessous du dispositif de serrage de type DB-10 montrant l’orifice d’échappement du couvercle inférieur (Source : New York Air Brake; reproduction en français : BST)

    L’emplacement des joints de caoutchouc dans le dispositif de serrage de type DB-10 est montré à la figure 8.

    Figure 8. Dispositif de serrage de type DB-10 (Source : New York Air Brake, avec annotations du BST)
    Image
    Dispositif de serrage de type DB-10 (Source : New York Air Brake, avec annotations du BST)

    Le 9 septembre 2013, NYAB a diffusé la lettre générale GL-490, « Cold Temperature DB-10 Auxiliary Reservoir Leakage », laquelle a été jointe à la circulaire de l’AAR C-12027 (annexe C). Cette lettre a défini la condition comme suit [traduction] :

    les dispositifs de serrage de type DB-10 assujettis à des vibrations fortes en service sur de longues distances peuvent développer des fuites à de basses températures à un certain moment après l’âge de treize ans.

    En ce qui a trait aux essais de wagons individuels par temps froid, la lettre générale de NYAB indiquait ce qui suit [traduction] :

    les essais de wagons individuels menés à des températures supérieures à 40 °F ne permettront pas de détecter les distributeurs qui doivent être mis hors service en raison de cette condition.

    1.12 Mise à l’essai des distributeurs dans les wagons à l’étude

    Après l’événement, divers composants des distributeurs ont été retirés des wagons loués et envoyés au fabricant (NYAB) pour un examen détaillé. Certaines des conclusions et des observations pertinentes de cet examen sont résumées à l’annexe D. Les essais, effectués conjointement avec le Laboratoire d’ingénierie du BST, ont porté sur :

    • 5 dispositifs de serrage d’urgence des wagons en cause dans l’événement du 21 décembre 2017;
    • 5 dispositifs de serrage des wagons en cause dans l’événement du 10 janvier 2018Note de bas de page 36.

    Sous des conditions de températures contrôlées, on a pu reproduire le mécanisme de défaillance du présent événement durant les essais.

    Les essais de NYAB ont permis de déterminer que le desserrage non intentionnel des freins des wagons de marchandises dans le présent événement était probablement le résultat du même type de défaillance et de fuite des dispositifs de serrage de type DB-10 visés par la circulaire de l’AAR en 2013 (c’est-à-dire l’amincissement des joints de caoutchouc usés de l’orifice d’échappement du couvercle inférieur à des températures froides extrêmes).

    Pour les dispositifs de serrage d’urgence de type DB-20 (figure 9), les essais de NYAB ont permis d’établir que le mécanisme de défaillance n’était pas le même que pour les dispositifs de serrage. Plutôt, la défaillance des dispositifs de serrage d’urgence était liée aux joints toriques Knorr déformés à l’intérieur de la valve de mise à l’atmosphère, ce qui a entraîné des fuites excessives par des températures froides extrêmes et, par conséquent, l’incapacité de diffuser la commande de serrage des freins d’urgence. L’affaissement et la déformation du caoutchouc des joints toriques Knorr s’étaient probablement produits alors que les wagons loués étaient entreposés pendant une longue période avant d’être livrés au CN. En raison de ces déformations permanentes, le rendement prévu des joints toriques Knorr, particulièrement par des températures froides, a été affecté.

    Quatre dispositifs de serrage d’urgence de distributeur des wagons loués qui avaient été fabriqués par Wabtec ont été renvoyés à la compagnie pour un examen détaillé (annexe E). Les résultats des essais des dispositifs de serrage de distributeur Wabtec du train ont indiqué qu’ils fonctionnaient comme prévu. Les données ont également indiqué que ces dispositifs de serrage d’urgence n’avaient pas contribué à l’augmentation importante du débit d’air de serrage qui a été subie lors du présent événement.

    Figure 9. Dispositif de serrage d’urgence de type DB-20 (Source : New York Air Brake, avec annotations du BST)
    Image
    Dispositif de serrage d’urgence de type DB-20 (Source : New York Air Brake, avec annotations du BST)

    1.13 Détection des roues froides

    Le CN a 5 détecteurs de roues froides sur son réseau. Deux des détecteurs de roues froides se trouvent dans la subdivision de Robson. Les trains en direction ouest quittant Jasper passent habituellement au-dessus d’un de ces détecteurs avant de diverger vers le nord dans la subdivision de McBride.

    Les détecteurs de roues froides prennent la température des roues des trains qui passent et sont placés à des endroits où les freins des trains sont habituellement serrés. Ces détecteurs repèrent les écarts importants des températures normales des roues d’un train donné.

    Dans le présent événement, les renseignements sur la température des roues pour le train avaient été captés par le détecteur de roues froides dans la subdivision de Robson. Cependant, il n’y avait aucun écart important par rapport aux températures normales. Par conséquent, ce train n’a pas été considéré comme ayant des caractéristiques de freinage inefficace.

    Le CN a également créé un document exhaustif de portée des travaux pour l’inspection des wagons qui ont été désignés comme ayant des roues froides. Ce document est considéré comme étant « évolutif », qui est modifié au fur et à mesure que l’on découvre des innovations. Il stipule que pour le matériel appartenant au CN, les distributeurs des wagons doivent être remplacés avant tout essai de wagons dont toutes les roues sont froides. Tous les autres wagons doivent subir des essais exhaustifs, et tout composant défectueux doit être réparé ou remplacé.

    1.14 Analyse par le BST de la dynamique du train

    Le BST a effectué une analyse de la dynamique du train pour le train à l’étude en utilisant le logiciel Train Energy and Dynamics Simulator (TEDS) Note de bas de page 37.

    Il a été déterminé que la défaillance du système de freinage pneumatique sur les 27 wagons et le ratio réduit d’efficacité des freins de 31 wagons fonctionnels ont produit un effort de freinage insuffisant pour retenir le train à l’étude sur les pentes abruptes.

    De plus, le ratio d’efficacité des freins des 31 wagons fonctionnels était d’approximativement 7 %, en moyenne.

    1.15 Formation du mécanicien de locomotive concernant le débit d’air

    Le cours de formation des ML du CN couvre l’utilisation des indicateurs du débit d’air et des fonctions de maintien de la pression du robinet de mécanicien Note de bas de page 38. Cette formation aborde en particulier les sujets suivants :

    • résumé : débit d’air – système de freinage automatique;
    • fonction de maintien de la pression;
    • mesure du débit d’air dans la conduite générale;
    • débitmètre de la conduite générale;
    • indicateur du débitmètre d’air;
    • indicateurs du débit d’air sur les écrans du conducteur;
    • fonctionnement du débitmètre d’air;
    • débitmètre d’air indiquant un desserrage non intentionnel;
    • mises en garde concernant le système de freinage pneumatique des wagons de marchandises.

    Le Guide du mécanicien de locomotive du CN indique ce qui suit :

    Si la locomotive est équipée d’un robinet de mécanicien « à compensation des fuites », l’indicateur de débit avertit le mécanicien lorsqu’un desserrage intempestif des freins se produit. Si l’aiguille monte subitement et qu’elle revient ensuite à sa position normale, cela révèle que la demande en air dans le train a brusquement augmenté, ce qui est généralement dû au fait que les freins se sont desserrés. Pour vérifier la pression en queue du train et pour vérifier l’intégrité de celui-ci, on peut également consulter l’écran de l’UTT [système de contrôle et de freinage en queue de train] posé sur le pupitre de conduite. Pour obtenir de plus amples renseignements sur le Système de contrôle et de freinage en queue de train, consulter la partie G du présent document, intitulée Conduite des trainsNote de bas de page 39.

    Les instructions d’exploitation des trains du CN ne sont pas conçues pour diagnostiquer les défaillances mécaniques de plusieurs distributeurs de wagons dans un train. De plus, les mentions que le débit d’air dans la conduite générale est un indicateur du desserrage non intentionnel sont propres aux situations où un freinage en dents de scieNote de bas de page 40 a eu lieu et qu’il y a un faux gradient de conduite générale.

    1.15.1 Écran du conducteur dans la cabine de la locomotive

    Pour les locomotives dotées d’un écran du conducteur multifonctionnel, la rétroaction des commandes est fournie au moyen d’un « affichage intelligent » (figure 10). Dans le présent événement, la locomotive de tête était dotée d’un tel écran.

    Le ML peut utiliser l’affichage intelligent pour surveiller les données de vitesse et de freinage, ainsi que d’autres paramètres d’exploitation, y compris :

    • la distance;
    • l’effort de traction;
    • la position de l’inverseur et du manipulateur;
    • les renseignements sur la queue du train;
    • l’état de la locomotive de tête;
    • le niveau de carburant;
    • les renseignements de la TR;
    • les renseignements du Trip Optimizer.

    Lorsque les freins du train ou les freins de la locomotive sont activés, l’état des divers éléments est affiché à l’écran, y compris la pression du réservoir d’égalisation, la pression dans la conduite générale, l’état de la queue du train et la pression au cylindre de frein. Ces éléments peuvent être surveillés par le ML et utilisés pour calculer le gradient de conduite générale.

    Lorsqu’il utilise le freinage dynamique, le ML peut surveiller l’état des données suivantes sur l’écran : l’effort de traction / de freinage dynamique (Effort Klb) et l’état du levier de l’inverseur / du manipulateur (Throttle). De plus, le ML peut surveiller la vitesse et l’accélération.

    1.15.2 Surveillance du débit d’air

    Lorsqu’il utilise le système de freinage automatique, le ML peut également surveiller le débit d’air dans la conduite générale (cercle rouge dans la figure 10).

    Figure 10. Écran du conducteur dans la cabine de la locomotive, avec un cercle rouge indiquant la boîte du débit d’air (Source : GE Transportation, avec annotation du BST)
    Image
    Écran du conducteur dans la cabine de la locomotive, avec un cercle rouge indiquant la boîte du débit d’air (Source : GE Transportation, avec annotation du BST)

    Le débit d’air est le taux mesuré d’air qui circule de la locomotive à la conduite générale. Cette information indique au ML :

    • le taux auquel le système de freinage pneumatique est chargé ou rechargé;
    • s’il y a une forte demande d’air dans la conduite générale (p. ex., lorsqu’un tuyau s’est séparé ou s’est brisé);
    • si l’air circule dans la conduite générale lorsque la fonction de maintien de la pression du robinet de mécanicien compense les fuites normales.

    Lorsque les freins sont serrés et que l’indicateur du débit d’air montre un débit d’air accru (comme c’était le cas dans le présent événement), il se peut que :

    • les freins du train se desserrent (de manière non intentionnelle);
    • un tuyau de raccordement à la conduite générale s’est détaché quelque part dans le train;
    • il y a une rupture de la conduite générale ou d’un tuyau dans le train;
    • il y a d’autres sources de fuites d’air.

    Si un débit d’air imprévu est détecté alors que les freins sont serrés, les procédures de la compagnie de chemin de ferNote de bas de page 41 exigent qu’un effort de freinage accru soit déployé pour arrêter le train, en utilisant le freinage d’urgence au besoin. Les écrans du conducteur n’ont aucune alarme liée au débit d’air appliqué de la conduite générale, c’est-à-dire à l’augmentation du débit d’air après un serrage des freins.

    1.16 Utilisation de la fonction de commande automatique à basse vitesse au cours des opérations de chargement

    Au CN, les locomotives GE ES44AC sont dotées d’une fonction de commande automatique à basse vitesse. Au moyen de cette fonction, le ML peut contrôler la vitesse automatiquement au cours du chargement ou du déchargement des wagons, qui doit être fait à basse vitesse. Le ML utilise la fonction de commande à basse vitesse au moyen de commandes de l’écran et de touches programmablesNote de bas de page 42.

    Lorsque la fonction de commande à basse vitesse est activée, l’ordinateur de bord maintient une vitesse constante qui n’est pas possible avec la conduite manuelle. Une fois la fonction activée, le ML doit seulement surveiller le système. Cependant, une fonction de dispositif de veille automatique (RSC)Note de bas de page 43 demeure active lorsque cette fonction est utilisée.

    1.17 Étude des facteurs humains dans l’automatisation des tâches de conduite d’un train

    Une analyse des facteurs humains pour un autre système automatisé en cabine, le Système de gestion du trafic ferroviaire européen (ERTMS), a déterminé qu’automatiser une part importante des tâches du conducteur du train entraînait une réduction des tâches psychomotrices et des tâches visuelles alors que l’information est combinée sur l’écran en cabine. Au cours d’un voyage typique, le conducteur du train pourrait avoir jusqu’à 1 000 tâches cognitives de moinsNote de bas de page 44. La mise en œuvre de ce type de système a entraîné un changement d’une stratégie de conduite proactive et anticipatoire à une stratégie de surveillance plus réactiveNote de bas de page 45. On a démontré qu’un tel changement produisait des situations de faibles charges de travailNote de bas de page 46 qui pouvaient avoir les effets suivants :

    • Les faibles charges de travail et les tâches monotones peuvent entraîner une augmentation de sentiments de somnolence et de fatigue, puisqu’elles réduisent les niveaux d’éveil d’une personneNote de bas de page 47. En particulier, de longues périodes avec une participation de contrôle minime peuvent entraîner une fatigue passiveNote de bas de page 48. Si une personne est déjà fatiguée, les faibles charges de travail avec une participation minime exacerbent la perception de cette fatigue.
    • Les réductions des niveaux de charge de travail et d’éveil peuvent entraîner des réductions correspondantes de vigilance. La vigilance est associée à des états d’alerte suffisants pour surveiller efficacement l’environnement, avec un accent particulier sur la recherche de stimuli potentiellement dangereuxNote de bas de page 49. Une étude des effets de l’automatisation sur les ML a constaté que la vigilance était plus faible avec des niveaux élevés d’automatisation et que cet effet s’aggravait avec le temps passé à la tâcheNote de bas de page 50.
    • Il a été démontré qu’une vigilance diminuée réduit le taux global de détection des stimuli critiques au cours d’une tâcheNote de bas de page 51. La même chose a été vue avec les technologies d’automatisation des voitures comme la régulation de vitesse. Les conducteurs de voitures ont un meilleur rendement dans les tâches secondaires lorsque les tâches principales sont automatisées, mais prennent en général plus de temps à détecter les dangersNote de bas de page 52.

    Selon ces données de recherche, le Rail Safety and Standards Board au Royaume-Uni a indiqué que, avec l’introduction de nouvelles technologies, la formation des conducteurs doit être mise à jour afin de tenir compte des changements associés aux compétences non techniques. Cette formation supplémentaire pourrait inclure des compétences comme l’attention aux détails, la conscience globale, le maintien de la concentration et l’anticipation des risquesNote de bas de page 53.

    Dans une autre étude des facteurs humains, le département des Transports des États-UnisNote de bas de page 54 a comparé les différents niveaux d’automatisation de la conduite des trains (de la régulation de vitesse à l’autopilotage complet). Il a été déterminé que, pour les opérations normales, l’automatisation complète favorisait la conscience situationnelle de la tâche de conduite générale, puisque l’automatisation libérait des ressources supplémentaires pour effectuer des tâches secondaires et surveiller les défaillances. Cependant, certains conducteurs ont indiqué qu’ils se sentaient peu informés par rapport à la tâche principale. Cela a mis en évidence qu’il pourrait y avoir des problèmes à maintenir la conscience lorsqu’il y avait des défaillances complexes dans la tâche principale, particulièrement en présence de toute complaisance ou fatigue.

    1.18 Autres problèmes liés aux facteurs humains concernant le rendement du conducteur

    1.18.1 Conscience situationnelle

    La conscience situationnelle peut être divisée en 3 niveaux : la perception des éléments environnants, la compréhension de leur signification et la prévision de leur étatNote de bas de page 55. Pour avoir une conscience situationnelle exacte, les ML doivent percevoir les éléments et les renseignements pertinents dans leur environnement, comprendre ce qu’ils signifient et prévoir de manière précise les implications pour le déroulement de leur voyage.

    Plusieurs facteurs peuvent influencer la probabilité que les ML soient en mesure de percevoir de manière précise les éléments et les renseignements pertinents de leur environnement. Par exemple, les ML peuvent manquer des renseignements présentés en raison d’une vigilance réduite, percevoir seulement certains des éléments lorsqu’il y a trop de renseignements à gérer, ou percevoir de manière sélective seulement certains renseignements en raison de biais cognitifs ou perceptuels.

    Si la première étape de la conscience situationnelle, soit percevoir les éléments critiques dans l’environnement, n’est pas réalisée, les conducteurs ne seront peut-être pas en mesure de pleinement saisir le contexte d’un éventuel scénario de danger, ce qui mine leur capacité à gérer ce danger en temps opportun.

    1.18.2 Charge de travail et traitement de l’information

    Lorsque des tâches ont été automatisées et que l’interaction du conducteur avec le système est passée à un rôle de surveillance, comme lorsqu’un ML utilise la commande à basse vitesse, cela peut produire des situations de faibles charges de travailNote de bas de page 56. Des situations de faibles charges de travail peuvent entraîner une augmentation de sentiments de somnolence et de fatigue, puisqu’elles réduisent les niveaux d’éveil de la personneNote de bas de page 57. Elles peuvent également entraîner une vigilance réduiteNote de bas de page 58 , ce qui, comme cela a été démontré, nuit à la détection de stimuli relatifs à des tâches critiquesNote de bas de page 59. Le degré de ces effets dépend de facteurs comme la répétition des tâches, la familiarité et la prévisibilité, la durée des tâches et l’absence d’exigences de réponseNote de bas de page 60 . L’introduction de la fonction de RSC permet d’atténuer l’effet de telles tâches à faibles charges de travail, puisqu’elle permet de s’assurer que le ML demeure vigilant et participe périodiquement au contrôle.

    À l’inverse, dans des scénarios dangereux où le temps est limité ou la pression pour résoudre le danger est élevée, la charge de travail peut nuire à la capacité d’un conducteur de bien gérer tous les renseignements présentés de plusieurs façons. D’abord, le conducteur peut intentionnellement prioriser les éléments de renseignements relatifs aux tâches. En effet, une des indications d’une charge de travail accrue sous des contraintes de temps est le fait de mettre de côté des tâches « secondaires »Note de bas de page 61. Deuxièmement, dans des scénarios de charges de travail élevées, la charge de travail peut entraîner un rétrécissement involontaire de l’attentionNote de bas de page 62. Les deux scénarios limitent la capacité du conducteur à percevoir tous les éléments critiques pertinents de l’environnement, nuisant ainsi à la conscience situationnelle générale.

    1.18.3 Attention et écrans d’information

    Afin d’améliorer la conscience situationnelle et d’atténuer toute déficience potentielle relative au traitement de l’information en raison d’une faible charge de travail, d’une charge de travail élevée ou de biais perceptuels, les renseignements présentés à un conducteur doivent être pertinents et bien en vue. Dans les locomotives en particulier, le ML doit surveiller périodiquement la boîte du débit d’air (Flow) sur l’affichage intelligent, puisque ces renseignements peuvent fournir une importante rétroaction sur l’efficacité du freinage.

    La « perceptibilité sensorielle » est la capacité d’un objet d’attirer l’attention d’un observateur qui ne s’attend pas nécessairement à le voir ou qui regarde ailleurNote de bas de page 63 . Les caractéristiques des avertissements, des objets ou des conditions qui ont une bonne probabilité d’attirer l’attention du conducteur comprennent les zones ou les objets qui diffèrent grandement de leurs arrière-plans en termes de luminosité, de couleur et de texture; les stimuli qui scintillent ou clignotent; les objets de grande taille; et les objets qui bougentNote de bas de page 64. Des feux rouges clignotants et des alarmes sonores sont des caractéristiques typiques d’avertissements conçus pour attirer l’attention. Le Manual of Standards and Recommended Practices de l’AAR stipule que, en termes de philosophie de conception, l’urgence de l’information ferroviaire transmise par une alarme doit être indiquée par la couleur d’arrière-plan (c’est-à-dire que les alarmes les plus urgentes ont un arrière-plan rouge, les alarmes moins urgentes ont un arrière-plan jaune, et les alarmes les moins urgentes ont un arrière-plan blanc)Note de bas de page 65.

    Les débitmètres d’air plus vieux et plus traditionnels avaient une philosophie de conception qui correspondait à ces pratiques recommandées. Ils étaient associés à des indicateurs lumineux d’avertissement jaunes et un signal auditif du robinet de mécanicien 26L, lequel indiquait au ML à quel moment le débit d’air augmentait au-delà des paramètres normaux. Avec des locomotives plus modernes, les renseignements sont présentés sur l’affichage intelligent, où l’indicateur de débit d’air n’est associé à aucune alarme, alerte ou code de couleur. Les systèmes de freinage pneumatique électronique sont silencieux à l’intérieur de la cabine de la locomotive.

    La « perceptibilité cognitive » fait référence à l’importance et à la pertinence de l’information dans le contexte du conducteurNote de bas de page 66 , comme les renseignements du débit d’air lors du freinage. Afin de s’assurer que les indices visuels les plus importants pour un scénario particulier sont détectés par le conducteur, les indices doivent être facilement distingués comme les plus pertinents et ne pas être masqués ou affaiblis par d’autres indices plus faciles à remarquer.

    La boîte « Flow » sur l’affichage intelligent de la locomotive à l’étude indiquait un petit chiffre blanc qui ne clignotait pas, qui ne changeait pas de couleur ou qui ne devenait pas plus évident, peu importe la situation ou le débit qui était affiché.

    1.18.4 Systèmes de commande en boucle fermée

    Dans un système de commande en boucle fermée dans la cabine de locomotive, le ML fonctionne comme un élément d’un système qui comprend un paradigme circulaire « perception-décision-exécution ». C’est-à-dire que le ML [traduction] « perçoit l’état du véhicule et l’environnement, décide de la mesure à prendre et s’exécute au moyen des contrôles disponibles du véhicule (actionneurs)Note de bas de page 67 ». Le ML perçoit ensuite immédiatement le résultat de cette action et prend d’autres décisions et d’autres mesures au besoin. Avec les systèmes de commande en boucle fermée manuels traditionnelsNote de bas de page 68, le conducteur recueille des données en observant et en interprétant les renseignements sur l’état du véhicule et du système au moyen de voies d’information visuelles et audio. Le conducteur utilise ensuite ces données, conjointement avec les règles et les règlements d’exploitation, pour prendre des décisions relatives à la conduite et mener des actions physiques (manipulateur et contrôle des freins). Avec le système de freinage pneumatique de train 26L traditionnel, le ML entendait le débit d’air lorsque le levier de freinage était déplacé, c’est-à-dire que les freins étaient serrés et desserrés. Un tel système en boucle fermée fournit une rétroaction audible qui aide un ML à détecter toute activité inhabituelle de pression des freins. Toutefois, il est également reconnu que la rétroaction audible du distributeur 26L nuit à la compréhension des paroles à l’intérieur de la cabine de locomotive et contribue à la perte d’audition et à la fatigue des membres de l’équipe.

    Avec les systèmes de freinage automatisés plus modernes, les tâches de collecte de données ou de conduite peuvent être automatisées. Si la collecte de données est automatisée, le ML reçoit les renseignements présentés sur un écran, lesquels ont été automatiquement générés et présentés en conséquence. Si la conduite est également automatisée, il peut y avoir des systèmes de commande supervisée, comme la commande à basse vitesse, qui prennent le contrôle d’une partie ou de l’ensemble des ajustements physiques de la locomotive. Même lorsque la commande manuelle est maintenue, le système moderne produit plus de commandes de freinage générées par ordinateur, éliminant la rétroaction tactile brute que les ML recevaient lorsqu’ils déplaçaient le levier.

    Le système de freinage pneumatique automatique moderne et sa poignée de robinet de mécanicien sont des systèmes de freinage à microprocesseurs intégrés dans les dispositifs électriques et mécaniques à bord. Bien qu’ils fonctionnent d’une manière semblable aux systèmes pneumatiques traditionnels, le ML n’entend pas ou ne ressent pas la pression de l’air lorsqu’il utilise les freins. Plutôt, pour la rétroaction sur la vitesse ou le freinage, le ML dépendra de la collecte de données automatisée présentée au moyen des multiples éléments de l’affichage intelligent, ainsi que des indices environnementaux externes.

    1.19 Historique de travail et de repos de l’équipe du train

    Dans le présent événement, le ML était en vacances depuis 3 semaines avant de retourner au travail le 6 janvier 2018, lorsqu’il a travaillé de 17 h à 1 h (8 heures). Le ML a ensuite eu 2 jours de congé, puis est retourné au travail pour le quart de l’événement le 9 janvier 2018 à 14 h, après avoir été appelé à 12 h 03.

    Au cours des semaines précédant l’événement, l’horaire de travail et de repos du ML signifiait qu’il avait des possibilités régulières de dormir, lui permettant de maintenir un rythme de sommeil normal (durant la nuit) d’approximativement 22 h à 7 h. Le ML prenait également des siestes régulières en après-midi d’environ 1 à 2 heures. Au cours des jours précédant l’événement, ce rythme de sommeil a été maintenu, excepté une heure de coucher tardive 3 jours avant l’événement, lorsque le ML a terminé de travailler à 1 h. Lors de l’événement (c’est-à-dire à 2 h 30 approximativement), le ML avait été en fonction depuis 12,5 heures et était éveillé depuis approximativement 18 heures. Le ML avait raté sa sieste régulière en après-midi cette journée-là. L’événement s’est produit à une heure où normalement le ML serait endormi.

    MESURES À PRENDRE

    La gestion de la fatigue dans le transport ferroviaire demeurera sur la Liste de surveillance du BST jusqu’à ce que les mesures suivantes soient prises :

    • TC élabore un cadre stratégique pour la gestion de la fatigue, fondé sur son examen des systèmes de gestion de la fatigue, sur les principes de la science de la fatigue et sur les meilleures pratiques.
    • TC travaille avec l’industrie, les représentants des employés et les spécialistes de la science de la fatigue en vue d’établir une approche globale pour la gestion de la fatigue.
    • TC termine sa révision des Règles relatives au temps de travail et de repos du personnel d’exploitation ferroviaire (2011), suivant les principes de la science de la fatigue.

    Le chef de train avait travaillé le 3 janvier 2018 de 19 h à 3 h (8 heures), le 4 janvier 2018 de 19 h à 6 h 15 (11,25 heures) et le 6 janvier 2018 de 17 h à 1 h (8 heures). Il était en congé les 7 et 8 janvier 2018, puis il est retourné au travail le 9 janvier 2018 à 14 h pour le quart de l’événement.

    Au cours de la semaine précédant l’événement, le chef de train avait travaillé 3 quarts de nuit, terminant à 3 h, 6 h 15 et 1 h, ce qui signifie qu’il avait eu des heures de coucher irrégulières.

    L’horaire pour les 2 membres de l’équipe respectait les limites prescrites par les Règles relatives au temps de travail et de repos du personnel d’exploitation ferroviaireNote de bas de page 69.

    1.20 Liste de surveillance du BST

    La Liste de surveillance du BST énumère les principaux enjeux de sécurité qu’il faut s’employer à régler pour rendre le système de transport canadien encore plus sûr.

    La gestion de la fatigue dans le transport ferroviaire figure sur la Liste de surveillance 2018. Dans l’événement à l’étude, le ML était probablement affecté par la fatigue, dans une certaine mesure, au cours du processus de chargement au site minier.

    1.21 Statistiques du BST sur les événements de mouvements imprévus ou non contrôlés

    Entre 2010 et 2019, 589 événements de mouvements imprévus ou non contrôlésNote de bas de page 70 sur l’ensemble des chemins de fer au Canada ont été signalés au BST (tableau 3).

    Tableau 3. Événements de mouvements imprévus ou non contrôlés signalés au BST entre 2010 et 2019
    Mouvement non contrôlé en raison de 2010 2011 2012 2013 2014 2015 2016 2017 2018 2019 Total

    Perte de maîtrise

    2

    3

    0

    3

    0

    1

    4

    2

    5

    1

    21

    Manœuvres sans freins à air

    10

    16

    12

    24

    21

    22

    18

    21

    27

    31

    202

    Immobilisation insuffisante

    25

    32

    44

    42

    38

    37

    29

    39

    34

    46

    366

    Total

    37

    51

    56

    69

    59

    60

    51

    62

    66

    78

    589

    Le BST catégorise les mouvements non contrôlés selon l’une des 3 causes suivantes :

    1. Perte de maîtrise : un ML ou un opérateur de locomotive par télécommande n’est pas en mesure de maîtriser une locomotive, une rame de wagons ou un train au moyen des freins à air de locomotive ou de train disponibles.
    2. Manœuvres sans freins à air : un matériel roulant est manœuvré en utilisant seulement les freins à air de la locomotive, sans freins à air sur les wagons manœuvrés ou lancés. La grande majorité de ces incidents se produisent dans des gares de triage.
    3. Immobilisation insuffisante : un wagon, une rame de wagons ou un train est laissé sans surveillance et se met à rouler de façon non contrôlée, en général, parce que :
      • un nombre insuffisant de freins à main ont été serrés sur un wagon, une rame de wagons ou un train;
      • les freins à main d’un wagon (ou de plusieurs wagons) sont défectueux ou inefficaces.

    Le tableau 4 répartit les mouvements non contrôlés attribuables à la perte de maîtrise selon leurs conséquences.

    Tableau 4. Conséquences des mouvements non contrôlés qui sont uniquement attribuables à la perte de maîtrise
    Conséquence* 2010 2011 2012 2013 2014 2015 2016 2017 2018 2019 Total

    Déraillement de 1 à 5 wagons

    0

    1

    0

    1

    0

    0

    1

    1

    2

    0

    6

    Déraillement de plus de 5 wagons

    0

    0

    0

    0

    0

    0

    1

    0

    0

    0

    1

    Collision

    2

    1

    0

    1

    0

    0

    2

    0

    0

    0

    6

    Voie principale concernée**

    1

    2

    0

    2

    0

    1

    2

    1

    3

    0

    12

    Marchandises dangereuses en cause

    0

    1

    0

    0

    0

    0

    0

    0

    0

    0

    1

    Blessures et décès

    0

    0

    0

    1

    0

    0

    1

    0

    0

    0

    2

    *  Il est possible que certains événements aient plus d’une conséquence.
    ** Le mouvement non contrôlé est survenu sur la voie principale, est entré sur la voie principale ou a empiété sur la voie principale.

    Pendant la période de 10 ans de 2010 à 2019, les pertes de maîtrise, comme dans l’événement à l’étude, ont été la cause de 4 % de tous les événements (21 sur 589). Cependant, 57 % (12 sur 21) des mouvements non contrôlés concernaient la voie principale.

    Depuis 1994, y compris l’événement à l’étude, le BST a enquêté sur 36 événements dans lesquels des mouvements non contrôlés sont survenus, dont 13 causés par une perte de maîtrise (annexe F).

    1.22 Préoccupation du Bureau liée à la sécurité relative aux mouvements non contrôlés

    Compte tenu du nombre d’événements et d’enquêtes du BST sur des mouvements non contrôlés en raison de diverses causes, le Bureau a émis une recommandationNote de bas de page 71 et une préoccupation liée à la sécuritéNote de bas de page 72 demandant des moyens de défense physiques améliorés pour empêcher le matériel de partir à la dérive. Le BST s’inquiète du fait que les moyens de défense actuels ne sont pas suffisants pour réduire le nombre de mouvements non contrôlés et améliorer la sécurité.

    1.23 Rapports de laboratoire du BST

    Le BST a produit les rapports de laboratoire suivants dans le cadre de la présente enquête :

    • LP016/2018 – NVM Recovery – EOT (Non-Volatile Memory Recovery – End of Train) [Récupération de la mémoire non volatile – Queue du train]
    • LP035/2018 – Air Brake Control Valve Analysis [Analyse du distributeur de frein à air]
    • LP184/2018 – Train Dynamic Analysis [Analyse de la dynamique du train]

    2.0 Analyse

    On ne considère pas que l’état de la voie ait contribué à l’événement. Le train était exploité conformément aux procédures de conduite des trains. Les 3 locomotives étaient en bon état de fonctionnement. L’analyse se concentrera par conséquent sur la perte initiale de maîtrise et la réponse de l’équipe, la défaillance du distributeur de frein à air des wagons de marchandises, les opérations ferroviaires par temps extrêmement froid et le rendement du conducteur.

    2.1 L’événement

    Le mouvement non contrôlé s’est produit lorsque la capacité de freinage disponible a été insuffisante pour maîtriser le train alors qu’il descendait la pente montagneuse abrupte de l’embranchement industriel de Luscar. Les freins du train avaient fonctionné normalement au cours du voyage de Holloway à Luscar. Au cours de ce voyage, le mécanicien de locomotive (ML) n’avait rencontré aucun problème avec le distributeur de frein à air sur ce train et n’avait aucune raison de soupçonner que quelque chose était hors de l’ordinaire.

    Peu après le départ de Luscar, le ML a réalisé que le train ne répondait pas à ses commandes comme prévu. L’accéléromètre montrait que le taux d’accélération était plus élevé que la normale, indiquant que l’effort de freinage était insuffisant. L’attention du ML s’est tournée vers l’écran multifonctionnel du conducteur alors qu’il tentait de déterminer pourquoi le train ne répondait pas comme prévu. Comme la vitesse continuait à augmenter, le ML a augmenté l’effort de freinage dynamique et le serrage des freins du train. Lorsque la vitesse a atteint 5 mi/h au-dessus du maximum, les freins du train ont été serrés en urgence. Après avoir atteint une vitesse de 53 mi/h sur une voie à vitesse maximale autorisée de 15 mi/h, le mouvement a atteint le bas de la pente et a commencé à monter. La capacité de freinage disponible, combinée à l’effet de la gravité, a alors suffi pour immobiliser le train. Les mesures prises par le ML pour maîtriser le train alors qu’il descendait la pente étaient appropriées et correspondaient aux exigences de conduite des trains de la compagnie de chemin de fer. L’inspection immédiatement après l’arrêt du train a révélé que les freins à air de 27 des 58 wagons de charbon chargés ne s’étaient pas serrés.

    Le ML était expérimenté dans la conduite de train en pente de montagne et connaissait également bien les effets des conditions de froid extrême sur le rendement du système de freinage pneumatique. En raison d’un problème de configuration imprévu avec la locomotive de queue, le train ne pouvait pas être configuré pour une exploitation en traction répartie. Avec le train dans une configuration ordinaire, c’est-à-dire toutes les locomotives en tête, le ML prévoyait qu’il y aurait davantage de fuites du système de freinage pneumatique en raison de la température ambiante froide, mais s’attendait à ce que les freins soient fonctionnels. Cependant, lorsque le train était à Luscar, la température a chuté en dessous d’un point critique, ce qui a nui au fonctionnement des distributeurs de freins à air sur les wagons de ce train.

    Les essais menés après l’événement ont déterminé que les joints de caoutchouc usés de l’orifice d’échappement du couvercle inférieur du dispositif de serrage de type DB-10 des distributeurs pneumatiques se sont contractés dans le froid extrême, entraînant des fuites dans les réservoirs auxiliaires et un desserrage involontaire des freins à air de 27 wagons de marchandises subséquemment à des serrages des freins à air de service. Ces essais ont également déterminé que le desserrage involontaire des freins correspondait au type de défaillance et de fuite des dispositifs de serrage de type DB-10 abordé par une circulaire de la Association of American Railroads (AAR) en 2013.

    Peu après que les freins du train ont été serrés (juste avant le début de la descente), le débit d’air dans la conduite générale a augmenté à un taux plus élevé. Il était de 33 pieds cubes par minute (CFM) avant le serrage des freins du train et a augmenté à 41 CFM après le serrage des freins du train. Ensuite, chaque fois que les freins du train étaient serrés davantage pour contrôler la vitesse du train, le débit d’air augmentait au-delà de 33 CFM. Ce phénomène s’est produit à plusieurs reprises au cours de la séquence de chargement, lorsque le contremaître au chargement de la mine a demandé au ML de s’arrêter. Comme il est mentionné dans les instructions d’exploitation des locomotives et des trains de la compagnie de chemin de fer, une augmentation spontanée du débit d’air dans la conduite générale est reconnue comme une indication d’un desserrage involontaire des freins du train dans des situations de freinage en dents de scie. Cependant, les instructions d’exploitation des trains de la Compagnie des chemins de fer nationaux du Canada (CN) ne sont pas conçues pour diagnostiquer la défaillance mécanique de plusieurs distributeurs de wagons dans un train. Le ML, dans cette situation, n’a pas remarqué les augmentations lentes et graduelles du débit d’air dans la conduite générale qui coïncidaient avec chaque serrage des freins du train. À moins qu’un ML surveille continuellement le débit d’air dans la conduite générale, ces augmentations graduelles peuvent facilement passer inaperçues durant l’exploitation ordinaire d’un train.

    Bien que l’écran d’affichage multifonctionnel du conducteur dans la cabine de la locomotive comprenait un champ pour le débit d’air dans la conduite générale, le champ n’était pas particulièrement mis en évidence parmi les autres renseignements affichés. Ce champ montrait constamment le débit d’air dans la conduite générale en texte blanc sur un arrière-plan noir, peu importe les changements qui se produisaient dans le débit d’air. Malgré ces difficultés, la compagnie de chemin de fer s’attendait à ce que les ML surveillent le débit d’air dans la conduite générale.

    La « perceptibilité cognitive » fait référence à l’importance et à la pertinence de renseignements dans le contexte d’un conducteur, comme le débit d’air des locomotives au train. Afin de s’assurer que les indices visuels les plus importants pour un scénario particulier sont détectés par le conducteur, ces indices, comme les renseignements sur le débit d’air, doivent être facilement distingués comme étant les plus pertinents. Ces renseignements importants pour la sécurité ne devraient pas être masqués ni atténués par d’autres indices plus faciles à remarquer.

    Le Manual of Standards and Recommended Practices de l’AAR stipule que l’urgence de l’information transmise par une alarme doit être indiquée par la couleur d’arrière-plan (c’est-à-dire que les alarmes les plus urgentes ont un arrière-plan rouge, les alarmes moins urgentes ont un arrière-plan jaune, et les alarmes les moins urgentes ont un arrière-plan blanc)Note de bas de page 73. La boîte « Flow » sur l’affichage intelligent de la locomotive à l’étude montrait un petit chiffre blanc qui ne clignotait pas, qui ne changeait pas de couleur ou qui ne devenait pas plus évident, peu importe la situation ou le débit qui était affiché. Bien qu’une augmentation du débit de la conduite générale après le serrage des freins d’un train soit un indicateur connu du desserrage involontaire des freins du train, il n’y avait aucun changement dans l’indicateur de débit d’air de l’écran multifonctionnel du conducteur de la locomotive (couleur, clignotement ou alarme sonore) pour aider le ML à détecter le débit d’air problématique.

    Si les principes de conception établis ne sont pas appliqués à l’affichage des renseignements importants pour la sécurité sur l’écran multifonctionnel du conducteur de locomotive, d’importants indices peuvent être manqués, ce qui augmente le risque d’accident.

    2.2 Problèmes de freins à air à Tumbler avant l’événement

    Le 21 décembre 2017, une défaillance de fonctionnement des freins à air sur les wagons loués a été constatée alors que les wagons se trouvaient à Tumbler. Une équipe de train qui faisait le triage du train a constaté que bon nombre de wagons ne passaient pas au freinage d’urgence. Les dispositifs de serrage d’urgence des distributeurs des freins à air ont été inspectés, et il a été déterminé que la défaillance était liée à un joint torique Knorr déformé à l’intérieur de la valve de mise à l’atmosphère, qui avait entraîné des fuites excessives par des températures extrêmement froides et empêché la propagation de la commande de freinage d’urgence. On a supposé que l’affaissement et la déformation du caoutchouc du joint torique Knorr avaient probablement eu lieu lorsque les wagons de charbon étaient entreposés pendant une longue période avant d’être livrés au CN. La déformation permanente du joint torique Knorr a eu un effet négatif sur le rendement prévu, en particulier à des températures froides extrêmes (−25 °C). L’essai des dispositifs de serrage d’urgence de type DB-20 a permis d’établir que le mécanisme de défaillance était différent du mécanisme de défaillance des dispositifs de serrage dans le présent événement.

    Les problèmes découverts à Tumbler ainsi que la perte de maîtrise à Luscar se sont produits à des températures ambiantes voisines de −25 °C. Les 2 événements concernaient des parties différentes du distributeur de freinage d’urgence de type DB-20 et des circonstances différentes, mais dans les deux cas, les propriétés des joints en caoutchouc et leur état préalable avaient été affectés négativement par des températures ambiantes extrêmement froides entraînant des défaillances du système de freinage pneumatique. Les problèmes de rendement antérieurs concernant les distributeurs du dispositif de serrage de type DB-10 se sont manifestés par temps froid et ont donné lieu à une circulaire AAR en 2013; le mode de défaillance indiqué dans la circulaire s’est répété dans le présent événement. De plus, un nouveau mode de défaillance mettant en cause les composants en caoutchouc des dispositifs de serrage d’urgence de ces mêmes distributeurs par temps froid est apparu.

    Si les problèmes de rendement liés aux composants en caoutchouc dans les distributeurs de freins à air ne sont pas entièrement analysés lorsqu’ils se produisent, la dégradation de l’efficacité du distributeur, en particulier par temps froid, peut ne pas être repérée et traitée en temps opportun, ce qui augmente le risque de perte de maîtrise.

    2.3 Opérations ferroviaires par temps froid

    2.3.1 Plan d’exploitation hivernale de la Compagnie des chemins de fer nationaux du Canada

    Il est bien connu dans l’industrie ferroviaire canadienne que le temps froid peut entraîner des fuites d’air des systèmes de freinage pneumatique des wagons de marchandises. Les joints et les garnitures en caoutchouc deviennent rigides et le métal se contracte, ce qui entraîne des fuites d’air sous pression. Il est également bien connu que, sous une certaine température (environ −25 °C), l’efficacité des systèmes de freinage pneumatique peut encore diminuer. Au moment de l’événement, la température ambiante était de −24 °C.

    Habituellement, compte tenu des difficultés rencontrées dans l’exploitation des trains pendant les mois d’hiver, les chemins de fer qui opèrent dans les climats nordiques élaborent et mettent en œuvre un plan d’exploitation hivernale. Le plan d’exploitation hivernale du CN pour 2017-2018 comportait un certain nombre de modifications de procédure visant à faciliter les opérations ferroviaires en cours à cette période de l’année, comme des réductions de vitesse et la réduction de la longueur maximale des trains. Toutefois, ce plan ne contenait aucune limite particulière applicable au train à l’étude qui circulait sur les pentes montagneuses abruptes de l’embranchement industriel de Luscar lorsque les températures ambiantes sont tombées en dessous d’un point particulier. Par exemple, il n’y avait pas d’exigences supplémentaires d’essai des freins (comme un essai no 1A) après que le train était chargé et prêt à partir. Cet essai aurait permis de vérifier le serrage et le desserrage des freins sur chaque wagon du train avant de descendre la pente montagneuse abrupte dans des conditions de froid extrême.

    En l’absence de mesures spécifiques visant à assurer la sécurité des opérations ferroviaires en cas de grand froid en territoire à déclivités montagneuses, il y a un risque accru de perte de maîtrise, de déraillements et de blessures pour les membres d’équipage et le public.

    2.4 Essai des freins d’un wagon individuel

    Un essai des freins à air d’un wagon individuel vérifie l’efficacité des freins à air d’un wagon et confirme, entre autres, que les freins restent serrés et que les fuites de pression d’air restent sous des niveaux prédéterminés. Toutefois, les exigences actuelles ne comprennent pas les essais par temps froid, lorsque des vulnérabilités dans l’efficacité des freins à air sont plus susceptibles de se manifester. À l’heure actuelle, l’essai des freins à air d’un wagon individuel est le plus souvent effectué dans un environnement contrôlé à l’intérieur d’un atelier, où les températures ne reflètent pas les conditions d’exploitation.

    Dans le cas des wagons loués en cause dans le présent événement, les essais des freins à air d’un wagon individuel n’ont pas été effectués lorsque les wagons ont été sortis de l’entrepôt ni avant ou après leur livraison au CN. À l’heure actuelle, il n’y a aucune exigence d’essais sur wagons individuels pour les wagons qui retournent en service actif après avoir été entreposés, à condition que le temps d’entreposage n’entraîne pas la non-conformité des wagons aux exigences existantes.

    De plus, aucun essai de freins à air d’un wagon individuel n’a été effectué sur aucun des wagons à la suite du remplacement du dispositif de serrage d’urgence des distributeurs à Prince George, comme l’exigent les règles d’échange de l’AAR. Ce travail de réparation avait été effectué spécifiquement pour résoudre le problème que certains des wagons ne passaient pas en freinage d’urgence lorsqu’il était activé.

    La compagnie de chemin de fer ne voulait pas retarder davantage le déchargement de ces wagons parce par crainte que le produit gelé ne devienne plus difficile à décharger avec le temps. Les essais sur wagons individuels ont également été reportés parce que la compagnie de chemin de fer n’avait à ce moment-là pas l’intention de les facturer aux propriétaires des wagons loués.

    Il aurait été peu probable que les essais effectués sur les wagons loués à des températures normales d’un atelier permettent de découvrir un ou l’autre des problèmes attribués plus tard au fonctionnement des distributeurs par temps froid extrême. Les joints en caoutchouc usés de l’orifice d’échappement du couvercle inférieur des dispositifs de serrage de type DB-10 et le joint torique Knorr déformé à l’intérieur de la valve de mise à l’atmosphère des dispositifs de serrage d’urgence de type DB-20 ne sont devenus problématiques que lors des opérations par temps froid extrême. Bien que les essais sur wagons individuels puissent valider la fonction des distributeurs de freins à air à des températures de fonctionnement modérées, l’industrie ne dispose pas d’une méthode d’essai pratique pour repérer les vulnérabilités opérationnelles dans les distributeurs de freins à air dans des opérations par temps froid extrême.

    2.5 Rendement du conducteur

    Au moment du présent événement, le ML était éveillé depuis environ 18 heures et était en service depuis environ 12,5 heures. De plus, l’événement s’est produit à un moment de la journée où le ML aurait normalement dormi (vers 2 h 30). Bien que le ML satisfaisait aux limites prescrites dans les Règles relatives au temps de travail et de repos du personnel d’exploitation ferroviaire, il a probablement subi les effets de la fatigue dans une certaine mesure.

    En outre, pendant le chargement du charbon à la mine de Luscar, le train était déplacé sous contrôle automatisé, ce qui nécessitait peu de surveillance. Par conséquent, le niveau de vigilance du ML était probablement réduit pendant que le train était sous contrôle automatisé. Le débit d’air dans la conduite générale a augmenté à plusieurs reprises après les serrages des freins à air pendant la séquence de chargement. Cependant, le ML ne l’a pas remarqué, probablement à cause d’une vigilance réduite pendant que le train était sous contrôle automatisé.

    En quittant Luscar, le ML a immédiatement remarqué que le train ne répondait pas comme prévu aux serrages initiaux des freins et a pris des mesures immédiates pour maîtriser le train. Son expérience de la conduite d’un train par temps froid l’a amené à s’attendre à une augmentation de la circulation d’air, en particulier sur un train configuré de façon ordinaire en période de froid extrême. Par conséquent, le ML n’a pas accordé une attention particulière à l’augmentation du débit d’air dans la conduite générale après chaque freinage successif. Même si le ML a probablement subi les effets de la fatigue dans une certaine mesure, les mesures qu’il a prises pour maîtriser le train en pente descendante étaient appropriées et conformes aux exigences de la compagnie de chemin de fer concernant la conduite des trains.

    2.6 Mouvements imprévus ou non contrôlés

    Sur les 589 événements qui ont entraîné des mouvements imprévus ou non contrôlés entre 2010 et 2019 inclusivement, la perte de maîtrise, comme dans le présent événement, était la catégorie de cause dans 21 (4 %) des cas. Bien que les mouvements non contrôlés dus à la perte de maîtrise soient des événements de faible fréquence, 57 % d’entre eux (12 sur 21) concernaient la voie principale. Dans ces cas, il y a un risque accru de mettre le public en danger à des passages à niveau et de heurter des trains de marchandises et de voyageurs de la voie principale. Par conséquent, ces événements sont considérés comme des événements à faible fréquence et à haut risque. Le BST s’inquiète du fait que les moyens de défense actuels ne sont pas suffisants pour réduire le nombre de mouvements non contrôlés et pour améliorer la sécurité.

    3.0 Faits établis

    3.1 Faits établis quant aux causes et aux facteurs contributifs

    Il s’agit des conditions, actes ou lacunes de sécurité qui ont causé l’événement ou y ont contribué.

    1. Le mouvement non contrôlé du train s’est produit lorsque la capacité de freinage disponible a été insuffisante pour maîtriser le train alors qu’il descendait la pente montagneuse abrupte de l’embranchement industriel de Luscar.
    2. L’inspection immédiatement après l’arrêt du train a révélé que les freins à air de 27 des 58 wagons chargés de charbon ne s’étaient pas serrés.
    3. Lorsque le train était à Luscar, la température a chuté en dessous d’un point critique, ce qui a nui au fonctionnement des distributeurs de freins à air sur les wagons de ce train. Au moment de l’événement, la température était de −24 °C.
    4. Les joints en caoutchouc usés de l’orifice d’échappement du couvercle inférieur des dispositifs de serrage de type DB-10 des distributeurs de freins à air se sont contractés dans le froid extrême, entraînant une fuite des réservoirs auxiliaires et le desserrage involontaire des freins à air de 27 wagons de marchandises suite à des serrages des freins à air de service.
    5. Bien que l’on sache que l’augmentation spontanée du débit d’air dans la conduite générale après le serrage des freins est un indicateur d’un desserrage involontaire des freins du train, le ML n’a pas remarqué les augmentations lentes et graduelles du débit d’air dans la conduite générale qui coïncidaient avec chaque serrage des freins du train.
    6. Bien que l’écran d’affichage multifonctionnel du conducteur dans la cabine de la locomotive comprenait un champ pour le débit d’air dans la conduite générale, le champ n’était pas particulièrement mis en évidence parmi les autres renseignements affichés.

    3.2 Faits établis quant aux risques

    Il s’agit des conditions, des actes dangereux, ou des lacunes de sécurité qui n’ont pas été un facteur dans cet événement, mais qui pourraient avoir des conséquences néfastes lors de futurs événements.

    1. Si les principes de conception établis ne sont pas appliqués à l’affichage des renseignements importants pour la sécurité sur l’écran multifonctionnel du conducteur de locomotive, d’importants indices peuvent être manqués, ce qui augmente le risque d’accident.
    2. Si les problèmes de rendement liés aux composants en caoutchouc dans les distributeurs de freins à air ne sont pas entièrement analysés lorsqu’ils se produisent, la dégradation de l’efficacité du distributeur, en particulier par temps froid, peut ne pas être repérée et traitée en temps opportun, ce qui augmente le risque de perte de maîtrise.
    3. En l’absence de mesures spécifiques visant à assurer la sécurité des opérations ferroviaires en cas de grand froid en territoire à déclivités montagneuses, il y a un risque accru de perte de maîtrise, de déraillements et de blessures pour les membres d’équipage et le public.

    3.3 Autres faits établis

    Ces éléments pourraient permettre d’améliorer la sécurité, de régler une controverse ou de fournir un point de données pour de futures études sur la sécurité.

    1. Même si le ML a probablement subi les effets de la fatigue dans une certaine mesure, les mesures qu’il a prises pour maîtriser le train en pente descendante étaient appropriées et conformes aux exigences de la compagnie de chemin de fer concernant la conduite des trains.
    2. Bien que les essais sur wagons individuels puissent valider la fonction des distributeurs de freins à air à des températures de fonctionnement modérées, l’industrie ne dispose pas d’une méthode d’essai pratique pour repérer les vulnérabilités opérationnelles dans les opérations par temps froid extrême.

    4.0 Mesures de sécurité

    4.1 Mesures de sécurité prises

    4.1.1 Compagnie des chemins de fer nationaux du Canada

    La Compagnie des chemins de fer nationaux du Canada (CN) a mis en œuvre de nouvelles procédures d’essai des freins à air pour les opérations par temps froid à Luscar afin de vérifier que les freins de wagons se serrent.

    Le CN a commencé à utiliser 5 détecteurs de roue froide sur le réseau. Un d’eux est situé près de Williams Lake (Colombie-Britannique), 2 sont à l’ouest de Jasper (Alberta), 1 est au nord de Superior (Wisconsin, États-Unis) et 1 est au Québec. Chacun de ces détecteurs a été placé dans une zone de forte déclivité et permet au CN de repérer les wagons sur lesquels les systèmes de freinage individuels n’appliquent pas une force de freinage suffisante. Lorsqu’un wagon est ainsi repéré, il est signalé comme wagon avarié et les mesures nécessaires sont prises.

    Le CN a mis en œuvre l’exigence selon laquelle les propriétaires de wagons doivent s’assurer que les wagons loués arrivent au CN avec des distributeurs de freins à air de wagon de marchandises qui ont moins de 10 ans. Les wagons à charbon nouvellement loués qui circulent sur les lignes du CN doivent avoir passé un essai des freins à air d’un wagon individuel au cours des 5 années précédentes. Tous les distributeurs de wagon de plus de 10 ans doivent être remplacés.

    Le CN a mis en œuvre d’autres modifications aux procédures :

    • le remplacement systématique des distributeurs de freins à air des wagons de marchandises qui ont 10 ans ou plus sur les wagons appartenant au CN;
    • l’exécution d’un essai automatisé sur wagon individuel pour 10 % des wagons remis en service après avoir été entreposés, choisis au hasard;
    • l’obligation que tous les nouveaux distributeurs de freins à air de wagon de marchandises installés disposent d’une fonction de maintien de la pression des cylindres de frein DB-60II.

    Les paramètres d’exploitation spécifiques suivants ont été adoptés pour les opérations hivernales sur l’embranchement industriel de Luscar :

    • Lorsque la température atteint −25 °C ou moins, les trains chargés de charbon cessent de circuler sur l’embranchement industriel de Luscar.
    • Lorsque la température se situe entre −22 °C et −25 °C, les opérations avec des wagons chargés de charbon sont effectuées uniquement le jour.

    4.1.2 Bureau de la sécurité des transports du Canada

    Le 8 juillet 2018, le BST a émis l’Avis de sécurité ferroviaire 04/18 à Transports Canada (TC) concernant les défaillances potentielles des distributeurs de frein sur les wagons qui ont été entreposés à long terme. Le BST a suggéré ce qui suit à TC :

    Étant donné les conséquences potentielles d’une perte de freinage causée par la défaillance d’une valve de commande de frein, Transports Canada souhaiterait peut-être aviser les compagnies ferroviaires et les propriétaires de wagons de la nécessité d’examiner le fonctionnement des valves de commande de frein de wagons qui ont été longtemps entreposés, en particulier si ces wagons doivent être utilisés par temps froid.

    4.1.3 Transports Canada

    TC a répondu le 20 novembre 2019 à l’Avis de sécurité ferroviaire 04/18 du BST, indiquant qu’il avait publié en 2019 un Bulletin de la sécurité ferroviaire intitulé « Défaillances potentielles des valves de commande de frein sur les wagons longtemps entreposés ». Le bulletin indique ceci :

    Transports Canada est d’avis qu’avant de remettre les wagons en service, les compagnies ferroviaires et les propriétaires de wagons devraient examiner le fonctionnement des valves de commande de frein de wagons qui ont été longtemps entreposés, surtout lorsqu’il y a possibilité de prise du caoutchouc des joints toriques et si ces wagons doivent être utilisés par temps froid.

    4.1.4 New York Air Brake

    Le 1er novembre 2018, l’entreprise New York Air Brake (NYAB) a diffusé la lettre générale (GL) 49003 pour réémettre la GL-490 et inclure les dispositifs de serrage d’urgence de type DB-20. Les mesures correctives révisées suivantes y étaient recommandées [traduction] :

    Tout dispositif de serrage de type DB-10 présentant un ou plusieurs des symptômes décrits devrait être retiré du service dès que possible et remis à neuf selon la spécification de maintenance NYR-332 de NYAB.

    De plus, tout dispositif de serrage d’urgence de type DB-20 associé au dispositif de serrage de type DB-10 retiré ci-dessus qui est du fabricant d’équipement d’origine et a fait l’objet de nettoyage, graissage, essai et marquage ayant un code de date du même âge, est plus ancien ou n’a pas de code de date lisible devrait être retiré.

    Le remplacement d’une partie du distributeur nécessite un essai sur wagon individuel du système de freinage conformément à la règle 3 du Field Manual of the AAR Interchange RulesNote de bas de page 74.

    En réponse à une demande formulée en 2019 par la Association of American Railroads, NYAB a procédé à une analyse des distributeurs de wagon de marchandises recueillis sur le terrain et des données recueillies concernant les dispositifs de nettoyage, graissage, essai et marquage. Sur la base des conclusions d’analyses indépendantes, NYAB a officiellement présenté une lettre recommandant un intervalle de révision de 12 ans pour les distributeurs de wagon de marchandises.

    4.1.5 Association of American Railroads

    La Association of American Railroads a introduit un changement à la règle 4 de ses manuels de règles d’échange Field Manual et Office Manual, en vigueur le 1er juillet 2020, selon lequel il serait désormais permis de retirer les distributeurs de plus de 13 ans. Cette règle énonce les exigences de renouvellement des distributeurs en ce qui a trait à l’âge et les températures froides. Conformément à la règle révisée, les distributeurs du dispositif de serrage ou du dispositif de serrage d’urgence ayant une date de fabrication ou de remise à neuf (la date la plus éloignée prévalant) de 13 ans peuvent être renouvelés. Les distributeurs du dispositif de serrage de frein de service ou du dispositif de serrage d’urgence de plus de 14 ans sur un wagon doivent être renouvelés en raison de l’âge si :

    • le wagon fera partie d’un train-bloc chargé de charbon ou de céréales, d’un train-bloc chargé de produits inflammables à risque élevé ou d’un service de transport de produits potentiellement toxiques à l’inhalation;
    • l’itinéraire prévoit que le train-bloc sera exploité dans un territoire au-delà du 37e parallèle, peu importe la durée, du 1er novembre au 1er avril.

    Le présent rapport conclut l’enquête du Bureau de la sécurité des transports du Canada sur cet événement. Le Bureau a autorisé la publication de ce rapport le 3 juin 2020. Le rapport a été officiellement publié le 19 août 2020.

    Annexes

    Annexe A – Freins à air pour locomotives et wagons de marchandises

    Freins à air d’un train

    Les locomotives sont équipées de 2 systèmes de freinage pneumatique : automatique et indépendant. Le système de freinage automatique serre les freins sur chaque wagon et chaque locomotive dans le train; il est normalement utilisé au cours de la marche du train pour le ralentir et l’arrêter.

    Chaque locomotive est aussi munie d’un système de freinage indépendant, qui serre les freins à air seulement sur elle. Les freins indépendants ne sont en général pas utilisés pendant la marche du train, mais principalement comme frein de stationnement, parfois de concert avec le frein à main.

    Système de freinage automatique

    Le système de freinage automatique d’un train est alimenté par l’air provenant de compresseurs situés sur chaque locomotive en service. L’air est filtré, séché, comprimé et stocké dans les principaux réservoirs de la locomotive. La pression de l’air dans les principaux réservoirs est maintenue entre 130 et 140 lb/po². Ces réservoirs fournissent de l’air par la conduite générale à chaque locomotive et wagon individuel dans un train.

    Le système de freinage automatique est équipé d’une valve de régulation qui sert à régler la pression d’air fournie à la conduite générale à environ 90 lb/po²Note de bas de page 75. Avec un délai suffisant, l’ensemble du système de freinage du train se chargera jusqu’à 90 lb/po². Le temps nécessaire à la recharge complète d’un système de freinage de train dépend de la longueur du train, de la température ambiante, du positionnement des locomotives dans tout le train et de la quantité de fuitesNote de bas de page 76 dans tout le train.

    Les wagons sont équipés des 6 composantes de base suivantes pour les freins à air : la conduite générale, un distributeur de wagon, des réservoirs d’air auxiliaire et d’urgence, un cylindre de frein et une valve de retenue (figure A1). Un distributeur de wagon comporte 3 dispositifs : un dispositif de serrage, un dispositif de serrage d’urgence et un support de conduite (figure A2). Le distributeur de wagon a 3 fonctions : charger les réservoirs auxiliaire et d’urgence à partir de la conduite générale, serrer les freins et desserrer les freins.

    Figure A1. Composantes d’un frein à air d’un wagon de marchandises (Source : Compagnie des chemins de fer nationaux du Canada, CN Locomotive Engineer Training Course : Participant Manual, module 8 : CN – 0031E CRS [2011]; reproduction en français : BST)
    Image
    Composantes d’un frein à air d’un wagon de marchandises (Source : Compagnie des chemins de fer nationaux du Canada, <em>CN Locomotive Engineer Training Course : Participant Manual</em>, module 8 : CN – 0031E CRS [2011]; reproduction en français : BST)

    La conduite générale fournit de l’air comprimé à chaque wagonNote de bas de page 77 du train lorsque les freins du train sont desserrés et que le système se charge. Le réservoir auxiliaire de chaque wagon fournit de l’air comprimé au cylindre de frein lorsque les freins sont serrés et se recharge lorsque les freins sont desserrés. Cette action est contrôlée par le distributeur du wagon en réaction aux changements de pression de la conduite générale.

    La conduite générale sert de ligne de signal pour serrer les freins du train ou les desserrer et recharger. Le signal est commandé à partir du robinet de mécanicien sur la locomotive de tête en modifiant la pression d’air dans la conduite générale. Le fonctionnement des freins à air des trains est fondé sur le principe de l’abaissement de la pression de la conduite générale pour serrer les freins et de l’augmentation de la pression de la conduite générale pour desserrer les freins. Ainsi, le système de freinage pneumatique doit être suffisamment chargé pour fonctionner comme prévu.

    Figure A2. Composantes d’un frein à air d’un wagon de marchandises (Source : Compagnie des chemins de fer nationaux du Canada, CN Locomotive Engineer Training Course : Participant Manual, module 8 : CN – 0031E CRS [2011]; reproduction en français : BST)
    Image
    Composantes d’un frein à air d’un wagon de marchandises (Source : Compagnie des chemins de fer nationaux du Canada, <em>CN Locomotive Engineer Training Course : Participant Manual</em>, module 8 : CN – 0031E CRS [2011]; reproduction en français : BST)

    Lorsque le système de freinage pneumatique d’un train de marchandises est suffisamment chargé, les freins sont serrés par le biais d’une réduction contrôlée de la pression de la conduite générale. Cela s’appelle un serrage de serviceNote de bas de page 78. Les freins de train peuvent être actionnés avec un minimum de serrage, ce qui est le frein le plus léger possible, et serrés progressivement plus fort par étapes jusqu’à ce qu’un serrage à fond soit réalisé. Bien qu’il soit possible d’augmenter progressivement le serrage d’un frein de train, il ne peut pas être libéré progressivement; il ne peut qu’être entièrement desserré.

    Pour serrer les freins de train plus fort qu’un serrage à fond, il faut utiliser un serrage des freins d’urgenceNote de bas de page 79. Pour ce faire, on évacue l’air de la conduite générale à une vitesse incontrôlée, ce qui permet à la pression de tomber rapidement à 0 lb/po². Une fois qu’un serrage des freins d’urgence est lancé, la chute de la pression de la conduite générale à 0 lb/po² ne peut pas être arrêtée.

    Le distributeur d’un wagon de marchandises réagit à une chute abrupte de la pression d’air en permettant à la pression d’air stockée dans le réservoir d’urgence de s’écouler dans le cylindre de frein. Le réservoir auxiliaire est également utilisé lors d’un freinage d’urgence. Cela entraîne une augmentation de la pression des cylindres de frein plus rapide et plus élevée, ce qui entraîne un serrage plus fort des freins et un arrêt plus rapide.

    Lorsqu’un serrage des freins automatiques de service est requis, le mécanicien de locomotive (ML) déplace la poignée du robinet de mécanicien (figure A3) à la position souhaitée. Cette action évacue l’air de la conduite générale à un taux de serrage de service. Quand chaque distributeur de wagon perçoit une réduction suffisante de la pression, l’air s’écoule du réservoir auxiliaire situé sur chaque wagon dans le cylindre de frein de ce wagon, pressant les semelles de frein contre les roues.

    Figure A3. Poignée du robinet de mécanicien (Source : Compagnie des chemins de fer nationaux du Canada)
    Image
    Poignée du robinet de mécanicien (Source : Compagnie des chemins de fer nationaux du Canada)

    Pour desserrer les freins, le ML déplace la poignée du robinet de mécanicien à la position de desserrage. Cette action permet de diriger l’air du réservoir principal vers la conduite générale, ce qui permet d’y rétablir la pression de 90 lb/po². Détectant cette augmentation de la pression de l’air dans la conduite générale, le distributeur de chaque wagon laisse s’échapper de l’air du cylindre de frein par la valve de retenue, ce qui éloigne les semelles de frein des roues.

    Pour serrer de nouveau les freins du train après un desserrage, la pression de la conduite générale doit à nouveau être réduite à l’aide du robinet de mécanicien. Avant de serrer de nouveau les freins du train, le système a besoin de temps pour se recharger. Ne pas laisser suffisamment de temps pour que le système se recharge peut faire en sorte que les freins ne se serrent pas ou qu’ils se desserrent involontairement après un court délai.

    Système de freinage indépendant

    Sur une locomotive, les freins indépendants sont également alimentés en air à partir du réservoir principal. Contrairement au système de freinage automatique, le système de freinage indépendant est un système à air direct. Un robinet de frein indépendant contrôle une valve de relais qui permet à l’air du réservoir principal de s’écouler dans les cylindres de frein des locomotives seulement.

    Lorsqu’un freinage indépendant à fond est requis, le ML déplace la poignée du robinet de frein indépendant (figure A4) jusqu’à la position de serrage à fond, et la pression d’air est fournie aux cylindres de frein de la locomotive. Cette action serre les semelles de frein seulement sur les roues de la locomotive. La pression du cylindre de frein peut également être graduellement augmentée ou diminuée selon les besoins, en déplaçant la poignée du distributeur dans la zone de serrage.

    Pour desserrer les freins indépendants, le ML déplace la poignée du robinet de frein indépendant à la position de desserrage. L’air est ainsi expulsé des cylindres de frein de la locomotive, et les semelles de frein sont éloignées des roues de la locomotive. La pression d’air dans les cylindres de frein de la locomotive varie selon la position de la poignée du robinet de frein indépendant.

    Maintien de la pression de la conduite générale

    Figure A4. Positions de la poignée du robinet de frein indépendant (Source : Compagnie des chemins de fer nationaux du Canada, CN Locomotive Engineer Training Course : Participant Manual, module 8 : CN – 0031E CRS [2011]; reproduction en français : BST)
    Image
    Positions de la poignée du robinet de frein indépendant (Source : Compagnie des chemins de fer nationaux du Canada,<em> CN Locomotive Engineer Training Course : Participant Manual</em>, module 8 : CN – 0031E CRS [2011]; reproduction en français : BST)

    Le maintien de la pression est une fonction du robinet de mécanicien qui permet à l’air de s’écouler dans la conduite générale à une vitesse contrôlée pour surmonter la fuite normale de la conduite générale sans que les freins du train se desserrent. Pendant le serrage de service des freins, il permet de maintenir pendant de longues périodes la réduction de la pression de la conduite générale sélectionnée. Cette fonction permet aux trains de descendre de longues pentes montagneuses avec les freins serrés.

    Sans maintien de la pression de la conduite générale, la fuite d’air provoquerait la chute de la pression de la conduite générale lorsque les freins sont serrés. La pression de la conduite générale finirait par tomber à 0 lb/po². Par conséquent, il est difficile de contrôler la vitesse d’un train pendant les longues descentes sans maintenir la pression de la conduite générale.

    Le maintien de la pression fonctionne toujours lorsqu’une locomotive est préparée pour être la tête du train, mais elle est désactivée sur les locomotives préparées pour être menées. Dans un groupe de traction, 1 seul robinet de mécanicien contrôle la pression de la conduite générale.

    Indicateur de débit d’air

    L’indicateur de débit d’air est conçu pour mesurer le débit d’air entrant dans la conduite générale. Le débit est mesuré en pieds cubes par minute (CFM). Lorsque le système de freinage pneumatique est en train de se charger après un desserrage du freinage automatique, le réservoir principal d’air doit alimenter la conduite générale. L’air provenant de la conduite générale recharge le réservoir auxiliaire de chaque wagon du train et, pour la recharge à la suite d’un freinage d’urgence, le réservoir d’urgence de chaque wagon du train.

    Sur les locomotives équipées d’écrans d’affichage du conducteur, le débit d’air est affiché dans une boîte désignée par le terme « Flow » (débit) (figure A5). La valeur affichée à l’écran indique le débit d’air entrant dans la conduite générale en CFM. Lorsque la demande d’air est inférieure à 20 CFM, ce type d’indicateur de débit d’air affiche 0Note de bas de page 80.

    Figure A5. Écran d’affichage de l’opérateur de GE (Source : GE Transportation, avec annotation du BST)
    Image
    Écran d’affichage de l’opérateur de GE (Source : GE Transportation, avec annotation du BST)

    Lorsque le système de freinage du train est en train d’être chargé, l’indicateur de débit d’air affiche une valeur élevée, souvent supérieure à 60 CFM. Cela indique qu’il y a un débit d’air élevé entrant dans la conduite générale. Au fur et à mesure que le système est chargé, la valeur affichée diminue, ce qui indique une diminution du débit.

    Lorsque la valeur de l’indicateur de débit d’air cesse de chuter et se stabilise, cela indique que la demande d’air est constante et que le système est entièrement chargé. La fonction de maintien de la pression du robinet de mécanicien compense les fuites de la conduite générale. En cas de fuite de la conduite générale, la valeur de débit ne baissera pas à 0 CFM lorsque le système de freinage du train est complètement chargé.

    Étant donné que l’indicateur de débit d’air mesure le débit d’air vers la conduite générale, il peut également indiquer :

    • le taux auquel un train est chargé ou rechargé;
    • une forte demande en air dans la conduite générale, si un tuyau s’est séparé ou rompu; ou
    • un débit d’air entrant dans la conduite générale, du fait que la fonction de maintien de la pression du robinet de mécanicien compense les fuites normales.

    Si l’indicateur de débit d’air indique une augmentation du débit d’air pendant le serrage des freins, cela pourrait indiquer :

    • que les freins se desserrent (desserrage non intentionnel);
    • qu’un tuyau d’attelage de conduite générale s’est détaché quelque part dans le train;
    • qu’un tuyau ou la conduite générale se sont rompus quelque part dans le train;
    • qu’il y a des fuites excessives.

    Dispositif de veille automatique

    Les locomotives fabriquées depuis 1986 doivent être équipées d’un système de dispositif de veille automatique (RSC). Le RSC est un système de veille qui active des alarmes et serre ensuite un frein compensateur s’il n’est pas réarmé par le ML ou si les commandes ne sont pas manipulées dans un intervalle de temps prédéterminé.

    Freinage compensateur

    Un freinage compensateur est semblable à un serrage normal à fond du frein automatique. Toutefois, ce type de freinage réduit la pression de la conduite générale à 0, ce qui exige qu’un train en mouvement s’arrête et recharge la conduite générale. Ce type de freinage résulte d’une « compensation » appliquée par le système, par exemple lorsque le RSC n’est pas réarmé ou que la locomotive dépasse une vitesse prédéterminée. Ce serrage des freins se produit à un taux qui permet uniquement à l’air du réservoir auxiliaire de s’écouler dans le cylindre de frein de chaque wagon.

    Freinage d’urgence

    Un freinage d’urgence est le serrage maximal des freins à air d’un train, pendant lequel la pression de la conduite générale est rapidement réduite à 0, soit à cause d’une séparation de la conduite générale, soit à partir d’une action initiée par le conducteur. À la suite d’un serrage d’urgence des freins, l’air des réservoirs auxiliaires et des réservoirs d’urgence se combine dans le cylindre de frein. Lorsque la pression de la conduite générale est inférieure à 45 lb/po², on ne peut pas compter sur une réduction rapide de la pression de la conduite générale pour déclencher un freinage d’urgence.

    Annexe B – Conduite du train

    La figure B1 présente un résumé graphique des mesures de contrôle de la conduite du train prises au cours du présent événement, depuis le début du mouvement du train jusqu’au point où le train s’est arrêté.

    Figure B1. Résumé graphique des données de l’enregistreur d’événements de la locomotive provenant de la locomotive CN 2888 (Source : BST)
    Image
    Résumé graphique des données de l’enregistreur d’événements de la locomotive provenant de la locomotive CN 2888 (Source : BST)

    La rangée (a), Speed, décrit l’accélération du train en descendant la pente montagneuse, suivie de la décélération du train en gravissant la pente ascendante en bas de la colline. Une vitesse maximale de 53 mi/h a été atteinte.

    La rangée (b), Throttle / DB Excitation, décrit l’activation initiale entre l’encoche 1 et le ralenti au moment où le train a commencé à bouger. Lors du passage en mode FD, la ligne de couleur devient rouge. Le FD a été augmenté au maximum, cran 8, où il est resté jusqu’à ce que le train arrive à un arrêt.

    La rangée (c), Trac Effort, représente l’effort de traction mesuré en kips. L’effort de traction passe d’une force de traction à un effort décélérateur lorsque les locomotives sont retirées de l’accélérateur et positionnées en mode FD. Ce tracé suit généralement la rangée (b), Throttle / DB Excitation. À noter que l’effort de traction en FD diminue à l’approche de la vitesse maximale du train, puis augmente à mesure que le train ralentit. Cela est conforme au fonctionnement prévu du FD dans ces circonstances Note de bas de page 81.

    La rangée (d), Brakes, décrit l’activité des freins du train et de la locomotive, telle que reflétée par les variations de la pression de l’air. Cette rangée contient 5 paramètres :

    • EAB BP, soit Electronic Air Brake - Brake Pipe (frein à air électronique - conduite générale);
    • EAB BC, soit Electronic Air Brake - Brake Cylinder (frein à air électronique - cylindre de frein);
    • EOT BP, soit End of Train - Brake Pipe (queue du train – conduite générale);
    • EAB ER, soit Electronic Air Brake - Equalizing Reservoir (frein à air électronique - réservoir d’égalisation);
    • EAB MR, soit Electronic Air Brake - Main Reservoir (frein à air électronique - réservoir principal).

    Cette rangée comprend les modifications de la pression dans la conduite générale, tant à la locomotive de tête qu’à la queue du train. Les réductions de la pression dans la conduite générale sont un indicateur du serrage des freins de train, tandis que les augmentations de la pression dans la conduite générale sont un indicateur du desserrage et de la recharge des freins de train. Cette rangée comprend également la pression du cylindre de frein, qui est un indicateur du serrage et du desserrage des freins sur les locomotives seulement. Contrairement à la pression dans la conduite générale, l’augmentation de la pression du cylindre de frein indique que les freins des locomotives sont serrés, et la réduction de la pression du cylindre de frein indique que les freins des locomotives sont desserrés. La pression du réservoir d’égalisation est également indiquée dans cette rangée. Le réservoir d’égalisation est un volume de commande sur la locomotive de tête qui est augmenté et diminué en réponse aux commandes du conducteur par l’intermédiaire de la poignée de robinet de mécanicien (train). Les changements dans la pression du réservoir d’égalisation sont reflétés dans la pression dans la conduite générale par le robinet de mécanicien de frein. Les données de cette rangée indiquent également le desserrage des freins de locomotive au moment où le train commence à se déplacer et le serrage des freins de train avant et pendant la descente de la pente. L’endroit où la pression dans la conduite générale tombe à 0 lb/po² est le point où le mécanicien de locomotive (ML) a commandé un serrage d’urgence des freins du train.

    La rangée (e), Airflow, représente le débit d’air entre les locomotives de tête et la conduite générale, en pieds cubes par minute (CFM). Les ML s’attendent à un débit d’air plus élevé que la normale dans les trains ordinaires par temps très froid en raison de l’augmentation des fuites dans le système de freinage pneumatique dans l’ensemble du train. Cette rangée montre une augmentation du débit d’air immédiatement après chaque serrage des freins à air de service avant le serrage final des freins d’urgence. Ces augmentations du débit de l’air après le serrage des freins de service peuvent indiquer un desserrage involontaire des freins du train.

    La rangée (f), PCS Open, décrit l’activité de l’interrupteur de commande pneumatique. Cet interrupteur s’ouvre automatiquement en réponse à un serrage des freins d’urgence, qu’il ait été commandé par le conducteur ou qu’il provienne de la conduite générale. La ligne bleue commence à l’endroit où le serrage des freins d’urgence a été amorcé.

    La rangée (g), EAB Emer, indique quand le frein à air électronique est en état d’urgence.

    La rangée (h), EIE, représente le serrage des freins d’urgence commandé par un employé.

    Lorsque la vitesse du train a dépassé la vitesse maximale autorisée de plus de 5 mi/h, le train a été placé en état d’urgence à l’aide du robinet de mécanicien. Les mesures prises par le ML pour contrôler la vitesse du train sont conformes aux procédures d’exploitation de la compagnie de chemin de fer en place au moment du présent événement.

    Le ML n’a pas constaté les augmentations anormales du débit d’air après le serrage des freins à air de service.

    Annexe C – Lettre circulaire C-12027 de la Association of American Railroads et lettre générale GL-490 de New York Air Brake

    Figure C1a. Lettre circulaire C-12027 de la Association of American Railroads et lettre générale GL-490 de New York Air Brake
    Image
    Lettre circulaire C-12027 de la Association of American Railroads et lettre générale GL-490 de New York Air Brake
    Figure C1b. Lettre circulaire C-12027 de la Association of American Railroads et lettre générale GL-490 de New York Air Brake
    Image
    Lettre circulaire C-12027 de la Association of American Railroads et lettre générale GL-490 de New York Air Brake

    Source : Association of Amerian Railroads

    Figure C1c. Lettre circulaire C-12027 de la Association of American Railroads et lettre générale GL-490 de New York Air Brake
    Image
    Lettre circulaire C-12027 de la Association of American Railroads et lettre générale GL-490 de New York Air Brake
    Figure C1d. Lettre circulaire C-12027 de la Association of American Railroads et lettre générale GL-490 de New York Air Brake
    Image
    Lettre circulaire C-12027 de la Association of American Railroads et lettre générale GL-490 de New York Air Brake

    Source : New York Air Brake

    Annexe D – Évaluation de New York Air Brake des défaillances du distributeur DB-60 de la Compagnie des chemins de fer nationaux du Canada par temps froid

    • New York Air Brake (NYAB) a évalué les défaillances du distributeur DB-60 et est arrivé aux conclusions suivantes :
    • On a déterminé que les défaillances du dispositif de serrage de type DB-10 signalées par la Compagnie des chemins de fer nationaux du Canada (CN) étaient les mêmes que le problème de la valve d’équilibrage qui a été évalué en 2013 et qui a été traité dans la circulaire C-12027 de la Association of American Railroads (AAR) et la lettre générale GL-490 de NYAB (annexe C).
    • On a déterminé que l’affaissement du caoutchouc, une forme d’usure du caoutchouc, était la cause première de la défaillance de la valve de mise à l’atmosphère du dispositif de serrage d’urgence à des températures froides. Cela est d’autant plus évident dans la valve de desserrage et la valve d’équilibrage du dispositif de serrage, où il y a des vitesses de cycle différentes. L’évaluation a permis de constater que les 3 joints toriques Knorr ont défailli à environ la même température et mesuraient le même diamètre extérieur que le diamètre intérieur de leur raccord, ce qui indique que quelque chose d’autre que l’usure normale a causé la fuite du joint torique Knorr. L’état des joints de caoutchouc inspectés fournit des preuves supplémentaires à l’appui. Le principal facteur à l’origine de cette situation est probablement le fait que le train est resté entreposé avec des freins inactifs du 31 janvier 2016 au 10 novembre 2017 (21 mois).
    • Lorsqu’un train est entreposé et que les effets dynamiques du mouvement et de la mise sous pression ne sont plus exercés sur le caoutchouc, l’environnement l’altère. Quand le caoutchouc s’affaisse, il s’écoule lentement pour remplir son contenant et normaliser les contraintes dans le matériau. Au fil du temps, les élastomères s’évaporent, la mémoire du caoutchouc est perdue et les produits en caoutchouc (joints toriques Knorr, joints de caoutchouc et membranes) se déforment de façon permanente, ce qui affecte le rendement fonctionnel prévu, surtout à froid, lorsque le caoutchouc commence à se contracter et devient plus rigide.

    Annexe E – Rapport d’essai Wabtec des dispositifs de serrage d’urgence retournés par le BST

    Figure E1a. Rapport d’essai Wabtec des dispositifs de serrage d’urgence retournés par le BST
    Image
    Rapport d’essai Wabtec des dispositifs de serrage d’urgence retournés par le BST
    Figure E1b. Rapport d’essai Wabtec des dispositifs de serrage d’urgence retournés par le BST
    Image
    Rapport d’essai Wabtec des dispositifs de serrage d’urgence retournés par le BST

    Source : Wabtec Freight Car Pneumatics

    Annexe F – Enquêtes du BST sur des mouvements non contrôlés

    Numéro de l’événement Date Description Emplacement Cause

    R18M0037

    2018-12-04

    Mort d’un employé, Compagnie des chemins de fer nationaux du Canada, train de manœuvre L57211-04, point milliaire 1,03, subdivision de Pelletier

    Edmundston (Nouveau-Brunswick)

    Immobilisation insuffisante

    R18Q0046

    2018-05-01

    Mouvement non contrôlé et déraillement de matériel roulant en voie non principale, Chemin de fer QNS&L, triage Sept-Îles

    Sept-Îles (Québec)

    Manœuvres sans freins à air

    R18H0039

    2018-04-14

    Mouvement non contrôlé de matériel roulant, Chemin de fer Canadien Pacifique, système de télécommande de locomotive, train de manœuvre T16-13, point milliaire 195,5, subdivision de Belleville

    Toronto (Ontario)

    Perte de maîtrise

    R18E0007

    2018-01-10

    Mouvement non contrôlé de matériel roulant, Compagnie des chemins de fer nationaux du Canada, train de marchandises L76951-10, point milliaire 0,5 de l’embranchement industriel de Luscar

    Leyland (Alberta)

    Perte de maîtrise

    R17W0267

    2017-12-22

    Mort accidentelle d’une employée, Compagnie des chemins de fer nationaux du Canada, système de télécommande de locomotive, train facultatif de manœuvre Y1XS-01

    Melville (Saskatchewan)

    Manœuvres sans freins à air

    R17V0096

    2017-04-20

    Mouvement non contrôlé, collision et déraillement de matériel roulant en voie non principale, Englewood Railway, Western Forest Products Inc., rame de wagons

    Woss (Colombie-Britannique)

    Manœuvres sans freins à air

    R16W0242

    2016-11-29

    Mouvement non contrôlé, collision et déraillement, Chemin de fer Canadien Pacifique, train de ballast BAL-27 et train de marchandises 293-28, point milliaire 138,70, subdivision de Weyburn

    Estevan (Saskatchewan)

    Perte de maîtrise

    R16T0111

    2016-06-17

    Mouvement non contrôlé de matériel ferroviaire, Compagnie des chemins de fer nationaux du Canada, système de télécommande de locomotive, affectation de triage de l’embranchement industriel ouest de 21 h, point milliaire 23,9, subdivision de York, triage MacMillan

    Vaughan (Ontario)

    Perte de maîtrise

    R16W0074

    2016-03-27

    Mouvement non contrôlé de matériel ferroviaire, Chemin de fer Canadien Pacifique, manœuvre de formation au système de télécommande de locomotive de 23 h, point milliaire 109,7, subdivision de Sutherland

    Saskatoon (Saskatchewan)

    Manœuvres sans freins à air

    R16W0059

    2016-03-01

    Matériel roulant à la dérive, Cando Rail Services, manœuvre de 22 h affectée au Co-op Refinery Complex, point milliaire 91,10, subdivision de Quappelle de la Compagnie des chemins de fer nationaux du Canada

    Regina (Saskatchewan)

    Immobilisation insuffisante

    R15D0103

    2015-10-29

    Wagons partis à la dérive et déraillement de wagons en voie non principale, Chemin de fer Canadien Pacifique, rame de wagons entreposée, point milliaire 2,24, embranchement d’Outremont

    Montréal (Québec)

    Immobilisation insuffisante

    R15T0173

    2015-07-29

    Dérive, collision et déraillement de matériel roulant en voie non principale, Compagnie des chemins de fer nationaux du Canada, rame de wagons et train A42241-29, point milliaire 0,0, subdivision de Halton, triage MacMillan

    Concord (Ontario)

    Manœuvres sans freins à air

    R13D0054

    2013-07-06

    Train parti à la dérive et déraillement en voie principale, train de marchandises MMA-002 de la Montreal, Maine & Atlantic Railway, point milliaire 0,23, subdivision de Sherbrooke

    Lac-Mégantic (Québec)

    Immobilisation insuffisante

    R12E0004

    2012-01-18

    Collision en voie principale, Compagnie des chemins de fer nationaux du Canada, matériel roulant à la dérive et train A45951-16, point milliaire 44,5, subdivision de Grande Cache

    Hanlon (Alberta)

    Immobilisation insuffisante

    R11Q0056

    2011-12-11

    Train parti à la dérive, Chemin de fer QNS&L, train de marchandises LIM-55, point milliaire 67,20, subdivision de Wacouna

    Dorée (Québec)

    Perte de maîtrise

    R09D0053

    2009-09-09

    Collision hors d’une voie principale, VIA Rail Canada Inc., locomotive 6425, Centre de maintenance de Montréal de VIA Rail Canada Inc.

    Montréal (Québec)

    Manœuvres sans freins à air

    R09T0057

    2009-02-11

    Train à la dérive et déraillement hors d’une voie principale, Southern Ontario Railway, train de manœuvre de 9 h de Hagersville, points milliaires 0,10 et 1,9, embranchement Hydro

    Nanticoke (Ontario)

    Immobilisation insuffisante

    R08V0270

    2008-12-29

    Dérive et collision hors d’une voie principale, Kettle Falls International Railway, mission de Waneta, point milliaire 141,20, subdivision de Kettle Falls

    Waneta (Colombie-Britannique)

    Perte de maîtrise

    R07H0015

    2007-07-04

    Matériel roulant à la dérive, Chemin de fer Canadien Pacifique, rame de wagons à la dérive, point milliaire 119,5, subdivision de Winchester

    Smiths Falls (Ontario)

    Immobilisation insuffisante

    R07V0109

    2007-04-23

    Déraillement sur une voie non principale, Kootenay Valley Railway, manœuvre Trail de 7 h, point milliaire 19,0, subdivision de Rossland

    Trail (Colombie-Britannique)

    Perte de maîtrise

    R06V0183

    2006-09-03

    Train à la dérive et déraillement, White Pass and Yukon Route, train de travaux 114, point milliaire 36,5, subdivision de Canadian

    Log Cabin (Colombie-Britannique)

    Perte de maîtrise

    R06V0136

    2006-06-29

    Matériel roulant parti à la dérive et déraillement, Compagnie des chemins de fer nationaux du Canada, train de marchandises L-567-51-29, point milliaire 184,8, subdivision de Lillooet

    Lillooet (Colombie-Britannique)

    Perte de maîtrise

    R05H0011

    2005-05-02

    Wagons à la dérive et collision en voie principale, Ottawa Central Railway, train de marchandises numéro 441, point milliaire 34,69, subdivision d’Alexandria

    Maxville (Ontario)

    Immobilisation insuffisante

    R04V0100

    2004-07-08

    Matériel roulant à la dérive, Compagnie des chemins de fer nationaux du Canada, train M -359-51-07, point milliaire 57,7, subdivision de Fraser

    Bend (Colombie-Britannique)

    Perte de maîtrise

    R03T0026

    2003-01-21

    Collision dans un triage, Chemin de fer Canadien Pacifique, wagon numéro HOKX 111044, point milliaire 197,0, subdivision de Belleville, triage de Toronto

    Agincourt (Ontario)

    Manœuvres sans freins à air

    R03T0047

    2003-01-22

    Collision dans un triage, Compagnie des chemins de fer nationaux du Canada, wagon-citerne PROX 77811, point milliaire 25,0, subdivision de York

    Toronto (Ontario)

    Manœuvres sans freins à air

    R99D0159

    1999-08-27

    Wagons partis à la dérive, Compagnie des chemins de fer nationaux du Canada, point milliaire 69,4, subdivision de Kingston, embranchement Wesco

    Cornwall (Ontario)

    Immobilisation insuffisante

    R98M0029

    1998-09-24

    Dérive de wagons, collision et déraillement en voie principale, Chemin de fer de la Matapédia, train numéro A402-21-24 de la Compagnie des chemins de fer nationaux du Canada, point milliaire 105,4, subdivision de Mont-Joli

    Mont-Joli (Québec)

    Immobilisation insuffisante

    R98M0020

    1998-07-31

    Dérive et collision en voie principale, VIA Rail Canada Inc., train de voyageurs numéro 14 et wagon de type « five-pak » à la dérive, point milliaire 105,7, subdivision de Mont-Joli du Chemin de fer de la Matapédia

    Mont-Joli (Québec)

    Immobilisation insuffisante

    R97C0147

    1997-12-02

    Dérive et déraillement, Chemin de fer Canadien Pacifique, train numéro 353-946, subdivision de Laggan

    Field (Colombie-Britannique)

    Perte de maîtrise

    R96C0172

    1996-08-12

    Collision en voie principale, Compagnie des chemins de fer nationaux du Canada, train 117 et 20 wagons partis à la dérive, point milliaire 122,9, subdivision d’Edson

    Près d’Edson (Alberta)

    Immobilisation insuffisante

    R96C0209

    1996-10-09

    Wagons partis à la dérive, Chemin de fer Canadien Pacifique, affectation de triage de 7 h, point milliaire 166,2, subdivision de Willingdon, voie d’échange de Clover Bar

    Edmonton (Alberta)

    Immobilisation insuffisante

    R96T0137

    1996-04-24

    Wagons partis à la dérive, Compagnie des chemins de fer nationaux du Canada, rame de 5 wagons-citernes, point milliaire 0,0, subdivision de Hagersville

    Nanticoke (Ontario)

    Immobilisation insuffisante

    R96C0086

    1996-04-13

    Train parti à la dérive, Chemin de fer Canadien Pacifique, train de marchandises numéro 607-042, point milliaire 133,0, subdivision de Laggan

    Field (Colombie-Britannique)

    Perte de maîtrise

    R95M0072

    1995-12-14

    Wagons partis à la dérive, Compagnie des chemins de fer nationaux du Canada, train numéro 130-13, point milliaire 0,0, subdivision de Pelletier

    Edmundston (Nouveau-Brunswick)

    Immobilisation insuffisante

    R94V0006

    1994-01-18

    Train parti à la dérive, Compagnie des chemins de fer nationaux du Canada, point milliaire 175, subdivision de Grande Cache

    Latornell (Alberta)

    Perte de maîtrise