Rapport d'enquête ferroviaire R99T0017

Franchissement d'un signal d'arrêt absolu
par le train numéro 52
de VIA Rail Canada Inc.
au point milliaire 232,8
dans la subdivision Kingston
à Trenton Junction
Trenton (Ontario)

Le Bureau de la sécurité des transports du Canada (BST) a enquêté sur cet événement dans le but de promouvoir la sécurité des transports. Le Bureau n’est pas habilité à attribuer ni à déterminer les responsabilités civiles ou pénales. Le présent rapport n’est pas créé pour être utilisé dans le contexte d’une procédure judiciaire, disciplinaire ou autre. Voir Propriété et utilisation du contenu.

Table des matières

    Résumé

    Le 19 janvier 1999, vers 8 h 30, heure normale de l'Est, le train no 52 de VIA Rail Canada Inc. dépasse le signal no 2328S, au point milliaire 232,8 dans la subdivision Kingston du Canadien National à la gare de Trenton Junction, alors que le signal indiquait un arrêt absolu. Par la suite, le train a talonné un aiguillage de voie principale qui est en position renversée et s'est immobilisé au point milliaire 232,17. Le train n'a pas déraillé, les voyageurs et les membres de l'équipe n'ont pas été blessés, et il n'y a pas eu de dommages à la propriété, à l'exception de l'aiguillage qui a été ouvert de force par les roues du train au moment de son passage.

    This report is also available in English.

    1.0 Renseignements de base

    1.1 L'incident

    Le train no 52 (VIA 52) de VIA Rail Canada Inc. (VIA) quitte Toronto (Ontario) le 19 janvier 1999 à 7 h 10, heure normale de l'Est (HNE)Footnote 1, et roule vers l'est sur la subdivision Kingston du Canadien National (CN). L'équipe de la locomotive est formée de deux mécaniciens et d'un mécanicien stagiaire. Le train roule sans incident, s'arrêtant pour faire monter ou descendre des voyageurs à Guildwood, Oshawa et Cobourg. Il avait neigé la nuit précédente et les lentilles des signaux du système de commande centralisée de la circulation (CCC) étaient partiellement obscurcies par de la neige collante.

    Pendant que le VIA 52 roule en direction de Trenton Junction, point milliaire 232,8, le train de manœuvreFootnote 2 quitte Belleville, point milliaire 220,7, sur la voie principale nord et se rend à Trenton Junction, où il entre dans l'embranchement Marmora. Pour quitter la subdivision Kingston, le train de manœuvre emprunte la voie principale sud entre Trenton, point milliaire 231,7, et Trenton Junction, dépasse le signal 2327S et passe sur l'aiguillage de Trenton Junction, lequel avait été mis en position renversée. La locomotive de manœuvre traverse Trenton Junction à 8 h 21.

    Figure 1. Diagramme simplifié de la voie - secteur de Trenton
    Image
    Diagramme simplifié de la voie - secteur de Trenton

    Une fois que la locomotive de manœuvre a quitté Trenton Junction, le contrôleur de la circulation ferroviaire (CCF) essaie de replacer l'aiguillage à la position normale en appuyant sur des boutons-poussoirs du tableau de commande qui commandent à distance les signaux, les aiguillages ou les deux. Le CCF ne réussit pas à replacer l'aiguillage à la position normale. Il essaie de modifier la position de l'aiguillage seulement et ne demande pas qu'un signal permissif soit affiché à l'intention d'un train roulant en direction est. À 8 h 24, après quatre tentatives infructueuses, le CCF communique avec les employés d'entretien de la voie ferrée à Trenton et leur demande de se rendre à Trenton Junction pour replacer l'aiguillage à la position normale. Les employés accusent réception de la communication et se rendent à Trenton Junction à bord d'un véhicule routier. Le CCF ne commande l'affichage d'aucun autre signal à Trenton Junction.

    Appelés à former un autre employé, les deux mécaniciens du VIA 52 lui expliquaient les particularités de la circulation ferroviaire sur la subdivision Kingston et le mécanicien stagiaire leur posait des questions sur la circulation ferroviaire et sur la géographie du territoire. Tandis que le train approche du signal 2352S, au point milliaire 235,2 sur la voie principale sud, en l'occurrence le signal d'approche de Trenton Junction, le mécanicien qui est aux commandes demande aux deux autres employés si le signal d'approche indique d'avancer à la vitesse normale, étant donné que le signal est partiellement recouvert de neige. Ils se rappellent tous deux que le signal indiquait d'avancer à la vitesse normale. Le VIA 52 arrive à la hauteur du signal 2352S à une vitesse consignée de 97 mi/h. La vitesse augmente jusqu'à 100 mi/h. Le signal d'entrée pour la voie principale sud à Trenton Junction, soit le signal 2328S, serait devenu visible à une distance d'environ 4 900 pieds. Quand le mécanicien qui n'est pas aux commandes de la locomotive constate que le signal 2328S indique ce qu'il appelle des « couleurs », il relaie l'information aux deux autres employés dans la locomotive. Le mécanicien qui est aux commandes entreprend immédiatement un freinage d'urgence. À ce moment, le VIA 52 se trouve à environ 2 500 pieds du signal. Le train ne peut s'arrêter avant de dépasser le signal 2328S et prend en talon l'aiguillage de l'embranchement Marmora. Quand il s'immobilise, le train est à 4 900 pieds au-delà du signal 2328S; il est environ 8 h 35.

    Les employés d'entretien de la voie viennent d'arriver à Trenton Junction et montent les marches menant aux voies ferrées quand ils observent le VIA 52. Les freins du train sont appliqués au moment où celui-ci passe devant eux. Ils se rendent à l'aiguillage et remarquent qu'il a été talonné et qu'il est endommagé.

    Une fois le train immobilisé, l'équipe reste dans la cabine de la locomotive pendant une période prolongée tandis que le personnel du centre de contrôle de la circulation ferroviaire enquête sur les circonstances de l'incident et qu'un superviseur se rend sur les lieux. Au cours de cette période, aucune information n'est transmise à l'équipe au sujet de la suite d'événements, et les membres de l'équipe en sont réduits à discuter entre eux de ce qui s'est passé.

    1.2 Victimes

    Personne n'a été blessé.

    1.3 Dommages au matériel roulant

    Le VIA 52 n'a pas subi de dommages.

    1.4 Autres dommages

    L'aiguillage a été endommagé (tringle de verrouillage intérieure, tringle de verrouillage extérieure, tringle de manœuvre, tenon de contrôleur d'aiguille et tenon de tringle frontale pivotante tordus).

    1.5 Renseignements sur le personnel

    L'équipe du VIA 52 comptait deux mécaniciens et un mécanicien stagiaire. Ils répondaient aux exigences de leurs postes respectifs, y compris en ce qui a trait à la vision et à la reconnaissance des couleurs, et ils satisfaisaient aux exigences en matière de condition physique et de repos.

    1.6 Renseignements sur le train

    Le VIA 52 comptait une locomotive et quatre voitures. Il mesurait environ 350 pieds et pesait quelque 340 tonnes. Il avait à son bord 103 voyageurs et employés du chemin de fer.

    1.7 Renseignements sur le lieu de l'événement

    La subdivision Kingston du CN va de Dorval (Québec), point milliaire 10,3, à Toronto (Ontario), point milliaire 333,8, et est constituée de deux à quatre voies principales reliées entre elles par des liaisons. La vitesse maximale est de 100 mi/h pour les trains de voyageurs et de 60 mi/h pour les trains de marchandises. De nombreux aiguillages à commande manuelle ou à double commande donnent accès aux voies principales ou aux embranchements, y compris à l'embranchement Marmora. L'embranchement Marmora part de la voie principale sud et entre dans la ville de Trenton, en direction sud.

    1.8 Méthode de contrôle du mouvement des trains

    Sur la subdivision Kingston, le mouvement des trains est régi par le système de CCC et est supervisé par des CCF postés à Montréal ou à Toronto. Sur le tronçon entourant Trenton, la circulation est contrôlée à partir du centre de contrôle de la circulation ferroviaire de Toronto.

    1.9 Conditions météorologiques

    La température était de moins 1 degré Celsius et le ciel était couvert. La visibilité était maximale.

    1.10 Renseignements consignés

    1.10.1 Locomotive

    Les données du consignateur d'événements ont révélé que le VIA 52 roulait à environ 97 mi/h quand il est arrivé à la hauteur du signal 2352S, que le régulateur était à la position 6 et a été graduellement réglé plus bas jusqu'à ce qu'il soit placé à la position de ralenti. Puis le régulateur a été de nouveau réglé à différents niveaux jusqu'à ce que le train atteigne la vitesse de 100 mi/h. À 8 h 33 min 45 s, on a entrepris un freinage d'urgence alors que le train roulait à 100 mi/h. Le VIA 52 a ensuite décéléré graduellement pour s'immobiliser à 8 h 35 min 19 s.

    1.10.2 Guérite de signalisation

    La guérite de signalisation de Trenton Junction est équipée d'un consignateur d'événements, lequel a indiqué que le CCF a essayé de commander l'aiguillage de Trenton Junction à six reprises entre 7 h 53 et 8 h 25, mais que l'aiguillage ne s'est pas verrouillé en position normale. Le consignateur indique aussi qu'à 8 h 32 min 32 s, le VIA 52 a dépassé le signal 2352S, auquel on avait commandé d'afficher un signal jaune sur rouge (de vitesse normale à arrêt). L'annexe A montre les fonctions pertinentes qui ont été exécutées dans la guérite de Trenton Junction.

    1.11 Formation des mécaniciens de VIA Rail Canada Inc. (VIA)

    VIA a recruté ses mécaniciens parmi des employés expérimentés du secteur de l'exploitation ou des membres expérimentés du personnel affecté au service à la clientèle. Au moment de l'incident, le programme de formation de VIA à l'intention des nouveaux mécaniciens comprend des cours en salle de classe pendant lesquels les étudiants apprennent les différents aspects de la conduite et de l'entretien d'urgence des locomotives et se qualifient relativement à la connaissance du Règlement d'exploitation ferroviaire du Canada (REF). Pour compléter la partie théorique, la compagnie donne une formation pratique à bord de trains en service. Des mécaniciens d'expérience doivent expliquer aux stagiaires la façon de s'y prendre pour conduire un train de voyageurs à grande vitesse, et notamment les particularités associées au respect des horaires, à l'emplacement des signaux, aux secteurs géographiques importants et aux endroits où il faut manœuvrer le régulateur ou actionner les freins. Les mécaniciens doivent s'acquitter de ces tâches tout en faisant leur travail courant à bord du train.

    1.12 Système de commande centralisée de la circulation (CCC)

    1.12.1 Généralités

    Le système de CCC dans la subdivision Kingston lors de l'accident consistait en un arrangement de signaux de canton enclenchés (intermédiaires et contrôlés). Ces signaux sont situés près des voies et exposés aux éléments. Les signaux intermédiaires sont activés par la présence de trains ou de certaines machines (comme certains véhicules d'entretien) roulant sur les voies, ou par des anomalies comme la rupture d'un rail. Les signaux contrôlés sont commandés par le CCF, par l'intermédiaire d'un tableau de commande informatisé. Au moyen d'alarmes visuelles et sonores, ce système alerte le CCF lorsqu'un train arrive à la hauteur d'un signal autre qu'un signal permissif. L'agencement des signaux enclenchés, des aiguillages et du tableau de commande forme un système intégré destiné à assurer la protection des trains et des véhicules d'entretien et à faciliter leurs mouvements. Les signaux sont affichés en séquence de façon à indiquer les exigences d'exploitation dans le canton suivant (canton 1) et, éventuellement, à afficher l'indication du signal suivant (canton de contrôle 2), qui régit les conditions d'exploitation dans ce canton.

    Figure 2. Signaux du système de commande centralisée de la circulation
    Image
    Signaux du système de commande centralisée de la circulation

    Le contrôle par CCC suppose que les membres des équipes des trains sont en mesure d'observer les signaux, de les identifier correctement et d'y réagir de façon appropriée.

    Les signaux, les relais et la conception des circuits de CCC sont trois des éléments essentiels du système de signalisation par CCC.

    Après avoir relevé des contradictions entre les souvenirs des membres de l'équipe et le fonctionnement des signaux et des relais, et compte tenu des observations faites directement par les enquêteurs du BST, l'enquête s'est penchée sur les aspects techniques du système de signalisation.

    1.12.2 Signaux

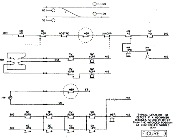
    Figure 3. Exemples de signaux affichant 1, 2 et 3 indications
    Image
    Exemples de signaux affichant 1, 2 et 3 indications

    Les signaux consistent essentiellement en un arrangement de un, deux ou trois feux (lentilles) qui peuvent afficher différentes combinaisons de couleurs (vert, jaune et rouge) dans chaque lentille. Ces combinaisons indiquent les conditions qu'on va rencontrer dans le canton suivant et donnent un préavis de l'indication que le signal suivant pourrait montrer. La convention établie pour désigner les mécanismes de signalisation est « A », « B » et « C » à partir du sommet du poteau.

    Les signaux employés à Trenton Junction sont des signaux à oculaire mobile de type SA-1 fabriqués par la General Railway Signal Corporation (GRS), une entreprise de Rochester, New York. La GRS a été achetée par la Alstom Signaling Inc. (Alstom) en 1998. Les signaux ont été construits conformément aux spécifications de l'Association of American Railroads (AAR) (la partie pertinente figure à l'annexe B).

    1.12.2.1 Signaux à oculaire mobile

    Figure 4. Illustration élémentaire du principe de l'oculaire mobile
    Image
    Illustration élémentaire du principe de l'oculaire mobile

    Essentiellement, un signal à oculaire mobile est constitué d'une lampe placée à l'arrière d'une boîte de métal (boîtier), d'un ensemble de trois disques (jaune, rouge et vert), appelé bâti rotatif, placé immédiatement devant la lampe, et d'une lentille placée devant le bâti rotatif. Le principe de fonctionnement est le suivant : quand le mécanisme est actionné, suivant la polarité du courant électrique appliqué, le bâti rotatif pivote devant la lampe de façon à exposer le disque de la couleur appropriée et à afficher une certaine couleur. Au repos(quand aucun courant électrique n'est appliqué), l'ensemble est en position verticale avec le disque rouge exposé devant la lampe, de façon à ce que, lorsque les conditions sont normales ou en cas de panne de courant, le dispositif affiche une indication d'arrêt absolu. On dit alors que le mécanisme est à sécurité intégrée, et il s'actionnera en cas de panne d'alimentation ou des batteries de secours.

    Les recommandations de la GRS concernant les procédures d'installation (y compris le choix de l'emplacement), le fonctionnement et l'entretien des signaux sont données dans une brochure intitulée Type SA-1 Color-Light Signal – Searchlight Type. Dans cette publication, la GRS recommande que :

    [traduction]
    [...] pour obtenir les meilleurs résultats, le signal haut doit être placé par rapport à la voie ferrée de façon à ce que la lentille soit le plus possible au niveau des yeux du mécanicien, et le plus près possible de la voie ferrée, sous réserve du dégagement requis. Dans ces conditions, on doit normalement poser le signal du côté gauche du mât, du point de vue du mécanicien d'un train qui approche.Footnote 3

    La GRS recommande donc que les signaux soient posés du côté gauche du mât situé à droite de la voie, comme on le verrait d'un train qui approche. Le signal serait ainsi le plus près possible du mécanicien, car celui-ci s'assoit du côté droit de la locomotive. Dans la subdivision Kingston du CN, les signaux sont placés soit à la droite des voies, d'un côté ou de l'autre des mâts, soit au-dessus de la voie.

    Le signal 2328N, situé du côté nord des voies (pour être vu d'un train circulant sur la voie nord), affichait une indication d'arrêt absolu quand le VIA 52 s'en est approché.

    Un problème connu peut se poser avec les appareils de ce type lorsque la température est inférieure au point de congélation, l'ensemble peut geler en place si de l'humidité est présente dans le mécanisme et si l'ensemble à trois disques vient en contact avec le boîtier métallique. En l'occurrence, il se peut que le signal n'affiche pas l'indication voulue. Dans de telles conditions le dispositif de sécurité intégrée ne fonctionnerait pas.

    Figure 5. Signal de type à oculaire mobile de la GRS
    Image
    Signal de type à oculaire mobile de la GRS

    Le signal à oculaire mobile, placé au sommet de l'arrangement de signaux du signal 2352S à Trenton Junction, a été examiné au Laboratoire technique du BST pour déterminer si une défectuosité avait pu se produire quand le VIA 52 est arrivé à la hauteur du signal et qu'il l'a dépassé. Des représentants d'Alstom, le fabricant du mécanisme, et de l'organisme de réglementation, Transports Canada (TC), ont aussi assisté à l'examen. Le mécanisme a été démonté et ses pièces ont été examinées. L'examen n'a révélé aucun signe de défectuosité et n'a pas non plus relevé d'humidité à l'intérieur du dispositif.

    1.12.2.2 Conception des circuits de Trenton Junction et relais B-1

    L'examen du mécanisme à oculaire mobile et de certains des relais de Trenton Junction a été suivi d'une analyse des circuits de Trenton Junction, visant à déterminer si une partie ou l'autre du système avait mal fonctionné lors de l'incident.

    Une liste des relais pertinents est présentée ci-dessous et la description de leur fonction est donnée à l'annexe C.

    • 2328SAGP Signal 2328S, répétiteur du mécanisme du feu vert sur l'unité « A »
    • 2328S-1RP Signal 2328S, répétiteur du mécanisme du feu rouge
    • 2328S-S1AS Relais d'approche à enclenchement pour le signal 2328S
    • SF Relais de trafic pour le signal 2328S
    • 1ES Relais d'automaintien d'itinéraire est
    • 1L, 1LS Relais de commande d'aiguillage
    • 1TP Relais de la voie de gareFootnote 4

    À Trenton Junction, le réseau de contrôle du trafic est composé d'un circuit bidirectionnel comptant trois relais de trafic qui sont normalement excités (SF pour les mouvements en direction est et 1F ou 2F pour les mouvements en direction ouest). Quand un signal est demandé, un chemin se crée dans les circuits pour exciter le relais de trafic approprié. Les données du relais de trafic sont ensuite utilisées par le réseau de commande des signaux et les circuits de ligne des emplacements adjacents pour déterminer si une ligne envoie ou reçoit de l'énergie.

    Le réseau de commande des signaux est un réseau bidirectionnel dans lequel aucune énergie ne circule tant que le réseau est au « repos ». Quand les mécanismes de signalisation ne reçoivent aucune énergie, ils affichent tous une indication d'arrêt absolu (comme on l'explique sous la rubrique 1.12.2.1). Dans un circuit type, lorsqu'un signal est demandé, un relais (relais GZ) se met sous tension pour exciter un relais de trafic (relais F) et désexciter un relais à enclenchement (L et LS). La polarité du mécanisme de signalisation est contrôlée par le relais de ligne (relais D) qui envoie un signal de l'emplacement adjacent. Comme on l'explique sous la rubrique 1.12.2.1, la polarité détermine la direction dans laquelle le bâti rotatif tournera pour amener un disque de couleur devant la lampe.

    Figure 6. Signal 2352S affichant une indication de vitesse normale à arrêt
    Image
    Signal 2352S affichant une indication de vitesse normale à arrêt

    Le circuit de ligne entre Trenton Junction et le signal d'approche (2352S) fonctionne de la façon suivante :

    • Quand le signal 2328S affiche une indication d'arrêt absolu, le répétiteur du mécanisme du feu vert (2328SAGP) est désexcité. L'énergie positive transmise amène le signal 2352S à afficher une indication jaune au-dessus du rouge (signal de vitesse normale à arrêt).
    • Quand le signal 2328S affiche une indication permissive, le répétiteur du mécanisme du feu vert est excité, ce qui amène le signal 2352S à afficher une indication verte au-dessus du rouge (signal de vitesse normale).

    Le signal de vitesse normale indique d'avancer sans dépasser la vitesse maximale autorisée, tandis qu'un signal de vitesse normale à arrêt signifie qu'on peut avancer mais qu'on doit être prêt à s'arrêter au signal suivant.

    Conception du système de signalisation à Trenton Junction

    Des « relais d'automaintien d'itinéraire » (1ES et 1WS) font en sorte que le canton contrôléFootnote 5 est verrouillé, ce qui signifie que des signaux opposés ne peuvent pas être autorisés et que la position d'un aiguillage ne peut pas être modifiée. Les relais d'automaintien d'itinéraire sont normalement excités. Dès qu'un signal est autorisé (affichage d'une indication permissive) et que le relais d'approche associé (AS) est désexcité, le relais approprié d'automaintien d'itinéraire se désexcite et reste désexcité jusqu'à ce qu'un train ait dépassé l'emplacement (relais AS et 1TP désexcités) ou que le signal soit annulé et que le mécanisme de minuterie du relais AS ait complété son cycle. Les relais AS sont munis d'un mécanisme de minuterie (STE) qui empêche que des signaux opposés soient autorisés immédiatement après l'annulation d'un signal. Cette mesure assure un délai suffisant pour qu'un train puisse s'arrêter avant qu'un autre train soit autorisé à s'approcher du secteur.

    Il y a aussi les relais de commande d'aiguillage (1LS et 1L) qui sont normalement excités. Ils se désexcitent quand un signal est demandé, quand un relais d'automaintien d'itinéraire est désexcité ou si la voie de gare est occupée (relais 1TP désexcité). Quand les relais de commande d'aiguillage sont désexcités, il est impossible de modifier la position de l'aiguillage ou de demander un signal différent.

    Les circuits du répétiteur du mécanisme de signalisation et les circuits d'approche à enclenchement fonctionnent de façon que, si le signal 2328S affiche une indication d'arrêt absolu, le répétiteur du feu rouge (relais 2328S-1RP) soit excité et excite le relais d'approche à enclenchement (2328S-S1AS). Si une des lentilles du signal 2328S affichait autre chose qu'un signal rouge, le circuit actionnant le répétiteur du feu rouge serait ouvert et le répétiteur du feu rouge deviendrait désexcité. Si cela se produisait, le relais AS se désexciterait et resterait ainsi jusqu'à ce que le répétiteur du feu rouge soit excité de nouveau et qu'un train occupe la voie de gare (relais 1TP) ainsi que la voie suivante au-delà de la voie de gare, ou que le signal soit annulé (par le CCF), que le répétiteur du feu rouge soit excité et que la minuterie AS fonctionne pendant tout son cycle. Le relais AS étant désexcité, le relais d'automaintien d'itinéraire est désexcité, si bien que les relais à enclenchement sont désexcités. Cette suite d'événements fait en sorte que le canton contrôlé est verrouillé.

    Fonctionnement prévu

    Quand le CCF commande le signal 2328S et que la voie n'est pas occupée à l'est de Trenton Junction, le signal 2328S est censé afficher une indication de vitesse normale. Quand la commande est reçue par l'équipement sur place, le relais SEGZ (relais GZ) est excité, ce qui fait que le relais de trafic SF est aussi excité. Il s'ensuit que le relais 1LS puis le relais 1L se désexcitent. Du fait des positions de ces relais, l'unité lumineuse « A » du signal 2328S indique le vert. Les circuits vérifient que le relais AS opposé (2327S-S1AS) est excité, mais ne vérifie pas si le relais 2328S-S1AS est en position de désexcitation. Le signal 2328S indiquant le vert à sa lentille supérieure, le relais 2328SAGP est excité, ce qui fait que le relais du répétiteur du feu rouge (2328S-1RP) se désexcite. Le relais 2328S-S1AS se désexcite ensuite, si bien que le relais d'automaintien d'itinéraire 1ES se désexcite. Le relais 1LS se désexcite, ce qui assure une protection temporaire en cas d'annulation du signal 2328S. Quand le signal 2328S affiche une indication de vitesse normale, le relais 2328SAGP est en position d'excitation. La circulation de l'énergie dans les connexions fait en sorte que le signal 2352S affiche une indication de vitesse normale.

    Le signal 2328S est commandé et affiche une indication de vitesse normale :

    Numéro du relais Position Fonction
    SEGZ excitée signal commandé
    SF excitée relais de trafic du signal 2328S
    1LS désexcitée relais de commande d'aiguillage
    1L désexcitée relais de commande d'aiguillage
    2328SAGP excitée répétiteur du feu vert de l'unité lumineuse « A » du signal 2328S
    2328S-1RP désexcitée répétiteur du feu rouge du signal 2328S
    2328S-S1AS désexcitée relais d'approche à enclenchement du signal 2328S
    1ES désexcitée relais d'automaintien d'itinéraire en direction est
    1TP désexcitée voie de gare

    L'AAR Manual of Recommended Practices renferme à l'annexe D une ligne directrice qui s'intitule « Recommended Vital Circuit Design Guidelines for Stuck-Mechanism Detection for Controlled Signals » (lignes directrices recommandées sur la conception des circuits vitaux de détection des mécanismes bloqués dans les signaux contrôlés). Elle s'applique aux circuits de détection du blocage des mécanismes de commande des signaux munis d'oculaires mobiles. Les circuits de Trenton Junction prennent pour acquis que les relais fonctionnent tels que conçus et ne font pas appel à la détection des mécanismes bloqués, d'après la pratique recommandée par l'AAR, laquelle a été publiée après l'installation du système de CCC dans nombre de subdivisions au Canada, notamment dans la subdivision Kingston du CN. Selon la pratique recommandée en matière de conception, le relais d'approche à enclenchement de n'importe quel signal devrait être vérifié à la position de désexcitation avant que ce signal puisse afficher une indication permissive, le verrouillage de l'aiguillage ne devrait pas être assujetti à des relais non vitaux et les relais d'approche à enclenchement devraient être assujettis à la commande de signal ainsi qu'au répétiteur du feu rouge. Un circuit de vérification du mécanisme (conformément à la pratique recommandée de l'AAR) veille à ce que les fonctions énoncées précédemment soient réalisées.

    À Trenton Junction, les relais 2328SAGP et 2328S-1RP étaient à désexcitation lente et avaient une fonction critique au point de vue de la sécurité. Le numéro de dessin que la GRS leur avait attribué était le 56001-792 GR. 2. Ce numéro de dessin a fait l'object d'avis de sécurité émis par la GRS en 1985 et en 1995 (addenda – annexe 2). Les relais 2328SAGP et 2328S-1RP avaient été fabriqués en 1969 et avaient fait l'objet d'une « vérification de sécurité » en 1993 conformément à l'avis de 1985. Le terme « vérification de sécurité » signifie que les relais ont été ouverts, nettoyés et ont fait l'objet d'essais conformément aux dispositions de l'avis de sécurité le plus récent de la GRS qui portait sur les relais de ce type.

    Les deux scénarios qui suivent permettent de comprendre le problème qui peut se poser lorsque des relais à désexcitation lente ne se déclenchent pas dans les délais voulus. Toutefois, il est très peu probable que l'un ou l'autre scénario se produise.

    • Scenario 1

      Quand le signal 2328S montre un signal de vitesse normale, le relais 2328SAGP est dans la position d'excitation. Le relais 2328S-1RP est conçu de façon à se désexciter avant que le signal 2328S affiche une indication permissive. Advenant qu'il ne se désexcite pas quand le signal 2328S affiche une indication de vitesse normale, le relais d'approche à enclenchement (2328S-S1AS) ne se désexciterait pas, ce qui fait que le relais d'automaintien d'itinéraire (1ES) resterait excité. Les relais de commande d'aiguillage (1L et 1LS) seraient désexcités, mais seulement par l'entremise du relais de commande non vital (SEGZ) et non par l'intermédiaire du relais d'automaintien d'itinéraire. À cause de la position du relais 2328SAGP, le circuit de ligne du signal d'approche (2352S) ferait en sorte qu'il affiche un signal de vitesse normale.

      Il s'agit d'une situation où un signal de vitesse normale mène à un autre signal de vitesse normale et où tout semble normal. Toutefois, il n'y a pas de protection de verrouillage d'approche puisque le relais 2328S-S1AS est toujours à la position d'excitation. Si le signal 2328S revient à une indication d'arrêt absolu pour quelque raison que ce soit (p. ex. rupture d'un rail ou d'un fil de connexion), le canton contrôlé se déverrouille immédiatement et la position de l'aiguillage peut être modifiée même si un train approche.

    • Scenario 2

      Dans un scénario où les signaux 2352S et 2328S affichent tous deux des indications de vitesse normale, et le relais de répétiteur du feu rouge (2328S-1RP) ne s'est pas désexcité (comme dans le scénario 1), la séquence d'événements exposée ci-après est possible, étant donné la conception des circuits à Trenton Junction :

      • Si le CCF annulait le signal 2328S, le relais non vital (SEGZ) serait désexcité et les relais 1LS et 1L seraient excités, déverrouillant ainsi l'aiguillage, comme on l'explique dans le scénario 1. L'unité lumineuse « A » du signal 2328S qui revient au rouge obligerait le relais du répétiteur du mécanisme du feu vert (2328SAGP) à se désexciter.
      • Si le relais 2328SAGP ne se désexcitait pas à ce moment, le circuit de ligne du signal d'approche ne changerait pas et le signal 2352S continuerait d'afficher une indication de vitesse normale. Dans ces circonstances, on aurait une indication de vitesse normale menant à une indication d'arrêt absolu. Comme cela a été expliqué précédemment, la position de l'aiguillage pourrait être modifiée et un signal pourrait être actionné, qui donnerait accès à l'embranchement Marmora ou permettrait d'en sortir.

    Le jour de l'événement, l'ordre de passage des trains à Trenton Junction a été le suivant :

    • un train de marchandises circulant vers l'est sur la voie principale sud;
    • un train circulant vers l'ouest sur la voie principale sud vers l'embranchement Marmora (locomotive de manœuvre);
    • le VIA 52 (roulant vers l'est sur la voie principale sud).

    Pour que le premier train roulant vers l'est puisse traverser Trenton Junction, les signaux 2352S et 2328S ont affiché une indication de vitesse normale.

    Comme le système permettait au CCF de donner à la locomotive de manœuvre un signal permissif (2327S) lui permettant d'entrer dans l'embranchement Marmora, le circuit est conçu de telle façon que le signal 2328S doive afficher une indication d'arrêt absolu et le relais 2328SAGP doive être en position de désexcitation. Quand le signal 2328S affiche une indication d'arrêt absolu, les relais 2328S-1RP et 2328S-S1AS sont en position d'excitation. Étant donné que le relais 2328S-S1AS est excité au moyen d'un contact de travail du relais 2328S-1RP, si le répétiteur du feu rouge était désexcité, le relais 2328S-S1AS serait aussi désexcité, si bien que le canton contrôlé serait verrouillé et qu'il serait impossible de modifier la position de l'aiguillage.

    Après que la locomotive de manœuvre a dépassé Trenton Junction, le CCF a changé la position de l'aiguillage à plusieurs reprises, ce qui indique que les relais 1L et 1LS (relais de commande d'aiguillage) étaient excités et que le relais 2328S-S1AS était aussi excité. Le fait qu'on ait pu changer la position de l'aiguillage signifie que le canton contrôlé n'était pas verrouillé, ce qui indique encore une fois que le relais 2328SAGP n'était pas excité.

    Le relais 2328SAGP était désexcité et n'a pas pu être excité puisque le CCF n'a pas envoyé d'ordre au signal 2328S après le passage de la locomotive de manœuvre en direction ouest.

    Pour déterminer l'intégrité du système de CCC à Trenton Junction au moment de l'incident, le BST a examiné les deux relais à désexcitation lente (2328SAGP et 2328S-1RP) qui contrôlent les composantes critiques, au point de vue de la sécurité, du signal d'approche (2352S) afin de déterminer si leur délai de désexcitation avait été tel que prescrit lors de l'événement (Rapport numéro LP 037/99 du Laboratoire technique du BST). Le Laboratoire technique du BST a examiné 18 autres relais afin d'évaluer l'étendue des problèmes potentiels. Les résultats de cet examen figurent à l'addenda.

    1.13 Surveillance réglementaire

    La mission officielle de Transports Canada consiste à « [...] établir et administrer des politiques, règlements et services pour assurer le meilleur réseau de transport qui soit ». Transports Canada est responsable de la mise en pratique et de l'exécution de la Loi sur la sécurité ferroviaire (LSF), dont les principes de base intrinsèques définissent ainsi le rôle de la réglementation et de la gestion des chemins de fer :

    • la direction des compagnies de chemin de fer doit être responsable de la sécurité de leurs activités;
    • l'organisme de réglementation doit avoir la capacité de pourvoir à la sécurité du public et du personnel dans le cadre de l'exploitation des chemins de fer.

    Pour réaliser son mandat, Transports Canada établit des règlements, approuve les règles élaborées par les compagnies de chemin de fer et procède à des inspections, à des contrôles et à des vérifications pour s'assurer de la conformité aux pratiques et procédures établies en matière de sécurité.

    Les trois directions fonctionnelles (Exploitation ferroviaire et matériel roulant, Ingénierie de la sécurité ferroviaire et Vérification et assurance de la qualité) de la Direction générale de la sécurité ferroviaire de Transports Canada réalisent leur mandat au moyen de programmes de surveillance dans le cadre desquels les inspecteurs régionaux de la sécurité exercent une surveillance sur la propriété des chemins de fer. La Direction générale de la sécurité ferroviaire de Transports Canada (administration centrale) est chargée de l'élaboration des programmes de surveillance, tandis que la Direction régionale de surface de Transports Canada (régions) est responsable de leur réalisation. L'administration centrale est l'autorité fonctionnelle responsable de la réalisation des programmes, mais elle n'a pas d'autorité hiérarchique dans ce domaine.

    1.13.1 Surveillance de l'exploitation des trains

    Le respect des règles d'exploitation, notamment de la règle obligeant à communiquer de manière claire et audible le nom des signaux (règle 34(b) du REF), relève du programme de surveillance de l'exploitation des trains de Transports Canada. Ce programme fournit des directives aux inspecteurs de la sécurité ferroviaire pour les aider à s'acquitter du mandat qui leur incombe aux termes de la LSF. Ce dernier programme, de même que le programme de surveillance des centres de contrôle de la circulation ferroviaire, permettent à Transports Canada d'évaluer la sécurité des opérations ferroviaires au Canada et de prendre des mesures réglementaires visant l'application de la LSF.

    Dans le cadre du programme de surveillance de l'exploitation des trains, lorsqu'ils se trouvent à bord d'une locomotive, les inspecteurs de la sécurité sont tenus de noter toutes les infractions aux règles approuvées. Transports Canada a fourni les résultats du programme de surveillance de l'exploitation des trains qui avaient trait aux manquements à la règle 34(b) du REF (voir l'annexe E). Au cours de 1998, les inspecteurs de la sécurité de Transports Canada ont surveillé 245 trains en territoire régi par CCC et ont relevé neuf infractions à la règle 34(b) du REF à bord de quatre trains (deux trains de marchandises et deux trains de voyageurs). En 1999, Transports Canada a inspecté 260 trains qui roulaient uniquement en territoire régi par CCC et a noté huit infractions à la règle 34(b) du REF à bord de trois trains (deux trains de marchandises et un train de voyageurs). Aussi, jusqu'à la fin de septembre 2000, Transports Canada a surveillé 203 trains roulant uniquement en territoire régi par CCC et a signalé quatre infractions à la règle 34(b) du REF, toutes les quatre commises à bord de trains de marchandises. Un taux d'infractions a été déterminé (nombre de trains surveillés à bord desquels une infraction à la règle 34(b) du REF a été relevée pour 100 trains inspectés en territoire régi par CCC).

    Année Nombre de trains (CCC seulement) Infractions consignées (règle 34 (b) du REF) Taux apparent d'infractions
    1998 245 9 3,67
    1999 260 8 3,08
    2000 (jusqu'au 30 septembre) 203 4 1,97

    Même si le taux apparent d'infractions est encourageant, l'information recueillie au cours de l'enquête indique que les équipes des trains ne communiquent pas toujours tous les signaux conformément à cette règle. Pour toutes sortes de raisons, les membres des équipes ont des façons variées de communiquer les signaux et décident des signaux qu'ils se communiquent entre eux de façon audible.

    1.13.2 Programme de suivi de la signalisation

    L'évaluation des niveaux de sécurité associés aux systèmes de signalisation qu'utilisent les compagnies de chemin de fer au Canada relevait du « programme de la signalisation ferroviaire » de Transports Canada. Ce programme exigeait qu'au moins 5 p. 100 du trafic ferroviaire et des systèmes de signalisation aux passages à niveau fassent l'objet d'inspections annuelles. Le niveau de réalisation du programme a été laissé à la discrétion de chaque région, laquelle devait déterminer si elle allait inspecter 5 p. 100 de ces systèmes. Le programme ne faisait pas l'objet d'exigences écrites et n'imposait pas de méthodes d'inspection. L'inspection consistait normalement à observer les différents éléments des systèmes et à déterminer si le personnel de la compagnie du chemin de fer se conformait aux programmes d'entretien de la compagnie de chemin de fer. La collecte des données du programme n'était pas centralisée à l'administration centrale et chaque région devait recueillir et analyser les données et en tirer ses propres tendances régionales. Le programme ne comportait pas de spécifications ou de lignes directrices à l'intention des inspecteurs de la sécurité visant la surveillance, l'inspection ou la vérification au niveau des diagrammes de la conception des circuits de voie, du bon fonctionnement des relais, du respect des avis de sécurité des fabricants ou d'autres aspects du bon fonctionnement des systèmes de signalisation. La Direction de l'ingénierie de la sécurité de Transports Canada n'était pas au courant des avis de sécurité émis par la GRS ou par d'autres fabricants de relais.

    Transports Canada avait rendu obligatoire la conformité aux pratiques recommandées de l'AAR, que ce soit au moyen de règlements ou de l'approbation de règles et de normes en vertu de l'article 19 de la LSF. Transports Canada a inclus à son Règlement sur la protection des devis d'installation et d'essai aux passages à niveau une disposition disant que : « les signaux, les barrières, les mécanismes de manœuvre et les circuits de commande seront conformes à l'usage recommandé de l'AAR ». Il a aussi approuvé les Normes relatives aux systèmes ferroviaires de signalisation et de contrôle de la circulation aux termes de l'alinéa 19(4)(a) de la LSF. Cette norme comprend une disposition qui se lit comme suit : « Une compagnie ferroviaire qui désire s'écarter d'une méthode recommandée par l'AAR doit déposer auprès de Transports Canada une méthode de rechange qui offre un niveau de sécurité équivalent ».

    2.0 Analyse

    2.1 Introduction

    L'incident est une conséquence de l'exploitation du train numéro 52 (VIA 52) de VIA Rail Canada Inc. (VIA) d'une façon qui ne correspondait pas à la conception et aux besoins de fonctionnement du système de commande centralisée de la circulation (CCC). En raison de la nature du terrain et de l'espacement des signaux, une indication de vitesse normale à arrêt au signal d'approche (2352S), commandée par le signal d'entrée (2328S) qui indique un arrêt absolu, obligerait l'équipe à réduire la vitesse du train et à se montrer vigilante pour être en mesure de reconnaître l'indication du signal d'entrée dans les meilleurs délais. L'analyse portera sur les événements et les circonstances qui ont entraîné ce manquement à l'exploitation sécuritaire du train.

    2.2 Signaux et réaction de l'équipe

    Le fait que l'équipe a affirmé après l'incident que le signal d'approche (2352S) affichait une indication de vitesse normale a incité les enquêteurs à s'intéresser à la conception du système de CCC à Trenton Junction, au fonctionnement mécanique des relais en cause et au mécanisme des signaux à oculaire mobile. L'analyse du système de CCC, qui figure à l'addenda du présent rapport, révèle que le relais 2328SAGP était désexcité et que le relais 2328S-1RP était excité puisqu'il était possible de modifier la position de l'aiguillage. Étant donné la position de ces deux relais et la conclusion des essais en laboratoire, voulant que le mécanisme à oculaire mobile n'était pas défectueux, les renseignements de nature matérielle tendent fortement à indiquer que le signal 2352S affichait une indication de vitesse normale à arrêt, contrairement à ce que les membres de l'équipe ont cru et ont affirmé, à savoir que le signal affichait une indication de vitesse normale.

    Même si le signal 2328S était visible à une distance de quelque 4 900 pieds, le mécanicien n'a actionné les freins qu'une fois le train arrivé à environ 2 500 pieds du signal, soit à peu près 16 secondes (et 2 400 pieds) après que le signal aurait été visible. Étant donné que le train s'est immobilisé à environ 4 900 pieds plus loin que le signal, il lui a fallu une distance totale de quelque 7 400 pieds pour s'arrêter. Le délai entre le moment où le signal était visible et celui où les freins du train ont été actionnés démontre que l'équipe ne portait pas toute son attention sur les signaux. En raison du fait qu'on n'a pas tenu compte du signal d'approche, la vitesse du train a été maintenue à 100 mi/h; voyageant à une telle vitesse, l'équipe n'aurait pas pu immobiliser le train même si elle avait observé le signal 2328S dès qu'il était visible et si elle avait réagi immédiatement aux indications de ce signal.

    2.3 Exploitation du VIA 52

    En plus de leurs tâches, les deux mécaniciens enseignaient à un mécanicien stagiaire les différents aspects de la conduite d'un train de VIA. Comme cette formation en cours d'emploi se déroule dans un environnement de travail, les intéressés discutent beaucoup à l'intérieur de la locomotive. Les mécaniciens expérimentés essaient de partager leurs connaissances et leur expérience, et le stagiaire leur pose des questions sur les différents aspects de la conduite d'un train de voyageurs à grande vitesse. Au cours de ces conversations, les mécaniciens sont amenés à porter moins d'attention à leur tâche principale, à savoir la conduite du train, pour s'acquitter de cette tâche additionnelle. Dans le cas à l'étude, cela a pu les amener à ne pas vérifier l'indication du signal 2352S. Pour réduire les risques liés à des erreurs humaines de ce genre, on pourrait faire en sorte qu'un des membres réguliers de l'équipe s'occupe des fonctions normales pendant que l'autre discute avec un stagiaire.

    2.4 Recherche

    2.4.1 Erreur humaine

    Les trois membres de l'équipe ont dit avoir vu que la partie supérieure du signal 2352S affichait une indication verte, et que la partie inférieure était rouge (indication de vitesse normale). Compte tenu des renseignements d'ordre matériel indiquant que le signal 2352S affichait une indication de vitesse normale à arrêt, les enquêteurs se sont penchés sur les facteurs humains associés au fait que l'équipe a cru voir une indication de vitesse normale.

    Les nombreuses occasions où des équipes ont dépassé ou ont raté des signaux ferroviaires essentiels par le passé ont amené des chercheurs à se pencher sur ce problème au cours des années 1950 et 1960. BuckFootnote 6 a étudié les erreurs des opérateurs du réseau britannique de chemins de fer en 1963 et a noté six sources d'erreur de perception, dont quatre concernaient le fait que l'opérateur n'avait pas vu le signal, et deux avaient trait à des facteurs de perception et à des facteurs sensoriels.

    Les quatre motifs présentés par l'opérateur qui n'avait pas vu le signal sont les suivants :

    • il ignorait où se trouvait le signal ou ignorait la position du train par rapport au signal;
    • il a accepté un signal autre que le signal correct;
    • il faisait autre chose pendant que le signal était visible;
    • il a accepté une autre source d'information (p. ex. confirmation verbale donnée par un collègue) et n'a pas vu le signal lui-même.

    Les erreurs de perception et les erreurs sensorielles avaient trait aux facteurs suivants :

    • affichage inadéquat des indications du signal ou capacités sensorielles inadéquates de l'opérateur;
    • effets illusoires qui ont amené l'opérateur à percevoir l'indication comme étant différente de ce qu'elle était vraiment.

    Dans le présent rapport, chacune des causes possibles indiquées dans le rapport de Buck sera analysée dans le contexte de l'incident de Trenton Junction.

    • Ignorance de l'emplacement du signal ou de la position du train par rapport au signal

      Les deux mécaniciens qualifiés avaient parcouru ce territoire à de nombreuses reprises et connaissaient bien l'emplacement des signaux. Cette cause possible n'est pas pertinente.

    • Acceptation d'un signal autre que le signal correct

      Il y a deux signaux d'approche à Trenton Junction (2352S et 2352N) et ils se trouvent d'un côté ou de l'autre des deux voies principales. Aux abords de ces signaux, la voie est en aligement droit et les signaux sont visibles d'une grande distance. Comme le contrôleur de la circulation ferroviaire (CCF) n'avait pas commandé de faire passer un mouvement en direction est à Trenton Junction sur la voie nord, le signal 2328N affichait une indication d'arrêt absolu et le signal 2352N affichait une indication de vitesse normale à arrêt (la même que le signal 2352S devait montrer). Par conséquent, l'équipe du VIA 52 n'a pas accepté un autre signal que celui du signal 2352S.

    • Faire quelque chose d'autre pendant que le signal est visible

      Malgré les souvenirs que les membres de l'équipe ont relatés, il est possible que les trois membres de l'équipe aient été occupés à d'autres fonctions pendant que le signal 2352S était visible, comme on l'explique à la section 2.3.

    • Acceptation d'une autre source d'information

      Le jour de l'événement, les indications des signaux étaient la seule source d'information dont l'équipe du VIA 52 disposait dans le secteur de Trenton Junction. Il n'y avait pas d'autres mouvements de trains qui auraient pu activer les systèmes de détection en voie ou communiquer avec l'équipe du VIA 52, sans compter que les conversations entre le CCF et les employés d'entretien de la voie, si l'équipe du VIA 52 les avait entendues, auraient alerté les membres de l'équipe au sujet du signal d'arrêt absolu qu'ils allaient bientôt croiser. Par conséquent, l'équipe du VIA 52 n'a pas accepté d'information d'une autre source qui aurait pu influer sur la conduite de son train.

    • Affichage inadéquat des indications des signaux ou capacités sensorielles inadéquates de l'opérateur

      Comme on l'explique à la section 1.12.2.2, le signal 2352S fonctionnait comme il le devait et affichait une indication de vitesse normale à arrêt quand le VIA 52 est passé à sa hauteur. Les trois membres de l'équipe se conformaient aux exigences en matière de vision et de perception des couleurs et auraient identifié l'indication du signal s'ils l'avaient observé.

    • Effets illusoires qui ont amené l'opérateur à percevoir l'indication comme étant différente de ce qu'elle était vraiment

      Dans des conditions normales, un observateur perçoit la couleur verte à travers le disque qui laisse passer les bandes de longueur d'onde moyenne de la lampe et il perçoit la couleur jaune à travers le disque qui laisse passer les bandes de longueur d'onde moyenne et longue de la lampe. Le jour de l'événement, la neige recouvrait en partie les lentilles. Toutefois, les propriétés de la neige ne pourraient pas amener quelqu'un à percevoir un signal vert alors qu'il est jaune, et il est fort improbable que la neige ait été contaminée au point de créer cet effet. Aucune autre condition environnementale susceptible d'influencer la perception des couleurs, comme la lumière du soleil, le brouillard ou la brume sèche, n'était présente au moment de l'événement.

    2.4.2 Science du comportement

    Au cours des décennies qui ont suivi l'étude de Buck, des chercheurs ont décelé d'autres facteurs susceptibles d'amener les personnes à identifier erronément les indications des signaux. Il s'agit notamment de la conscience de la situation, de l'incidence des connaissances préalables et des attentes quant à la mémoire, de l'incidence de l'attention et de la mémoire dans la performance faisant appel aux compétences, et de l'incidence des attentes dans l'exécution d'une tâche.

    Prise de conscience de la situation

    Le concept de prise de conscience de la situation sert à décrire la façon selon laquelle les équipes des trains prennent connaissance des conditions et des contingences de l'exploitation. Essentiellement, il signifie que les personnes ont tendance à utiliser tous les indices dont elles disposent, peu importe que ces indices soient censés ou non être utilisés à cette fin, pour se faire une meilleure idée de la situation présente ou de la situation à venir.

    Dans des conditions d'exploitation générales, la prise de conscience de la situation se fait à trois niveaux différents Footnote 7:

    1. initialement, une personne perçoit des éléments de la situation à partir de l'information affichée, des communications ou d'autres moyens de référence;
    2. la personne intègre ensuite cette information pour avoir une compréhension globale de la situation grâce à l'application de l'expérience passée et à la connaissance du fonctionnement du système, ce qu'on appelle souvent le modèle mental;
    3. enfin, la personne projette l'information acquise dans l'avenir afin d'établir et de modifier les plans, selon que les tâches sont exécutées ou que leur déroulement est retardé en raison d'événements nouveaux.

    Les indices ou l'information relatifs à la situation peuvent varier; c'est-à-dire qu'ils peuvent être plus ou moins clairs ou ambigus. Plus les indices sont clairs, moins l'effort mental nécessaire pour les interpréter est grand et plus le diagnostic de la situation devrait être exact. Une fois qu'on a adopté un modèle mental ou une certaine façon d'aborder un problème, il est très difficile d'en changer. Pour modifier son mode de pensée, il faut remplacer le modèle mental existant par un autre. Pour que la personne mette à jour son modèle mental, il faut que les nouvelles données soient suffisamment convaincantes.

    La prise de conscience de la situation de l'équipe de train peut parvenir d'une variété de sources d'information, dont l'indication des signaux, le point de vue qu'elle a sur la voie à partir de la cabine de la locomotive, les repères terrestres ou les conditions environnementales, les transmissions radio, l'information provenant du CCF, les bruits ambiants, notamment le bruit des autres trains et du trafic voisin, et l'information écrite comme les indicateurs, les bulletins de marche ou les autorisations de circuler.

    Pendant que l'équipe roulait entre Toronto et Trenton Junction, les deux mécaniciens discutaient et s'acquittaient avec le stagiaire d'un certain nombre de tâches courantes relatives à la conduite du train, notamment identifier les repères terrestres et les points de contrôle importants, nommer les signaux et élaborer des stratégies quant à la façon d'approcher les plates-formes d'embarquement et de débarquement des gares.

    Alors que le train est arrivé à la hauteur du signal 2352S et qu'aucun des membres de l'équipe n'a remarqué que le signal affichait autre chose qu'une indication de vitesse normale, leur modèle mental les amenait à croire fermement que le signal 2352S affichait une indication de vitesse normale.

    Incidence des connaissances préalables et des attentes quant à la mémoire

    Les chercheurs ont élucidé un certain nombre de processus mnémoniques relatifs au codage, à la mémorisation et à la recherche de l'information. Il est admis que le processus de remémoration ne consiste pas à simplement reconstituer un événement en retrouvant les souvenirs originaux liés à l'expérience. En fait, la mémoire est aussi constructive, en ce sens que l'expérience passée et les connaissances acquises d'une personne ont une incidence sur la façon dont elle se rappelle les choses et aussi sur les événements qu'elle se rappelleFootnote 8. La mémoire constructive est une arme à deux tranchants, car elle peut parfois donner lieu à des interférences ou à des distorsions des événements, alors qu'à d'autres occasions, elle peut renforcer la mémoire. Quand des personnes sont appelées à se souvenir de renseignements plutôt difficiles à comprendre, on constate que le souvenir qu'elles ont de cette information est modifié d'une façon qui rend l'information plus compréhensible pour elles-mêmes. Ces effets se sont avérés dans différentes conditions, et illustrent très bien comment on peut en arriver à se souvenir de choses qui diffèrent de ce qui s'est réellement passé. Le concept de mémoire constructive a suscité des préoccupations considérables dans le domaine des témoignages en cour, étant donné que ces témoignages sont souvent le fondement des condamnations rendues par un tribunal. Il importe de signaler que, dans ces circonstances, les personnes estiment avoir un souvenir exact et véridique des événements.

    Comme les membres de l'équipe sont restés assis seuls dans la cabine de la locomotive pendant une période prolongée après l'incident qui constituait une situation stressante, période au cours de laquelle ils n'ont pas eu de communications avec l'extérieur au sujet de ce qui se passait, il se peut que leurs souvenirs du signal d'approche aient été influencés collectivement par le processus de mémoire constructive, et que leurs attentes, leurs connaissances préalables et la diligence dont ils ont fait preuve tout au long du parcours pour nommer les signaux, les auraient amenés à croire vraiment qu'ils avaient vu et nommé un signal d'approche qui indiquait de vitesse normale.

    Incidence de l'attention et de la mémoire dans la performance faisant appel aux compétences

    Bien des aspects de la conduite d'un train ont un caractère routinier, les membres de l'équipe ayant posé les mêmes gestes des milliers de fois et ayant parcouru les mêmes tronçons de voie à des centaines de reprises dans un environnement qui leur est familierFootnote 9. Quand une tâche est devenue très routinière, l'énergie attentionnelle qu'il faut déployer pour l'exécuter est souvent moins grande que celle qui est exigée par l'exécution d'une tâche moins familière dans un territoire moins familier. Cependant, il faut quand même procéder à des contrôles de vigilance en cours de route pour s'assurer que tout se déroule conformément au plan, et pour s'assurer aussi que le plan choisi pour obtenir les résultats est adéquat.

    Habituellement, les erreurs humaines associées à ce type de performance, appelée performance faisant appel aux compétences, sont involontaires et sont caractérisées par un défaut d'attention ou de mémoire. De telles erreurs se produisent quand le contrôle de vigilance est interrompu par un événement externe. Même si la suite d'actions originale se poursuit, une partie de cette suite peut avoir été omise en raison de l'interruption. Une variation de ce type d'erreur se manifeste quand le comportement voulu est remplacé par un autre comportement similaire dont le sujet a l'habitude, parce que la séquence d'actions est relativement automatisée et, par conséquent, ne fait pas l'objet d'une attention continue (inattention).

    Les employés discutaient beaucoup dans la cabine de la locomotive, aux fins de la formation. On a considéré la possibilité que l'équipe ait bel et bien vu le signal 2352S indiquant une vitesse normale à arrêt, mais que l'interruption causée par la discussion ait amené l'équipe à oublier que le signal indiquait une vitesse normale à arrêt, mais on a rejeté cette hypothèse parce qu'il n'y a eu aucune indication, à quelque moment que ce soit, pour porter à croire que l'équipe se préparait en fonction d'une indication autre que de vitesse normale donnée par le signal 2328S (aucune opération de contrôle du train n'a été exécutée). Par conséquent, il est plus plausible que les conversations à bord du VIA 52 portant sur les aspects de la formation aient obligé les deux mécaniciens à détourner vers ces discussions une partie de l'attention qu'ils portent normalement aux indications des signaux et les aient amenés à omettre le contrôle de vigilance consistant à vérifier l'indication affichée par le signal 2352S.

    Même si les membres de l'équipe du VIA 52 n'ont pas relevé un défaut d'identifier le signal 2352S, cela peut s'expliquer par le fait que l'identification des signaux est un processus hautement automatisé.

    Le fait qu'il y ait plus d'un opérateur dans la cabine réduit le risque de rater certains renseignements essentiels, mais il reste que les limitations de l'attention humaineFootnote 10 représentent un des principaux facteurs contribuant aux accidents industriels et aux accidents de transportFootnote 11. De plus, les pratiques de sécurité qui exigent que chaque membre de l'équipe nomme chaque signal de façon claire et audible dès que le signal est observé constituent un moyen administratif d'éviter que les membres de l'équipe ratent l'indication d'un signal, et sont un moyen de confirmer l'indication. On croit que le respect de cette pratique augmente la probabilité que le contrôle de vigilance requis sera effectué.

    Incidence des attentes sur la performance

    L'expérience passée des membres d'une équipe dans un territoire donné a une forte incidence sur le modèle mental que ces personnes auront dans une situation donnée. Dans son rapport de 1963, BuckFootnote 12 résume un grand nombre d'accidents du réseau ferroviaire britannique, lors desquels le conducteur a dépassé des signaux de prudence et de danger sans réagir. Dans un des exemples, le conducteur d'un train de messageries avait reçu de son chauffeur des renseignements inexacts à propos du signal, mais il ne s'était pas senti tenu de confirmer ces renseignements en jetant un coup d'œil lui-même, parce que son train rapide n'avait jamais été arrêté à cet endroit par le passé. De même, le conducteur d'un autre train de messageries a dépassé sans réagir un signal avancé de prudence, un signal de prudence et un signal de danger, et est entré en collision avec le train qui précédait le sien. Le conducteur a déclaré qu'ayant vu une indication de vitesse normale au signal précédent, il avait supposé à tort qu'il ne serait pas arrêté aux signaux suivants parce qu'il n'avait jamais été arrêté à cet endroit par le passé. Ces premières constatations sont étayées par une étude menée en 1997 par Edkins et PollockFootnote 13, sur le réseau ferroviaire public d'Australie. Les auteurs ont constaté que l'une des erreurs les plus courantes relevées dans ce pays était le non-respect d'un signal d'arrêt absolu (rouge) parce qu'on s'attendait à ce que le signal en question soit vert.

    Dans le cas de Trenton Junction, les trains de VIA rencontrent rarement un signal d'arrêt absolu parce que la circulation est très peu dense sur l'embranchement Marmora. Tous les gestes posés par les membres de l'équipe portent à croire qu'ils conduisaient le train avec la présomption que le signal 2352S (le signal d'approche) affichait une indication de vitesse normale. Les membres de l'équipe ne disposaient d'aucune autre information susceptible de les amener à modifier leur modèle mental relatif à la situation. Par conséquent, les membres de l'équipe ont pu supposer qu'il n'y avait rien d'inhabituel à Trenton Junction, et se sont donc attendus à ce que les signaux 2352S et 2328S affichent des indications de vitesse normale.

    Systèmes de signalisation et erreur humaine

    Le caractère universel de ces erreurs humaines, quelles que soient l'époque ou la culture, suggère clairement que ces erreurs sont prévisibles au point de vue statistique et, en quelque sorte, qu'elles sont inévitables, et que les efforts d'amélioration de la sécurité seraient mieux servis si l'on s'efforçait de réduire les conséquences des erreurs, plutôt que de se concentrer exclusivement sur l'élimination des erreurs de ce type. Les méthodes possibles qui sont précisées dans un rapport de 1992 sur la sécurité des chemins de fer britanniques portent sur des principes relatifs aux systèmes de signalisation (conception de la disposition et du positionnement des signaux) et sur le recours à un moyen de protection secondaireFootnote 14.

    2.5 Système de signalisation par CCC

    Grâce à la CCC, les équipes disposent de renseignements à jour qui visent à assurer la sécurité de leur train grâce aux signaux. Le tableau de commande du CCF peut alerter le CCF quand un train arrive à la hauteur d'un signal de CCC qui n'affiche pas une indication permissive. Toutefois, il n'existe actuellement aucun système pour alerter le CCF lorsqu'un train dépasse une indication permissive qui ne concorde pas avec les indications exigées par le système de signalisation, ou pour rappeler aux équipes l'indication du dernier signal reçu. Il n'existe pas de système pour alerter les équipes des trains lorsque les gestes qu'elles posent ne concordent pas avec la dernière indication reçue ou avec la prochaine indication.

    En l'absence d'un système capable de rappeler aux équipes la dernière indication reçue ou de les alerter lorsqu'elles prennent des mesures incompatibles avec les indications des signaux, la sécurité ferroviaire en CCC est tributaire de la performance humaine.

    2.6 Signaux à Trenton Junction

    Même s'il n'y a pas eu de mauvais fonctionnement des relais lors de cet incident, l'enquête a révélé que le CN n'a pas amélioré ses circuits à Trenton Junction pour y inclure des circuits de contrôle destinés à éviter que le système continue de fonctionner « normalement » quand un relais ne se déclenche pas. En l'absence de principes de conception des systèmes de signalisation, comme les circuits de contrôle des mécanismes, le système ne vérifie pas si le relais du signal d'approche à enclenchement (2328S-S1AS) est désexcité avant d'afficher une indication permissive au signal 2328S ou au signal 2327S. L'affichage d'une indication permissive au signal 2328S dépend essentiellement d'une commande envoyée à un relais non vital (SEGZ). Dans ces conditions, si le relais 2328S-1RP ne se déclenchait pas, le CCF pourrait donner à un train à Trenton Junction la permission d'entrer dans l'embranchement Marmora ou d'en sortir alors qu'un autre train arriverait à la hauteur du signal 2352S, et que ce dernier signal afficherait une indication de vitesse normale. Ce scénario, bien qu'il soit jugé fort improbable, créerait un risque réel de collision entre deux trains, s'il se réalisait.

    L'examen de la conception des circuits de Trenton Junction a débouché sur les conclusions suivantes :

    • Si le relais 2328SAGP ne se désexcite pas quand il le doit, le signal 2352S affiche une indication de vitesse normale et le signal 2328S affiche une indication d'arrêt absolu.
    • Si le relais 2328S-1RP ne se désexcite pas quand il le doit (d'après le scénario 1 exposé à la section 1.12.2.2), le signal 2352S affiche une indication de vitesse normale et le signal 2328S affiche aussi une indication de vitesse normale, mais l'aiguillage ne se verrouille pas de façon sûre et l'enclenchement à verrouillage différé n'est pas en fonction.
    • Si les relais 2328S-1RP et 2328SAGP ne se déclenchent pas en même temps (d'après le scénario 2 exposé à la section 1.12.2.2), le signal 2352S affiche une indication de vitesse normale, le signal 2328S affiche une indication d'arrêt absolu, le canton contrôlé n'est pas verrouillé et le verrouillage du circuit d'approche n'est pas en fonction. Cela ne se produirait que si le CCF envoyait une commande au signal 2328S et annulait cette commande par la suite.

    Les circuits de Trenton Junction sont les seuls à avoir été analysés. Il y a cependant lieu de croire que d'autres systèmes de signalisation au Canada ont une conception similaire et n'ont jamais été mis à jour. Les nouveaux principes de conception de systèmes de signalisation, comme les circuits de contrôle des mécanismes, qui aideraient à déterminer quels relais sont défectueux et mettraient en œuvre des séquences de signalisation susceptibles d'atténuer les conséquences, ne sont pas mis en place de façon rétroactive au Canada, sauf s'il y a un problème spécifique ou si les risques sont jugés trop élevés. Les systèmes de signalisation ne sont donc pas mis automatiquement au niveau de sécurité requis par les principes de conception récemment recommandés.

    Même si l'on a perdu bien des renseignements précieux par suite du nombre de fois où les relais de Trenton Junction ont fonctionné après l'incident, la comparaison avec des relais connus pour être resté dans la position d'excitation plus longtemps que la durée spécifiée a révélé des détails.topographiques communs. Les deux relais à désexcitation lente de type B-1 qui étaient dans la guérite de Trenton Junction au moment de l'incident ne se sont pas déclenchés, mais l'étendue de tout délai associé au temps de relâchement n'a pu être déterminé.

    2.7 Surveillance réglementaire

    Les inspecteurs de Transports Canada sont chargés de réaliser l'objectif poursuivi par la Loi sur la sécurité ferroviaire, à savoir une Loi visant à assurer la sécurité de l'exploitation des chemins de fer et modifiant certaines lois en conséquence.

    Pour atteindre cet objectif, Transports Canada évalue la conformité avec les règlements, les règles et les normes et détermine les risques pour la sécurité. La Direction générale de la sécurité ferroviaire administre plusieurs programmes de réglementation (surveillance, vérifications ou inspections) que les inspecteurs régionaux doivent mettre en œuvre.

    2.7.1 Exploitation

    Quand Transports Canada évalue les pratiques d'exploitation, la méthode employée le plus souvent consiste à observer de près des employés de la compagnie pendant que ces derniers s'acquittent de leurs fonctions, et à exercer une surveillance afin de relever des pratiques dangereuses, le cas échéant. La plupart du temps, les employés qui se savent observés essaient de se conformer à toutes les règles et exigences sur lesquelles le contrôle porte. Ce comportement se reflète dans les données que Transports Canada recueille au sujet du respect de la règle 34 du REF (communication des indications des signaux); ces données révèlent un taux de non-conformité très faible, tandis que les renseignements recueillis au cours de l'enquête indiquent qu'il arrive souvent que les équipes des trains ne communiquent pas toutes les indications des signaux. Par conséquent, un programme de surveillance périodique dans le cadre duquel les employés savent qu'ils sont surveillés ne permet pas d'évaluer efficacement le niveau réel de respect des pratiques sûres.

    2.7.2 Signaux

    Une des lignes directrices du programme de Transports Canada concernant la signalisation ferroviaire propose qu'on inspecte chaque année au moins 5 p. 100 des signaux ferroviaires et des signaux de passage à niveau. Il ne s'agit pas d'un programme documenté comportant des instructions sur les éléments à inspecter ou sur la méthode d'inspection à employer. Les inspecteurs de Transports Canada ne sont pas tenus d'inspecter les dispositifs de sécurité dont sont munis les mécanismes de signalisation des passages à niveau et les systèmes de signalisation, pour déterminer s'ils fonctionnent bien ou s'ils sont sûrs. Ils ne contrôlent pas les plans des circuits pour voir s'ils sont à sécurité intégrée, et ils ne tiennent pas compte des avis de .sécurité des fabricants ni de la conformité à ces avis. Toutefois, ils tiennent compte des essais de système effectués par les employés des chemins de fer et passent en revue les inspections ferroviaires et les dossiers des résultats de tests.

    3.0 Faits établis

    3.1 Faits établis quant aux causes et facteurs contributifs

    1. Le signal 2352S affichait une indication de vitesse normale à arrêt que l'équipe du train no 52 (VIA 52) de VIA Rail Canada Inc. (VIA) n'a pas reconnue et à laquelle elle n'a pas réagi.
    2. Comme le train roulait presque à la vitesse maximale autorisée (100 mi/h), l'équipe n'a pas pu immobiliser le train avant que celui-ci ait dépassé le signal 2328S, lequel affichait une indication d'arrêt absolu.
    3. Les membres de l'équipe n'ont pas réagi rapidement à l'indication d'arrêt absolu affichée par le signal 2328S; toutefois, ils n'auraient pas pu immobiliser le train même s'ils avaient observé le signal dès qu'il était devenu visible et s'ils avaient réagi immédiatement aux indications de ce signal.
    4. Quand le train est arrivé à la hauteur du signal 2352S, aucun des membres de l'équipe n'a remarqué que le signal n'était pas un signal de vitesse normale; leur modèle mental les amenait à croire fermement que le signal 2352S affichait une indication de vitesse normale.
    5. Aucun des membres de l'équipe ne s'est aperçu qu'il n'avait pas identifié l'indication du signal 2352S, et auparavant l'indication du signal 2328S, parce que l'identification des signaux est un processus hautement automatisé.

    3.2 Faits établis quant aux risques

    1. À bord du VIA 52, les conversations portant sur la formation ont pu amener les deux membres en poste de l'équipe à porter simultanément moins d'attention à leur tâche qu'ils n'en portent normalement, ce qui a accru le risque d'omettre de vérifier l'indication du signal 2352S.
    2. Les deux relais à désexcitation lente de type B-1 qui étaient dans la guérite de Trenton Junction au moment de l'incident ne se sont probablement pas relâchés, mais l'étendue de tout délai associé au temps de relâchement n'a pu être déterminé.
    3. Un programme de surveillance périodique dans le cadre duquel les employés savent qu'ils sont surveillés ne permet pas d'évaluer efficacement le niveau réel de respect des pratiques sûres.
    4. Les systèmes de signalisation n'ont pas été actualisés pour offrir le niveau de sécurité recommandé en vertu des principes de conception les plus récents. Les nouveaux principes de conception des systèmes de signalisation, comme les circuits de contrôle des mécanismes, qui aideraient à trouver les relais défectueux et mettraient en œuvre des séquences de signalisation susceptibles d'atténuer les conséquences, ne sont pas mis en application de façon rétroactive au Canada, sauf s'il y a un problème spécifique ou si les risques sont jugés trop élevés.

    3.3 Autres faits établis

    1. Les facteurs environnementaux et physiques n'ont pas eu d'incidence sur l'affichage des signaux. L'indication voulue a été transmise à l'équipe du train.

    4.0 Mesures de sécurité

    4.1 Mesures prises

    Dans le cadre d'un projet pilote, le CN prévoit tester des systèmes de commande de signaux utilisant des processeurs au lieu de relais dans les subdivisions Bala et Saint-Hyacinthe. Cette technologie utilise des signaux DEL tricolores qui améliorent la visibilité.

    4.2 Mesures requises

    Dans le rapport sur un accident ferroviaire no RAR01/01 qu'il a publié récemment, au sujet d'une collision impliquant trois trains de marchandises de la Consolidated Rail Corporation qui roulaient dans le brouillard sur une voie principale double près de Bryan (Ohio) le 17 janvier 1999, le National Transportation Safety Board (NTSB) des États-Unis a réitéré une recommandation antérieure (no R97-9) qui s'adressait à la Federal Railroad Administration, et qui se lit comme il suit :

    (Traduction libre)
    Modifier le titre 49 du Code of Federal Regulations, partie 229, de façon à rendre obligatoire l'enregistrement des communications vocales des membres des équipes des trains aux fins exclusives des enquêtes sur les accidents, et imposer les limitations appropriées quant à la publication de ces enregistrements.

    Lors de l'enquête menée sur cet accident, le NTSB a examiné les limitations des systèmes d'enregistrement de la voix qui sont en usage dans l'industrie du transport ferroviaire, notamment l'enregistrement sur bande des communications vocales des contrôleurs de la circulation ferroviaire, et une comparaison directe a été faite avec le secteur de l'aviation, où l'emploi d'enregistreurs de conversations de poste de pilotage (CVR) a fait progresser la sécurité des transports.

    À l'échelle internationale, on reconnaît que le recours aux CVR aux fins exclusives des enquêtes sur les accidents a largement contribué à l'amélioration de la sécurité du transport aérien. Le CVR enregistre non seulement les conversations et les communications, mais il enregistre aussi les bruits ambiants, dont l'analyse peut s'avérer fort utile quand il s'agit de déterminer les causes des accidents et des incidents et les facteurs qui y ont contribué. Cette capacité n'existe pas actuellement dans le transport ferroviaire.

    De même, dans le secteur maritime, l'Organisation maritime internationale a adopté une résolution (A.861) portant sur les normes internationales de rendement des enregistreurs de données du voyage (VDR), dont la présence est obligatoire à bord de tous les navires de plus de 3 000 tonneaux construits depuis 2002. La norme internationale no 61996 de la CEIFootnote 15 traite de 15 éléments de données qui doivent être consignés, dont les enregistrements audio de la passerelleFootnote 16.

    À cause de l'absence d'enregistrement continu de la voix/des bruits dans la cabine des locomotives, il peut arriver qu'une grande partie de l'information ne soit pas disponible, ce qui oblige les organismes d'enquête à s'en remettre uniquement aux entrevues avec les témoins pour se renseigner sur les conversations à bord des trains. Le fait de devoir s'en remettre uniquement aux souvenirs des témoins est remis en question. Au mieux, les souvenirs peuvent être incomplets en ce qui a trait aux détails, au temps et au déroulement des événements, alors qu'au pire, ils peuvent être complètement erronés. En septembre 1995, Elizabeth F. Loftus a mené pour le département des Transports des États-Unis une étudeFootnote 17 sur le témoignage des témoins, dans laquelle on peut lire :

    (Traduction libre)

    Les enquêteurs sur les accidents ou les enquêteurs de police, les avocats, les spécialistes des sciences sociales et les autres parties intéressées doivent composer avec le même problème : quand une personne a été témoin d'un événement inhabituel, par exemple un accident de la circulation, quelle est la meilleure façon de s'y prendre pour obtenir des informations complètes et exactes au sujet de cet événement? On s'entend généralement pour dire que les témoins de tels événements relatent les faits de façon inexacte, parfois au point de « témoigner » d'un nombre substantiel de « faits » qui ne sont pas du tout des faitsFootnote 18.

    Au Canada, les dispositions relatives à l'enregistrement des conversations de bord que l'on trouve dans la Loi sur le Bureau canadien d'enquête sur les accidents de transport et de la sécurité des transports assurent une grande protection aux enregistrements des conversations/bruits de la cabine, car ces données ne peuvent être utilisées que par le BST aux fins des enquêtes sur les accidents. Le BST préconise depuis 1995 l'installation de dispositifs d'enregistrement de la voix et des données. Il a aussi abordé cette question dans son Rapport annuel au Parlement 2000-2001 et dans la liste des question-clés en matière de sécurité qu'il publie annuellement.

    Depuis 1987, les chemins de fer de compétence fédérale sont tenus d'installer des consignateurs d'événements dans les locomotives qui circulent sur les voies principales. En particulier, l'ordonnance no R-40339 du 19 février 1987 a énoncé les informations que les consignateurs devraient être capables de saisir : heure, vitesse, distance, pression de la conduite générale, position de la commande des gaz, serrage d'urgence des freins, pression du cylindre du frein direct et utilisation du sifflet de la locomotive. La réglementation existante n'a apporté aucun changement à ces exigences. Il n'y a toujours pas de normes de conception ou de rendement dans ce domaine; par conséquent, les consignateurs qu'on utilise actuellement ne saisissent pas tous les renseignements critiques relatifs aux accidents et ils ne sont toujours pas dotés de moyens adéquats de protection contre les impacts qui assureraient la survie des données sur les accidents.

    Le Bureau a traité de la question de la survie des données sur les accidents dans son rapport no R99H0010, au sujet du déraillement et de la collision survenus à Mont-Saint-Hilaire (Qc) le 30 décembre 1999. Dans ce rapport, le BST a recommandé que :

    Transports Canada s'assure que les normes de conception des consignateurs d'événements des locomotives comprennent des dispositions quant à la survie des données.
    Recommandation R02-04 du BST

    Immédiatement après la publication du rapport sur l'accident de Mont-Saint-Hilaire, TC a dit qu'il appuyait la recommandation et a reconnu qu'il fallait accroître la portée des normes de conception et de construction des consignateurs d'événements des locomotives pour y inclure des exigences sur la survie des données.

    En août 1998, le train no 463-11 du Chemin de fer Canadien Pacifique a heurté par l'arrière le train no 839-020 du Chemin de fer Canadien Pacifique au point milliaire 78,0 de la subdivision Shuswap du Chemin de fer Canadien Pacifique, près de Notch Hill (C.-B.). L'équipe a fait une interprétation erronée du signal du point milliaire 76,7, croyant qu'il s'agissait d'une indication « De vitesse normale à arrêt » par conséquent, l'équipe n'a pas réduit la vitesse de son train et n'a pas pu éviter la collision (rapport no R98V0148 du BST).

    Suite à l'accident de Notch Hill, le BST a publié la recommandation ci-après :

    que le ministère des Transports et l'industrie ferroviaire mettent en oeuvre des mesures de sécurité supplémentaires afin de s'assurer que les membres des équipes identifient les signaux et s'y conforment de façon uniforme.
    Recommandation R00-04 du BST

    Dans sa réponse à la recommandation, le Ministère a indiqué en avril 2001 que, de concert avec l'Association des chemins de fer du Canada et les compagnies de chemin de fer, il continuerait d'étudier les nouvelles technologies susceptibles d'offrir des mesures de sécurité supplémentaires qui aideront les équipes à reconnaître les indications de signaux et à s'y conformer. TC a aussi fait savoir qu'il étudiait des technologies comme les systèmes de contrôle de la circulation ferroviaire basés sur les communications, aussi appelés systèmes de commande intégrale des trains. Pour déterminer l'état d'avancement de ces initiatives, le BST est entré en contact avec TC en novembre 2002; bien que des progrès notables aient été réalisés dans le domaine des systèmes de contrôle de la circulation ferroviaire, on n'a pas relevé de découvertes applicables à des mesures de sécurité supplémentaires relatives aux systèmes de signalisation. Par conséquent, aucune mesure corrective n'a été prise pour s'assurer que les équipes se conforment en tout temps aux indications des signaux.

    Le rapport sur l'accident de Notch Hill a mis en évidence l'inefficacité de la méthode de surveillance utilisée par TC et les compagnies de chemin de fer, étant donné qu'il est impossible de s'assurer du respect de la règle 34 à moins de se trouver à l'intérieur de locomotive; on a relevé une lacune en ce qui a trait aux mesures de sécurité supplémentaires pour la communication des signaux. Le rapport d'accident ajoutait qu'on pourrait envisager diverses mesures pour remédier à ces lacunes. Par exemple, on pourrait passer à un dispositif électronique enregistrable qui permettrait de communiquer les signaux au moyen de messages non verbaux et de consigner aussi les mesures prises par l'équipe, ce qui faciliterait les tâches de surveillance de la compagnie ou de l'organisme de réglementation. On pourrait aussi remplacer la règle actuelle par une mesure de sécurité supplémentaire plus pertinente qui pourrait avertir les membres de l'équipe si les mesures qu'ils prennent ne concordent pas avec ce que le signal exige.

    Mis à part les avantages dus au fait que les moyens d'enregistrement des conversations et des données faciliteraient les enquêtes sur les accidents, le Bureau croit que rien n'a été fait pour remédier aux lacunes relatives aux mesures de sécurité supplémentaires pour la communication des signaux, et que ces lacunes représentent toujours une menace pour la sécurité du public. On peut considérer que la présence d'un moyen d'enregistrement continu des sons dans la cabine de la locomotive, combinée aux données consignées par d'autres systèmes de bord et systèmes en voie, pourrait constituer une solution possible aux problèmes relevés lors de cet accident-ci et de celui de Notch Hill. Si les cabines des locomotives de tête avaient été munies de moyens d'enregistrement de la voix, il aurait peut-être été possible de déterminer avec plus d'exactitude l'efficacité des communications des équipes pendant que les trains approchaient des lieux des accidents. Au-delà de l'obligation d'équiper les locomotives du service voyageurs et du service marchandises de consignateurs d'événements capables de survivre aux accidents, il faut établir des normes nationales exhaustives en matière de rendement des consignateurs d'événements, normes qui précisent les spécifications de rendement (exigences quant au fonctionnement et aux données à enregistrer), les caractéristiques techniques (y compris les capacités d'enregistrement audio) et les méthodes d'essai. Par conséquent, le Bureau recommande que :

    le ministère des Transports, en collaboration avec l'industrie ferroviaire, établisse des normes nationales exhaustives en matière des enregistreurs de données de locomotive qui comprennent un dispositif d'enregistrement des conversations de cabine combiné aux systèmes de communication de bord.
    Recommandation R03-02 du BST

    Le présent rapport met un terme à l'enquête du Bureau de la sécurité des transports sur cet accident. La publication de ce rapport a été autorisée par le Bureau le .

    Annexes

    Annexe A— Données pertinentes du consignateur d'événements

    Voici les données importantes qui ont été consignées au sujet du signal et de l'aiguillage 2328S :

    Heure Événement
    7 h 53 min 34 s Aiguillage placé en position renversée
    7 h 53 min 54 s Le signal 2327S affiche une indication de vitesse normale.
    8 h 21 min 29 s La voie de gare est occupée (locomotive de manœuvre en provenance de Belleville) et le signal 2327S revient à l'indication d'arrêt absolu.
    8 h 21 min 43 s Voie de gare libreFootnote 19
    8 h 21 min 54 s Le CCF commande que l'aiguillage soit placé en position normale, l'aiguillage n'est pas en correspondanceFootnote 20.
    8 h 22 min 43 s L'occupation de l'embranchement est autorisée. 8 h 22 min 53 s Le CCF commande que l'aiguillage soit placé en position renversée.
    8 h 22 min 56 s Aiguillage en correspondance en position renversée
    8 h 23 min 00 s Le CCF commande que l'aiguillage soit placé en position normale, l'aiguillage n'est pas en correspondance.
    8 h 23 min 15 s Le CCF commande que l'aiguillage soit placé en position renversée.
    8 h 23 min 18 s Aiguillage en correspondance en position renversée
    8 h 23 min 28 s Le CCF commande que l'aiguillage soit placé en position normale, l'aiguillage n'est pas en correspondance.
    8 h 23 min 52 s Le CCF commande que l'aiguillage soit placé en position renversée.
    8 h 23 min 56 s Aiguillage en correspondance en position renversée
    8 h 24 min 04 s Le CCF commande que l'aiguillage soit placé en position normale, l'aiguillage n'est pas en correspondance.
    8 h 24 min 47 s Le CCF commande que l'aiguillage soit placé en position renversée.
    8 h 24 min 50 s Aiguillage en correspondance en position renversée
    8 h 25 min 03 s Le CCF commande que l'aiguillage soit placé en position normale, l'aiguillage n'est pas en correspondance.
    8 h 25 min 27 s Le CCF commande que l'aiguillage soit placé en position renversée.
    8 h 25 min 30 s Aiguillage en correspondance en position renversée
    8 h 32 min 31 s Passage du train à la hauteur du signal 2352S
    8 h 32 min 37 s Demande de communication avec un responsable de l'entretienFootnote 21
    8 h 32 min 47 s Annulation de la demande de communication
    8 h 34 min 00 s La voie de gare est occupée (train à la hauteur du signal 2328S).
    8 h 34 min 04 s Aiguillage n'est pas en correspondance
    8 h 34 min 07 s La voie de gare est libre.

    Annexe B— Normes pertinentes de l'AAR relatives aux signaux

    Tirées du document Association of American Railroads Signal Manual of Recommended Practices, partie 7.1.4, « Specification for Color Light Signal, Searchlight Type »
    Réitéré en 1983 (révisé en 1989)

    CE DOCUMENT N'EXISTE PAS EN FRANÇAIS

    7. Design

    1. Signals shall be of a design approved by the purchaser.
    2. Signals shall consist of an operating mechanism contained in a suitable housing with appropriate lenses, roundels, lamps, backgrounds and hoods as required.
    3. Signal housing shall be dust and water resistant under service conditions. Provisions shall be made for convenient access to the operating mechanism. Access door shall be equipped with hasp lug for application of lock.
    4. Suitable opening shall be provided in signal housing for wires or cables.
    5. Provisions shall be made to secure the operating mechanism in its correct optical alignment, and to permit easy removal.
    6. Provision shall be made to permit addition of special deflecting prism cover glasses and for addition of phantom indication suppression devices.
    7. Housing for high signal shall be provided with an alignment sighting device.
    8. Operating mechanism shall be enclosed in a dust resistant case of such transparency that the parts within shall be visible for inspection.
    9. Operating mechanisms of the same manufacturer's type shall be interchangeable in the following respects:
      1. Mechanically to fit either a high or a dwarf signal housing.
      2. Optically, to be in focus with the lens of any signal housing, provided the lens is of the same type, size and kind.
    10. When red, yellow and green aspects are used, operating mechanism wiring shall be such that positive energy applied to the terminal marked plus (+) will cause a yellow aspect to be displayed. Negative energy applied to the plus (+) terminal will produce a green aspect. Absence of energy will produce a red aspect.
    11. The moving element bearings shall be of the knife-edge type of corrosion-resistant material designed and selected to withstand continued and severe vibration in service.
    12. Minimum working magnetic air gap shall be 0.045 in. for dc mechanism and 0.035 in. for ac mechanism.
    13. Armature end play shall be not less than 0.004 in. nor more than 0.012 in.
    14. The complete armature assembly shall develop a torque of not less than 1 in.-oz. in the direction of the most restrictive position.
    15. Operating mechanism shall be furnished with suitable shunt arrestors.(p)
    16. Operating mechanism shall be furnished with plug coupler.

    Annexe C— Description et fonction des relais pertinents de Trenton Junction

    • 2328SAGP Signal 2328S, répétiteur du mécanisme du feu vert sur l'unité « A ». Ce relais est excité quand les contacts de l'unité « A » du signal sont au vert.
    • 2328S-1RP Signal 2328S, répétiteur du mécanisme du feu rouge. Ce relais est excité quand les contacts des deux mécanismes de signalisation indiquent que les unités lumineuses affichent des indications rouges et que tous les autres répétiteurs des mécanismes du signal 2328S sont désexcités.
    • 2328S-S1AS Relais d'approche à enclenchement pour le signal 2328S. Ce relais est normalement excité, et se désexcite quand le signal 2328S affiche une indication permissive. Quand il est désexcité, ce relais verrouille effectivement le canton contrôlé, empêchant que l'on commande tout autre signal opposé ou concurrent et que la position de l'aiguillage soit modifiée. Si le signal 2328S est annulé, le relais 2328S-S1AS ne s'excite de nouveau qu'après la fin d'un délai préétabli – cette période d'attente fait en sorte que, si un train approchait au moment de l'annulation du signal, il ait assez de temps pour s'arrêter avant qu'un signal opposé soit autorisé.
    • SF Relais de trafic pour le signal 2328S. Normalement, ce relais est désexcité et il s'excite quand on actionne le signal 2328S. Il vérifie aussi que les relais de trafic en direction ouest ne sont pas sélectionnés et que le blocage des signaux n'est pas en vigueur. Une fois qu'il est excité, le relais de trafic reste dans cette position jusqu'à ce que le relais d'automaintien d'itinéraire est (1ES) soit excité. Les relais 1F et 2F ont la même fonction, mais pour le signal opposé (2327S).
    • 1ES Relais d'automaintien d'itinéraire est. Ce relais est normalement excité et reste dans cette position, étant contrôlé par le relais d'approche à enclenchement est (2328S-S1AS). Quand le relais 2328S-S1AS est désexcité après qu'un signal a été commandé, le relais 1ES se désexcite aussi. Quand un train roulant vers l'est traverse le canton, le relais 1ES ne de désexcite pas jusqu'à ce que le relais 2328S-S1AS soit excité de nouveau et que la voie de gare (relais 1TP) soit aussi excitée de nouveau. Les relais d'automaintien d'itinéraire sont employés dans le circuit d'aiguillage à enclenchement et les . circuits de ligne, et servent à assurer que, si un train circule en direction est, aucun mouvement en direction ouest ne sera autorisé à partir de l'emplacement adjacent situé à l'est.
    • 1L, 1LS Relais de commande d'aiguillage. Ces relais sont normalement excités. Ils sont contrôlés par les commandes de signaux, par les relais d'automaintien d'itinéraire et la voie de gare. Les contacts de ces relais sont insérés dans les circuits de commande d'aiguillage, de telle façon qu'une fois l'aiguillage à la position voulue et le signal autorisé, aucune autre commande de changement de position de l'aiguillage ne soit possible. Les contacts de repos de ces relais sont aussi insérés dans les réseaux de commande des signaux pour assurer que l'aiguillage est verrouillé électriquement avant que le signal soit autorisé (que l'aiguillage ne puisse plus être déplacé).
    • 1TP Relais de voie. Ce relais est excité quand un train occupe le canton contrôlé et est désexcité quand le canton contrôlé est « libre ».

    Annexe D— Circuit de contrôle des mécanismes

    La présente annexe est tirée du AAR Manual of Recommended Practices, partie 16.4.10, « Recommended Vital Circuit Design Guidelines for Stuck-Mechanism Detection for Controlled Signals », publié par l'AAR en 1993.

    CE DOCUMENT N'EXISTE PAS EN FRANÇAIS

    1. Purpose
      1. These recommended vital circuit design guidelines apply to the stuck-mechanism detection circuitry for controlled signals with searchlight mechanisms.
      2. See Manual part 1.4.1 (Identical Items "Boilerplate" for Manual Parts Section A.
    2. General
      1. This Manual Part describes two methods of detecting a signal mechanism which may be stuck in a position other than intended and preventing, by circuit design, a less restrictive aspect from being displayed.
      2. The circuits used for the stuck-mechanism detection shall:
        1. extinguish one or more lamps of the signal.
        2. When required, downgrade the aspect of the signal to the rear.
      3. The following examples describe two designs currently in use:
        1. In Figure 1, the red position of each signal mechanism is detected by its corresponding Red Signal Repeater Relay (RGPR). In the event the signal mechanism of any of the units is stuck in any position other than red after the passage of the train, the HR will de-energize. The RGPR (4A, 4B or 4C) of the particular unit will not pick up. This in turn will prevent the pick up of 4RGPR (Figure 2). Since the lamp is energized over the parallel paths of the corresponding RGPR and HR, the lamp will be extinguished. The aspect of the signal to the rear will be downgraded. In addition, the front contact of the RGPR in the route check relay (RCR) control circuit, will ensure that the signal cannot be cleared again until the defective mechanism is restored to normal operation. In the case of signals which are fleeted, additional safeguards to the circuits will be needed, as the RCR will be energized again by the fleeting circuits.
        2. In a variation of (a) above, a more stringent approach is sometimes adopted (Refer to Figure 3). A separate control relay (Master Lighting Relay (MER)) is provided for each group of signals. The contact of MER is proved in the path of every HPR. MER is energized over the parallel paths consisting of front contacts of each signal HPR and RGPR. When an RGPS is not up, when it should have been, the MER will de-energize and all HPR's will remain down. Signal lamps will also be extinguished. The basic assumption in this method is that such instances are rare and all HPR's being de-energized at the same time will not pose an operational problem.
      4. The vital circuit design guidelines provided in this Manual Part shall also apply to equivalent vital software applications.
      5. The vital design guidelines provided in this Manual Part represent two methods of design for stuck-mechanism detection. Some aspects of the circuit design may vary depending on the practices of the individual railroad.
    Appendix D - Figure 1
    Image
    Appendix D - Figure 2
    Image
    Annexe D - Figure 3
    Image
    Annexe D - Figure 3

    Annexe E— Résultats de la surveillance de Transports Canada au sujet de l'application de la règle 34 du REF

    TRANSPORT CANADA
    Sécurité ferroviaire, exploitation et préparatifs d'urgence
    Base de données du Programme de surveillance de l'exploitation des trains

    Infractions à la règle 34 du REF

    Élément Période Total
    1998 1999 2000 (jusqu'au 30 sept.)
    Nombre total d'inspections de surveillance 940 1002 740 2682
    - Trains de marchandises contrôlés 294 348 246 888
    - Trains de voyageurs contrôlés 145 161 125 431
    Nombre de trains de marchandises contrôlés sur des parcours comportant des territoires régis par ROV (voir note 2) 120 155 105 380
    Nombre de trains de voyageurs contrôlés dans des parcours comportant des territoires régis par ROV (voir note 2) 74 94 63 231
    Infractions à la règle 34
    Total, règle 34 a) (voir note 1) 0 1 0 1
    Total, règle 34 b) (voir note 1) 9 8 4 21
    Total, règle 34 c) (voir note 1) 0 1 1 2
    Nombre de trains de marchandises contrôlés en territoire régi par ROV, à bord desquels une infraction à la règle 34 a été signalée (voir note 2) 34 (a) - 0
    34 (b) - 2
    34 (c) - 0
    34 (a) - 0
    34 (b) - 2
    34 (c) - 0
    34 (a) - 0
    34 (b) - 4
    34 (c) - 1
    34 (a) - 0
    34 (b) - 8
    34 (c) - 1
    Nombre de trains de voyageurs contrôlés en territoire régi par ROV, à bord desquels une infraction à la règle 34 a été signalée (voir note 2) 34 (a) - 0
    34 (b) - 2
    34 (c) - 0
    34 (a) - 1
    34 (b) - 1
    34 (c) - 1
    34 (a) - 0
    34 (b) - 0
    34 (c) - 0
    34 (a) - 1
    34 (b) - 3
    34 (c) - 1

    NOTA :

    1. Si une infraction à la règle 34 revient plus d'une fois pendant un même contrôle de train, elle n'est consignée qu'une fois.
    2. La méthode de contrôle employée dans la ou les subdivisions parcourues au cours d'une seule période de surveillance de trains de marchandises ou de voyageurs peut varier pendant la durée du trajet. Les chiffres du tableau indiquent les activités de surveillance au cours desquelles au moins une partie du territoire parcouru comprenait un territoire régi par ROV.

    REF
    34. RECONNAISSANCE ET OBSERVATION DES SIGNAUX FIXES

    1. L'équipe d'une locomotive et le contremaître d'un chasse-neige doivent, avant de franchir un signal fixe, en connaître l'indication (y compris celle des signaux de position d'aiguilles, si c'est possible).
    2. Les membres de l'équipe qui sont à portée de voix les uns des autres se communiqueront d'une manière claire et audible le nom de chaque signal fixe qu'ils sont tenus d'annoncer. Tout signal influant sur le mouvement du train ou de la locomotive doit être nommé à haute voix dès l'instant où il est reconnu formellement; cependant, les membres de l'équipe doivent surveiller les changements d'indication et, le cas échéant, s'en faire part rapidement et agir en conséquence.
    3. Si la réaction à un signal influant sur le mouvement du train ou de la locomotive tarde à venir, les membres de l'équipe doivent se rappeler les uns aux autres l'action prescrite par ce signal. Si cette démarche n'a pas de suite, ou s'ils constatent que le mécanicien est hors d'état de réagir, les autres membres de l'équipe doivent prendre des mesures immédiates pour assurer la sécurité du train ou de la locomotive, en allant jusqu'à provoquer un arrêt d'urgence si la situation l'exige.

    Nota : L'indication donnée par une cible d'aiguillage ou un signal lumineux n'a pas besoin d'être communiquée, sauf quand elle indique que l'aiguillage n'est pas bien orienté pour l'itinéraire du train ou de la locomotive.

    Annexe F— Définitions

    Aiguillage

    Aiguillage à double commande
    Aiguillage commandé à distance qui peut aussi être manœuvré à la main.

    Aiguillage commandé à distance
    Aiguillage dont le fonctionnement est assuré par une forme d'énergie, habituellement électrique ou pneumatique.

    Aiguillage pris en pointe

    Aiguillage de voie, dont les aiguilles font face au trafic qui approche dans la direction correspondant à la signalisation. (AAR)

    Aiguillage pris en talon

    Aiguillage de voie dont les aiguilles font face au côté opposé au trafic qui approche dans la direction correspondant à la signalisation. (AAR)

    Circuit non vital

    Tout circuit dont la fonction n'a pas d'incidence sur la sécurité ferroviaire. (AAR)

    Courant de chute

    Courant pour lequel la pièce mobile d'un dispositif électromagnétique passe à sa position de désexcitation.

    Courant de travail

    Courant nécessaire pour que la pièce mobile d'un dispositif électromagnétique atteigne sa position d'excitation et applique la pression maximale sur le contact de travail.

    Feu fantôme

    Indication intempestive d'un signal provoquée par la réflexion de rayons étrangers frappant l'unité lumineuse. (AAR)

    Prise en pointe

    Mouvement d'un train au-dessus des aiguilles, lesquelles font face à la direction opposée à celle dans laquelle le train roule.

    Prise en talon

    Mouvement d'un train au-dessus des aiguilles, lesquelles font face à la direction dans laquelle le train roule.

    Relais

    « Un dispositif qu'actionne le changement d'état d'un circuit électrique et qui agit sur le fonctionnement de certains autres dispositifs appartenant au même circuit électrique, ou à des circuits différents » [traduction]. Ce dispositif à plusieurs fonctions comme le contrôle de l'aiguillage commandé à distance et des signaux régissant le mouvement des trains en CCC. Des relais sont aussi utilisés à certains passages à niveau pour activer les feux clignotants et les barrières automatiques avant et après le passage d'un train

    Unipolaire
    Relais qui ne s'excite que si le courant le traverse dans un certain sens, et qui se désexcite quand ce courant s'interrompt.

    Neutre
    Relais dont le fonctionnement répond à un changement prédéterminé de la circulation du courant dans le circuit de commande, quelle que soit la direction du courant.

    À désexcitation lente
    Relais qui, quand son circuit de commande est ouvert ou complètement dérivé, se désexcite plus lentement qu'un relais ordinaire. (AAR)

    Signal

    Signal de canton,
    Signal fixe implanté à l'entrée d'un canton et réglant la marche des trains ou des locomotives à l'entrée ou à l'intérieur de ce canton.

    Signal de cabine
    Signal placé dans le poste ou la cabine du mécanicien, indiquant une condition qui influe sur la circulation d'un train ou d'une locomotive et qui répète les signaux d'enclenchement ou remplacent les signaux de canton.

    Mécanisme à oculaire mobile
    Type de signal de couleur qui, à l'aide d'une seule lampe et d'une seule lentille ou d'un doublet de lentilles, affiche jusqu'à trois indications différentes en plaçant un cône ou un disque de couleur entre la lampe et la lentille. Pour choisir la couleur voulue, on excite un mécanisme électromagnétique. L'indication affichée dépend de la polarité du courant appliqué. Quand le mécanisme n'est plus excité, le signal affiche son indication la plus restrictive. (AAR)

    Système de contrôle des trains

    Système agencé de telle façon que son fonctionnement entraîne automatiquement les effets suivants :

    1. une application à fond des freins maintenue jusqu'à ce que le train soit immobilisé ou jusqu'à ce que sa vitesse soit réduite à une valeur prédéterminée et que le mécanicien en ait la maîtrise;
    2. (quand le train est assujetti à une limitation de vitesse) une application des freins, quand la vitesse du train excède la valeur prédéterminée, maintenue jusqu'à ce que la vitesse atteigne cette valeur prédéterminée.

    Annexe G— Sigles et abréviations

    AAR
    Association of American Railroads
    Alstom
    Alstom Signaling Inc.
    AREMA
    American Railway Engineering and Maintenance-of-way Association
    BST
    Bureau de la sécurité des transports du Canada
    C
    Celsius
    CCC
    commande centralisée de la circulation
    CCF
    contrôleur de la circulation ferroviaire
    CFCP
    Chemin de fer Canadien Pacifique
    CN
    Canadien National
    F
    Fahrenheit
    GRS
    General Railway Signal Corporation
    h
    heure
    HNE
    heure normale de l'Est
    in.
    inch (pouce)
    LSF
    Loi sur la sécurité ferroviaire
    MER
    master lighting relay
    mi/h
    mille à l'heure
    min
    minute
    oz.
    ounce (once)
    RCR
    route check relay
    REF
    Règlement d'exploitation ferroviaire du Canada
    RGPR
    red signal repeater relay
    ROV
    Régulation de l'occupation de la voie
    s
    seconde
    UTC
    temps universel coordonné
    VIA
    VIA Rail Canada Inc.