Rapport d’enquête sur la sécurité du transport maritime M18P0014

Incendie dans la salle des machines
Porte-conteneurs MOL Prestige
146 milles marins au sud-sud-ouest d’Haida Gwaii (Colombie-Britannique)

Le Bureau de la sécurité des transports du Canada (BST) a enquêté sur cet événement dans le but de promouvoir la sécurité des transports. Le Bureau n’est pas habilité à attribuer ni à déterminer les responsabilités civiles ou pénales. Le présent rapport n’est pas créé pour être utilisé dans le contexte d’une procédure judiciaire, disciplinaire ou autre. Voir Propriété et utilisation du contenu.

Table des matières

    Résumé

    Le 31 janvier 2018, un incendie s’est déclaré dans la salle des machines du porte-conteneurs MOL Prestige, alors que le navire se trouvait à 146 milles marins (NM) au sud-sud-ouest d’Haida Gwaii (Colombie-Britannique). Il y avait 22 membres d’équipage et 1 surnuméraire à bord. L’incendie a été éteint après un certain temps, mais 5 membres d’équipage ont été grièvement blessés. Un hélicoptère de l’Aviation royale canadienne a transporté 2 membres d’équipage jusqu’à l’hôpital du village de Queen Charlotte (Colombie-Britannique). Le navire de la Garde côtière canadienne Sir Wilfrid Laurier a porté assistance au navire désemparé jusqu’à ce qu’un remorqueur de sauvetage puisse le remorquer jusqu’à Seattle (État de Washington), aux États-Unis.

    L’enquête a permis de cerner plusieurs lacunes de sécurité, qui sont décrites ci-dessous.

    Travaux d’entretien et pratiques dans la salle des machines

    L’enquête a révélé des problèmes d’entretien dans la salle des machines du MOL Prestige. Les indicateurs de niveau des caisses journalières et de décantation ne fonctionnaient pas et les mécaniciens devaient grimper sur les caisses pour déboulonner une bride pleine afin de sonder les caisses. Au fil du temps, on a cessé de réinstaller la bride du tuyau de l’indicateur de niveau de la caisse de décantation. L’enquête montre aussi qu’à un certain moment, l’alarme de température élevée de la caisse de décantation avait été réglée à 30 °C au-dessus de la température sécuritaire maximale. Ainsi, toute eau entrant dans la caisse de décantation pouvait entraîner un débordement par moussage, car le mazout à plus de 100 °C s’y trouvant porterait instantanément à ébullition toute eau qui se trouvait dans le réservoir ou qui y était ajoutée.La température élevée de la caisse de décantation et le tuyau indicateur de niveau ouvert sur la caisse de décantation ont créé des conditions dangereuses qui ont entraîné un débordement par moussage, l’expulsion conséquente de mazout et de vapeurs hors du réservoir, puis l’explosion de vapeur qui a provoqué l’incendie.

    La responsabilité d’assurer un entretien sûr de l’équipement et le recours à des pratiques sûres dans la salle des machines était partagée par la direction et l’équipage du navire. En ce qui concerne le MOL Prestige, dans l’année précédant l’événement, le gestionnaire technique du navire avait changé, et un nouveau système de compte rendu avait été mis en œuvre.  Pendant cette période de changement, rien n’avait été fait à l’égard des problèmes relevés par l’équipe de la salle des machines. Par conséquent, puisque l’équipement de la salle des machines n’était pas entretenu conformément aux exigences des procédures de la compagnie et des spécifications du fabricant, certains équipements de la salle des machines présentaient des dangers.

    Si les personnes qui doivent s’assurer que la salle des machines est entretenue adéquatement ne collaborent pas pour atténuer les dangers (fuites, équipement défectueux et adaptations) de façon efficace et diligente, il y a un risque que de l’équipement de la salle des machines subira des défaillances et causera des accidents. 

    Sortie et évacuation de la salle des machines

    La sortie et l’évacuation rapides d’une salle des machines sont essentielles quand un incendie s’y déclare. Dans l’événement à l’étude, le personnel de la salle des machines s’est réuni dans la salle de commande des machines quand l’incendie s’est déclaré, mais s’y est trouvé piégé quand l’incendie s’est intensifié. De nombreux facteurs se sont combinés pour compliquer la sortie de la salle de commande des machines et les efforts d’évacuation subséquents, ce qui a posé des risques pour l’équipage pendant l’intervention d’urgence et retardé la sortie du personnel piégé. Pendant ce temps, l’incendie continuait de brûler.

    Les navires de charge construits à compter du 1er janvier 2016 sont assujettis aux exigences de la Convention internationale pour la sauvegarde de la vie humaine en mer (SOLAS) visant les moyens d’évacuation depuis les salles de contrôle des machines. Bien que ce ne soit pas une exigence pour les navires de charge comme le MOL Prestige, construit avant le 1er janvier 2016,une analyse d’évacuation aurait pu entraîner une évaluation des moyens d’évacuation nécessaires de la salle de commande des machines, y compris des appareils respiratoires d’évacuation d’urgence, les marques appropriées et la visibilité des portes de sortie.

    Si les propriétaires et les exploitants de navires de charge construits avant le 1er janvier 2016 n’évaluent pas les voies d’évacuation pour s’assurer que les moyens d’évacuation des salles de commande des machines offrent un niveau de sécurité équivalant à ce qu’exige aujourd’hui la réglementation SOLAS, il y a un risque que les moyens d’évacuation fournis soient insuffisants pour permettre une sortie sûre et rapide vers une position protégée hors des compartiments de machines.

    Exercices et préparatifs d’urgence

    Pour intervenir efficacement lors d’un incendie, les équipages doivent recevoir une formation sur les procédures d’urgence et s’y exercer en utilisant l’équipement d’urgence. Les exercices d’urgence qui comprennent des scénarios réalistes et diversifiés permettent aux équipages d’être mieux préparés et plus efficaces lors d’un incendie. Bien que l’équipage du MOL Prestige participait régulièrement à des exercices d’incendie dans la salle des machines et de sauvetage de personnes piégées dans un espace confiné, tous ses membres n’avaient pas eu la possibilité de s’exercer à enfiler la combinaison de pompier, et les exercices d’incendie ne comprenaient pas des scénarios réalistes fondés sur des imprévus. L’enquête a permis d’établir que les membres d’équipage n’avaient pas eu la possibilité de s’exercer à toutes leurs tâches assignées et aux procédures connexes lors des exercices.

    Si des exercices d’urgence ne sont pas menés régulièrement et évalués pour toutes les tâches assignées aux membres d’équipage ou s’ils ne comprennent pas des scénarios réalistes, il y a un risque que l’équipage sera mal préparé lors d’une urgence.

    Entretien des systèmes fixes d’extinction d’incendie

    Même si le MOL Prestige était muni d’un système fixe d’extinction d’incendie, ce système présentait des fuites de canalisations et d’unités essentielles à la sécurité qui n’ont été découvertes que lorsque le système a été inspecté après l’incendie. D’après la réglementation, le système doit résister à une pression de rupture minimale et être soumis à un essai de pression initial lors de sa fabrication. La réglementation exige également que toutes les bouteilles de CO2 subissent un essai hydraulique à des intervalles réguliers. Cependant, ce principe n’est pas appliqué au système de distribution, et rien n’exige qu’un essai de pression soit effectué périodiquement pendant la durée de vie du navire. Les programmes d’inspection et d’essai des systèmes de CO2 doivent donc comprendre des dispositions qui aideront à assurer leur intégrité au fil du temps.

    Si des dispositifs embarqués cruciaux de lutte contre les incendies, comme un système fixe d’extinction d’incendie, ne sont pas entretenus conformément aux spécifications du fabricant et aux exigences réglementaires, il y a un risque que ces systèmes ne fonctionneront pas comme prévu lors d’une urgence.

    Système de gestion de la sécurité

    Le MOL Prestige avait un système de gestion de la sécurité audité qui comprenait entre autres des procédures de repérage des dangers, de vérification de l’équipement de la salle des machines et de tenue de registres. Cependant, certains des problèmes de sécurité relevés durant l’enquête n’avaient pas été repérés lors d’audits ou de vérifications de routine. En outre, aucune des méthodes de repérage des dangers figurant dans le système de gestion de la sécurité du navire n’a permis de mener à une correction diligente de ces problèmes.

    Si les entreprises ne mettent pas en place un système de gestion de la sécurité efficace qui encourage les équipages à repérer des dangers et les aide à trouver des moyens d’ atténuer ces dangers de manière sécuritaire et diligente, il y a un risque que des conditions d’exploitation dangereuses demeureront.

    1.0 Renseignements de base

    1.1 Fiche technique du navire

    Tableau 1. Fiche technique du navire
    Nom du navire MOL Prestige
    Numéro OMI 9321029
    Numéro officiel 399812
    Port d’immatriculation Singapour
    Pavillon Singapour
    Type Porte-conteneurs (intégral)
    Jauge brute 71 902
    Longueur (enregistrée) 279,90 m
    Construction 2006, Koyo Dockyard Co. Ltd., Japon
    Propulsion Moteur diesel 2 temps à régime lent (62 920 kW) entraînant 1 hélice à pas fixe
    Cargaison (au moment de l’événement) 371 conteneurs frigorifiques et 58 conteneurs de marchandises dangereuses
    Tirant d’eau (au moment de l’événement) Avant : 12,5 m
    Arrière : 13,6 m
    Personnes à bord au moment de l’événement 22 membres d’équipage et 1 surnuméraire*
    Propriétaire enregistré IS Container Pte. Ltd., Singapour
    Gestionnaire du navire Mitsui O.S.K. Lines
    Gestionnaire technique Bernhard Schulte Shipmanagement (China) Company Ltd.
    Société de classification Nippon Kaiji Kyokai (ClassNK)

    * Un surnuméraire est une personne qui se trouve à bord d’un navire sans faire partie de l’équipage.

    1.2 Description du navire

    Le MOL Prestige est un porte-conteneurs intégral à coque d’acier (figure 1). Il a une capacité de conteneurs de 6350 équivalents vingt piedsNote de bas de page 1, et il est conçu pour transporter des conteneurs sur son pont supérieur et sous celui-ci. L’espace de chargement sous le pont supérieur est subdivisé en 8 cales, soit 7 devant la salle des machines et 1 derrière celle-ci.

    Figure 1. Le MOL Prestige (Source : BST)
    Image
    Le <em>MOL Prestige</em> (Source : BST)

    La superstructure du MOL Prestige se compose de la timonerie, située sur le pont de la passerelle de navigation, ainsi que de 7 ponts, sous celle-ci (soit le pont supérieur du navire et les ponts A à F de la superstructure) (figure 2). La timonerie est dotée de tout l’équipement de navigation exigé conformément à la Convention internationale pour la sauvegarde de la vie humaine en mer (SOLAS)Note de bas de page 2.

    Figure 2. Coupe transversale de tribord des ponts du navire et de sa superstructure (Source : BST, d’après le plan d’ensemble du navire daté du 27 juillet 2006)
    Image
    Coupe transversale de tribord des ponts du navire et de sa superstructure (Source : BST, d’après le plan d’ensemble du navire daté du 27 juillet 2006)

    Les emménagements du pont supérieur comprennent le bureau du navire, le poste d’incendie, l’hôpital, la génératrice de secours, de même que 3 portes (portes 49, 50 et 51), dans la superstructure, s’ouvrant sur des escaliers qui descendent à la salle des machines (figure 3).

    Figure 3. Vue en plan du pont supérieur (Source : BST, d’après le plan d’ensemble du navire daté du 27 juillet 2006)
    Image
    Vue en plan du pont supérieur (Source : BST, d’après le plan d’ensemble du navire daté du 27 juillet 2006)

    La salle des machines se trouve sous le pont supérieur. Elle est désignée comme un compartiment de machines laissé périodiquement sans surveillanceNote de bas de page 3 et elle contient le moteur de propulsion principal, 4 moteurs de génératrice, une chaudière auxiliaire et un économiseur de gaz d’échappement, ainsi que d’autres équipements, dont le système de chauffage à la vapeur et les systèmes de transfert de carburant, d’alimentation en carburant et d’épuration de carburant.

    Le tambour du puits des machinesNote de bas de page 4 se trouve dans la superstructure, et constitue une séparation de la classe A-60Note de bas de page 5. Il se termine dans la cheminée, laquelle renferme des évents à volets qui dissipent la chaleur et la fumée produites dans la salle des machines. Les tuyaux d’échappement du moteur principal, des moteurs de génératrice et de la chaudière auxiliaire se terminent également dans la cheminée. Une porte mène de la cheminée à la passerelle haute, laquelle se trouve directement au-dessus de la passerelle de navigation (figure 2).

    La salle des machines s’étend sur 4 ponts (soit, du plus haut au plus bas, les ponts 2, 3 et 4, ainsi que le pont inférieur). Un ascenseur relie le pont 3, dans la salle des machines, au pont de la passerelle de navigation, avec des arrêts à chaque pont. Son pont par défaut peut être réglé pour être soit le pont de la passerelle de navigation, le pont supérieur ou le pont 2. Après un certain délai d’inutilisation sur d’autres ponts, il revient au pont par défaut et y demeure jusqu’à ce qu’il soit appelé. Au moment de l’événement, son pont par défaut était le pont supérieur. Sur le pont de la passerelle de navigation, l’ascenseur est accessible dans un coin difficile à voir depuis les zones de commandement et de contrôle de la passerelle. L’ascenseur est alimenté en électricité par la génératrice de secours du navire; l’équipement alimenté par cette génératrice figure sur une liste affichée sur la passerelle.

    Le pont 2 est subdivisé en 2 niveaux. La salle de commande des machines (SCM), qui se trouve sur le palier inférieur de ces 2 niveaux, à bâbord (figure 4), est un local autonome qui compte 3 portes, lesquelles présentent chacune une petite fenêtre. Une des portes est située plus près du côté bâbord du navire, et les 2 autres, plus près du milieu, dont une est voisine de l’ascenseur. La cloison de la SCM présente une grande fenêtre à tribord qui donne uniquement une vue transversale de la partie tribord de la salle des machines (figure 4). La SCM renferme les commandes, les systèmes de surveillance et les alarmes des équipements de la salle des machines. Elle est dotée de 2 téléphones, dont 1 à pile et l’autre connecté à l’alimentation électrique du navire. Les cloisons et les portes de la SCM constituent des séparations de classe B-0Note de bas de page 6 et ne sont pas à l’épreuve de la fumée.

    Figure 4. Vue en plan du pont 2 (Source : BST, d’après le plan d’ensemble du navire)
    Image
    Vue en plan du pont 2 (Source : BST, d’après le plan d’ensemble du navire)

    La chaudière auxiliaire, le réservoir de décantation et la caisse journalière de mazout lourd (ML)Note de bas de page 7 se trouvent sur le pont 3, mais se prolongent vers le haut, à travers le pont 2. Une caisse journalière de gasoil marin à faible teneur en soufre (GMFTS)Note de bas de page 8 se trouve sur le pont 2. Le pont supérieur est accessible depuis le pont 2, par 3 portes (49, 50 et 51) menant à des escaliers qui y aboutissent. Un passage a été aménagé sous le niveau supérieur du pont 2, le long des côtés bâbord et tribord du navire. Ces passages aboutissent dans le local de l’appareil à gouverner et dans les cales à marchandises. Ils comportent chacun une porte qui mène à des escaliers descendant jusqu’au niveau inférieur du pont 2.

    Sur le pont 3 se trouvent l’atelier de la salle des machines, à bâbord, près de l’ascenseur (figure 5), ainsi que la chaudière auxiliaire, le réservoir de décantation et la caisse journalière de ML, lesquels se prolongent vers le haut, jusqu’au pont 2. Le pont 3 est accessible au moyen d’escaliers qui descendent depuis le pont 2 et montent depuis le pont 4, ainsi qu’au moyen de l’ascenseur.

    Figure 5. Vue en plan du pont 3 (Source : BST, d’après le plan d’ensemble du navire)
    Image
    Vue en plan du pont 3 (Source : BST, d’après le plan d’ensemble du navire)

    Sur le pont 4 se trouvent 4 moteurs de génératrice, 3 purificateurs de MLNote de bas de page 9, 1 générateur d’eau douce, 2 pompes de circulation de chaudière et le bassin en cascadeNote de bas de page 10. Il y a aussi 2 caméras de télévision en circuit fermé (TVCF) qui sont dirigées vers le purificateur d’eaux mazouteuses et la vanne d’évacuation par-dessus bord de l’eau de cale du pont inférieur (figure 6).

    Figure 6. Emplacement et champ de vision des caméras de TVCF du pont 4 (Source : BST)
    Image
    Emplacement et champ de vision des caméras de TVCF du pont 4 (Source : BST)

    Le pont 4 est accessible au moyen d’escaliers qui descendent depuis le pont 3 et montent depuis le pont inférieur (figure 7).

    Figure 7. Vue en plan du pont 4 (Source : BST, d’après le plan d’ensemble du navire)
    Image
    Vue en plan du pont 4 (Source : BST, d’après le plan d’ensemble du navire)

    Le pont inférieur renferme des caisses d’huile usée, des caisses de purge, un réservoir de trop-plein de mazout, un séparateur d’eaux mazouteuses et des pompes de transfert de mazout (figure 8). Il est accessible au moyen d’escaliers qui descendent depuis le pont 4. Une sortie d’urgence mène du pont inférieur jusqu’au local de l’appareil à gouverner, en passant par le tunnel d’arbre.

    Figure 8. Vue en plan du pont inférieur (Source : BST, d’après le plan d’ensemble du navire)
    Image
    Vue en plan du pont inférieur (Source : BST, d’après le plan d’ensemble du navire)

    1.3 Déroulement du voyage

    Le 20 janvier 2018, à 9 h 42Note de bas de page 11, le MOL Prestige est entré dans la zone de contrôle des émissions nord-américaineNote de bas de page 12 au cours d’un voyage le menant de la Chine à Tacoma (État de Washington), aux États-Unis. Avant de pénétrer dans la zone de contrôle des émissions, son moteur principal et ses moteurs de génératrice sont passés du ML (IFO 500)Note de bas de page 13 au GMFTS, afin de respecter les exigences de la zone de contrôle des émissions. Le 22 janvier, le navire est arrivé à Tacoma, pour des opérations de fret. Tandis qu’il était au port, il a été ravitaillé en ML (IFO 500) et en eau douceNote de bas de page 14.

    Le 24 janvier, à 7 h, il a quitté Tacoma pour se rendre au terminal Deltaport à Delta (Colombie-Britannique). Il a atteint l’aire de mouillage de Constance Bank, au large de Victoria (Colombie-Britannique), où il est demeuré ancré pendant environ 3 jours, avant d’accoster au terminal Deltaport, le 27 janvier, à 0 h 45.

    Le 29 janvier, à 22 h 05, le MOL Prestige a quitté le terminal Deltaport pour mouiller à nouveau dans l’aire de Constance Bank. Le 30 janvier, à 12 h 40, il a quitté l’aire en direction du Japon avec environ 5569,4 m3 de ML, 322,2 m3 de GMFTS et 235 m3 d’eau douce à son bord. Peu après son départ, le générateur d’eau douce a commencé à mal fonctionner. Le chef mécanicien a ordonné au personnel de la salle des machines de l’arrêter pour la nuit.

    Le 31 janvier, à environ 6 h, le personnel de la salle des machines a tenu une réunion « coffre à outilsNote de bas de page 15 » dans la SCM, avant le début des travaux. L’équipe de la salle des machines se composait alors du deuxième mécanicien, du troisième mécanicien, du quatrième mécanicien, du mécanicien subalterne et du machiniste 1Note de bas de page 16. Peu après leur réunion, le personnel a commencé à travailler sur le générateur d’eau douce et a constaté que ses tubes de condensateur fuyaient. Le moteur principal fonctionnait alors au GMFTS, à 78 tr/min. L’économiseur de gaz d’échappement fonctionnait et produisait de la vapeur à une pression d’environ 7 barsNote de bas de page 17 et à une température de quelque 170 °CNote de bas de page 18. La chaudière auxiliaire ne fonctionnait pas.

    À 17 h, le capitaine en second a relevé le deuxième officier à la passerelle. Le capitaine en second et le chef mécanicien ont discuté des problèmes touchant le générateur d’eau douce et de leur incidence sur l’approvisionnement en eau du navire. Ils ont également parlé des mesures à prendre en vue de la sortie de la zone de contrôle des émissions, entre autres.

    À 19 h 40, le capitaine a donné 3 heures aux mécaniciens pour assurer le passage du GMFTS au ML du moteur principal et des génératrices diesel, pendant la sortie de la zone de contrôle des émissions (annexe A). À 20 h 15, le chef mécanicien s’est rendu dans la salle des machines et a demandé au quatrième mécanicien de démarrer un des purificateurs de ML, afin de commencer le passage du GMFTS au ML. Le chef mécanicien est ensuite retourné dans sa cabine. À 20 h 30, le troisième mécanicien a quitté la salle des machines pour se rendre dans sa cabine. Le reste du personnel de la salle des machines a poursuivi les travaux ciblant le générateur d’eau douce.

    1.3.1 Événements ayant mené à l’incendie

    À 20 h 45, le quatrième mécanicien a démarré le purificateur de ML no 1, après avoir consulté le deuxième mécanicien. À 20 h 55, le quatrième mécanicien a entrepris le transfert de ML de la caisse de décantation à la caisse journalière, par le biais du purificateur. À 20 h 58, l’alarme de température élevée du purificateur s’est déclenchée. La température de l’entrée de mazout du purificateur se chiffrait à 115 °C et augmentait. En outre, de la vapeur d’eau et des vapeurs de mazout s’échappaient de la trémie d’eau d’exploitation du purificateurNote de bas de page 19.

    Peu après, le quatrième mécanicien s’est rendu à la caisse de décantation du pont 3 pour vérifier la température indiquée sur l’instrument local; ce dernier montrait 120 °C. Le quatrième mécanicien s’est ensuite rendu à la SCM au pont 2, où une alarme de température élevée de l’entrée du purificateur sonnait sur le panneau d’alarme de la salle des machines.

    À 21 h, le capitaine en second a cédé la passerelle au troisième officier et s’est rendu au pont supérieur, puis au bureau du navire pour accomplir des tâches administratives. Le capitaine travaillait dans la salle des radios de la passerelle.

    Pendant ce temps, le machiniste 2 avait pris l’ascenseur pour se rendre dans la SCM, relever le machiniste 1 et commencer son quart de travail, à 21 h. Le voyant de l’alarme de température élevée de l’entrée du purificateur no 1 était allumé, dans le panneau d’alarme de la SCM. Le quatrième mécanicien, qui avait pris connaissance de l’alarme, se trouvait aussi dans la SCM.

    Le quatrième mécanicien est alors descendu jusqu’au générateur d’eau douce du pont 4 et y a informé le deuxième mécanicien que la température de la caisse de décantation était élevée. Ils ont discuté des mesures à prendre pour l’abaisser. Le deuxième mécanicien a ensuite demandé au quatrième mécanicien de se rendre sur le pont inférieur pour y démarrer la pompe de transfert de ML en mode manuel, si possibleNote de bas de page 20, et de transférer du carburant de la soute 7S à la caisse de décantationNote de bas de page 21.

    Dans l’intervalle, le machiniste 2 a poursuivi ses rondes de quart, rempli le réservoir d’expansion d’eau de refroidissement de l’enveloppe du moteur principal, sur le pont 2, puis s’est rendu aux environs du générateur d’eau douce pour aider le deuxième mécanicien. Le deuxième mécanicien a demandé au machiniste 1, qui arrivait à la fin de son quart, de rester en poste pour participer aux réparations.

    À environ 21 h 10, le quatrième mécanicien a ouvert les vannes pertinentes pour transférer le carburant et a démarré la pompe de transfert de ML en mode manuel. Il s’est ensuite rendu au purificateur du pont 4. Pendant ce temps, la quantité de vapeur d’eau et de vapeurs de mazout issues de la trémie d’eau d’exploitation du purificateur avait augmenté. Le quatrième mécanicien a appelé le deuxième mécanicien, lequel s’est rendu aux environs du purificateur. La trémie du purificateur no 3, qui ne fonctionnait pas, émettait lui aussi les mêmes vapeursNote de bas de page 22. Le deuxième mécanicien a demandé au mécanicien subalterne de vérifier si les vannes de vapeur du réservoir de boue, sur le pont inférieur, étaient ferméesNote de bas de page 23. Le mécanicien subalterne a fermé par inadvertance la pompe de circulation de la chaudière, sur le pont 4. Pendant ce temps, la salle des machines se remplissait de vapeurs blanches.

    1.3.2 Détection initiale de l’incendie et réaction

    Juste avant 21 h 15, on a constaté que des vapeurs blanches s’échappaient du dessus de la chaudière auxiliaire, près de la caisse de décantation. Le machiniste 2 montait les escaliers menant au pont 2 et à la zone où des vapeurs étaient émises lorsque l’alarme d’incendie s’est déclenchée. Tandis qu’il passait par la SCM, le machiniste 2 y est entré, a pris connaissance du voyant d’alarme d’incendie sur le panneau, et a arrêté l’alarme sonore. On a alors remarqué que la quantité de vapeur augmentait et que des vapeurs étaient aspirées dans le turbocompresseur du moteur principal, ce qui pouvait poser un risque d’incendie. Le machiniste 2 est descendu au pont 4, aux environs du purificateur, pour en informer le deuxième mécanicien. Celui-ci s’est précipité vers la SCM, où il a entendu l’alarme d’incendie, qui avait recommencé à sonner. Le deuxième mécanicien a tenté, sans succès, de joindre le chef mécanicien par téléphone dans sa cabine.

    Au même moment, le troisième officier a remarqué que des alarmes d’incendie de multiples zones, dans la salle des machines, avaient été successivement et rapidement activées sur le panneau de détection d’incendie de la passerelle. Il a signalé l’alarme d’incendie initiale au capitaine, qui se trouvait toujours dans la salle des radios, et il a appelé la SCM.

    Le capitaine a appelé le capitaine en second, qui se trouvait dans le bureau du navire, et le chef mécanicien, qui se trouvait dans sa cabine, afin de leur indiquer que les alarmes d’incendie des ponts 2 (zone 10) et 3 (zone 11) s’étaient déclenchées. Il leur a demandé de se renseigner sur la situation. Le chef mécanicien s’est rendu à l’ascenseur pour aller à la salle des machines. Le capitaine en second est sorti du bureau du navire, a traversé le couloir et a ouvert la porte 50. Il a alors constaté que la salle des machines contenait des vapeurs. Il l’a signalé au capitaine, et lui a demandé de sonner l’alarme générale. Il s’est ensuite rendu au poste d’incendie. Le capitaine a joint l’entreprise de gestion, soit la Bernhard Schulte Shipmanagement (China) Company Ltd. (BSM China), pour l’informer de la situationNote de bas de page 24, mais n’a pas activé l’alarme générale.

    Pendant ce temps, en réaction à la quantité croissante de vapeurs d’eau et de mazout émise par les purificateurs ainsi que celles présentes dans la salle des machines, le quatrième mécanicien s’est rendu sur le pont inférieur, et a arrêté la pompe de transfert de ML à environ 21 h 16. Il s’est ensuite rendu au pont 4 et a arrêté le purificateur.

    Peu après, le reste de l’équipe de la salle des machines (soit le quatrième mécanicien, le mécanicien subalterne, ainsi que les machinistes 1 et 2) se sont rendus à la SCM. Dans l’intervalle, des vapeurs ont été remarquées derrière le puits d’ascenseur, de même que des vapeurs blanches, au-dessus des moteurs de génératrice 3 et 4.

    À approximativement 21 h 17, l’alarme d’incendie générale s’est activée automatiquement, sonnant dans l’ensemble du navireNote de bas de page 25. Le chef mécanicien était à ce moment dans l’ascenseur en route vers la salle des machines. Le troisième mécanicien, qui était dans sa cabine, a appelé la passerelle après le déclenchement de l’alarme d’incendie générale. Le capitaine l’a informé qu’un incendie s’était déclaré dans la salle des machines.

    Après l’activation de l’alarme d’incendie générale, le nettoyeurNote de bas de page 26 s’est immédiatement rendu au poste d’incendie. Il sera le premier membre d’équipage à y arriver. Le capitaine en second lui a ordonné d’enfiler une combinaison de pompier et de pénétrer dans la salle des machines, ce qu’il a refusé de faireNote de bas de page 27. Le capitaine en second a ensuite ordonné à l’un des 2 matelots qualifiés arrivés au poste d’incendie d’enfiler une combinaison de pompier, y compris un appareil de protection respiratoire autonome (APRA), et à l’autre d’en rapporter une d’une armoire du pont D.

    Entre-temps et après que le reste de l’équipe était entré dans la SCM, le chef mécanicien est arrivé à la salle des machines par l’ascenseur et y est entré par la porte de tribord la plus proche de l’ascenseur. Il n’y a remarqué aucune fumée ni vapeur. L’ascenseur est alors retourné au pont supérieur. Une fois dans la SCM, le chef mécanicien a regardé par la fenêtre de tribord de la cloison de la SCM et constaté que la visibilité du côté tribord de la salle des machines était bonne. Le chef mécanicien et l’équipe de la salle des machines se trouvant dans la SCM ont alors discuté de l’alarme d’incendie et de l’origine des vapeurs blanches.

    Le deuxième mécanicien a ordonné au machiniste 1 d’inspecter les ponts d’en bas. À 21 h 18 min 6 s, le système de TVCF a filmé une projection de mazout dans le déshuileur d’eau de cale mazouteuse, sur le pont inférieur. Le machiniste 1 est sorti de la SCM et commençait à descendre l’escalier menant du pont 2 au pont 3 lorsqu’il a aperçu de la fumée et des flammes sur le pont 3, aux environs de la chaudière auxiliaire. Il est donc retourné à la SCM pour en informer le deuxième mécanicien. Le mécanicien subalterne a signalé au deuxième mécanicien qu’il avait arrêté par inadvertance la pompe de circulation de la chaudière du pont 4. Le mécanicien subalterne est ensuite sorti de la SCM par la porte de tribord et a redémarré la pompe à 21 h 18 min 34 s. À 21 h 18 min 39 s, du mazout enflammé et des flammes ont été aperçus près de l’escalier entre les ponts 3 et 4, près de la génératrice 3Note de bas de page 28. Peu après, la salle des machines a commencé à se remplir rapidement de fumée noire. À 21 h 19 min 5 s, le mécanicien subalterne s’est précipité vers la SCM. À ce moment, la fréquence de la génératrice a également commencé à fluctuer.

    Dans l’intervalle, le troisième mécanicien est arrivé sur le pont supérieur, depuis le pont C, par les escaliers, s’est rendu à la porte 51 et l’a ouverte. À ce moment, de la fumée était visible dans la salle des machines. Le troisième mécanicien a ensuite utilisé un émetteur-récepteur portatif pour joindre le deuxième mécanicien, qui se trouvait dans la SCM, afin d’établir combien de membres d’équipage y étaient.

    À environ 21 h 22, le système de TVCF a filmé un éclair, puis les images de TVCF ont été presque entièrement obscurcies par la fumée noire qui remplissait la salle des machines. Le chef mécanicien a appelé la passerelle pour signaler la présence de fumée au capitaine et lui demander de réduire le régime du moteur principal, ainsi que de transférer les commandes du moteur à la salle des machines. Le chef mécanicien et le deuxième mécanicien ont ensuite arrêté le moteur principal et d’autres machines, sauf les moteurs de génératrice 1 et 3, lesquels fonctionnaient en parallèle.

    Peu après, le disjoncteur du moteur de génératrice 3 s’est déclenché, et le moteur de génératrice 4, qui était en mode automatique, s’est mis en marche. Les mécaniciens ont alors arrêté manuellement le moteur de génératrice 3 à partir de la SCM. À travers la fenêtre de la porte de bâbord de la SCM, on pouvait voir du carburant noir coulant sur les côtés de la caisse de décantation jusque sur les plateformes et les ponts d’en bas.

    Au poste d’incendie, tous les membres de l’équipage ne s’étaient pas encore rassemblés en réaction à l’alarme d’incendie générale. Le capitaine en second a demandé au capitaine de signaler l’incendie au moyen de l’interphone, ce qu’il a fait.

    À 21 h 20, tous les membres de l’équipage se trouvaient à leur poste de rassemblement désigné. Pendant ce temps, le capitaine a mis le système d’identification automatique du navire en mode « non-maître de sa manœuvre » (NUC)Note de bas de page 29 et a allumé les feux le signalant.

    À 21 h 22, le chef mécanicien a téléphoné au capitaine depuis la salle des machines pour lui demander d’ordonner au troisième mécanicien et à l’officier électrotechnicien de fermer les vannes à fermeture rapideNote de bas de page 30 de tous les réservoirs de mazout de la salle des machines. Il a aussi demandé l’activation des dispositifs d’arrêt d’urgenceNote de bas de page 31 du poste d’incendie. Peu après, le troisième mécanicien a activé les vannes à fermeture rapide et fermé les volets de la cheminéeNote de bas de page 32 (sauf un volet trop chaud pour être manipulé), de même que les clapets de ventilation de la salle des machinesNote de bas de page 33. L’officier électrotechnicien a aidé le troisième mécanicien à activer les dispositifs d’arrêt d’urgence.

    À 21 h 25 min 27 s, le deuxième mécanicien a arrêté le moteur de génératrice 1 manuellement, à partir de la SCM, et le disjoncteur du moteur de génératrice 4 s’est déclenché. Le navire était alors en panne complète d’électricité, et les caméras de TVCF ont cessé de filmer. Peu après, la génératrice de secoursNote de bas de page 34 a démarré automatiquement.

    À 21 h 34, la génératrice de secours s’est arrêtée, et le navire était de nouveau en panne d’électricité, laissant l’équipage sans éclairage ni alimentation électrique. L’officier électrotechnicien a redémarré la génératrice de secours peu après son arrêt.

    1.3.3 Sortie et évacuation de la salle des machines

    À environ 21 h 26, les 6 membres d’équipage se trouvant dans la SCM ont tenté d’en sortir par la porte de tribord, afin d’atteindre les sorties de tribord sur le pont supérieur. Cependant, ils n’ont pas pu le faire, car une épaisse fumée s’était accumulée dans la salle des machines. L’ascenseur a été envisagé comme une voie de sortie possible, mais l’équipage a choisi de ne pas l’employerNote de bas de page 35 et est retourné dans la SCM. Le quatrième mécanicien a vérifié la température de la porte de bâbord de la SCM avec un pistolet, lequel a indiqué 90 °C. Le chef mécanicien a appelé l’équipe de la passerelle avec son émetteur-récepteur portatif pour lui demander d’envoyer des appareils respiratoires d’évacuation d’urgence (AREU) en basNote de bas de page 36.

    Le capitaine en second a ordonné au nettoyeur de récupérer les 2 AREU du poste d’incendie et à un matelot portant une combinaison de pompier d’apporter les AREU en bas, à la SCM. Le matelot transportant les 2 AREU a ouvert la porte 51 et commencé à descendre l’escalier, mais il a rencontré une épaisse fumée qui l’a empêché d’atteindre la salle des machines et l’a forcé à retourner au pont supérieur. Le capitaine en second a alors demandé à d’autres membres d’équipage se trouvant au poste de rassemblement d’entrer dans la salle des machines. Tous ont refusé de le faire. Pendant ce temps, le troisième mécanicien a démarré la pompe d’incendie d’urgence du poste d’incendie. Le capitaine en second a ordonné au troisième mécanicien et à l’officier électrotechnicien de se rendre à la pompe pour vérifier si elle fonctionnait adéquatement et produisait la pression nécessaire.

    Le capitaine en second a ensuite enfilé l’APRA que le matelot portait et est entré, sans la protection de la combinaison de pompier, dans la salle des machines par la porte 51, avec les 2 AREU et une ligne de sécuritéNote de bas de page 37 qui lui avait été fixée. Il portait une combinaison de travail, mais il était mains nues. Tandis que le capitaine en second descendait l’escalier vers la salle des machines, il tenait la rampe d’une main et les AREU de l’autre. Durant sa descente, un liquide s’écoulait le long des caisses et éclaboussait les marches et les plateformes (autour du niveau supérieur de la chaudière), de même que les ponts plus bas, rendant le pont 2 glissant. À ce moment, le capitaine a lancé un appel de détresse sur la voie 16 de radiotéléphone à très haute fréquence (VHF)Note de bas de page 38, afin de demander de l’aide de tout autre navire se trouvant dans les environs.

    À 21 h 30, lorsqu’il est entré dans la SCM, le capitaine en second a donné les 2 AREU au chef mécanicien, lequel a aussi récupéré celui qui se trouvait dans la SCM. Le capitaine en second, dont les bottes étaient imprégnées de mazout, a montré au chef mécanicien, au deuxième mécanicien et au quatrième mécanicien comment enfiler adéquatement un AREU. Il leur a aussi expliqué qu’il avait rencontré une épaisse fumée noire et des écoulements de mazout, mais aucune chaleur, en se rendant à la SCM.

    À 21 h 38, 3 des 6 membres d’équipage se trouvant dans la SCM ont enfilé un AREU et suivi le capitaine en second hors de la salle des machines à l’aide de la ligne de sécurité fixée au capitaine en second. Pendant que ces 4 membres d’équipage montaient l’escalier (figures 9, 10 et 11), ils ont rencontré une fumée dense et de la chaleur issues de l’incendie. Le capitaine en second a trébuché dans l’escalier et s’est brûlé la paume des mains en saisissant la rampe pour rattraper son équilibre. Le chef mécanicien a également trébuché dans l’escalier et s’est brûlé les bras en entrant en contact avec les rampes. Le deuxième mécanicien a subi des brûlures similaires aux paumes et aux avant-bras. Le quatrième mécanicien a glissé et s’est heurté la tête, ce qui a délogé son AREU et lui a causé des brûlures aux oreilles.

    Figure 9. Voie empruntée par des membres d’équipage pour sortir de la salle des machines, avec l’escalier menant du pont 2 à la porte 51 sur le pont supérieur (Source : Garde côtière des États-Unis, avec annotations du BST)
    Image
    Voie empruntée par des membres d’équipage pour sortir de la salle des machines, avec l’escalier menant du pont 2 à la porte 51 sur le pont supérieur (Source : Garde côtière des États-Unis, avec annotations du BST)
    Figure 10. Gros plan de l’escalier menant de la plateforme à la porte 51 (Source : Garde côtière des États-Unis, avec annotations du BST)
    Image
    Gros plan de l’escalier menant de la plateforme à la porte 51 (Source : Garde côtière des États-Unis, avec annotations du BST)
    Figure 11. Gros plan de l’escalier utilisé par des membres d’équipage pour sortir de la salle des machines. La porte 51 se trouve au sommet de l’escalier. (Source : BST)
    Image
    Gros plan de l’escalier utilisé par des membres d’équipage pour sortir de la salle des machines. La porte 51 se trouve au sommet de l’escalier. (Source : BST)

    Peu après être sortis de la salle des machines, les 4 membres d’équipage ont fait traiter leurs brûlures à l’hôpital du navire, sur le pont supérieur. Une fois ses brûlures traitées, le chef mécanicien est monté jusqu’à la passerelle et a signalé au capitaine que 3 membres d’équipage demeuraient piégés dans la SCM. En raison de ses brûlures, le chef mécanicien a alors délégué une partie de ses responsabilités au deuxième mécanicien, y compris le pouvoir d’activer le système d’extinction d’incendie fixe au dioxyde de carbone (CO2).

    Les membres d’équipage se trouvant toujours dans la SCM demeuraient en contact avec le capitaine au moyen du téléphone du navire et d’un émetteur-récepteur portatif. Ils lui ont signalé la présence de fumée et de chaleur dans la SCM, ainsi que leur difficulté à respirer. Ils ont à plus d’une reprise demandé d’être évacués. Ils ont trouvé une bouteille contenant de l’eau et s’en sont servis pour mouiller des chiffons avec lesquels ils se sont couvert le visage, afin de se protéger contre la fumée et la chaleur. Le mécanicien subalterne a mesuré la température des portes et obtenu une valeur de 85 °C à bâbord, et de 50 °C à tribord. Entre-temps, le capitaine a constaté que l’ascenseur était inutilisable et était piégé sur le pont supérieur. L’officier électrotechnicien a été chargé de remettre l’ascenseur en service, mais il n’y est pas parvenu, et il a été réaffecté à des tâches de lutte contre l’incendie.

    Le capitaine a demandé un volontaire pour entrer dans la salle des machines et secourir le personnel qui y était piégé, mais il n’y en a pas eu. Il a alors demandé d’autres instructions à l’entreprise. Il a demandé aux membres d’équipage piégés de tenter de quitter la salle des machines sans aide, ce qu’ils ont essayé de faire à plus d’une reprise, mais sans succès. L’air de la salle des machines s’avérait désormais toxique. De la fumée s’infiltrait à travers une porte fermée dans la SCM, et la température montait.

    1.3.4 Lutte contre l’incendie

    À 21 h 40, l’équipage avait entrepris un refroidissement des cloisonnements, derrière la superstructure, après la découverte d’un incendie sur le pont supérieur, dans l’espace séparant les cales à marchandises 8P et 8S, près du réservoir de décantation et de la caisse journalière, dans la salle des machines. Les membres d’équipage ont éteint cet incendie, puis le capitaine en second a ordonné à l’équipage d’installer 2 tuyaux dans les tambours de ventilateur arrière de la salle des machines, afin d’acheminer de l’eau dans la salle des machines. L’équipage continuait de refroidir des cloisonnements dans le magasin de matériel de peinture, le magasin de pont voisin et le magasin de vivres secsNote de bas de page 39, où de la fumée avait été aperçue. L’eau acheminée vers le magasin de vivres secs se transformait immédiatement en vapeur. D’autres tuyaux ont été installés sur le pont B, afin de refroidir le tambour de la salle des machines depuis l’extérieur. Un des tuyaux se trouvait sur le pont supérieur, et l’équipage dirigeait de l’eau vers la porte 51, afin de déterminer si elle était chaude. L’eau projetée sur la porte ne se transformait pas en vapeur, alors l’équipage l’a partiellement ouverte pour projeter de l’eau vers les espaces renfermant la chaudière et la caisse de décantation.

    Le capitaine en second a indiqué au capitaine que l’incendie et la fumée augmentaient rapidement. L’eau utilisée pour refroidir les cloisonnements se transformait en vapeur, et la température aux environs de ces zones augmentait. Le capitaine a alors demandé au chef mécanicien s’il était possible de décharger du CO2 dans la salle des machines sans toucher la SCM. Le chef mécanicien a appelé le deuxième mécanicien avec son émetteur-récepteur portatif pour en discuter avec lui et le capitaine en second, au poste d’incendie. Ils ont soulevé des préoccupations quant à la sécurité du personnel se trouvant dans la SCM. Le personnel piégé dans la salle des machines a entendu l’échange au moyen d’un émetteur-récepteur portatif, ce qui a suscité de la panique. Le machiniste 1 a tenté de sortir, mais a été gêné par l’inhalation de fumée et s’est grièvement brûlé les mains. Il a renoncé.

    Le capitaine a également discuté avec BSM China de la possibilité de décharger du CO2 dans la salle des machines, y compris la SCM. L’entreprise lui a recommandé de tout essayer avant de prendre cette mesure.

    À 22 h 25, les alarmes d’incendie des zones 1, 3, 4, 5 et 6 ont commencé à sonnerNote de bas de page 40. Peu après, l’ascenseur a recommencé à fonctionner et s’est ouvert au niveau de la passerelleNote de bas de page 41. Le capitaine a signalé cette option éventuelle de sortie à BSM China, qui lui a demandé de l’évaluer. Il a indiqué au personnel piégé qu’il lui enverrait l’ascenseur. À 22 h 40, soit 1 heure 26 minutes après que l’incendie s’était déclaré, le mécanicien subalterne, le machiniste 1 et le machiniste 2 se sont couvert le visage de chiffons mouillés et sont sortis de la salle des machines par l’ascenseur. Ils sont ainsi parvenus au pont C, puis ont pris l’escalier jusqu’à la passerelle.

    Une fois que le personnel piégé dans la salle des machines a pu s’en échapper, l’équipage a retiré les tuyaux installés dans les ventilateurs et a fermé les clapets, ainsi que le dernier volet de la cheminée, en dirigeant parfois de l’eau sur ce dernier, afin de le refroidir. Le capitaine a ensuite ordonné le déchargement de CO2 dans la salle des machines.

    À 22 h 50, le deuxième mécanicien a déchargé du CO2 dans la salle des machines depuis le poste d’incendie. Peu après, la peinture à l’extérieur de la porte 51 a commencé à cloquer et de la fumée a commencé à sortir du cadre de la porte. L’équipage a refroidi la porte avec de l’eau et en a projeté vers le magasin de vivres secs, lequel semblait chauffer. Il a utilisé un tuyau se trouvant dans le compartiment de l’appareil à gouverner pour refroidir la cloison de la salle des machines près de la cale à marchandises 8, depuis l’intérieur du passage situé sous le pont, à bâbord. Il a inondé le passage, et l’eau a atteint le local de l’appareil à gouvernerNote de bas de page 42 et endommagé les commandes électriques de gouverne d’urgence.

    Tandis qu’il se rendait à l’hôpital du navire, sur le pont supérieur, le capitaine en second est passé devant le gymnase, depuis lequel il a entendu des éclatements laissant supposer la présence de chaleur ou d’un incendie. Il a alors demandé à l’équipage de commencer à refroidir la cloison de la salle des machines depuis l’intérieur de la cale à marchandises 7.

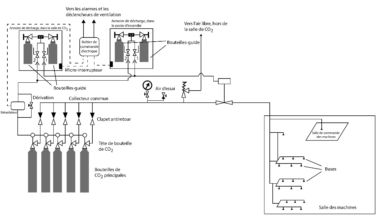
    Après avoir consulté le capitaine, le troisième mécanicien est entré dans la salle de CO2Note de bas de page 43 et a manuellement ouvert 30 bouteilles de CO2, afin de décharger du gaz dans la salle des machines. Un bruit de fuite pouvait être entendu depuis l’extérieur de la salle de CO2. L’officier électrotechnicien, qui se tenait à l’extérieur de la salle de CO2, a prévenu le troisième mécanicien que du CO2 était déchargé dans la salle de CO2 et lui a demandé d’en sortir. Le troisième mécanicien a ensuite enfilé un APRA, est entré dans la salle de CO2 et a manuellement ouvert 54 autres bouteilles.

    Le 1er février, à 2 h 09, le capitaine a signalé aux Services de communication et de trafic maritimes (SCTM) de la Garde côtière canadienne que les réserves de CO2 du navire s’appauvrissaient, que de la fumée s’échappait toujours de la cheminée. Il a aussi indiqué que le refroidissement des cloisonnements des cales à marchandises 7 et 8 ainsi que des emménagements se poursuivait.

    À 4 h, on a temporairement interrompu le refroidissement des cloisonnements pour aider l’équipage à évaluer la situation. L’incendie semblait être maîtrisé. L’équipage a vérifié la température du passage situé sous le pont, à côté de la porte de la salle des machines, et a remarqué qu’elle avait diminué. Le capitaine en second l’a signalé au capitaine.

    À 16 h 50, le deuxième mécanicien et le machiniste 2, équipés d’APRA, ont fait quelques pas dans la salle des machines, afin d’évaluer l’incendie, lequel couvait toujours. Ils ont ensuite pointé un tuyau de la porte 51 du pont supérieur vers le réservoir de décantation et la caisse journalière.

    Entre 17 h et 17 h 15, le deuxième mécanicien et l’officier électrotechnicien, munis d’APRA, sont entrés dans la salle des machines, afin de déterminer l’état de l’incendie. Ils ont signalé que l’air du pont 3 était respirable et qu’aucun incendie ne semblait couver.

    À 18 h, le troisième mécanicien et le machiniste 2, dotés d’APRA, sont entrés dans la salle des machines, ont marché autour des ponts 2 et 3 et ont constaté que l’incendie était éteint.

    1.3.5 Intervention de recherche et sauvetage

    Le 31 janvier, à 21 h 37, le capitaine a employé l’Inmarsat-C du navire pour envoyer un message de détresse non désignéNote de bas de page 44. Le message a été reçu par la Garde côtière des États-Unis (U.S. Coast Guard – USCG), laquelle a joint le Centre conjoint de coordination des opérations de sauvetage (CCCOS) de Victoria, à 22 h 23. La communication de l’USCG indiquait la position du MOL Prestige et le fait qu’un incendie s’était déclaré dans la salle des machines du navire et que 3 membres d’équipage y étaient piégés. Peu après, le CCCOS a chargé le navire de la Garde côtière canadienne (NGCC) Sir Wilfrid Laurier d’intervenir. Il a aussi affecté l’aéronef de recherche et sauvetage 465 (R465) de l’Aviation royale canadienne (ARC), basé à Comox (Colombie-Britannique).

    Entre-temps, à 22 h 43, le pétrolier Eagle Bay, qui se trouvait à 120 NM au nord-ouest du MOL Prestige, a reçu le message de détresse. Il a joint le CCCOS, qui lui a demandé de se rendre jusqu’au MOL Prestige.

    À 22 h 44, le CCCOS a transmis le message aux SCTM de Prince Rupert (Colombie-Britannique). Le CCCOS a informé les SCTM que le NGCC Sir Wilfrid Laurier avait été chargé d’intervenir. Le CCCOS a demandé aux SCTM de diffuser un Mayday Relay, ce qu’ils ont fait.

    À 22 h 47, le pétrolier Polar Resolution, qui se trouvait à 75 NM à l’est du MOL Prestige, a répondu au Mayday Relay, et le CCCOS l’a chargé d’intervenir.

    Entre 22 h 55 et 23 h 19, le R465 et le NGCC Sir Wilfrid Laurier ont lancé leur opération.

    À 23 h 42, le capitaine avait établi un contact direct avec les SCTM et les avait informés que tous les membres d’équipage étaient présents, que la salle des machines avait été remplie de CO2 et que l’incendie avait été éteint. Il a demandé une aide médicale et signalé que l’équipage allait chercher la cause de l’incendie. Il a également affirmé aux SCTM que le navire n’était alimenté en électricité que par sa génératrice de secours.

    Le 1er février, à 0 h 01, un avis SafetyNETNote de bas de page 45 a été diffusé. Peu après, les SCTM ont indiqué au capitaine que le Polar Resolution se trouvait à 40 NM à l’ouest du MOL Prestige.

    À 1 h 20, le MOL Prestige a signalé aux SCTM que l’incendie brûlait toujours, qu’il n’était pas maîtrisé et que le capitaine réévaluait la situation.

    À 1 h 37, le capitaine a affirmé qu’il était en contact avec le Polar Resolution, qui se trouvait à 2 heures du MOL Prestige. Il a aussi indiqué qu’il déchargeait du CO2 manuellement et qu’on préparait l’embarcation de sauvetageNote de bas de page 46 en vue d’abandonner le navire.

    À 3 h 17, il a indiqué aux SCTM que l’incendie de la salle des machines brûlait toujours et qu’il était impossible pour l’équipage d’accéder à la salle des machines. Les passages sous le pont étaient accessibles. Le capitaine a affirmé que la quantité de fumée n’avait pas changé et que le navire avait encore du carburant pour 6 heures d’exploitation de la génératrice de secours. Il a signalé aux SCTM que les pompes d’incendie étaient connectées à la génératrice de secours.

    À 3 h 56, le Polar Resolution a atteint le MOL Prestige et était prêt à fournir de l’aide. L’équipage du MOL Prestige poursuivait le refroidissement des cloisonnements. À 8 h, le capitaine a indiqué aux SCTM que la quantité de fumée issue de la cheminée avait diminué.

    À 9 h 07, les SCTM ont joint le Bureau de la sécurité des transports du Canada (BST) pour lui signaler qu’un incendie s’était déclaré à bord du MOL Prestige.

    À 9 h 42, le capitaine leur a indiqué que l’équipage utilisait des seaux pour transférer du GMFTS de la caisse journalière à la génératrice de secours. À 10 h 44, le capitaine a affirmé aux SCTM que le refroidissement des cloisonnements se poursuivait, que de la fumée sortait encore de la cheminée et qu’il restait environ 60 bouteilles de CO2.

    À 11 h 34, l’Eagle Bay a atteint le MOL Prestige et a reçu comme instructions du CCCOS de demeurer sur place et d’attendre d’autres consignes. À 11 h 35, le Polar Resolution a indiqué aux SCTM qu’il communiquait avec le MOL Prestige. Le Polar Resolution a également signalé que ses embarcations de sauvetage étaient prêtes, si l’équipage du MOL Prestige devait abandonner le navire. Peu après, on a indiqué à l’Eagle Bay qu’il pouvait quitter les lieux.

    À 14 h 14, le remorqueur Denise Foss, qui est enregistré aux États-Unis et qui avait été affrété pour remorquer le MOL Prestige, a quitté Neah Bay (État de Washington), aux États-Unis.

    À 15 h 13, le R465 et un autre hélicoptère, soit l’aéronef de recherche et sauvetage 903 de l’ARC, ont transporté le capitaine en second et le machiniste 1 jusqu’à un hôpital du village de Queen Charlotte (Colombie-Britannique). Le chef mécanicien, le deuxième mécanicien et le machiniste 2 ont également été examinés par des techniciens en recherche et sauvetage.

    À 23 h 41, le NGCC Sir Wilfrid Laurier est arrivé sur les lieux de l’événement et le Polar Resolution, qui était en attente, a été libéré. Le 2 février, à 8 h, le NGCC Sir Wilfrid Laurier a demandé au MOL Prestige qu’il mette en place des dispositifs d’embarquement. Peu après, l’embarcation rapide de sauvetage du NGCC Sir Wilfrid Laurier s’est immobilisée le long du MOL Prestige. Entre 10 h et 12 h 15, l’équipage du NGCC Sir Wilfrid Laurier a prodigué les premiers soins au chef mécanicien, au deuxième mécanicien et au quatrième mécanicien.

    Le MOL Prestige est demeuré à la dérive jusqu’au 3 février, avec le NGCC Sir Wilfrid Laurier en attente, jusqu’à ce que le remorqueur Denise Foss arrive à 17 h 44 et commence à remorquer le navire jusqu’à Seattle (État de Washington), aux États-Unis. Tous les membres d’équipage sont demeurés à bord, sauf les 2 transportés à l’hôpital. Le remorqueur est arrivé avec le MOL Prestige le 11 février. Le MOL Prestige a été réparé à Seattle et remis en service le 20 mars.

    1.4 Avaries au navire

    Le navire a subi les avaries suivantes en raison de l’incendie.

    • La hiloire 18, au-dessus de la caisse de décantation et de la caisse journalière de ML, a été déformée entre les couples 27 et 35.
    • La plaque du pont supérieur, au-dessus de la caisse de décantation et de la caisse journalière de ML, a été déformée entre les couples 27 et 30, tout comme les hiloires  18 et 20, à bâbord.
    • Le pont supérieur, derrière les emménagements, entre la cale à marchandises 8 à bâbord et la salle des machines, a été déformé entre les couples 28 et 33, à bâbord.
    • L’équipement électrique, dont le tableau de distribution principal, les génératrices 3 et 4 et divers câbles d’alimentation, a subi des dommages considérables.
    • Les détecteurs d’incendie de la salle des machines ont été brûlés ou autrement endommagés par la chaleur.
    • L’isolation de classe A-60 de la division entre entre la salle des machines et les emménagements a été endommagée par la chaleur.
    • De l’équipement de lutte contre les incendies, y compris des extincteurs, des tuyaux et des AREU, a été endommagé.
    • Les lignes de commande du système d’extinction d’incendie fixe (CO2) des cales à marchandises ont été endommagées par la chaleur.

    1.5 Blessures

    Cinq membres d’équipage ont été grièvement blessésNote de bas de page 47. La plupart des blessures étaient des brûlures. Un membre d’équipage a aussi souffert d’inhalation de fumée.

    1.6 Conditions environnementales

    Lors de l’événement, le ciel était couvert, le vent soufflait tantôt du sud, tantôt du sud-est ou du sud-ouest, à environ 11 à 20 nœuds. La houle atteignait 3 m, et la température de la mer et de l’air se chiffrait à quelque 6 °C.

    Le 1er février, à 11 h 34, le vent soufflait du sud-est à 30 à 35 nœuds; à 17 h 32, il soufflait du sud-ouest à 25 nœuds. La houle atteignait 6 m.

    Le 2 février, à 4 h 02, le vent soufflait de l’ouest-sud-ouest à 27 nœuds et la houle atteignait 2 à 3 m.

    1.7 Certification du navire

    Le MOL Prestige est un navire assujetti à la Convention SOLAS dont l’équipage, l’équipement et la certification respectaient la réglementation en vigueur. Conformément au Code international de gestion pour la sécurité de l’exploitation des navires et la prévention de la pollution (Code ISM), le navire était visé par un certificat valide de gestion de la sécuritéNote de bas de page 48. Ce certificat avait été délivré par DNV-GL le 5 juin 2017. Le navire était classé par Nippon Kaiji Kyokai (ClassNK)Note de bas de page 49 et avait subi sa dernière inspection annuelle le 28 juin 2017.

    1.8 Certification et expérience du personnel

    Les membres de l’équipage du MOL Prestige détenaient des certificats conformément aux dispositions de la Convention internationale sur les normes de formation des gens de mer, de délivrance des brevets et de veille (Convention STCW).

    Le capitaine possédait un certificat de capacité de capitaine délivré par le gouvernement de l’Inde, visé par l’Autorité maritime et portuaire de Singapour et valide jusqu’au 19 juillet 2021. Il travaillait comme capitaine depuis 1981, à bord de porte-conteneurs depuis 1985. Il travaillait à bord de navires gérés par BSM depuis 2002. Il s’est joint à l’équipage du MOL Prestige le 19 septembre 2017.

    Le capitaine en second possédait un certificat de capacité de capitaine délivré par le gouvernement de l’Inde, visé par l’Autorité maritime et portuaire de Singapour et valide jusqu’au 29 juillet 2020. Il avait commencé sa carrière en mer en 2005, et travaillait à bord de porte-conteneurs depuis 2006. Il occupait le poste de capitaine en second depuis 2013. Il avait été embauché par BSM en novembre 2016 et avait commencé à travailler comme capitaine stagiaire à bord du MOL Prestige le 7 août 2017. Lors de l’événement, il était en prolongation de 2 mois de son contrat de 4 mois.

    Le troisième officier possédait un certificat de capacité de premier lieutenant délivré par le gouvernement de l’Inde, visé par l’Autorité maritime et portuaire de Singapour et valide jusqu’au 26 juillet 2021. Il avait commencé sa carrière en mer en 2013, comme élève-officier de pont de BSM. Après avoir obtenu son certificat de capacité, en 2016, il s’était joint à une autre entreprise comme officier de pont subalterne. Le 3 janvier 2018, il était revenu chez BSM comme troisième officier.

    Le chef mécanicien possédait un certificat de capacité d’officier mécanicien de marine de classe I délivré par le gouvernement de l’Inde, visé par l’Autorité maritime et portuaire de Singapour et valide jusqu’au 17 octobre 2020. Il avait commencé sa carrière en mer en 2003 chez BSM, et avait travaillé comme mécanicien subalterne, quatrième mécanicien, troisième mécanicien et deuxième mécanicien. En 2012, il était devenu chef mécanicien et avait œuvré à ce titre à bord de 6 porte-conteneurs similaires au MOL Prestige, dont il était devenu le chef mécanicien le 23 janvier 2018, alors que le navire se trouvait à Tacoma. Le jour où il était monté à bord du MOL Prestige, il avait reçu quelques heures de familiarisation, y compris des rondes effectuées avec le chef mécanicien précédent et l’identification de tous les éléments de sécurité.

    Le deuxième mécanicien possédait un certificat de capacité de deuxième mécanicien délivré par le Royaume-Uni, visé par l’Autorité maritime et portuaire de Singapour et valide jusqu’au 17 juillet 2018. Il avait commencé sa carrière en mer en 2005, à bord de porte-voitures. En 2009, il avait commencé à travailler à bord de porte-conteneurs, d’abord comme quatrième mécanicien, puis comme troisième mécanicien. En 2013, il avait commencé à œuvrer comme deuxième mécanicien chez BSM. Il s’était joint à l’équipage du MOL Prestige comme deuxième mécanicien le 17 décembre 2017. Il avait alors bénéficié de 18 heures de familiarisation.

    Le troisième mécanicien possédait un certificat de capacité d’officier mécanicien de marine de classe II délivré par le gouvernement de l’Inde, visé par l’Autorité maritime et portuaire de Singapour et valide jusqu’au 8 mai 2020. Il avait commencé sa carrière en mer en 2008 et avait travaillé comme mécanicien subalterne et quatrième mécanicien à bord de porte-conteneurs jusqu’en 2013. Il avait été embauché par BSM en 2013 et s’était joint à l’équipage du MOL Prestige le 26 décembre 2017. Il avait alors reçu 12 heures de familiarisation.

    Le quatrième mécanicien possédait un certificat de capacité d’officier mécanicien de marine de classe IV délivré par le gouvernement de l’Inde, visé par l’Autorité maritime et portuaire de Singapour et valide jusqu’au 6 septembre 2021. Il avait commencé sa carrière en mer en 2014 et travaillé à bord de pétroliers pendant 3 mois et demi et sur des porte-conteneurs durant 6 mois comme mécanicien subalterne. Après avoir obtenu son certificat de capacité, il avait été embauché par BSM le 17 janvier 2017 comme apprenti quatrième mécanicien pour une période d’affectation à bord du MOL Prestige. En août 2017, il avait entrepris une deuxième période d’affectation à bord du MOL Prestige comme quatrième mécanicien.

    L’officier électrotechnicien détenait un certificat de capacité d’officier électrotechnicien délivré par le gouvernement de l’Inde le 27 mars 2017. Il avait commencé sa carrière en mer dans la Marine indienne et avait pris sa retraite de celle-ci en 1997. Il s’est joint à BSM en 2011 et à l’équipage du MOL Prestige le 26 décembre 2017.

    Le mécanicien subalterne possédait un diplôme indien de mécanicien de marine. Il remplissait son premier contrat et travaillait à bord du MOL Prestige depuis juin 2017.

    Le machiniste 1 avait commencé sa carrière en mer en 2000 et navigué à bord de divers types de navire, y compris des porte-conteneurs. Il avait été embauché par BSM en 2007 et travaillait à bord du MOL Prestige depuis le 26 septembre 2017.

    Le machiniste 2 avait commencé sa carrière en mer en 2000 et navigué à bord de divers types de navire, y compris des porte-conteneurs. Il avait été embauché par BSM comme machiniste à bord de porte-conteneurs en 2011 et travaillait à bord du MOL Prestige depuis le 19 septembre 2017.

    1.9 Types de carburant utilisés par le MOL Prestige

    Le MOL Prestige utilisait 2 types de carburant distincts, soit du GMFTS dans les zones de contrôle des émissions et du ML hors de celles-ci.

    Le ML, qui est un carburant résiduel issu de la distillation du pétrole brut, est largement employé pour alimenter des chaudières et des moteurs diesel marins. Il présente généralement une viscosité et une teneur en soufre supérieures à celles du GMFTS. Son utilisation est interdite dans les zones de contrôle des émissions en raison de sa teneur supérieure en soufre.

    Le GMFTS est un distillat pur raffiné qui est issu de produits pétroliers et qui sert à alimenter des moteurs diesel, des turbines à gaz, des chaudières et des installations de chauffage. En raison de sa faible teneur en soufre, il peut être utilisé dans les zones de contrôle des émissions. Il présente une viscosité inférieure à celle du ML, ce qui peut en favoriser les fuites dans les systèmes conçus pour du ML.

    En général, les points d’auto-inflammationNote de bas de page 50 et d’ébullition minimaux du ML et du GMFTS sont les suivants (tableau 2) :

    Tableau 2. Propriétés du mazout lourd et du gasoil marin à faible teneur en soufre
    Types de carburant ML GMFTS
    Point d’auto-inflammation (°C) Min. : 250 Min. : 250
    Point d’ébullition (°C) Min. : 175 Min. : 154

    Les points d’éclairNote de bas de page 51 du ML et du GMFTS utilisés à bord du navire lors de l’événement étaient respectivement supérieurs à 70 et à 84 °C. Selon la réglementation de l’Organisation maritime internationale (OMI), leur point d’éclair minimal doit être supérieur à 60 °C lorsqu’ils sont utilisés dans des compartiments de machines.

    Lorsqu’ils sont chauffés jusqu’à une température supérieure à leur point d’éclair, le ML et le GMFTS produisent des vapeurs plus lourdes que l’air qui peuvent s’enflammer si elles sont exposées à des flammes nues, des étincelles ou des décharges d’électricité statique. Les brumes ou pulvérisations de ML et de GMFTS peuvent être inflammables à des températures inférieures à leur point d’éclair normal. La concentration de vapeur peut être mesurée en pourcentage dans l’air, afin d’établir une limite inférieure d’inflammabilitéNote de bas de page 52 et une limite supérieure d’inflammabilitéNote de bas de page 53.

    La limite inférieure d’inflammabilité du ML peut varier selon de nombreux facteurs, dont les suivants :

    • point d’éclair du ML;
    • taille de la surface exposée;
    • agitation possible du ML;
    • quantité d’air dans le réservoir de ML (espace libre);
    • taux d’échange d’air à travers les évents de l’espace libre.

    L’espace libre d’un réservoir de ML doit être considéré comme dangereux, quel que soit le point d’éclair du carburant. Lorsque l’espace libre est minime et que l’échange d’air y est faible ou nul, la vapeur d’hydrocarbure émise par le carburant même à une température bien inférieure à son point d’éclair peut se concentrer rapidement, jusqu’à atteindre ou dépasser la limite inférieure d’inflammabilité.

    1.10 Systèmes d’alimentation en carburant

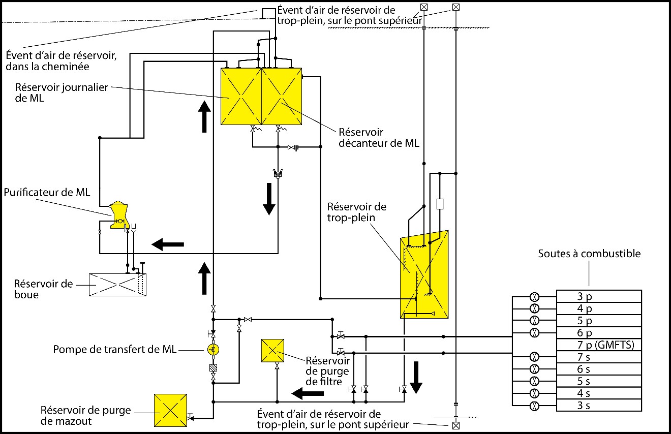
    Le MOL Prestige comptait 2 systèmes d’alimentation en carburant, soit un pour le ML et l’autre pour le GMFTS. Le système de ML se composait de soutes à combustible, d’un réservoir de décantation, d’une caisse journalière, de 3 purificateurs et d’une pompe de transfert (figure 12). Le système de GMFTS consistait en 2 soutes à combustible, une pompe de transfert et une caisse journalière. Les 2 systèmes partageaient un réservoir de trop-plein et un réservoir de purge.

    Lors de l’événement, l’équipage transférait du ML de la soute à combustible 7S à la caisse de décantation de ML, à l’aide de la pompe de transfert. Il transférait aussi du mazout de la caisse de décantation à la caisse journalière, en passant par le purificateur.

    Figure 12. Composants du système de mazout lourd (Source : BST, d’après le diagramme de canalisations du navire)
    Image
    Composants du système de mazout lourd (Source : BST, d’après le diagramme de canalisations du navire)

    1.10.1 Soutes à combustible

    Les combustibles du MOL Prestige étaient stockés dans 10 soutes à fond double, soit 5 à bâbord et 5 à tribord désignées comme suit : 3P, 3S, 4P, 4S, 5P, 5S, 6P, 6S, 7P et 7S. Toutes les soutes servaient à stocker du ML, sauf la 7P.

    Avant d’entrer dans la zone de contrôle des émissions, environ 272 m3 de ML avaient été transférés de la soute 5P à la soute 7S, dont le contenu totalisait ensuite 807 m3. Aucune consommation depuis la soute 7S n’avait été enregistrée après l’entrée du navire dans la zone de contrôle des émissions.

    Le 23 janvier, à Tacoma, du ML avait été chargé dans les soutes à combustible du navire. Avant ce ravitaillement, le contenu restant des soutes 3P, 3S, 5P et 5S avait été transféré dans la soute 7S Note de bas de page 54.

    Le 10 février, alors que le navire remorqué arrivait à Seattle après l’événement, le capitaine a indiqué dans ses valeurs d’arrivée que la soute 7S contenait environ 787 m3 de mélange d’hydrocarbure.

    Lors de l’événement, le ML de la soute 7S avait été chauffé jusqu’à environ 30 °C, et quelque 20 m3 de mélange d’hydrocarbure avait été transféré de la soute 7S à la caisse de décantation Note de bas de page 55.

    1.10.2 Réservoir de décantation de mazout lourd

    Le MOL Prestige avait un réservoir de décantation employé pour séparer l’eau et d’autres impuretés du ML transféré depuis les soutes à combustible. Pendant la décantation, l’eau et les impuretés lourdes s’accumulent au fond du réservoir, sous le ML, par l’effet de la gravité. Le réservoir est chauffé par des serpentins de vapeur, afin que la température de son ML passe d’environ 30 °C à quelque 85 °C, ce qui accroît la différence de densité entre le ML et l’eau et accélère le processus de décantation. La caisse de décantation présentait une capacité de 108,5 m3.

    Le sommet de la caisse de décantation comportait 2 évents d’air de 10 cm de diamètre situés dans des coins opposés. Chaque évent menait à un collecteur qui se terminait dans la cheminée. Le sommet de la caisse de décantation était doté d’une canalisation de 15 cm de diamètre employée pour remplir le réservoir au moyen de la pompe de transfert. La caisse de décantation comportait :

    • un interrupteur de niveau élevé conçu pour prévenir tout débordement en arrêtant automatiquement la pompe de transfert lorsque le contenu du réservoir atteint environ 95 m3;
    • une alarme de niveau élevée qui est déclenchée lorsque le contenu du réservoir atteint environ 102 m3;
    • une canalisation de trop-plein de 20 cm de diamètre qui mène au réservoir de trop-plein, dans lequel une partie du contenu de la caisse de décantation est déversée lorsque le volume atteint environ 105 m3;
    • des canalisations entre les purificateurs de ML, la pompe de transfert et des vannes connexes (figure 13).
    Figure 13. Vue transversale du réservoir de décantation et de la caissedes caisses décanteur et journalière (Source : BST, selon les schémas des caisses)
    Image
    Vue transversale du réservoir de décantation et de la caissedes caisses décanteur et journalière (Source : BST, selon les schémas des caisses)

    On maintenait généralement à 85 °C la température de la caisse de décantation. Celui-ci comportait un thermomètre local et un détecteur de température élevée conçu pour déclencher une alarme dans la SCM si la température atteignait environ 90 °C. Avant l’événement, de la vapeur s’échappait du siège des vannes de serpentin de vapeur et traversait les vannes même lorsqu’elles étaient fermées, chauffant ainsi continuellement le contenu de la caisse de décantation.

    Lors de l’événement, la température du ML dans la caisse de décantation atteignait 120 °C. Après l’événement, le BST a examiné les registres d’alarme allant du 15 janvier jusqu’au jour de l’événement et constaté que l’alarme de température élevée de la caisse de décantation s’était déclenchée le 26 janvier, sur le panneau d’alarme de la salle des machines. Le BST n’a pas pu déterminer si la température de la caisse de décantation de ML avait été vérifiée ou si d’autres mesures avaient été prises en raison de l’alarme.

    Le sommet du réservoir avait été initialement muni d’un indicateur à flotteurNote de bas de page 56 qui transmettait continuellement de l’information sur son niveau à un dispositif de surveillance situé sur la cloison du réservoir. Le dispositif indiquait visuellement les niveaux et déclenchait des alarmes dans la SCM lorsque le contenu du réservoir atteignait des niveaux élevés ou faibles (figure 14). Sur la caisse de décantation, un indicateur avait été fixé avec un raccord à brides à une canalisation de 10 cm de diamètre qui se prolongeait jusqu’au fond du réservoir et dans laquelle le fil et le flotteur de l’indicateur montaient ou descendaient. À un certain moment, l’indicateur avait été retiré aux fins de réparation ou de remplacement, et l’ouverture de la canalisation avait été couverte par une bride pleineNote de bas de page 57. Le réservoir ne comportait aucun tuyau de sonde réservé aux mesures manuelles.

    Figure 14. Type d’indicateur de niveau à flotteur initialement fixé par-dessus l’ouverture du tuyau de sonde du réservoir de décantation et la caisse journalière (Source : BST)
    Image
    Type d’indicateur de niveau à flotteur initialement fixé par-dessus l’ouverture du tuyau de sonde du réservoir de décantation et la caisse journalière (Source : BST)

    Pour effectuer une mesure manuelle, un membre d’équipage devait monter sur le dessus de la caisse de décantation, déboulonner et retirer la bride pleine, prendre la mesure dans le réservoirNote de bas de page 58, puis réinstaller et boulonner la bride. L’espace au-dessus du réservoir était restreint. À un certain moment, la bride pleine n’avait pas été réinstallée, afin de faciliter la prise des mesures. On ne sait pas quand la dernière mesure avait été prise. Le registre de la salle des machines ne comportait aucune donnée sur des mesures manuelles. L’équipage avait également l’habitude de mesurer le niveau de la caisse de décantation en activant la pompe de transfert jusqu’à ce qu’elle s’arrête lorsque le niveau élevé maximal était atteint, puis en estimant la quantité dans le réservoir.

    Après l’événement, une bride pleine, 3 écrous et 2 boulons ont été trouvés sur le dessus du réservoir, près de l’ouverture du tuyau indicateur (figure 15).

    Figure 15. L’ouverture du tuyau indicateur de niveau, ainsi que la bride pleine, des écrous et des boulons, sur le dessus de la caisse de décantation, après l’incendie (Source : BST)
    Image
    L’ouverture du tuyau indicateur de niveau, ainsi que la bride pleine, des écrous et des boulons, sur le dessus de la caisse de décantation, après l’incendie (Source : BST)

    Selon des données consignées par le chef mécanicien, la caisse de décantation contenait 70 m3 de liquide le 18 janvier et 60 m3 le 22 janvier. Le 24 janvier, il a consigné une quantité de 60 m3. Le niveau mesuré par sonde après l’incendie se chiffrait à environ 90 m3, soit quelque 83 % de la capacité totale du réservoir.

    Après l’événement, des échantillons du contenu de la caisse de décantation ont été prélevés et analysés dans un laboratoire privé. L’analyse a montré que le réservoir renfermait 7,7 % d’eau douce d’une salinité inférieure à 2,0 parties par millierNote de bas de page 59, ainsi qu’une dilution considérable par du GMFTS et d’autres composés moins volatils.

    1.10.3 Caisses journalières

    Le MOL Prestige comportait 2 caisse journalières servant respectivement à alimenter en GMFTS et en ML le moteur principal et les moteurs de génératrice. La caisse journalière de ML, d’une capacité de 113,2 m3, avait une canalisation de trop-plein connectée de manière interne à la caisse de décantation, de sorte que tout trop-plein issu de la caisse journalière retourne à la caisse de décantationNote de bas de page 60. Sa partie supérieure était dotée de 2 évents d’air situés à des coins opposés, qui menaient au même collecteur que ceux de la caisse de décantation et qui se terminaient dans la cheminée (figure 12).

    La température de la caisse journalière de ML était généralement maintenue à 85 °C. À l’instar de la caisse de décantation, un de ses côtés comportait un thermomètre local et un détecteur de température élevée qui déclenchait une alarme dans la SCM si la température atteignait environ 90 °C.

    Lors de l’événement, la température constatée du ML dans la caisse journalière se chiffrait à 105 °C. Après l’incendie, le BST a examiné les données d’alarme consignées entre le 15 janvier et le moment de l’événement, et constaté que l’alarme de température élevée de la caisse journalière avait sonné le 26 janvier. Cependant, rien ne montrait quelles mesures avaient été prises en conséquence.

    La caisse journalière de ML comprenait initialement un indicateur à flotteur qui fournissait continuellement de l’information sur son niveau à un dispositif de surveillance fixé à sa cloison. Il montrait visuellement les niveaux et déclenchait des alarmes dans la SCM si le contenu atteignait un niveau faible. L’alarme était réglée de façon à sonner lorsque le niveau du réservoir tombait à environ 103 m3. Comme l’indicateur de la caisse de décantation, celui de la caisse journalière, qui se trouvait au sommet du réservoir, était initialement fixé à une canalisation au moyen d’une connexion à brides. À un certain moment, il a été retiré aux fins de réparation ou de remplacement, et la canalisation ouverte a été bouché à l’aide d’une bride pleine fixée avec 1 boulon. Les écrous et les boulons restants ont été trouvés sur le dessus de la bride pleine (figure 16).

    Pour effectuer une mesure manuelle, un membre d’équipage devait monter sur le dessus de la caisse journalière, déboulonner et retirer la bride pleine, prendre la mesure dans le réservoir, puis réinstaller et boulonner la bride. On ne sait pas quand la dernière mesure a été prise. Le registre de la salle des machines ne comportait aucune donnée sur des mesures manuelles. L’espace était minime au-dessus de la caisse journalière, et un seau de 5 gal vide était placé pour qu’une personne puisse s’asseoir. L’éclairage y était minime, et une lampe portative de 220 V était laissée sur le dessus du réservoir.

    Figure 16. Bride pleine fixée avec 1 boulon au tuyau indicateur de niveau de la caisse journalière de mazout lourd (Source : BST)
    Image
    Bride pleine fixée avec 1 boulon au tuyau indicateur de niveau de la caisse journalière de mazout lourd (Source : BST)

    Selon des données consignées par le chef mécanicien, la caisse journalière contenait 90 m3 de ML le 18 janvier 2018 et 70 m3 le 22. Les registres d’alarme de la salle des machines indiquent que le 20 janvier, l’alarme de faible niveau de la caisse journalière de ML a été activée. À ce moment, le chef mécanicien vérifiait les composants de l’indicateur de niveau de la caisse journalière, car une vanne partiellement ouverte dans le collecteur de sortie du purificateur avait redirigé le ML de la caisse journalière à la caisse de décantation. Ce n’est qu’après l’activation de l’alarme de niveau élevé du réservoir de trop-plein et la vérification du niveau de la caisse journalière que le chef mécanicien a constaté que la caisse journalière s’était dévidé dans le réservoir de trop-plein, par l’intermédiaire de la caisse de décantation.

    Le 24 janvier, le chef mécanicien a consigné une quantité de 70 m3. Le réservoir a été sondé après l’incendie et son contenu était de 94,6 m3, soit à 83 % de sa capacité totale.

    Après l’événement, des échantillons ont été prélevés dans la caisse journalière de ML et analysés par un laboratoire privé. Les résultats ont révélé une teneur en eau de 0,7 % et une viscosité de 394 centistokes à 50 °C.

    1.10.4 Réservoir de trop-plein

    Le MOL Prestige avait 1 réservoir de trop-plein utilisé pour récupérer le ML et le GMFTS qui débordaient des réservoirs de décantation et de stockage, s’ils étaient trop remplis. Ce réservoir servait aussi à capter le rétrorinçage des filtres du moteur principal et des moteurs diesel de génératrice. Ce réservoir avait une capacité de 111,7 m3, 2 évents d’air qui se terminaient de part et d’autre du pont supérieur et un indicateur de niveau élevé qui déclenchait une alarme sur le panneau de la salle des machines lorsque le volume atteignait environ 84,36 m3.

    En octobre 2017, l’équipe de la salle des machines avait été confrontée à une situation où le réservoir de trop-plein se remplissait à un rythme anormal. Le 16 octobre, en début de matinée, on avait sondé le réservoir de trop-plein et consigné un volume de 2,56 m3. En début d’après-midi, l’alarme de niveau élevé du réservoir de trop-plein s’était déclenchée. Elle avait ensuite sonné de nouveau, et un volume de 84,36 m3 avait été mesuré. En utilisant une pâte de détection d’eau, l’équipe avait établi que le réservoir était plein d’eau. À ce moment, le chef mécanicien avait signalé à BSM China que de la vapeur et de l’eau fuyaient des serpentins de vapeur situés dans le réservoir de trop-plein. BSM China avait donné instruction au chef mécanicien de transférer le contenu du réservoir de trop-plein dans la soute à combustible 7S.

    En soirée, l’équipe avait recouvert l’entrée et la sortie de vapeur du réservoir de trop-plein, afin d’empêcher toute vapeur de s’échapper. Le matin suivant, elle avait à nouveau sondé le réservoir et établi son volume à 107,9 m3 de mélange d’eau mazouteuse. Environ 30 m3 de ce mélange avait été transféré dans la soute à combustible 7S qui, à ce moment, renfermait déjà 395 m3 de ML. Le 18 octobre, le mécanicien avait signalé à BSM China que le contenu du réservoir de trop-plein avait augmenté de 9 m3 en 7 heures. Entre les 18 et 23 octobre, environ 56 m3 d’eau avaient été transférés du réservoir de trop-plein au réservoir de boue de cale et aux caisses d’huile usée. Le 21 octobre, le réservoir de trop-plein contenait 31 m3 de mélange d’eau mazouteuse. L’enquête n’a pas montré si des mesures avaient été prises pour régler le problème.

    Le 5 janvier 2018, on avait consigné un volume de 27,3 m3 dans le réservoir de trop-plein, puis 31,6 m3 le 8 janvier. Le chef mécanicien avait indiqué à BSM China que le contenu du réservoir de trop-plein s’était vraisemblablement dévidé dans la soute à combustible 7S peu aprèsNote de bas de page 61. Le 18 janvier, le chef mécanicien avait informé BSM China que le contenu du réservoir de trop-plein se chiffrait à environ 27,3 m3. Par la suite, le réservoir de trop-plein avait été vidé à nouveau, mais son volume avait recommencé à augmenter jusqu’à ce qu’il totalise 19,3 m3 le 20 janvier. Le même jour, le réservoir de trop-plein avait été rempli par inadvertance durant une nouvelle épuration du ML de la caisse journalière, ce qui avait déclenché l’alarme de niveau élevé. Le réservoir avait été vidé une troisième fois. Le 22 janvier, le mécanicien avait indiqué à BSM China que le volume du réservoir de trop-plein atteignait 5,92 m3. Le 24 janvier, en vue d’un transfert de ML depuis les soutes à combustible, le réservoir de trop-plein avait été vidé une quatrième foisNote de bas de page 62. Environ 22 m3 de son contenu avait été transféré dans la caisse de décantation. Le niveau du réservoir de trop-plein avait recommencé à monter pour atteindre 10,5 m3 le 31 janvier, comme indiqué dans le registre de sondage. Le registre de sondage quotidien des caisses indique que l’équipe transférait souvent le contenu du réservoir de trop-plein à d’autres caisses. L’enquête a montré que son contenu n’était pas transféré dans les caisses d’huile usée ou de boue.

    D’après l’enquête, le contenu du réservoir de trop-plein avait augmenté pour atteindre approximativement 19 m3 au moment de l’événement. L’alarme de niveau élevé du réservoir de trop-plein ne s’était pas déclenchée. Après l’événement, le volume du réservoir de trop-plein totalisait 29,65 m3.

    1.10.5 Réservoir de purge

    Le MOL Prestige comportait un réservoir de purge d’une capacité de 4,7 m3 qui servait à récupérer le ML et le GMFTS qui fuyaient de certains équipements, dont le moteur principal, les moteurs de génératrice, les purificateurs et les boîtiers de pompe à combustible. Ce réservoir était muni d’un indicateur de niveau élevé conçu pour déclencher une alarme sur le panneau de la salle des machines lorsque son volume atteignait 4,0 m3.

    Le réservoir de purge était relié au collecteur d’aspiration de la pompe de transfert de ML, de sorte que son contenu puisse être transféré à la caisse de décantation ou aux soutes à combustible. Les canalisations et les pompes de carburant à haute pression du moteur principal du navire avaient déjà connu des fuites de GMFTS, et ces fuites étaient récupérées dans le réservoir de purge. Entre les 15 et 31 janvier, du GMFTS avait fui des canalisations et été récupéré dans ce réservoir à plusieurs reprises. L’alarme de niveau élevé du réservoir avait sonné à au moins 9 reprises. Les fuites issues du système d’injection de carburant du moteur principal devenaient plus importantes lorsque les moteurs fonctionnaient au GMFTS. Le contenu du réservoir de purge était fréquemment transféré dans la caisse de décantation.

    Entre les 19 et 28 janvier, environ 8 m3 de ML et de GMFTS avaient été transférés du réservoir de purge à la caisse de décantation. Des sondages effectués après l’événement montraient que le réservoir de purge était plein et qu’il contenait 4,7 m3.

    1.10.6 Réservoir de purge de filtre

    Le réservoir de purge de filtre, d’une capacité de 2 m3, récupérait le contenu des filtres des moteurs principal et de génératrice. Il était relié au collecteur d’aspiration de la pompe de transfert de ML, de sorte que son contenu puisse être transféré à la caisse de décantation ou aux soutes à combustible.

    Le 14 janvier et de nouveau le 19 janvier, 1,5 m3 de GMFTS avait été transféré du réservoir de purge de filtre à la caisse de décantation.

    1.10.7 Purificateurs de mazout lourd

    Le MOL Prestige comportait 3 purificateurs utilisés pour traiter du ML de la caisse de décantation et l’acheminer à la caisse journalière ou le rediriger à la caisse de décantation. Les purificateurs pouvaient également recevoir du ML de la caisse journalière. Le procédé d’épuration consistait à retirer l’eau et d’autres impuretés du ML. La boue en résultant était évacuée dans le réservoir de boue, et l’eau d’exploitation, vers une trémie.

    Le débit des purificateurs était réglé à environ 3300 L/hNote de bas de page 63 afin d’assurer une purification optimale. Lorsque le navire fonctionnait au ML, la pratique consistait normalement à faire fonctionner 2 purificateurs simultanément, afin de produire assez de ML épuré pour remplir la caisse journalière aux fins de consommation.

    À l’entrée des purificateurs, la température était généralement maintenue à environ 90 °C. La température optimale du ML, pour assurer une épuration efficace, est de 98 °C. Une température supérieure rend le fonctionnement du purificateur instable parce qu’il perd son joint hydrauliqueNote de bas de page 64 et, par conséquent, du ML en cours d’épuration s’écoule dans le réservoir à boue. Ce phénomène était bien connu. Lors de l’événement, la température à la sortie du purificateur exploité se chiffrait à environ 110 °C. Le purificateur perdait son joint hydraulique et produisait constamment un écoulement. La trémie d’eau d’exploitation émettait des vapeurs d’eau et de mazout.

    Entre les 20 et 22 janvier, le purificateur 2 fonctionnait depuis 39 heures, et le purificateur 3, depuis 27 heures. Le purificateur 1 ne fonctionnait pas, mais avait été exploité pendant 1 heure le 27 janvier et de nouveau le 28 janvier. Le 28 janvier, à 6 h 24 min 22 s, l’alarme de température élevée du purificateur 1 s’est déclenchée. Le BST n’a pas pu déterminer si la température de la caisse de décantation de ML avait été vérifiée ou si d’autres mesures avaient été prises en conséquence de l’alarme.

    1.10.8 Pompes de transfert de carburant

    Le MOL Prestige comptait 2 pompes de transfert de carburant, chacune d’un débit de 90 m3/h. Une servait au transfert de ML vers divers réservoirs, et l’autre, au transfert de GMFTS.

    La pompe de ML présentait des modes automatique et manuel. En mode automatique, les interrupteurs à flotteur de la caisse de décantation contrôlaient le démarrage et l’arrêt de la pompe de transfert selon le niveau dans la caisse de décantation. En 2011, l’interrupteur à flotteur devant arrêter la pompe lorsque le niveau devenait élevé avait été modifié de sorte qu’il agisse également lorsque la pompe était en mode manuelNote de bas de page 65.

    À un certain moment, l’équipe de la salle des machines avait été confrontée à une situation particulière pendant qu’elle utilisait la pompe à ML en mode manuel pour transférer du ML vers la caisse de décantation. Durant le transfert, l’interrupteur de niveau élevé avait arrêté la pompe et rendu celle-ci inutilisable jusqu’à ce que le contenu de la caisse de décantation soit transféré et son niveau ramené sous le seuil d’arrêt. Pendant ce temps, l’alarme de niveau élevé du réservoir de purge avait sonné. Avant que l’équipe puisse démarrer la pompe pour réduire le niveau du réservoir de purge, les mécaniciens avaient dû abaisser celui de la caisse de décantation pour rendre la pompe utilisable à nouveau.

    Après l’événement, l’enquête a montré que même si la pompe avait continué de fonctionner pendant 15 minutes (de 21 h 10 à 21 h 25), elle n’aurait pompé que 22,5 m3 de ML avant que le navire ne subisse une panne d’électricité totale.

    1.11 Autres équipements de la salle des machines

    1.11.1 Chaudière auxiliaire

    La chaudière auxiliaire était alimentée en GMFTS et pouvait produire de la vapeur à une pression maximale de 7 bars. La chaudière auxiliaire ne fonctionnait pas lors de l’événement, car l’économiseur de gaz d’échappement était en marche.

    La chaudière auxiliaire produisait de la vapeur saturéeNote de bas de page 66 avec de l’eau pompée depuis le bassin en cascade. La vapeur avait diverses applications, dont le chauffage des serpentins de vapeur qui passaient dans le réservoir de décantation et la caisse journalière , ainsi que dans les soutes à combustible. De la vapeur circulait aussi dans des conduites de traçage longeant les canalisations de transfert de ML, afin d’y maintenir la température du ML.

    Le BST a établi que le système de vapeur comportait diverses fuites, y compris depuis les brides et les connexions des conduites de traçage. L’eau qui fuyait s’écoulait dans les fonds de cale de la salle des machines. BSM China avait demandé au chef mécanicien de réduire la pression de la chaudière auxiliaire à 5 bars lorsque le navire progressait lentement ou se trouvait dans un port, afin de réduire la consommation de carburant.

    L’enquête a montré que le bassin en cascade fournissant de l’eau à la chaudière auxiliaire avait été rempli manuellement, en janvier, à raison d’environ 100 L d’eau douce par jour.

    1.11.2 Économiseur de gaz d’échappement

    L’économiseur de gaz d’échappement est une chaudière qui produit de la vapeur à partir de la chaleur des gaz d’échappement du moteur principal. Il produisait de la vapeur saturée à une pression maximale de 7 bars. Toute pression de vapeur excédentaire était redirigée vers une vanne de vidange. La vapeur était acheminée au collecteur de vapeur de la chaudière auxiliaire.

    1.12 Débordement de mazout depuis la caisse de décantation

    Un certain nombre d’études ont porté sur le débordement par moussage qui survient dans des caisses contenant du pétrole brut ou certains types de ML.

    La National Fire Protection Association a défini le débordement par moussage, lequel n’est pas associé à un feu brûlant dans un réservoir, mais au phénomène qui survient lorsque de l’eau se trouve ou entre dans un réservoir contenant un produit pétrolier visqueux et chaud. En s’y mélangeant, l’eau se transforme soudainement en vapeur et provoque une expansion d’une partie du contenu du réservoir, puis un débordementNote de bas de page 67.

    Dans le présent événement, environ 20 m3 de mélange d’eau mazouteuse d’une température allant de 7 à 30 °C ont été transférés de la soute à combustible 7S à la caisse de décantation, dont la température atteignait 120 °C. Ces conditions sont propices au débordement par moussage.

    1.13 Observations effectuées par les enquêteurs du BST durant leur visite du MOL Prestige et du MOL Prosperity

    Après l’événement, des enquêteurs du BST ont visité à 2 reprises le MOL Prestige. Ils ont également visité le navire jumeau du MOL Prestige, soit le MOL Prosperity, le 12 févier 2018.

    1.13.1 Première visite du MOL Prestige (2018)

    Lors de leur première visite du MOL Prestige, en 2018, les enquêteurs du BST ont effectué les observations suivantes :

    • une bride pleine avait été fixée avec 1 boulon par-dessus l’ouverture du tuyau de sonde de la caisse journalière de ML;
    • une bride pleine reposait sur le dessus de la caisse de décantation de ML et l’ouverture du tuyau de sonde de la caisse de décantation était à l’air libre;
    • les deux côtés de la bride et l’intérieur du tuyau de sonde de la caisse de décantation avaient subi des dommages thermiques;
    • une lampe fluorescente compacte portative (endommagée) reposait sur le dessus de la caisse journalière de ML, lampe qui a ensuite été examinée par le Laboratoire d’ingénierie du BST;
    • les canalisations de ventilation du réservoir de décantation et de la caisse journalière menaient à un collecteur commun qui donnait dans la cheminée et qui était obstrué à environ 30 % par des débris.
    1.13.1.1 Examen de la lampe portative dans le laboratoire du BST

    Le Laboratoire d’ingénierie du BST à Ottawa (Ontario) a examiné la lampe qui reposait sur le dessus de la caisse journalière de ML, afin de déterminer si elle avait causé l’incendieNote de bas de page 68. Lors de l’événement, elle n’était pas sous tension. Divers éléments (p. ex., filage de la lampe, prises électriques à broches, douille) ont été examinés afin de déterminer s’ils portaient des traces d’arcs électriques. Aucune n’a été trouvée.

    Le Laboratoire d’ingénierie du BST a aussi réalisé des essais afin de mesurer la température de divers composants d’une réplique de la lampe, y compris son ampoule fluorescente compacte, sa partie électronique, la douille, son revêtement de verre protecteur et sa cage métallique protectrice (figure 17). Les essais ont été exécutés à l’air libre et dans des milieux fermés, et la température a été mesurée pendant une période de 6 heures commençant 30 minutes après le début des essais. La température de l’ampoule est demeurée constante à 61 °C, et la température de la partie électronique est demeurée constante à 42 °C. Le revêtement de verre protecteur était en moyenne à 55,25 °C, et la cage métallique, en moyenne à 25,67 °C.

    Figure 17. Composants de la réplique de lampe fluorescente portative du MOL Prestige (Source : BST)
    Image
    Composants de la réplique de lampe fluorescente portative du <em>MOL Prestige</em> (Source : BST)

    1.13.2 Visite du MOL Prosperity (2018)

    Le 12 février 2018, des enquêteurs du BST sont montés à bord du navire jumeau MOL Prosperity pour y vérifier la température du ML dans le réservoir de décantation et la caisse journalière. La température du ML dans la caisse journalière était de 112 °C, et la température du ML dans le réservoir de décantation était de 92 °C. À côté des deux indicateurs de température locaux, une note manuscrite indiquait que la température maximale du réservoir devait être maintenue à 90 °C. La valeur de réglage élevée de l’indicateur de température à distance se situait à 110 °C, dans le cas de la caisse de décantation, et à 115 °C, dans le cas de la caisse journalière. Le panneau d’alarme de la salle des machines indiquait que les températures étaient normales.

    L’indicateur de niveau de la caisse de décantation indiquait une valeur d’environ 82,0 m3. La valeur de réglage supérieure de l’alarme de niveau élevé se situait à 102 m3, et celle de l’alarme de niveau faible, à 45,0 m3. Le panneau d’alarme de la salle des machines indiquait un niveau élevé.

    Les enquêteurs ont aussi remarqué que les vannes de dérivation du régulateur de vapeur du serpentin de vapeur de la caisse de décantation du MOL Prosperity fuyaient, comme celles du MOL Prestige.

    1.13.3 Deuxième visite du MOL Prestige (21 février 2019)

    On a relevé que la vanne d’extractionNote de bas de page 69 de la chaudière auxiliaire du pont 3 n’était pas isolée et que sa partie exposée présentait une température de 139,5 °C.

    La vanne d’extraction se trouvait à environ 1 m de la caisse de décantation et à approximativement 4 m sous le dessus de la caisse de décantation (figure 18).

    Figure 18. Vanne d’extraction de la chaudière auxiliaire du pont 3. L’image en médaillon est un gros plan de la vanne et d’un détecteur de chaleur, indiquant une température de 139,5 °C. (Source de l’image principale et de l’image en médaillon : BST)
    Image
    Vanne d’extraction de la chaudière auxiliaire du pont 3. L’image en médaillon est un gros plan de la vanne et d’un détecteur de chaleur, indiquant une température de 139,5 °C. (Source de l’image principale et de l’image en médaillon : BST)

    Lorsque le navire ne disposait que d’un éclairage d’urgence, les passages sous les ponts n’étaient pas éclairés, sauf par 1 lumière d’urgence au-dessus de chacune des portes menant à la salle des machines.

    1.14 Analyse de la propagation de l’incendie pour déterminer son origine et la source d’inflammation

    Une analyse de la propagation du feu peut aider à déterminer où et comment un incendie s’est déclaré, et comment il s’est propagé, selon les changements subis par les matières exposées au feuNote de bas de page 70.

    Un enquêteur en incendie au service de la Garde côtière des États-Unis a mené une analyse de la propagation dans la salle des machines, d’après les directives de la National Fire Protection Association. Il a conclu que l’incendie s’est déplacé du troisième pont au deuxième pont, comme indiqué à la figure 19. L’enquêteur a constaté que les dommages thermiques les plus importants sont survenus sur la partie supérieure du troisième pont et que le feu a monté au deuxième pont en suivant les deux canalisations supérieuresNote de bas de page 71. Dans son rapport, il indique également que du mazout avait débordé sur le pont 3 dans la salle des machines.

    Dans son rapport, il indique également que du mazout avait débordé sur le pont 3 dans la salle des machines.

    Figure 19. Analyse mené par le Service d’incendie de Kirkland de la propagation de l’incendie (Source : Service d’incendie de Kirkland, avec annotations du BST)
    Image
    Analyse mené par le Service d’incendie de Kirkland de la propagation de l’incendie (Source : Service d’incendie de Kirkland, avec annotations du BST)

    Des images de TVCF montrent que du mazout a initialement été expulsé de la caisse de décantation, à travers le tuyau indicateur de niveau, lequel était ouvert, puis que le carburant a coulé sur les ponts 3 et 4 et sur le séparateur d’eaux mazouteuses du pont inférieur. L’incendie s’est ensuite déclaré sur le pont 3, entre la chaudière auxiliaire et la caisse de décantation, où l’on a trouvé des indices de sources de chaleur, y compris des canalisations de vapeur non isolées, le collecteur d’échappement du moteur de génératrice 3 et des raccords électriques.

    L’analyse de la propagation de l’incendie indique que l’incendie provient de cette zone. Peu après, le mazout enflammé a coulé jusqu’au pont 4, près du moteur de génératrice 3, et sur le pont inférieur, près du séparateur d’eaux mazouteuses. Le feu est aussi remonté sur le dessus de la caisse de décantation, où se trouvait la plus grande partie du mazout déversé. Cet endroit est devenu le cœur de l’incendie, lequel était alimenté par le ML qui débordait du tuyau indicateur de niveau de la caisse de décantation.

    1.15 Directives internationales sur la prévention des incendies dans les salles des machines

    L’OMI a élaboré des lignes directrices sur les mesures à prendre pour prévenir les incendies dans les salles des machinesNote de bas de page 72. Elles sont destinées aux propriétaires, aux concepteurs, aux capitaines et aux inspecteurs de navire.

    Selon ces lignes directrices, le mazout stocké dans des caisses devrait être chauffé au plus à 10 °C sous son point d’éclair. Elles indiquent aussi que le mazout se trouvant dans des caisses journalières, des réservoirs de décantation et tout autre réservoir du système d’alimentation ne peut être chauffé au-delà de cette limite que dans certaines conditions, dont les suivantes :

    • les canalisations de ventilation des réservoirs doivent être assez longues pour refroidir les vapeurs jusqu’à ce que leur température soit inférieure d’au moins 10 °C du point d’éclair du mazout;
    • les canalisations de ventilation des réservoirs de mazout et d’huile de lubrification chauffée doivent mener à un endroit sûr situé sur un pont découvert et ne pas se terminer à un endroit posant un risque d’inflammation;
    • les canalisations de ventilation doivent comporter des capteurs qui déclenchent une alarme si la température s’approche à moins de 10 °C du point d’éclair du mazout;
    • les canalisations de ventilation doivent être dotées de pare-flammes conformes aux exigences de l’OMINote de bas de page 73;
    • l’espace vapeur des réservoirs de mazout ne doit présenter aucune ouverture menant à des compartiments de machines (les trous d’homme boulonnés sont acceptables);
    • l’équipement électrique de l’espace vapeur des réservoirs de mazout doit avoir été homologué comme intrinsèquement sûrNote de bas de page 74Note de bas de page 75.

    En ce qui concerne les tuyaux de sonde, les directives de l’OMI indiquent qu’ils ne devraient pas se terminer dans un espace où pourrait survenir un risque d’inflammation de mazout déversé depuis un tuyau de sonde. Règle générale, ils ne devraient pas se terminer dans un compartiment de machinesNote de bas de page 76.

    La société de classification Lloyd’s Register a également des règles relatives aux situations dans lesquelles du mazout est chauffé à des températures supérieures à 10 °C sous son point d’éclairNote de bas de page 77Note de bas de page 78. Bon nombre de ces règles reprennent les directives de l’OMI, mais Lloyd’s Register prescrit aussi les exigences suivantes :

    • les ouvertures des systèmes de drainage de caisses contenant du mazout chauffé ne doivent se trouver que dans des espaces qui ne permettent aucune accumulation de vapeurs de mazout dont la température s’approche du point d’éclair;
    • aucune source d’inflammation ne doit se trouver à proximité des canalisations de ventilation ou des ouvertures des systèmes de drainage ni dans les caisses;
    • la température de tout fluide chauffant ne doit pas dépasser 220 °CNote de bas de page 79.

    1.16 Système de détection d’incendie

    Le système de détection d’incendie du MOL Prestige se composait de détecteurs de chaleur, de fumée et de flamme. Le navire était subdivisé en zones qui englobaient ses divers ponts et secteurs Le plan de lutte contre les incendies du navire indiquait que la salle des machines comptait 47 détecteurs de fumée, 9 détecteurs de flamme et 6 détecteurs de chaleur. Il montrait aussi que la superstructure du navire comptait 19 détecteurs de fumée. Le système de détection d’incendie du MOL Prestige était testé tous les samedis.

    1.16.1 Alarmes d’incendie

    Le panneau d’alarme d’incendie de la passerelle indiquait les diverses zones. Lorsqu’un détecteur était activé, la zone correspondante était illuminée sur le panneau et une alarme sonore était déclenchée. Le panneau n’indiquait pas le type de détecteur (fumée, flamme ou chaleur) ayant activé l’alarme.

    Par contraste, le panneau d’alarme d’incendie de la salle de commande des machines donnait une alarme générique et n’indiquait ni quelle zone ni quel type de détecteur avait activé l’alarme.

    • Lors de l’événement, la première alarme provenait de la zone 9. Elle avait été déclenchée par un détecteur de fumée du tambour des machines. Ensuite, les alarmes suivantes se sont activées en cascade : zone 10 (déclenchement par des détecteurs de fumée du pont 2);
    • zone 11 (déclenchement par des détecteurs de fumée du pont 3);
    • zone 12 (déclenchement par des détecteurs de fumée du pont 4);
    • zone 19 (déclenchement par un détecteur de flamme de la génératrice diesel 3);
    • zone 20 (déclenchement par un détecteur de flamme de la génératrice diesel 4);
    • zone 16 (déclenchement par 2 détecteurs de flamme situés au-dessus du moteur principal).

    Presque une heure plus tard, les alarmes d’incendie des zones 1, 3, 4, 5 et 6 ont sonné. Ces zones englobaient respectivement les ponts d’emménagement F, D, C, B et A. Ces ponts n’ont pas été touchés par l’incendie, mais leurs alarmes ont été activées par de la fumée qui provenait de la salle des machines. La fumée a atteint ces ponts en traversant les portes de la salle des machines, qui étaient ouvertes de manière intermittente pour lutter contre l’incendie.

    1.17 Normes et procédures d’intervention d’urgence

    Pour ce qui est des normes et procédures d’intervention d’urgence, le Code ISM prévoit que les entreprises devraient :

    • repérer toutes les situations d’urgence risquant de survenir à bord et établir des procédures d’intervention correspondantes;
    • établir des programmes d’exercices visant à préparer aux mesures d’urgence à prendreNote de bas de page 80.

    Les procédures exigées en vertu du Code ISM devraient être consignées dans un manuel de gestion de la sécurité, dont une copie devrait être conservée à bord.

    1.17.1 Procédures en cas d’incendie à bord du MOL Prestige

    Le MOL Prestige avait à bord un manuel de gestion de la sécurité, des manuels propres au navire et un manuel des mesures d’urgence (MMU). Le MMU du MOL Prestige renseignait sur les mesures initiales que l’équipage devait prendre en cas d’urgence et comportait des notes, ainsi que des procédures, se rapportant à un certain nombre d’urgences, y compris un incendie à bord, un incendie et une explosion dans la salle des machines et le sauvetage de personnes piégées dans un espace confiné.

    Selon le MMU, les mesures initiales que l’équipage doit prendre lorsqu’une alarme sonne devraient être priorisées comme suit :

    1. Lorsqu’une alarme sonne :
      1. se rendre au poste de rassemblement;
      2. prendre les présences;
      3. se rapporter à la passerelle;
      4. déterminer le type d’urgence.
    2. Lancer les mesures d’urgence.
    3. Commencer à consigner les renseignements pertinentsNote de bas de page 81.

    Lorsque l’équipage détermine que l’urgence est un incendie dans la salle des machines, il doit intervenir selon la séquence ci-après :

    1. Interrompre toute opération relative à des marchandises, tout transfert de mazout et tout transfert d’huile de lubrification.
    2. Consulter les fiches signalétiques de sécurité maritime pour établir quelles mesures d’urgence doivent être prises.
    3. Déterminer quels sont le lieu et la classe d’incendie, la méthode d’extinction et les risques, puis s’il y a des blessés.
    4. Isoler toute source d’électricité de l’espace touché.
    5. Assurer le fonctionnement de la génératrice de secours, des pompes d’incendie, de la pompe d’incendie d’urgence et des systèmes fixes de lutte contre les incendies.
    6. Commencer à combattre l’incendie, diriger les équipes de lutte contre les incendies, interrompre toute ventilation de l’espace touché et entreprendre le refroidissement des cloisonnements.
    7. Secourir les blessés.
    8. Diffuser un message et une alerte de détresseNote de bas de page 82.

    Lorsque l’urgence exige un sauvetage de personnes dans un espace confiné, l’équipe de sauvetage doit dénombrer et localiser les personnes touchées, déterminer leur état, puis enfiler l’équipement de sauvetage approprié. Dans le MMU, on indique clairement que personne ne devrait entrer dans un espace confiné sans que des préparatifs de sauvetage adéquats aient été effectués et que des mesures de soutien/secours appropriées aient été prisesNote de bas de page 83. Lorsque des membres d’équipage sont affectés à un navire, ceux-ci doivent se familiariser avec les voies d’évacuation de la salle des machines et de leur poste de travail.

    On ne précise pas dans le MMU qui doit diriger les activités de sauvetage dans un espace confiné ni depuis quel endroit elles doivent être menées. Le MOL Prestige avait des instructions générales en matière d’incendie, lesquelles étaient affichées sur le rôle d’appel en cas d’incendie. Selon ces instructions, il faut compter tous les membres d’équipage et les rassembler avant que toute activité de lutte contre les incendies ne puisse commencer. Si personne ne manquait à l’appel, l’alimentation en air frais de l’espace touché devait être coupée, sur instruction du capitaine en second ou du deuxième mécanicien.

    1.17.2 Réaction de l’équipage aux alarmes d’incendie

    Les systèmes d’alarme préviennent un équipage qu’un incident imprévu ou que de l’information cruciale exige une attention ou une intervention immédiate. Il est essentiel de réagir rapidement et adéquatement aux alarmes d’incendie à bord d’un navire, afin d’y restreindre la propagation du feu et d’en réduire au minimum tout endommagement important du navire, ainsi que les risques pour les personnes à bord. Le déclenchement répétitif de fausses alarmes peut faire en sorte que l’équipage devienne insensible aux alarmes et cesse de s’en soucier, présumant qu’elles puissent être faussesNote de bas de page 84. Une désensibilisation aux alarmes peut mener à des délais d’intervention plus longs ou faire en sorte que des alarmes importantes soient négligées.

    Lorsqu’elles étaient activées, les alarmes d’incendie du MOL Prestige sonnaient sur la passerelle, dans le bureau du navire et dans la SCM. Puisqu’il comportait des détecteurs d’incendie, de chaleur et de fumée, le système de détection d’incendie pouvait être déclenché accidentellement par des sources inoffensives de fumée ou de chaleur (p. ex., vapeurs de soudage, fuites de vapeur d’eau).

    Avant l’événement, diverses alarmes d’incendie avaient été activées dans la salle des machines par la détection de sources de fumée et de chaleur qui n’étaient pas associées à un incendie. Le 19 août 2017, une panne de génératrice avait entraîné une présence excessive de vapeur d’eau dans la salle des machines et le déclenchement de l’alarme d’incendie. Le rapport présenté à BSM China au sujet de cet incident indiquait que cette situation était survenue à deux reprises le même jour.

    À une autre occasion, l’alarme d’incendie s’était activée lorsque les portes de l’incinérateur avaient été ouvertes pendant que l’incinérateur était en marche, ce qui avait rempli la salle des machines de fumée. Le registre d’alarme de la salle des machines indique que l’alarme d’incendie s’est déclenchée le 24 janvier 2018 à 10 h 51, puis a été éteinte à 10 h 55. Elle s’est activée à nouveau le 28 janvier à 6 h 24.

    Lorsque ces alarmes ont sonné, l’équipage a été chargé de trouver ce qui les avait déclenchées avant de se rassembler conformément à la procédure à suivre à bord. Une fois la source découverte, l’équipage en a informé le capitaine, lequel a déterminé que le déclenchement de l’alarme générale était justifié.

    Les membres d’équipage du MOL Prestige ne s’étaient pas tous immédiatement rassemblés en réaction à l’alarme générale. Ceux qui n’avaient initialement pas réagi ne se sont rendus à leurs postes d’incendie respectifs qu’après que le capitaine eut signalé l’incendie au moyen de l’interphone.

    1.18 Moyens d’évacuation

    1.18.1 Exigences de la Convention SOLAS

    Le MOL Prestige a été construit en 2006 conformément aux exigences de la Convention SOLAS en vigueur à l’époque. Les exigences prévoyaient alors l’aménagement de 2 moyens d’évacuation dans chaque compartiment des machines de catégorie ANote de bas de page 85.

    En 2014, de nouvelles exigences ont été ajoutées à la SOLAS pour les navires de charge construits à compter du 1er janvier 2016, concernant les moyens d’évacuation depuis les salles de contrôle des machines des compartiments de machinesNote de bas de page 86Note de bas de page 87. La SOLAS indique ce qui suit pour l’évacuation depuis des salles de contrôle des machines (y compris des SCM) et des ateliers principaux se trouvant dans des compartiments des machines de catégorie A :

    Les salles de contrôle des machines situées dans un compartiment des machines doit être pourvu de deux moyens d’évacuation, dont au moins un procure un abri continu contre lefeu jusqu’à un emplacement sûr situé en  dehors du compartiment du local Note de bas de page 88.

    Comme le MOL Prestige a été construit en 2006, il n’était pas assujetti à ces exigences. Les exigences actuelles de la SOLAS prévoient que les postes de commande doivent présenter des séparations A-60Note de bas de page 89 (sauf dans le cas de navires fonctionnant au gaz naturel liquéfié), mais la définition d’un poste de commande qui figure dans ces exigences n’englobe pas les SCM situées dans des compartiments des machines. Par conséquent, des séparations A-60 ne sont pas exigées dans ces SCM.

    Selon les exigences actuelles de la SOLAS, il faut aussi que les voies d’évacuation et tout autre moyen d’aide à l’évacuation (comme un marquage claire ) soient aménagés de façon à ce que les personnes à bord puissent se sortir d’une situation d’urgence et se rendre à un endroit sécuritaire de manière sûre et rapide. Les ascenseurs ne sont pas considérés comme des moyens d’évacuationNote de bas de page 90.

    L’OMI a établi des directives d’analyse de l’évacuation des navires à passagers, mais elles ne s’appliquent pas aux navires de charge comme le MOL Prestige. Une analyse de l’évacuation est effectuée pour évaluer les voies d’évacuation pendant la conception d’un navire Les directives comprennent l’exigence suivante [traduction]:

    L’analyse doit servir à prouver que les dispositions prises en matière d’évacuation sont suffisamment souples pour parer au cas où des issues de secours, postes de rassemblement, postes d’embarquement dans les embarcations et radeaux de sauvetage ne seraient pas utilisables à la suite d’un accidentNote de bas de page 91.

    1.18.2 Moyens d’évacuation de la salle des machines

    La salle des machines du MOL Prestige comptait 9 moyens d’évacuation : 3 portes (49, 50 et 51) sur le pont 2 menant au pont supérieur par l’intermédiaire d’escaliers; 2 portes des côtés bâbord et tribord menant au passage situé sous le pont, par l’intermédiaire d’escaliers; une série d’échelles et de plateformes menant du tambour du puits des machines, sur le pont 2, jusqu’au pont C ou à la passerelle haute; une voie d’évacuation d’urgence menant du pont inférieur au local de l’appareil à gouverner, par le biais du tunnel d’arbre.

    Bien qu’il n’était pas considéré comme un moyen d’évacuation, l’ascenseur pouvait également servir à entrer dans la salle des machines et à en sortir depuis le pont 2 ou 3. Dans l’ascenseur du navire jumeau MOL Prosperity, un panneau indique qu’il ne doit pas être employé lors d’un incendie. Un tel panneau n’était pas installé dans l’ascenseur du MOL Prestige.

    Lors de l’événement, toutes les portes étaient fermées et libres de toute obstruction. L’équipe de la salle des machines entrait dans celle-ci et en sortait généralement au moyen de l’ascenseur, car il constituait la voie d’accès la plus directe entre la salle des machines et les ponts supérieurs.

    1.18.3 Moyens d’évacuation de la salle de commande des machines

    La SCM se trouvait sur le plus bas des deux niveaux du côté bâbord du navire. Elle ne comportait aucun moyen d’évacuation direct menant à l’extérieur de la salle des machines. Elle était un local autonome doté de 3 portes : une à bâbord constituant la voie la plus proche de l’accès bâbord au passage sous le pont depuis la salle des machines; 2 plus près du milieu du navire, dont une voisine de l’ascenseur et l’autre, des escaliers menant à la porte 51, sur le pont supérieur.

    La sortie la plus proche de la salle des machines était la porte menant au passage sous le pont, à bâbord. La porte 51 était la deuxième sortie la plus proche. Les portes 49 et 50 et celle du passage sous le pont de tribord se trouvaient à environ 20 m de la SCM (figure 20).

    Figure 20. Photos et diagrammes montrant les moyens d’évacuation de la salle des machines. Le diagramme présente une vue en plan du pont 2 et des 5 sorties de la salle des machines. Les photos montrent ces sorties, et les lignes noires, l’emplacement d’où les photos ont été prises (Source : Plan du pont 2 du MOL Prestige, avec photos et annotations du BST)
    Image
    Photos et diagrammes montrant les moyens d’évacuation de la salle des machines. Le diagramme présente une vue en plan du pont 2 et des 5 sorties de la salle des machines. Les photos montrent ces sorties, et les lignes noires, l’emplacement d’où les photos ont été prises (Source : Plan du pont 2 du <em>MOL Prestige</em>, avec photos et annotations du BST)

    Légende
    A    Réservoir de décantation de ML
    B    Caisse journalière de ML
    C    Caisse journalière de GMFTS
    D    Chaudière auxiliaire
    E    Ascenseur
    F    Cale à marchandises 8 (bâbord)
    G    Cale à marchandises 8 (tribord)
    H    Passage sous le pont (bâbord)
    I    Passage sous le pont (tribord)

     

    Au début de leur quart, l’équipe entrait habituellement dans la SCM depuis l’ascenseur. Bien qu’elle connaissait les autres sorties, elle les utilisait rarement au quotidien. Pendant les quarts de travail, la SCM était généralement l’endroit où les membres de l’équipe des machines se réunissaient pour discuter de vive voix, loin du bruit de la salle des machines. Lorsque l’équipe de la salle des machines a tenté de sortir de la SCM durant l’incendie, tous les moyens d’évacuation étaient remplis d’une épaisse fumée noire et exposés à la chaleur intense du feu, près de la chaudière auxiliaire, du réservoir de décantation et de la caisse journalière de ML.

    1.18.4 Visibilité des portes de sortie

    Les 6 portes de sortie de la salle des machines étaient peintes en blanc, comme les murs environnants, et signalées au moyen d’enseignes de sortie luminescentes vertes. Un éclairage fluorescent monté directement au-dessus des toutes les portes de sortie en assurait l’illumination. Aucune des portes de sortie n’était cependant visible depuis l’intérieur de la SCM. La voie d’évacuation d’urgence par le tunnel d’arbre était indiquée par une signalisation d’évacuation d’urgence installée près des escaliers des ponts 2, 3 et 4 et du pont inférieur, ainsi que par des flèches et une signalisation d’évacuation d’urgence peinte au pochoir sur les piliers dans la salle des machines.

    Lorsque la génératrice de secours démarrait, l’éclairage d’urgence était automatiquement activé. Ce dernier comportait un nombre restreint de lumières, dans la salle des machines et le reste du navire.

    1.19 Rôle d’appel en cas d’incendie

    D’après l’OMI, lors d’une urgence, des instructions claires doivent être données à toutes les personnes à bord, lesquelles devraient toutes se voir attribuer une tâche figurant sur le rôle d’appelNote de bas de page 92. Sur le rôle d’appel doivent être identifiés les membres clés du personnel, leurs suppléants, les tâches d’urgence de chaque membre d’équipage et les postes de rassemblement de chaque personne à bord, y compris les passagers et les surnuméraires. Le rôle d’appel doit être affiché dans la timonerie, dans les couloirs de tous les ponts, dans le réfectoire et dans la SCM.

    À bord du MOL Prestige, le rôle d’appel en cas d’incendie était affiché aux endroits appropriés et il précisait les équipes, les chefs de file et les tâches principales de chaque membre d’équipage en cas d’incendieNote de bas de page 93. N’y figurait toutefois pas le nom des suppléants de personnes devant occuper des postes clés (figure 21).

    Figure 21. Reproduction du BST du rôle d’appel en cas d’incendie à bord du MOL Prestige. Le texte en surbrillance indique des membres d’équipage piégés dans la salle de commande des machines. (Source : BST, avec les données du rôle d’appel d’origine du MOL Prestige)
    Image
    Reproduction du BST du rôle d’appel en cas d’incendie à bord du <em>MOL Prestige</em>. Le texte en surbrillance indique des membres d’équipage piégés dans la salle de commande des machines. (Source : BST, avec les données du rôle d’appel d’origine du <em>MOL Prestige</em>)

    Légende
    2E MÉC.            Deuxième mécanicien
    2E OFF.              Deuxième officier
    3E MÉC.            Troisième mécanicien
    3E OFF.             Troisième officier
    4E MÉC.            Quatrième mécanicien
    C. MÉC.             Chef mécanicien
    ÉL.OFF. DE PT  Élève-officier de pont
    CAP. EN SEC.   Capitaine en second
    C. CUIS.             Chef cuisinier
    MA                    Matelot
    MAC. 1             Machiniste 1
    MAC. 2             Machiniste 2
    MO APP.          Matelot ordinaire apprenti
    MO                   Matelot ordinaire
    OFF. ÉLEC.        Officier électrotechnicien

    Lors d’un incendie dans la salle des machines, le deuxième mécanicien est responsable de l’équipe d’urgence 1, soit l’équipe principale de lutte contre les incendies. Le machiniste 1 est le pompier désigné, et l’un des matelots qualifiés lui sert d’auxiliaire. Tous deux doivent enfiler une tenue de pompier, quel que soit le type d’incendie. L’équipe d’urgence 2 est l’équipe de réserve de lutte contre les incendies si des membres de l’équipe d’urgence 1 ne se trouvent pas au poste de rassemblement. L’autre matelot et le machiniste 2 sont les pompiers de réserve lors d’un incendie dans la salle des machines. Le nettoyeur doit apporter des extincteurs d’incendie et installer un tuyau d’incendie.

    Lors de l’événement, le chef mécanicien, le deuxième mécanicien, le quatrième mécanicien, le machiniste 1 et le machiniste 2 ont été piégés dans la SCM et n’ont pas pu accomplir les tâches qui leur étaient attribuées sur le rôle d’appel en cas d’incendie.

    Le mécanicien subalterne ne figurait pas sur la liste, mais après l’incendie, il y a été ajouté, dans l’équipe de soutien. Dans le rôle d’appel principal, une fonction est attribuée à un mécanicien subalterne, mais aucune tâche ne lui est confiée en cas d’incendie.

    Le poste de rassemblement de l’équipe de la salle des machines était le poste d’incendie du pont supérieur.

    1.20 Équipement de sauvetage et de lutte contre les incendies

    Le MOL Prestige avait tout l’équipement de sauvetage et de lutte contre les incendies nécessaire selon la règle 13 du chapitre II-2 de la SOLAS. Il y avait à bord du navire 2 combinaisons de pompier et 2 APRA, conservés dans un casier du pont D et au poste d’incendie du pont supérieur. Chaque ensemble se composait d’un casque rigide, de vêtements protecteurs, de gants, d’une ceinture, d’une hache d’incendie, d’une lampe de sécurité à piles et d’une ligne de sécurité ignifugée. Le navire avait aussi 2 APRA de rechange et 4 ensembles de vêtements protecteurs résistants aux produits chimiques, dans un casier du pont D.

    1.20.1 Appareils respiratoires d’évacuation d’urgence

    L’OMI exige que sur tous les navires, dans les compartiments des machines, il se trouve des AREU conservés à un endroit où ils sont bien en vue et atteignables facilement et rapidement, en tout temps, en cas d’incendieNote de bas de page 94. Le nombre et l’emplacement des AREU doivent figurer dans le plan de lutte contre les incendies. Leur emplacement devrait tenir compte de la configuration des compartiments des machines et du nombre de personnes qui y travaillent habituellement. Selon l’OMI [traduction] :

    On devrait envisager d’installer ces dispositifs le long des voies d’évacuation des compartiments des machines ou au pied de chaque échelle d’évacuation de ces compartiments, ainsi que dans les salles de commande et les ateliers situés à l’intérieur des compartiments des machinesNote de bas de page 95.

    Le navire était doté de 10 AREU ayant chacun 15 minutes d’air. Son plan de lutte contre les incendies indiquait que 6 AREU se trouvaient dans la salle des machines, et 4, au-dessus du pont. Leurs emplacements étaient les suivants :

    • pont 2 : 2 au total, soit 1 dans la SCM et 1 à côté de l’escalier menant à la porte 49;
    • pont 3 : 2 au total, soit 1 dans l’atelier (sous la SCM) et 1 à l’arrière du navire, près de l’escalier montant jusqu’au pont 2 ou descendant jusqu’au pont 4;
    • pont 4 : 1 à l’arrière du navire, près de l’escalier menant au pont d’en haut;
    • pont inférieur : 1 à l’arrière du navire, près de l’escalier menant au pont d’en haut;
    • 2 au poste d’incendie;
    • 2 de rechange, soit 1 au poste d’incendie et 1 dans le casier de la passerelle de navigation.

    Le navire comportait également divers extincteurs d’incendie portatifs et des bornes d’incendie munies d’une lance.

    1.20.2 Système fixe d’extinction d’incendie

    1.20.2.1 Dioxyde de carbone

    Le CO2 est l’agent le plus fréquemment employé pour éteindre des incendies à bord de navires. Il les éteint en déplaçant l’oxygène dans l’atmosphère jusqu’à ce qu’il ne puisse plus entretenir une combustion. Il est propre et ne produit aucun résidu. Cependant, il devient mortel pour l’humain à partir de concentrations de 17 % en volumeNote de bas de page 96; sa diffusion dans un espace confiné serait mortelle pour quiconque s’y trouve.

    Le navire était doté d’un système fixe d’extinction d’incendie composé de 434 bouteilles de CO2 de 45,4 kg. Les bouteilles étaient situées dans une salle de CO2, à la poupe (figure 22).

    Figure 22. Bouteilles de dioxyde de carbone dans la salle de dioxyde de carbone (Source : BST)
    Image
    Bouteilles de dioxyde de carbone dans la salle de dioxyde de carbone (Source : BST)

    Le système pouvait servir à éteindre des incendies dans la cale à marchandises ou la salle des machines. Pour éteindre un feu dans la salle des machines, tous les ventilateurs devaient être arrêtés, les évents fermés et 312 bouteilles déchargées en 2 minutes. Le système comportait une télécommande de décharge située au poste d’incendie. La salle des machines comptait 53 buses conçues pour y projeter du CO2 à divers endroits simultanément. Il y avait 1 buse dans la SCM (figure 23).

    Figure 23. Système de dioxyde de carbone (Source : Manuel du fabricant d’équipement d’origine, avec annotations du BST)
    Image
    Système de dioxyde de carbone (Source : Manuel du fabricant d’équipement d’origine, avec annotations du BST)

    À bord du MOL Prestige, le chef mécanicien devait activer le système d’extinction CO2 sur ordre du capitaine.

    Pour décharger du CO2 dans la salle des machines, l’équipage devait procéder comme suit :

    1. ouvrir la porte de l’armoire de décharge à distance, au poste d’incendie, ce qui déclenchait une alarme et coupait automatiquement les circuits électriques de divers équipements, dont la ventilation;
    2. ouvrir le robinet de bouteille-guide, puis les robinets 1 et 2, dans la même armoire.

    Le gaz de la bouteille-pilote était alors canalisé vers une unité de retardement, dans la salle de CO2, puis vers les diverses bouteilles de CO2. Chacune comportait un robinet qui s’ouvrait sous la pression du gaz de la bouteille-pilote. Les robinets étaient raccordés aux entrées de gaz des actionneurs à pression au moyen de boucles-guides de petit calibre, ce qui permettait l’ouverture simultanée de tous les robinets. Le CO2 de chaque bouteille était ensuite canalisé vers un collecteur commun par un tuyau souple.

    Si les bouteilles de CO2 ne se déchargeaient pas lorsque le robinet de la bouteille-guide était ouvert dans l’armoire de décharge à distance, l’équipage avait pour ordre d’ouvrir chaque robinet manuellement à l’aide d’un levier.

    1.20.2.2 Inspection et entretien

    L’OMI a élaboré des directives d’entretien et d’inspection des systèmes fixes d’extinction d’incendie au CO2Note de bas de page 97Note de bas de page 98, afin d’assurer leur fiabilité, ainsi que celle des appareils connexes. On mentionne ce qui suit dans ces directives [traduction]:

    Les systèmes fixes d’extinction d’incendie au CO2 doivent être maintenus en bon état de fonctionnement et prêts à leur utilisation immédiate. Leur entretien et leur inspection doivent être réalisés conformément au plan d’entretien du navire, pris en considération dans le système de gestion de la sécurité (SGS) du navire et fondés sur les recommandations de leur fabricant, y compris :

    1. instructions et procédures d’entretien et d’inspection;
    2. calendriers prescrits d’entretien et d’inspection périodiques;
    3. liste des pièces de rechange recommandées;
    4. dossiers d’entretien et d’inspection, y compris les mesures correctives prises pour maintenir les systèmes en bon état de fonctionnementNote de bas de page 99.

    Les directives prévoient la réalisation à bord des navires de charge d’inspections mensuelles et annuelles, de même que des travaux d’entretien recommandés minimaux lors de chaque vérification intermédiaire, périodique ou de renouvellementNote de bas de page 100.

    Une des inspections d’entretien doit être réalisée par un technicien/spécialiste autorisé pendant la vérification de renouvellement. Celle-ci comprend la recherche de fuites potentielles grâce à l’application d’une pression de fonctionnement totale dans les canalisations-guides et à l’essai du collecteur.

    Le dernier entretien du système du MOL Prestige datait de mai 2016, quand il avait été inspecté conformément aux directives de l’OMI. L’inspection comprenait l’essai hydrostatique des bouteilles et une vérification de la bouteille-guide, l’essai et le remplacement des tuyaux souples, l’essai des dispositifs de retardement, de même que l’inspection de la vanne de commande. Toutefois, on n’avait pas testé le collecteur et les canalisations de distribution, lesquels figuraient sur la liste de vérification du technicien.

    Après l’événement, le système fixe d’extinction d’incendie au CO2 du navire a été inspecté par un entrepreneur. L’inspection a permis de constater que certaines des 312 bouteilles n’ont pas déchargé leur contenu dans la salle des machines pendant l’événement, comme elles auraient dû le faire. Les éléments suivants figurent dans le rapport du sous-traitant :

    • Un raccord de la canalisation allant de l’unité de retardement aux canalisations d’actionnement des bouteilles de la salle des machines était mal fixé à la hauteur de l’unité de retardement et fuyait considérablement, dans la salle de CO2.
    • La fuite a fait en sorte qu’au moins 70 des bouteilles les plus éloignées de l’unité de retardement ont manqué de pression d’actionnement et n’ont pas déchargé leur CO2.
    • Deux des clapets antiretours de la canalisation d’actionnement fuyaient dans la salle de CO2.
    • Les tuyaux de cuivre allant des armoires de décharge à distance du poste d’incendie jusqu’à la salle de CO2, en passant par la salle des machines, étaient endommagés.
    • Un certain nombre de garnitures d’étanchéité de cuivre manquaient dans les tuyaux de bouteille de CO2, dont du gaz fuyait dans la salle de CO2 (figure 24).
    • L’équipage a ouvert manuellement 84 bouteilles (figure 25), dont certaines présentant des marques indiquant qu’elles étaient destinées aux cales à marchandises.
    • Au total, 258 bouteilles ont été utilisées pour combattre l’incendie.
    Figure 24. Tuyau de bouteille de CO2 (Source : Manuel du fabricant d’équipement d’origine, avec annotations du BST)
    Image
    Tuyau de bouteille de CO<sub>2</sub> (Source : Manuel du fabricant d’équipement d’origine, avec annotations du BST)
    Figure 25. Valve de bouteille de CO2 (Source : Manuel du fabricant d’équipement d’origine, avec annotations du BST)
    Image
    Valve de bouteille de CO<sub>2</sub> (Source : Manuel du fabricant d’équipement d’origine, avec annotations du BST)

    Lors de l’événement, le capitaine ne savait pas que certaines des 312 bouteilles n’avaient pas déchargé leur contenu comme prévu. Le BST a établi que 174 des 312 bouteilles ont été déchargées à distance.

    L’entrepreneur a conseillé à BSM China de remettre à neuf la vanne d’arrêt principale de la salle des machines et de nettoyer toutes les buses. Après l’incendie, 218 bouteilles ont été soumises à un essai hydrostatique, et 258 ont été remplies.

    1.20.2.3 Système d’extinction à brouillard d’eau

    Le navire comportait un système qui projette un brouillard d’eau fin sur l’équipement de la salle des machines en cas d’incendie. Le fin brouillard d’eau absorbe la chaleur du feu et prévient le rayonnement de chaleur vers d’autres zones de la salle des machines. Il aide aussi à déplacer l’oxygène autour de l’incendie.

    Le système du MOL Prestige protégeait le moteur principal, les moteurs de génératrice, les purificateurs, l’incinérateur et la chaudière auxiliaire, mais pas le réservoir de décantation et la caisse journalière. Il était alimenté en électricité par la génératrice de secours et pouvait être activé manuellement ou automatiquement depuis le poste d’incendie.

    Lors de l’événement, il a été activé automatiquement par le système de détection d’incendie, lequel avait détecté des flammes près de la génératrice 3.

    1.20.2.4 Incidents précédents mettant en jeu des systèmes d’extinction d’incendie au dioxyde de carbone

    Le BST a enquêté sur d’autres incidents impliquant des problèmes de CO2. En 2015, le navire de pêche Frederike C-2 a pris feu au large de Rimouski (Québec). Le système fixe d’extinction au CO2 a été activé environ 30 minutes après la détection des premiers signes d’incendie, mais le compartiment des machines n’était pas étanche, si bien que la première décharge s’était avérée inefficace. Une seconde décharge était possible, mais n’a pas été effectuée. L’équipage a abandonné le navire à bord d’un radeau de sauvetage, puis a été recueilli par un autre bateau de pêche. Par la suite, le Frederike C-2 a couléNote de bas de page 101.

    En 2003, un incendie de gasoil s’est déclaré sur le moteur de génératrice 2 du traversier à passagers Queen of Surrey. Il y avait 318 passagers et 137 véhicules à bord. La salle des machines a été évacuée et rendue étanche, puis du CO2 y a été projeté. Le collecteur de distribution de CO2 a permis au gaz de s’échapper partiellement, mais assez de CO2 a atteint la salle des machines pour éteindre le feu. Le navire a ensuite été remorqué jusqu’au terminal de BC Ferries à Langdale (Colombie-Britannique), où les passagers ont débarqué. Personne n’a perdu la vie lors de l’événementNote de bas de page 102.

    La Transportation Accident Investigation Commission (commission d’enquête sur les accidents de transport) de la Nouvelle-Zélande s’est également penchée sur un incident impliquant des problèmes de CO2. Le 22 août 2004, un incendie s’est déclaré dans la salle des machines de bâbord du traversier à passagers Superflyte. Il y avait 311 passagers et 6 membres d’équipage à bord. Parmi les problèmes de sécurité relevés, le système au CO2 ne fonctionnait pas convenablementNote de bas de page 103.

    1.21 Exercices d’incendie et de sauvetage de personnel

    1.21.1 Connaissance des appareils respiratoires d’évacuation d’urgence

    Selon les règles de la SOLAS, tous les membres d’équipage d’un navire doivent suivre une formation sur l’utilisation des AREU, et la formation doit leur apprendre [traduction]:

    à immédiatement enfiler un AREU avant de sortir d’un espace, lorsque l’atmosphère pose une menace pour leur vie. Ils doivent le faire en raison de la possibilité de rencontrer de la fumée pendant leur évacuation. La formation devrait comprendre des exercices d’évacuation réguliers pour les membres d’équipage travaillant dans des compartiments techniques ou des compartiments des machinesNote de bas de page 104Note de bas de page 105.

    D’après une liste de contrôle de l’entreprise, tous les membres d’équipage doivent savoir utiliser et enfiler tout l’équipement de survie nécessaire, y compris un appareil respiratoire. Ils doivent aussi effectuer des vérifications avant d’enfiler l’équipement, enfiler l’appareil respiratoire, vérifier si le joint avec le visage est étanche et savoir où se trouve le matériel d’évacuation d’urgence.

    1.21.2 Connaissance des exercices d’incendie et de sauvetage de personnel

    Selon les règles de la SOLASNote de bas de page 106, des exercices d’incendie devaient être réalisés à bord du MOL Prestige d’après un scénario d’urgence (p. ex., un incendie dans la salle des machines). Chaque membre d’équipage doit participer à au moins un exercice tous les mois, et un registre des exercices doit être tenu à jour. Les exercices doivent être planifiés de façon à permettre de s’exercer régulièrement aux diverses urgences susceptibles de survenirNote de bas de page 107. Ils doivent prévoir l’utilisation et la vérification des équipements de sauvetage et de lutte contre les incendies du navire.

    Le capitaine réalisait des exercices d’urgence selon un calendrier établi par BSM China, dont une copie était affichée sur la passerelle. Le calendrier indiquait les mois de l’année durant lesquels des exercices devaient être exécutés. Il prévoyait la réalisation tous les 2 mois d’un exercice d’entrée et de sauvetage dans un espace confiné. Deux types d’exercice d’incendie dans la salle des machines devaient avoir lieu tous les 6 mois. Les scénarios établis impliquaient un incendie et une explosion dans la salle des machines, et une explosion dans un réservoir de carburant. Le capitaine consignait les exercices réalisés dans un registre et en présentait un compte rendu à BSM China.

    En 2017, l’ équipage du MOL Prestige avaient réalisé 6 exercices impliquant une entrée et un sauvetage dans un espace confiné, 2 avec un incendie et une explosion dans la salle des machines, 1 avec une explosion dans un réservoir de carburant et un incendie dans la chaudière, et 2 séances de familiarisation avec des APRANote de bas de page 108. Les exercices duraient environ 20 minutes.

    Selon la documentation sur les exercices, les exercices d’incendie dans la salle des machines commençaient par une alarme et un rassemblement. L’équipe de lutte contre les incendies devait ensuite enfiler l’équipement approprié, installer des tuyaux, entreprendre un refroidissement des cloisonnements, puis fermer les registres coupe-feux. L’équipe tentait alors d’entrer dans la salle des machines, avant de renoncer et de battre en retraite. Par la suite, on simulait la projection de CO2.

    L’équipage effectuait des exercices d’entrée et de sauvetage dans un espace confiné depuis un certain nombre d’espaces appropriés (p. ex., caisses, salle des pompes, salle des machines). Les exercices comprenaient la vérification et l’utilisation de ce qui suit :

    • équipement protecteur individuel nécessaire à l’entrée;
    • équipement de communication;
    • instruments de mesure de l’atmosphère dans un espace confiné;
    • équipement et procédures de sauvetage;
    • instructions de premiers soins et techniques de réanimation.

    Les exercices prévoyaient aussi une entrée dans un espace confiné et une sortie depuis un tel endroit.

    Dans les exercices d’urgence, habituellement, le responsable de l’exercice passerait en revue les tâches désignées avec les membres d’équipage, il y aurait des exercices pour certaines de ces tâches, et les participants utiliseraient des équipements d’urgence. Dans la formation relative aux AREU, 1 membre d’équipage enfilait un AREU sans le recours à de l’air, pendant que les autres membres observaient. Toutefois, certains membres d’équipage ne se souvenaient d’aucun exercice consistant à enfiler de l’équipement de sauvetage et de lutte contre les incendies (p. ex., APRA, AREU). Les exercices ne comprenaient aucune fumée ni simulation de visibilité réduite. L’équipage connaissait les portes de sortie de la salle des machines, mais ne s’était jamais exercé à sortir par toutes les diverses portes durant les exercices. Rien n’indique que les membres d’équipage ont effectué les exercices en utilisant des simulations d’événements imprévus, dans des conditions exigeant une utilisation complète des équipements et des moyens de communication, ainsi qu’une coordination entre les membres des équipes.

    1.22 Réaction humaine aux situations d’urgence

    1.22.1 Jugement dans des situations ambigües

    Lorsqu’il est confronté à une situation ambigüe avec des contraintes de temps, l’humain réagit souvent immédiatement, sans analyser la façon de s’y prendre. La tendance à se concentrer sur la réponse est encore renforcée quand les conditions sont dynamiques, changeant constamment, que les enjeux sont importants et que de nombreuses personnes sont en jeuNote de bas de page 109.

    1.22.2 Réactions psychologiques aux situations d’urgence

    Lorsque des personnes vivent un événement catastrophique soudain et imprévu, elles ont généralement trois types de réactionNote de bas de page 110. Certaines demeurent calmes et rationnelles et peuvent élaborer des plans d’action. D’autres s’avèrent très inefficaces ou nuisibles (p. ex., panique, confusion, anxiété paralysante). La plupart deviennent cependant stupéfaites et abasourdies, se révèlent incapables de penser et d’agir par réflexe, présentent un champ de vision et une capacité d’attention réduits et perdent leur notion du temps, ce qui influe sur leur capacité de prendre des décisions et des mesures de survie. Parmi les autres réactions débilitantes, mentionnons le déni, l’incrédulité et une fixation sur ce qui est familier. Par exemple, les personnes qui paniquent peuvent faire une fixation sur une voie d’évacuation particulière qui leur est familière, sans tenir compte d’autres sorties ou voies d’évacuationNote de bas de page 111.

    Pendant les premiers instants d’un incendie, lorsqu’elles sentent de la fumée ou entendent une alarme, il arrive souvent que les personnes ne réagissent pas, étant dans le déni ou ne portant pas attention à la situation. Éviter ainsi de reconnaître une situation dangereuse retarde habituellement les évacuations ou la prise de mesures de protectionNote de bas de page 112. En outre, comme la fumée constitue un irritant qui nuit à la respiration et à la vision, sa présence peut encore entraver davantage la capacité des personnes à prendre les mesures qui s’imposent.

    Grâce à la réalisation répétée d’exercices qui sont basés sur des scénarios réalistes et exigent des équipages qu’ils exécutent une séquence complète de tâches, on peut davantage s’assurer qu’ils possèdent les compétences et connaissent les procédures nécessaires à la prise de mesures d’urgence, ce qui augmente la probabilité de réactions efficaces et productives lors d’une urgence réelleNote de bas de page 113.

    1.23 Gestion du navire

    Le propriétaire du MOL Prestige sous-traitait la gestion technique et la gestion de la sécurité de sa flotte à BSM China depuis le 9 janvier 2017. BSM China possédait un document de conformité ISMNote de bas de page 114 et était chargée de la gestion globale de la sécurité de la flotte conformément au Code ISM. Elle était également responsable de l’exploitation technique générale du MOL Prestige, y compris des achats relatifs à la flotte (p. ex., réparations, pièces de rechange) et de l’octroi de contrats d’inspection et de mise en cale sèche, entre autres. Après le changement de gestionnaire, le MOL Prestige a été soumis à un certain nombre d’inspections en 2017 (tableau 3).

    Tableau 3. Inspections du MOL Prestige en 2017
    Date Détails
    13 janvier BSM China organise une visite du surintendant à bord du navire, afin de faciliter le changement de gestion et de rencontrer le personnel de gestion du navire.
    7 mars L’Australian Maritime Safety Authority (autorité australienne en matière de sécurité maritime) effectue une inspection de contrôle par l’État du port.
    2 avril BSM China organise une autre visite du surintendant à bord du navire.
    18 mai Les propriétaires du navire effectuent une inspection.
    15 juin BSM China organise une autre visite du surintendant à bord du navire.
    27 juin BSM China organise une inspection du gestionnaire.
    28 juin Des inspecteurs de ClassNK effectuent une inspection annuelle.
    1er août L’affréteur du MOL Prestige effectue une inspection annuelle.
    19 septembre Singapour effectue une inspection par l’État du pavillon.
    12 novembre BSM China organise une autre visite du surintendant à bord du navire.

    Après avoir perdu la gestion du MOL Prestige, l’entreprise qui en était responsable n’a fourni aucune note de transfert officielle à BSM ChinaNote de bas de page 115. Le 22 février 2017, BSM China a demandé au capitaine et au chef mécanicien du MOL Prestige de lui fournir des notes de transfert, afin de faciliter le changement de gestionnaire technique. Le capitaine et le chef mécanicien ont préparé ces notes et les ont fournies à BSM China à la mi-mars. Ces documents montrent que les indicateurs de niveau du réservoir de décantation et de la caisse journalière ne fonctionnaient pas, ce dont aucune des inspections figurant au tableau 3 n’avait fait état.

    1.24 Entretien du navire

    Selon le Code ISM, une entreprise doit élaborer des procédures pour qu’un navire soit entretenu conformément à la réglementation pertinenteNote de bas de page 116. Ce faisant, l’entreprise doit s’assurer de la réalisation d’inspections à des intervalles appropriés, du signalement de toutes les non-conformités connues et de leurs causes possibles, de la prise des mesures correctives voulues, ainsi que de la tenue de dossiers sur ces activitésNote de bas de page 117.

    Le Code ISM indique aussi que l’entreprise doit indiquer l’équipement et les systèmes essentiels dont une panne pourrait entraîner des situations dangereuses, et que son SGS devrait prévoir des mesures précises pour assurer le bon fonctionnement de ces systèmes et équipements, y compris des tests, à intervalles réguliers, des équipements ou systèmes de réserve. Cette information devrait être intégrée au programme d’entretien courant du navireNote de bas de page 118.

    Le MOL Prestige avait un système d’entretien planifié, à savoir un système papier ou logiciel qui permettait à ses propriétaires, gestionnaires et exploitants d’en planifier et d’en effectuer l’entretien selon des intervalles donnés, d’après les exigences du fabricant et de la classe. Dans le cas des navires visés par le Code ISM, ce système doit être approuvé par leur société de classification. Le système logiciel à bord du MOL Prestige avait été approuvé par la société de classification ClassNKNote de bas de page 119.

    En avril 2017, BSM China a mis en œuvre un système informatisé de compte rendu appelé « Loss Prevention Safety and Quality–Portal Access Link (PAL) » (prévention des pertes, sécurité et qualité – lien/portail d’accès). Le système était conçu pour faciliter les communications et la présentation de comptes rendus entre les navires de la flotte et BSM China. Ce système renfermait divers types de rapports (p. ex., conformité, contrôles par l’État du port, inspections du surintendant de la flotte, audits internes et externes, inspections du navire). Il était employé par l’équipage du MOL Prestige aux fins de signalement des défauts et de demande de pièces de rechange et d’approvisionnements auprès de BSM China.

    Peu après la mise en œuvre du PAL, le capitaine du navire a indiqué à BSM China qu’il lui était impossible d’accéder au système et qu’il comptait communiquer au moyen de formulaires papier quant aux divers audits et inspections effectués. BSM China lui a acheminé par courriel un exemplaire du manuel du système et a demandé à l’équipage d’utiliser le PAL plutôt que des formulaires papier.

    Lors de l’événement, BSM China ajoutait encore des éléments au PAL à mesure qu’ils étaient signalés durant les diverses inspections effectuées à bord du navire par l’équipage et le personnel de gestion. À l’occasion, le capitaine et le chef mécanicien ont communiqué avec BSM China pour demander d’ajouter des pièces au PAL, afin qu’elles puissent être commandées.

    Au cours des mois précédant l’incendie, il y avait eu une série de communications entre le navire et BSM China au sujet des indicateurs de niveau défectueux. Le 15 mars 2017, dans des notes de transfert fournies à BSM China par le capitaine et le chef mécanicien en service à ce moment , on indiquait que les indicateurs de niveau des 2 caisses d’huile usée étaient défectueux et que leur réparation nécessitait des pièces de rechange, lesquelles ne figuraient pas dans le PAL et ne pouvaient donc pas être directement commandées par le chef mécanicien. Du personnel du navire avait demandé à BSM China d’ajouter ces pièces au système et fourni une liste de pièces avec sa demande. BSM China avait accepté de prendre les mesures appropriées, mais ne les avait pas encore prises avant l’événement.

    Le 1er août, dans son rapport de transfert, le chef mécanicien en service avait à nouveau indiqué à BSM China que les indicateurs de niveau des 2 caisses d’huile usée ne fonctionnaient pas. Il avait aussi signalé à BSM China que ceux du réservoir de décantation et de la caisse journalière de ML ne fonctionnaient pas non plus. BSM China lui avait demandé de commander les pièces nécessaires, mais il n’avait pas pu le faire, car elles ne figuraient pas encore dans le PAL.

    Le 12 octobre, dans ses notes de transfert, le deuxième mécanicien avait encore indiqué que les indicateurs de niveau de la caisse de décantation de ML, de la caisse journalière de ML et des 2 caisses d’huile usées ne fonctionnaient pas. Ces notes avaient été signées par le chef mécanicien en service et acheminées à BSM China, mais BSM China ne les avait pas signées.

    Le 8 janvier, le chef mécanicien avait expédié une copie de ses notes de transfert à BSM China pour lui signaler l’état des machines. Entre autres, le chef mécanicien avait indiqué que les indicateurs de niveau de la caisse de décantation de ML, de la caisse journalière de ML et des 2 caisses d’huile usée ne fonctionnaient pas. BSM China avait insisté sur la nécessité de réparer les indicateurs des caisses de ML et demandé si des pièces étaient nécessaires. En même temps, le chef mécanicien avait également fait état à BSM China de la défectuosité des vannes de vapeur.

    Le 23 janvier, à la fin de son service , le chef mécanicien avait indiqué verbalement au chef mécanicien qui le relevait que les indicateurs ne fonctionnaient pas.

    Une liste de défauts dressée à partir du PAL le 30 janvier 2018 ne comprenait pas les indicateurs des 4 caisses. Lors de l’événement, la version 3 du PAL était employéeNote de bas de page 120.

    1.24.1 Dossiers des inspections périodiques

    Les dossiers des inspections périodiques portent sur le suivi des essais des alarmes des divers équipements d’un navire. Les alarmes doivent être testées à intervalles réguliers, et les dossiers doivent indiquer la date et le résultat de chaque essai. La société de classification du navire fournit un document normalisé dans lequel ces données doivent être tenues à jour, à bord du navire. La société de classificationt vérifie ces données.

    Une des inscriptions dans les dossiers des inspections périodiques du MOL Prestige indique un intervalle d’essai de 3 mois pour les alarmes de niveau élevé, de niveau bas et de température élevée de la caisse de décantation de ML, ainsi que des alarmes de niveau bas et de température élevée de la caisse journalière de MLNote de bas de page 121. Les inscriptions indiquent que des essais ont été exécutés en avril, en juillet et en novembre 2017, et le chef mécanicien avait noté que le système fonctionnait adéquatement.

    Les dossiers avaient été tenus à jour de septembre 2011 à octobre 2015, mais d’octobre 2015 à janvier 2017, lorsque BSM China avait assumé la gestion du navire, aucune inscription n’indiquait la mise à l’essai des alarmes. La tenue des dossiers avait repris en janvier 2017.

    Le 22 mai, avant l’audit initial du navire du 5 juin, le capitaine avait signalé à BSM China que les dossiers n’avaient pas été tenus à jour et soulevé des préoccupations au sujet de l’audit initial. L’entreprise qui avait précédemment géré le MOL Prestige n’a pas répondu quand le BST a communiqué avec elle.

    1.25 Système de gestion de la sécurité

    Le Code ISM fournit une norme internationale de gestion et d’exploitation sûres des navires, ainsi que de prévention de la pollution. Il vise les navires assujettis à la SOLAS, prévoit des objectifs de gestion de la sécurité et exige l’établissement d’un SGSNote de bas de page 122.

    D’après le Code ISM, une entreprise doit élaborer et appliquer une politique assurant des pratiques sûres d’exploitation des navires et des milieux de travail sécuritaires . Tous les risques pour les navires, le personnel et l’environnement doivent être évalués, et des mesures appropriées doivent être prévues pour y parer. Les entreprises doivent aussi continuellement améliorer les compétences de leur personnel à terre comme en mer en matière de gestion de la sécurité, et fournir les ressources et le soutien à terre nécessaires.

    Le manuel de gestion de la sécurité du MOL Prestige comprenait des procédures et des renseignements concernant le système de gestion de l’entreprise (y compris structures organisationnelles, responsabilités, signalement des incidents et des situations dangereuses, audits internes, procédures liées aux mesures correctives et préventives, gestion de la santé et de la sécurité au travail).

    Le manuel de gestion de la sécurité présentait également un formulaire de familiarisation de l’équipage. Un de ses éléments exigeait que l’équipage se familiarise avec les voies d’évacuation de la salle des machines.

    En vertu du Code ISM, le navire devait faire l’objet d’audits internes et externes. Les audits internes devaient être réalisés par les propriétaires, et les audits externes, par des sociétés de classification autorisées à le faire.

    • Un audit interne a été effectué par BSM China le 2 avril 2017.
    • Un audit externe a été effectué par la société de classification DNV-GL le 5 juin 2017.

    Ni un ni l’autre de ces 2 audits n’indiquait qu’un suivi avait été donnée aux demandes répétées de pièces pour réparer les indicateurs de niveau défectueux.

    1.25.1 Réunions de sécurité

    L’équipage du MOL Prestige tenait des réunions de sécurité tous les mois. Les comptes rendus de ces réunions montrent qu’on y discutait de la sécurité, de questions techniques, de circulaires émises par le propriétaire, de non-conformités relevées lors d’audits, d’observations, de lacunes et de rapports d’inspection.

    Les comptes rendus indiquent qu’une partie de chaque réunion était consacrée aux vérifications de l’officier de sécurité et à l’état de la formation à bord. Il y avait aussi une discussion générale pour rappeler à l’équipage des questions comme la gestion des déchets, la politique d’interdiction de drogues et de boissons alcoolisées, la menace posée par des passagers clandestins et la politique relative à l’équipement de protection individuel.

    Les comptes rendus présentent aussi une liste des membres d’équipage qui s’étaient familiarisés avec l’exploitation du navire au cours du mois, des mesures à prendre sur des items soulevés par le comité de la sécurité et de la protection environnementale, ainsi que des mesures à prendre sur des items formulés par l’équipage. Les réunions abordaient aussi les exercices d’urgence effectués durant le mois.

    L’équipage devait également tenir des réunions « coffre à outils » avant le début des quarts de travail, conformément à la section 3.02.03 du manuel technique du navire portant sur la qualité, la sécurité, la santé et l’environnement.

    L’équipe de direction du navire (capitaine, chef mécanicien, deuxième mécanicien et capitaine en second) tenait aussi des réunions au début de chaque mois, afin de planifier le travail du mois.

    Il n’a été question des indicateurs de niveau défectueux à aucune de ces réunions.

    1.26 Enregistreur des données du voyage

    Des enregistreurs de conversations et de données sont employés dans divers modes de transport, afin de faciliter les enquêtes relatives à des accidents ou des incidents. Dans les navires, ces appareils sont appelés « enregistreurs des données du voyage » (VDR). Des données objectives sont inestimables pour les enquêteurs qui doivent comprendre la séquence d’événements et cerner les problèmes d’exploitation et les facteurs humains.

    Le MOL Prestige avait un VDR (modèle JCY-1700), conformément à la réglementation pertinente. L’appareil était alimenté en électricité par les tableaux de distribution principal et d’urgence. Il était conçu pour enregistrer les paramètres suivants : date et heure TUC (temps universel coordonné); images radar; conversations sur la passerelle; conversations par radiotéléphone VHF; cap au gyrocompas; taux de giration; commande et réaction du gouvernail; position (latitude et longitude); cap et vitesse par rapport au fond; vitesse et direction relatives du vent; profondeur de l’eau; pas des hélices; commandes envoyées aux machines et réaction des machines; allure de la machine; données d’identification automatique issues des navires environnants.

    Le VDR du MOL Prestige enregistrait jusqu’à 12 heures de données sur une carte informatique sur laquelle l’information était continuellement réinscrite. En raison de la réinscription continue des données, les renseignements devaient être récupérés dans les 12 heures suivant un incident. Si l’interrupteur de sauvegarde n’était pas activé peu après un incident, le VDR recommençait à enregistrer des données par-dessus l’information antérieure.

    L’équipage a activé l’interrupteur pour sauvegarder les données du VDR 24 heures après le délai qu’il aurait fallu respecter pour préserver les données des heures précédant l’événement. Le capitaine du MOL Prestige n’avait reçu aucune instruction de BSM China visant à assurer la conservation des données en temps utileNote de bas de page 123.

    Le BST a précédemment relevé des situations où des données de VDR étaient indisponibles pour diverses raisons (p. ex., défauts d’équipement, problèmes d’installation, manque de connaissance des équipages de la fonction de sauvegarde des VDR). Un manque de données de VDR a nui à aux travaux d’enquête sur divers événementsNote de bas de page 124.

    À travers le monde, nombre d’enquêtes sur des incidents maritimes ont noté des problèmes semblables de VDR défectueux ou hors service.

    1.27 Liste de surveillance du BST

    La Liste de surveillance du BST énumère les principaux enjeux de sécurité qu’il faut s’employer à régler pour rendre le système de transport canadien encore plus sûr.

    MESURES À PRENDRE

    La gestion de la sécurité et surveillance restera sur la Liste de surveillance jusqu’à ce que :

    • Les transporteurs qui ont un SGS démontrent à Transports Canada qu’il fonctionne bien et donc permet de déceler les risques et de mettre en œuvre des mesures efficaces pour les atténuer.
    • Transports Canada exerce ses responsabilités lorsque des exploitants ne peuvent pas assurer une gestion efficace de la sécurité de façon à ce qu’ils corrigent les pratiques d’exploitation non sécuritaires.

    La gestion de la sécurité et surveillance figure sur la Liste de surveillance 2018. Comme l’événement à l’étude le démontre, si les entreprises ne prennent pas avec diligence des mesures correctives pour régler les problèmes dans l’entretien et repérer les lacunes dans les procédures d’intervention d’urgence, il y a un risque que des accidents ou des blessures se produiront.

    1.28 Rapports de laboratoire du BST

    Le BST a produit les rapports de laboratoire suivants dans le cadre de la présente enquête :

    • LP073/2018 – Plug and Wire Analysis [Analyse des prises et des câbles];
    • LP170/2019 – Electrical diagram comparison [Comparaison des diagrammes électriques]

    2.0 Analyse

    L’analyse a porté sur les facteurs menant à l’incendie dans la salle des machines, sur l’intervention d’urgence initiale, sur la sortie et l’évacuation depuis la salle de commande des machines. Elle a aussi examiné les exercices et les préparatifs d’urgence à bord du navire, l’entretien de la salle des machines et les pratiques connexes, la défaillance et l’entretien du système fixe d’extinction d’incendie au dioxyde de carbone (CO2), le système de gestion de la sécurité (SGS) et l’enregistreur des données du voyage (VDR).

    2.1 Facteurs ayant mené à l’incendie dans la salle des machines

    À un certain moment, l’indicateur de niveau à flotteur de la caisse de décantation avait été retiré, et le tuyau correspondant avait été laissé ouvert. L’indicateur de niveau avait probablement été retiré aux fins de réparation ou de remplacement, et le tuyau avait initialement été scellé au moyen d’une bride pleine fixée avec des écrous et des boulons. Dès lors, le seul moyen de vérifier le niveau de la caisse de décantation consistait à utiliser un ruban de sonde inséré dans le tuyau. Comme l’accès et l’espace au-dessus de la caisse de décantation étaient limités, il était sans doute laborieux de déboulonner la bride pleine sur ce réservoir. Le tuyau aurait ainsi été laissé ouvert par souci de facilité d’accès. À un certain point, l’interrupteur de niveau élevé de la pompe de transfert avait été modifié, afin que l’équipage puisse employer cette pompe en mode manuel pour estimer le niveau de la caisse de décantation, puis on a sans doute oublié le tuyau ouvert sur le sommet du réservoir.

    Avant l’incendie dans la salle des machines, le MOL Prestige s’était trouvé dans une zone de contrôle des émissions pendant environ 11 jours, circulant entre des ports aux États-Unis et au Canada. Pendant ce temps, il fonctionnait au gasoil marin à faible teneur en soufre (GMFTS) et subissait des fuites intermittentes de GMFTS issues du système d’injection de carburant du moteur principal. Le GMFTS qui fuyait s’écoulait dans le réservoir de purge, comme prévu selon la conception du navire. Par conséquent, la caisse de décantation renfermait quelque 30 m3 de mélange de mazout lourd (ML) et de GMFTS. Les vannes de vapeur fuyaient dans les serpentins de vapeur et chauffaient continuellement la caisse de décantation au-delà de sa température normale. L’alarme de température élevée n’a pas sonné, probablement parce qu’elle avait été réglée pour ne s’activer que si la température du réservoir dépassait 120 °C. L’équipe de la salle des machines n’a été avertie de la température élevée de la caisse de décantation que lorsque l’alarme de température élevée de l’entrée de purificateur de ML 1 a sonné.

    Pour réduire la température de la caisse de décantation, du ML plus froid a été transféré de la soute à combustible 7S à la caisse de décantation, mais la matière initialement aspirée depuis cette soute était fort probablement de l’eau accumulée au fond de la soute. Pendant que le navire fonctionnait au GMFTS dans la zone de contrôle des émissions, de l’eau se serait naturellement accumulée au fond de la soute, au niveau de la canalisation d’aspiration de la pompe de transfert.

    Lorsque le mélange d’eau mazouteuse plus froid est entré en contact avec le carburant beaucoup plus chaud dans la caisse de décantation, l’eau s’est transformée en vapeur, augmentant donc de volume. L’espace dans la caisse de décantation était retreint, si bien que l’expansion a poussé le carburant chaud à travers toutes les ouvertures possibles (débordement par moussage), dont la canalisation de trop-plein, l’évent d’air, la sortie vers le purificateur, le tuyau de remplissage de la pompe de transfert et le tuyau ouvert sur la caisse de décantation. Le carburant a probablement été également poussé dans la canalisation de trop-plein de la caisse journalière et celle de sortie du réservoir menant au purificateur, ce qui a accru le volume de vapeurs d’eau/de carburant issu de la trémie du purificateur. Le contenu de la caisse de décantation a été principalement expulsé par le tuyau ouvert sur la caisse de décantation, lequel constituait la voie de moindre résistance.

    L’information recueillie durant l’analyse de la propagation de l’incendie indique que du mazout s’est écoulé du tuyau, est descendu le long du côté de la caisse de décantation, puis est entré en contact avec une source d’inflammation et s’est enflammé. Les sources potentielles d’inflammation comprenaient ce qui suit : le collecteur d’échappement du moteur de génératrice 3; des parties non isolées de la canalisation de chauffage à la vapeur du pont 3, où la température de la vapeur atteignait environ 170 °C; et des lumières fluorescentes et des raccords électriques sous la caisse de décantation. Le carburant enflammé est tombé sur les ponts inférieurs, tandis que les flammes remontaient sur le dessus de la caisse de décantation.

    Les principaux dommages d’incendie trouvés après l’événement ont été relevés sur le dessus de la caisse de décantation, ce qui indique que cet endroit était la zone où le feu brûlait le plus intensément. Un sondage du réservoir de trop-plein a montré un volume accru se chiffrant à environ 19 m3 après l’événement. Aucune trace de carburant se trouvait dans l’évent d’air du réservoir de trop-plein, sur le pont supérieur, ce qui indique que la majeure partie du contenu a été expulsée par le tuyau ouvert sur la caisse de décantation, jusque sur les ponts inférieurs.

    2.1.1 Détection initiale de l’incendie et réaction

    Au début de l’urgence, les membres d’équipage dans la salle des machines et sur la passerelle ont initialement cherché la source de déclenchement des alarmes d’incendie et la cause de la fumée et de la vapeur se trouvant dans la salle des machines, contrairement aux instructions du manuel des mesures d’urgence. L’équipe de la salle des machines s’est rendue dans la salle de commande des machines (SCM), afin de régler le problème, et le capitaine a demandé au capitaine en second et au chef mécanicien de trouver la source de déclenchement des alarmes d’incendie activées sur les ponts 2 et 3.

    Sur la passerelle, lorsqu’un détecteur est activé où que ce soit à bord, la zone en cause est illuminée sur le panneau de commande et une alarme sonne. Le panneau n’indique pas le type de détecteur (fumée, flamme ou chaleur) qui a déclenché l’alarme d’incendie. Le panneau d’alarme d’incendie de la SCM indique qu’une alarme d’incendie a été activée, mais pas quelle zone est touchée ou quel type de détecteur a déclenché l’alarme d’incendie.

    Par le passé, des alarmes d’incendie avaient sonné dans la salle des machines du navire, après la détection de sources bénignes de fumée et de chaleur. Dans ces situations, l’équipage avait été chargé de trouver l’origine des alarmes, afin de déterminer si elle justifiait une alarme générale. Dans le cas de l’événement à l’étude, le capitaine avait demandé au capitaine en second et au chef mécanicien de trouver la source des alarmes. Toutefois, pendant qu’ils le faisaient, l’alarme générale avait sonné alors que le chef mécanicien se trouvait déjà dans l’ascenseur en route vers la salle des machines. Une fois dans la SCM et alors qu’il ne disposait que de peu d’information sur la source des alarmes, le chef mécanicien avait demandé à l’équipe de la salle des machines de déterminer pourquoi l’alarme d’incendie avait sonné et d’où les vapeurs blanches provenaient.

    À ce moment, au poste d’incendie situé au-dessus de la salle des machines, tous les membres d’équipage ne s’étaient pas rassemblés en réponse à l’alarme générale, probablement parce que des alarmes précédentes avaient été déclenchées par des problèmes bénins non liés à un incendie. Ce n’est qu’après une annonce du capitaine à l’interphone qu’ils se sont tous réunis au poste d’incendie. Dans les 3 minutes suivant l’activation de l’alarme générale, tous les membres d’équipage s’étaient rendus à leurs postes de rassemblement respectifs.

    La rapide séquence de déclenchement des alarmes d’incendie témoigne de la vitesse à laquelle de la fumée, de la chaleur et du feu sont apparus dans la salle des machines. La SCM, qui n’était pas désignée comme un lieu de rassemblement, ne comportait que 1 appareil respiratoire d’évacuation d’urgence (AREU) et n’était pas conçue pour assurer une protection contre la fumée, la chaleur et le feu. En outre, elle ne présentait aucune sortie menant directement à l’extérieur de la salle des machines; toutes les options exigeaient des membres de l’équipe qu’ils traversent la salle des machines pour atteindre une sortie.

    Même après qu’il eut tenté de trouver la cause des alarmes et des vapeurs blanches, le mécanicien ne connaissait pas précisément l’emplacement et le type de l’incendie. Lorsqu’on est confronté à une situation incertaine, on s’efforce souvent d’y réagir, plutôt que de l’analyser, surtout quand le temps presse et que les enjeux sont importants. Le chef mécanicien a demandé à l’équipe de la salle des machines de mettre en œuvre les procédures d’incendie dans la salle des machines, conformément aux exigences du manuel des mesures d’urgence (MMU). Cependant, le MMU ne précisait pas où l’équipe devrait se trouver pour les entreprendre. La troisième mesure figurant sur la liste de mesures en cas d’incendie consistait à déterminer l’emplacement et la nature de l’incendie, après l’interruption des opérations liées aux marchandises, des transferts de mazout et des transferts d’huile de lubrification. C’est ce que l’équipe de la salle des machines et le chef mécanicien faisaient, quand le chef mécanicien a constaté une accumulation de fumée noire dans la salle des machines.

    Confrontés à un type d’incendie inconnu, les membres de l’équipe se trouvant dans la SCM se sont employés à réagir à la situation d’après les procédures du MMU relatives aux incendies en restant dans la SCM, plutôt que de se rassembler à un endroit sûr hors de la salle des machines (c’est-à-dire au poste de rassemblement). Ils ont ainsi été piégés dans la salle des machines.
    Lorsque l’équipe a ensuite tenté de sortir de la salle des machines, environ 5 minutes plus tard, une épaisse fumée noire s’y était accumulée, et la chaleur avait fortement augmenté. Comme elle ne disposait d’aucun AREU, elle a dû renoncer à sa tentative et battre en retraite dans la SCM pour y attendre les secours. Après que les membres de l’équipe ont été piégés dans la SCM, environ 1,5 heure s’est écoulée avant qu’ils ne soient tous secourus, ce qui a retardé la projection de CO2. Pendant ce temps, l’incendie continuait de brûler.

    2.1.2 Sortie et évacuation de la salle des machines

    Le personnel de la salle des machines avait pour habitude de s’assembler dans la SCM lorsqu’il devait discuter de problèmes relatifs à la salle des machines. Par conséquent, lorsqu’une action coordonnée s’est avérée nécessaire face à la situation qui était grave et qui évoluait rapidement, le personnel de la salle des machines s’est réuni dans la SCM.

    Après que l’équipe fut piégée dans la SCM, divers facteurs se sont combinés pour compliquer l’évacuation. L’équipe ne connaissait pas l’emplacement exact de l’incendie dans la salle des machines; l’atmosphère était toxique et il y avait une épaisse fumée noire; la visibilité était réduite à nulle; et 5 des membres de l’équipe piégée avaient des tâches clés à assurer d’après le rôle d’appel en cas d’incendie (soit les 2 chefs de l’équipe technique et de l’équipe principale de lutte contre les incendies, ainsi que le pompier désigné), mais ils ne pouvaient pas participer aux mesures d’urgence.

    La SCM ne comportait aucune voie d’évacuation vers une position sûre se trouvant à l’extérieur du compartiment des machines et constituant un abri continu contre l’incendie, ce qui n’était d’ailleurs pas exigé par la réglementation. L’absence de voie d’évacuation a forcé l’équipe à sortir en passant par le milieu dangereux qu’était la salle des machines. La salle des machines était dotée de 6 AREU, soit un nombre suffisant pour que chaque membre de l’équipe en porte un, mais la plupart des appareils se trouvaient trop loin pour être récupérés de manière sûre durant l’incendie.

    Au poste d’incendie, le matelot n’avait aucun membre de son équipe muni de l’équipement nécessaire pour l’accompagner dans la salle des machines, lorsqu’il y est entré avec un AREU. Il a fallu du temps pour récupérer un deuxième ensemble de lutte contre les incendies dans le casier du pont D, soit 4 ponts en haut du poste d’incendie. Par ailleurs, le capitaine en second croyait que la salle des machines était seulement remplie de fumée et avait insisté auprès du matelot qu’il aurait simplement à fournir les AREU à l’équipe de la salle des machines, puis à revenir. C’est pour cette raison que le marin est entré seul dans la salle des machines (alors qu’il aurait normalement dû être accompagné, pour des raisons de sécurité) et sans tuyau chargé.

    Lorsque le premier matelot a été repoussé par la fumée, l’autre était en route vers le pont D, afin d’y récupérer la combinaison de pompier. Le capitaine en second a emprunté l’appareil de protection respiratoire autonome (APRA) du matelot et pénétré dans la salle des machines sans combinaison de pompier, probablement par empressement d’atteindre la SCM, pensant qu’il n’y avait peut-être pas réellement d’incendie. Une fois dans la SCM, le capitaine en second a dû montrer à l’équipe comment enfiler un AREU, si bien qu’elle n’a pas pu sortir immédiatement.

    Divers facteurs (p. ex., conception de la SCM, emplacement et disponibilité de l’équipement de sécurité et connaissance qu’en a l’équipage; membres piégés devant jouer des rôles clés de lutte contre les incendies) se sont combinés pour compliquer la sortie de la SCM et les efforts d’évacuation subséquents, ce qui a posé des risques pour l’équipage pendant l’intervention d’urgence et retardé la sortie du personnel piégé.

    Étant donné que le MOL Prestige n’était pas assujetti aux nouvelles exigences de la Convention internationale pour la sauvegarde de la vie humaine en mer (SOLAS) visant les moyens d’évacuation des SCM, sa SCM ne comportait aucune voie d’évacuation qui constituait un abri continu contre les incendies menant à une position sûre, hors de la salle des machines.

    Bien que ce ne soit pas une exigence pour les navires de charge comme le MOL Prestige,une analyse d’évacuation de la salle des machines aurait pu indiquer que des changements étaient nécessaires pour que les moyens d’évacuation offrent un niveau de sécurité équivalant à ce qu’exige la réglementation. En outre, une analyse d’évacuation aurait pu entraîner une évaluation des moyens d’évacuation nécessaires de la SCM, y compris des AREU, le marquagee approprié et la visibilité des portes de sortie.

    Si les propriétaires et les exploitants de navires de charge construits avant le 1er janvier 2016 n’évaluent pas les voies d’évacuation pour s’assurer que les moyens d’évacuation des SCM offrent un niveau de sécurité équivalant à ce qu’exige aujourd’hui la réglementation SOLAS, il y a un risque que les moyens d’évacuation fournis soient insuffisants pour permettre une sortie sûre et rapide vers une position protégée hors des compartiments de machines.

    2.2 Exercices et préparatifs d’urgence

    Les incendies peuvent se propager rapidement et causer des situations d’urgence. Pour intervenir efficacement lors de telles situations, les équipages doivent recevoir une formation sur les procédures appropriées et s’y exercer en utilisant l’équipement pertinent. La formation et la pratique sont importantes, car lors d’un incendie, les ressources d’un navire sont restreintes et il n’y a guère de temps pour apprendre à employer de l’équipement de sauvetage et de lutte contre les incendies. En raison de la nature stressante d’une urgence, il est difficile de se souvenir des procédures et des techniques voulues pour combattre le feu et secourir rapidement des membres d’équipage piégés.

    La réalisation régulière d’exercices d’urgence permet aux équipages d’assimiler les tâches qui leur sont assignées et l’utilisation de l’équipement d’urgence. Plus les exercices sont fréquents, plus les mesures cruciales à prendre lors d’une urgence deviennent automatiques, ce qui permet de gagner de précieuses secondes. Si la formation n’est pas renforcée par des exercices, les avantages qu’elle procure sont réduits. Les exercices d’urgence qui comprennent des scénarios réalistes et diversifiés accroissent l’état de préparation, la rapidité de réaction et l’efficacité d’un équipage lors d’une urgence. Bien que l’équipage du MOL Prestige participait régulièrement à des exercices d’incendie dans la salle des machines et de sauvetage de personnes piégées dans un espace confiné, tous ses membres n’avaient pas eu la possibilité de s’exercer à enfiler la combinaison de pompier, y compris des APRA ou des AREU. L’équipage ne s’était jamais non plus exercé à une sortie par toutes les voies d’évacuation possibles depuis la salle des machines. Il connaissait les autres sorties, mais les utilisait rarement dans le quotidien et ne s’exerçait pas à les utiliser lors des exercices d’urgence. Lorsque les gens paniquent, ils se concentrent sur la voie d’évacuation qui leur est familière, sans tenir compte des autres sorties ou voies d’évacuationNote de bas de page 125.

    Rien n’indique que les exercices d’incendie menés à bord du MOL Prestige comprenaient des scénarios réalistes fondés sur des imprévus, comme un sauvetage depuis un espace confiné lors d’une urgence impliquant un incendie de type inconnu. L’équipage du navire n’avait jamais participé à des exercices avec de la fumée ou dans des conditions de visibilité réduite ou nulle (p. ex., obscurité). Les membres d’équipage ne s’étaient pas exercés à toutes leurs tâches assignées et aux procédures connexes, et ils n’avaient pas eu l’occasion d’apprendre comment réagir à des événements imprévus.

    Si des exercices d’urgence ne sont pas menés régulièrement et évalués pour toutes les tâches assignées aux membres d’équipage ou s’ils ne comprennent pas des scénarios réalistes, il y a un risque que l’équipage sera mal préparé lors d’une urgence.

    2.3 Travaux d’entretien et pratiques dans la salle des machines

    L’entretien convenable de l’équipement et des systèmes de la salle des machines et la surveillance des pratiques dans la salle des machines pour s’assurer qu’elles minimisent les risques sont tous deux essentiels à la sécurité d’un navire, de son équipage et de l’environnement. Dans les salles des machines, en particulier, le risque d’incendie pose un danger considérable, vu qu’il s’y trouve toujours de la chaleur, de l’oxygène et diverses matières inflammables, comme des carburants. Il est donc primordial d’y minimiser les conditions et les comportements pouvant poser un danger d’incendie.

    L’enquête a révélé des problèmes d’entretien dans la salle des machines du MOL Prestige : indicateurs de niveau défectueux, vannes des serpentins de vapeur qui fuyaient dans la caisse de décantation et fuites de GMFTS dans le système d’injection de carburant du moteur principal. De plus, certaines des pratiques dans la salle des machines posaient des dangers, comme le fait de laisser ouvert le tuyau d’indicateur de niveau de la caisse de décantation, le réglage de l’alarme de température élevée de la caisse de décantation à 30 °C au-dessus de la température sécuritaire maximale et le transfert de GMFTS du réservoir de purge et du réservoir de purge de filtre dans la caisse de décantation. En outre, l’équipe de la salle des machines avait pris l’habitude de transférer du mazout relativement froid des soutes à combustible dans la caisse de décantation, afin d’en réduire la température. Le manque de données dans le système d’entretien planifié de l’entreprise et dans le registre de la salle des machines faisait qu’il était difficile de surveiller et d’analyser ces problèmes d’entretien.

    Lors de l’événement, les indicateurs de niveau du réservoir de décantation et de la caisse journalière , ainsi que des 2 caisses d’huile usée, ne fonctionnaient pas depuis au moins un an. Bien que ces problèmes étaient connus tant du personnel du navire que de BSM China, aucune mesure corrective n’avait été prise immédiatement. Au lieu de les réparer, l’équipe de la salle des machines avait mis au point une adaptationNote de bas de page 126 pour pallier les indicateurs de niveau inopérants, consistant à mesurer et contrôler manuellement les niveaux de carburant dans le réservoir de décantation et la caisse journalière. Cela permettait de préserver la fonctionnalité du système de carburant autant que possible dans les conditions, mais rendait inefficaces les dispositifs de sécurité des équipements (alarmes de niveau élevé et de niveau bas). Comme nombre d’adaptations à la réglementation ou aux procédures d’exploitation normalisées relevées durant des enquêtes sur des accidents, l’adaptation en cause ici découlait probablement d’un manque de ressources et du fait que la direction s’attendait à ce que les tâches soient assurées sans les pièces nécessaires. Lorsque le personnel modifie des procédures de travail ou ne les respecte pas rigoureusement, les infractions peuvent se transformer en habitudes, souvent pour pallier un manque de ressources, pour accroître la productivité ou sous la pression des pairsNote de bas de page 127.

    Environ 10 jours avant l’événement, la caisse journalière s’était complètement vidé. En l’absence d’alarme de faible niveau, l’équipe de la salle des machines n’avait pas été prévenue quand le niveau de carburant dans la caisse journalière était devenu insuffisant. Bien que ce problème n’ait pas contribué à l’événement, il témoigne de l’importance des alarmes de faible niveau des caisses sur le plan de l’exploitation et de la sécurité globales du navire.

    Pour sonder manuellement les caisses, les mécaniciens devaient grimper dans un espace restreint et mal éclairé, au-dessus des caisses. Chaque tuyau d’indicateur de niveau comportait une bride pleine qui pouvait être boulonnée pour fermer les caisses. Toutefois, au fil du temps, des membres du personnel ont cessé d’installer la bride du tuyau de la caisse de décantation et ainsi créé des conditions dangereuses qui ont entraîné un débordement par moussage, l’expulsion conséquente de mazout et de vapeurs hors du réservoir, puis l’explosion de vapeur qui a provoqué l’incendie.

    L’enquête montre aussi qu’à un certain moment, l’alarme de température élevée de la caisse de décantation avait été réglée à 30 °C au-dessus de la température sécuritaire maximale. Ainsi, toute eau entrant dans la caisse de décantation pouvait entraîner un débordement par moussage, car le mazout à plus de 100 °C s’y trouvant porterait instantanément à ébullition toute eau qui se trouvait dans le réservoir ou qui y était ajoutée. De plus, l’enquête indique qu’avant l’événement, de la vapeur s’échappait des vannes des serpentins de vapeur de la caisse de décantation, même lorsqu’elles étaient fermées. La vapeur échappée chauffait le mazout de la caisse de décantation et réduisait la capacité des mécaniciens de contrôler la température du réservoir. Aucune mesure n’avait été prise pour régler le problème des fuites des vannes des serpentins de vapeur de la caisse de décantation. Rien n’indique que la température du réservoir avait été vérifiée ou pendant combien de temps le réglage de la température du réservoir était à cette valeur.

    Enfin, selon l’enquête, du GMFTS tendait à fuir du système de carburant sous haute pression du moteur principal, en raison de la viscosité inférieure de ce type de combustible. Les fuites s’écoulaient dans le réservoir de purge, dont le contenu était ensuite transféré dans la caisse de décantation. Bien qu’e ce transfert n’ait pas contribué à l’événement, il entraînait un mélange de ML et de GMFTS dans le système, alors que ces carburants auraient généralement dû demeurer séparés, étant donné leurs propriétés distinctes.

    La responsabilité d’assurer un entretien sûr de l’équipement, le recours à des pratiques sûres dans la salle des machines et la tenue à jour des registres de la salle des machines était partagée par le chef mécanicien, l’équipe de la salle des machines, les propriétaires et le gestionnaire technique. En ce qui concerne le MOL Prestige, dans l’année précédant l’événement, des changements étaient survenus parmi ceux qui partageaient cette responsabilité, sauf les propriétaires. Le gestionnaire technique du navire avait changé, et un nouveau système de compte rendu appelé « Loss Prevention Safety and Quality–Portal Access Link (PAL) » (prévention des pertes, sécurité et qualité – lien/portail d’accès) avait été mis en œuvre. En outre, le chef mécanicien occupait son poste depuis seulement 9 jours avant l’événement. Pendant cette période de changement, rien n’avait été fait à l’égard des problèmes relevés par l’équipe de la salle des machines. Par exemple, l’équipe avait demandé à BSM China d’inscrire des pièces dans le PAL afin qu’elle puisse les commander, mais ce n’était pas fait au moment de l’événement. Par conséquent, certains équipements de la salle posaient des dangers, tout comme certaines des adaptations adoptées par l’équipage pour pallier le manque de pièces.

    L’équipement de la salle des machines n’était pas entretenu conformément aux procédures de l’entreprise et aux spécifications du fabricant, ce qui a créé des conditions dangereuses qui ont mené à l’incendie dans la salle des machines.

    Si les personnes qui doivent s’assurer que la salle des machines est entretenue adéquatement ne collaborent pas pour atténuer les dangers (fuites, équipement défectueux et adaptations) de façon efficace et diligente, il y a un risque que de l’équipement de la salle des machines subira des défaillances et causera des accidents.

    2.4 Défaillance du système fixe d’extinction d’incendie au dioxyde de carbone

    Un incendie à bord d’un navire est une des situations les plus dangereuses auxquelles un équipage peut être confronté. Comme des navires en mer peuvent être dans des endroits où des ressources externes de lutte contre l’incendie ne sont pas aisément disponibles, il est essentiel qu’ils disposent de moyens efficaces pour éteindre un feu à bord. La plupart des navires sont dotés de systèmes de CO2. Ces systèmes doivent cependant être en bon état de marche lors d’un incendie.

    Le système de CO2 du MOL Prestige avait une réserve de CO2 suffisante pour une seule tentative d’extinction d’un incendie dans la salle des machines. Une fois que l’équipe piégée dans la salle des machines en était sortie, le capitaine a ordonné la décharge de CO2. Cependant, certaines des bouteilles de gaz n’ont pas déchargé leur contenu, et le feu n’a pas été éteint. Le système n’a donné aucune indication ou alerte au capitaine du fait que certaines des bouteilles de CO2 n’avaient pas déchargé leur contenu, donc le capitaine n’a pas su immédiatement qu’il y avait eu une défaillance du système.

    2.4.1 Entretien du système

    L’Organisation maritime internationale exige que les installations de lutte contre les incendies fassent l’objet d’inspections périodiques. Dans ces inspections, le collecteur de distribution de gaz et les canalisations doivent être testés en y injectant de l’air comprimé. Les essais ne sont pas effectués à la pression d’exploitation, donc ils confirment seulement que les canalisations sont dégagées. Aucun essai de fuite ou autre examen non destructif des canalisations n’est prévu.

    D’après la réglementation, le système doit résister à une pression de rupture minimale et être soumis à un essai de pression initial lors de leur fabrication. Il y a aussi une exigence que toutes les bouteilles de CO2 subissent un essai hydraulique à des intervalles réguliers. Cependant, ce principe n’est pas appliqué au système de distribution, et rien n’exige qu’un essai de pression soit effectué périodiquement pendant la durée de vie d’un navire.

    À bord du MOL Prestige, des fuites de canalisations et d’unités essentielles à la sécurité n’ont été découvertes que lorsque le système a été inspecté après l’incendie. Les programmes d’inspection et d’essai des systèmes de CO2 doivent donc comprendre des dispositions qui aideront à assurer leur intégrité.

    Si à bord, des dispositifs cruciaux de lutte contre les incendies, comme un système fixe d’extinction d’incendie, ne sont pas entretenus conformément aux spécifications du fabricant et aux exigences réglementaires, il y a un risque que ces systèmes ne fonctionneront pas comme prévu lors d’une urgence.

    2.5 Système de gestion de la sécurité

    Pour gérer efficacement la sécurité, une entreprise doit activement repérer et gérer les risques dans ses opérations. Un SGS efficace peut aider une entreprise à se doter d’une solide culture priorisant la sécurité à tous les échelons. Il peut encourager les employés à repérer et à signaler des problèmes de sécurité, et il peut assurer le soutien nécessaire à la gestion de ces problèmes. Une solide culture de sécurité aide aussi une entreprise à assurer sa conformité à la réglementation.

    Le MOL Prestige avait un SGS audité qui comprenait des procédures de repérage des dangers, de vérification de l’équipement de la salle des machines et de tenue de registres. Cependant, certains des problèmes de sécurité relevés durant l’enquête (indicateurs de niveau défectueux, adaptations du procédé de sondage par l’équipage, réglage de l’indicateur de température élevée de la caisse de décantation au-dessus de la température sécuritaire, transfert de carburant froid de la soute dans le mazout chauffé de la caisse de décantation et dossiers incomplets) n’avaient pas été repérés lors d’audits ou de vérifications de routine.

    En outre, aucune des méthodes de repérage des dangers figurant dans le SGS du navire n’a permis de mener à une correction diligente de ces problèmes. Dans certains cas, l’équipage se croyait contraint de prévoir des adaptations pour accomplir ses tâches. Au fil du temps, des pratiques de travail dangereuses ont été admises comme des aspects normaux des opérations au point où on ne considérait plus qu’elles posaient des risques. Il faut y voir une lacune du processus du SGS, qui devrait encourager les équipages à repérer et à signaler des risques, et soutenir l’atténuation sûre et diligente de tout risque cerné. Dans le cas du MOL Prestige, les indicateurs de niveau défectueux et l’adaptation de l’équipage quant au sondage du réservoir de décantation et de la caisse journalière n’ont pas été signalés à BSM China comme des problèmes graves, et BSM China n’a pas agi pour repérer ces problèmes ni soutenu l’équipage pour qu’il les règle.

    Si les entreprises ne mettent pas en place un SGS efficace qui encourage les équipages à repérer des dangers et les aide à trouver des moyens d’atténuer ces dangers de manière sécuritaire et diligente, il y a un risque que des conditions d’exploitation dangereuses demeureront.

    2.6 Enregistreur des données du voyage

    Les enregistreurs des données du voyage (VDR) sont conçus pour produire et conserver un enregistrement sécurisé et récupérable de données sur la position, le déplacement, l’état physique et le contrôle d’un navire, avant, pendant et après un incident. Des données objectives ont une valeur inestimable pour les enquêteurs cherchant à comprendre la séquence des événements et à cerner les problèmes opérationnels et les facteurs humains.

    Lors de l’événement à l’étude, le bouton de sauvegarde du VDR du MOL Prestige n’a pas été activé à temps pour préserver les renseignements du moment de l’événement. Sans données de VDR (dans ce cas, enregistrements audio issus de la passerelle), les enquêteurs n’ont pas pu confirmer objectivement certaines des mesures qui ont été prises, ou la séquence des événements avant et pendant l’incendie dans la salle des machines.

    Si des données de VDR, en particulier les enregistrements audio de la passerelle, ne sont pas disponibles pour une enquête, il peut être impossible de cerner des lacunes de sécurité et d’en faire état afin d’améliorer la sécurité dans les transports.

    3.0 Faits établis

    3.1 Faits établis quant aux causes et aux facteurs contributifs

    Il s’agit des conditions, actes ou lacunes de sécurité qui ont causé l’événement ou y ont contribué.

    1.  L’indicateur de niveau à flotteur de la caisse de décantation avait été retiré et le tuyau avait été laissé ouvert.
    2. Les vannes de vapeur fuyaient dans les serpentins de vapeur et chauffaient continuellement la caisse de décantation au-delà de sa température normale. L’alarme de température élevée n’a pas sonné, probablement parce qu’elle avait été réglée pour ne s’activer que si la température dépassait 120 °C.
    3. L’équipe de la salle des machines n’a été avertie de la température élevée de la caisse de décantation que lorsque l’alarme de température élevée de l’entrée du purificateur 1 de mazout lourd a sonné.
    4. Pour réduire la température de la caisse de décantation, du mazout lourd plus froid a été transféré de la soute à combustible 7S à la caisse de décantation, mais la matière initialement aspirée depuis cette soute était fort probablement l’eau accumulée au fond de la soute.
    5. Lorsque le mélange d’eau mazouteuse plus froid de la soute à combustible 7S est entré en contact avec le carburant beaucoup plus chaud dans la caisse de décantation, l’eau s’est transformée en vapeur, augmentant donc de volume.
    6. L’espace dans la caisse de décantation était retreint, si bien que l’expansion a poussé le carburant chaud à travers toutes les ouvertures possibles (débordement par moussage), dont la canalisation de trop-plein, l’évent d’air, la sortie vers le purificateur, le tuyau de remplissage de la pompe de transfert et le tuyau ouvert sur la caisse de décantation.
    7. Le contenu de la caisse de décantation a été principalement expulsé par le tuyau ouvert sur la caisse de décantation, lequel constituait la voie de moindre résistance.
    8. Du mazout s’est écoulé du tuyau, est descendu le long du côté de la caisse de décantation, puis est entré en contact avec une source d’inflammation et s’est enflammé.
    9. Le carburant enflammé est tombé sur les ponts inférieurs, tandis que les flammes remontaient sur le dessus de la caisse de décantation.
    10. Confrontés à un type d’incendie inconnu, les membres de l’équipe se trouvant dans la salle de commande des machines se sont employés à réagir à la situation d’après les procédures du manuel des mesures d’urgence relatives aux incendies en restant dans la salle de commande des machines, plutôt que de se rassembler au poste d’incendie. Ils ont ainsi été piégés dans la salle de commande des machines.
    11. Divers facteurs (p. ex., conception de la salle de commande des machines; emplacement et disponibilité de l’équipement de sécurité et connaissance qu’en a l’équipage; membres piégés devant jouer des rôles clés dans la lutte contre les incendies) se sont combinés pour compliquer la sortie de la salle de commande des machines et les efforts d’évacuation subséquents, ce qui a posé des risques pour l’équipage pendant l’intervention d’urgence et retardé la sortie du personnel piégé.
    12. Après que les membres de l’équipe ont été piégés dans la salle de commande des machines, environ 1,5 heure s’est écoulée avant qu’ils ne soient tous secourus, ce qui a retardé la projection de dioxyde de carbone. Pendant ce temps, l’incendie continuait de brûler.

    3.2 Faits établis quant aux risques

    Il s’agit des conditions, des actes dangereux, ou des lacunes de sécurité qui n’ont pas été un facteur dans cet événement, mais qui pourraient avoir des conséquences néfastes lors de futurs événements. 

    1. Si les propriétaires et les exploitants de navires de charge construits avant le 1er janvier 2016 n’évaluent pas les voies d’évacuation pour s’assurer que les moyens d’évacuation des salles de commande des machines offrent un niveau de sécurité équivalant à ce qu’exige aujourd’hui la réglementation de la Convention internationale pour la sauvegarde de la vie humaine en mer (SOLAS), il y a un risque que les moyens d’évacuation fournis soient insuffisants pour permettre une sortie sûre et rapide vers une position protégée hors des compartiments de machines.
    2. Si des exercices d’urgence ne sont pas menés régulièrement pour toutes les tâches assignées aux membres d’équipage ou s’ils ne comprennent pas des scénarios réalistes, il y a un risque que l’équipage sera mal préparé lors d’une urgence.
    3. Si les personnes qui doivent s’assurer que la salle des machines est entretenue adéquatement ne collaborent pas pour cerner et atténuer les dangers (fuites, équipement défectueux et adaptations) de façon efficace et diligente, il y a un risque que de l’équipement de la salle des machines subira des défaillances et causera des accidents.
    4. Si à bord, des dispositifs cruciaux de lutte contre les incendies, comme un système fixe d’extinction d’incendie, ne sont pas entretenus conformément aux spécifications du fabricant et aux exigences réglementaires, il y a un risque que ces systèmes ne fonctionneront pas comme prévu lors d’une urgence.
    5. Si les entreprises ne mettent pas en place des systèmes de gestion de la sécurité efficaces qui encouragent les équipages à repérer des dangers et à trouver des moyens de les atténuer de manière sécuritaire et diligente, il y a un risque que des conditions d’exploitation dangereuses demeureront.
    6. Si des données d’enregistreurs des données du voyage, en particulier les enregistrements audio de la passerelle, ne sont pas disponibles pour une enquête, il peut être impossible de cerner des lacunes de sécurité et d’en faire état afin d’améliorer la sécurité dans les transports.

    3.3 Autres faits établis

    Ces éléments pourraient permettre d’améliorer la sécurité, de régler une controverse ou de fournir un point de données pour de futures études sur la sécurité.

    1. La salle de commande des machines a été aménagée selon les normes des divisions de classe B-0, lesquelles prévoient une protection minimale contre les incendies pour les membres d’équipage qui y seraient piégées.

    4.0 Mesures de sécurité

    4.1 Mesures de sécurité prises

    4.1.1 Bernhard Schulte Shipmanagement (China) Company Ltd.

    Après l’événement, BSM China a mené une enquête interne et lancé à l’intention des équipages des navires un programme de formation sur la perception et la connaissance des risques, fondé sur les divers problèmes cernés dans son rapport d’enquête.

    L’entreprise a également diffusé un bulletin dans l’ensemble de sa flotte, document qui devait être affiché dans les salles de divertissement des officiers et des équipages, prévenant de ne laisser aucun système de carburant ouvert et susceptible de fuir ou de déborder en cours de réparation, ainsi que de ne transférer aucun combustible distillé dans des réservoirs de mazout lourd chauffés.

    Elle a aussi posé du ruban adhésif photoluminescent sur l’escalier de la salle des machines pour qu’il soit facile à voir lors d’une panne d’électricité. Le plan d’incendie local a été affiché sur 4 ponts, dans la salle des machines. Deux combinaisons supplémentaires de pompiers/d’intervention rapide et 6 autres tuyaux d’incendie ont été ajoutés au poste de lutte contre les incendies. Un message a été peint au pochoir à l’entrée de la salle de commande des machines, indiquant que l’équipage ne devait pas s’y rassembler en cas d’incendie dans la salle des machines.

    De plus, l’entreprise a institué des réunions préalables à l’affectation d’une personne à une équipe, de la formation à bord des navires et la diffusion d’études de cas dans tous les navires. Elle a aussi amélioré le processus d’évaluation des risques d’exploitation dans une zone de contrôle des émissions, y compris au moment d’y entrer et d’en sortir, afin qu’il tienne compte de ces dangers.

    L’entreprise a révisé les procédures afin de mettre en œuvre rapidement le système d’entretien planifié dans son ensemble, y compris les inspections, les travaux d’entretien et l’attribution de tâches. Elle a entrepris la modification du système pour qu’il comprenne une liste des pièces de rechange. Elle a amélioré la surveillance de tous les rapports de transfert reçus au bureau et s’est assurée que ces notes renvoient à la liste de défauts.

    L’entreprise a pris des mesures pour que les fuites de gasoil marin à faible teneur en soufre issues du moteur principal soient contrôlées.

    Le calendrier d’entretien et d’inspection des vannes et des serpentins de vapeur des caisses de carburant a été intégré au système d’entretien planifié et au nouveau système de compte rendu (Loss Prevention Safety and Quality–Portal Access Link – PAL). L’entreprise a aussi ajouté des vérifications mensuelles des indicateurs de niveau des caisses de la salle des machines au système d’entretien planifié.

    Après l’événement, le système fixe d’extinction d’incendie au dioxyde de carbone a été entretenu le 15 mars 2018, conformément aux exigences de l’Organisation maritime internationale.

    Le présent rapport conclut l’enquête du Bureau de la sécurité des transports du Canada sur cet événement. Le Bureau a autorisé la publication de ce rapport le . Le rapport a été officiellement publié le .

    Annexes

    Annexe A – Lieu de l’événement

    Annexe A Lieu de l’événement
    Image
    Lieu de l’événement

    Source de l’image principale : Service hydrographique du Canada, carte no 3000, avec annotations du BST
    Source de l’image insérée : Google Earth, avec annotations du BST

    Annexe B – Séquences des événements importants

    Date Heure Événement
    30 janvier 2018 12 h 40 Le MOL Prestige quitte le Japon.
    30 janvier 2018 19 h 40 Un préavis de changement de carburant de 3 heures est donné.
    30 janvier 2018 20 h 45 Le purificateur de ML 1 est démarré.
    30 janvier 2018 20 h 55 Du ML commence à être transféré de la caisse de décantation à la caisse journalière, par le biais du purificateur.
    30 janvier 2018 20 h 58 L’alarme de température élevée du purificateur de ML 1 sonne.
    30 janvier 2018 21 h 10 Les vannes pertinentes de transfert de carburant sont ouvertes et la pompe de transfert de ML est démarrée en mode manuel.
    30 janvier 2018 21 h 15 Une alarme d’incendie sonne sur la passerelle. Des vapeurs blanches sont observées près de la caisse de décantation.
    30 janvier 2018 21 h 16 La pompe de transfert de ML et le purificateur de ML 1 sont arrêtés.
    30 janvier 2018 21 h 17 L’alarme d’incendie générale sonne.
    30 janvier 2018 21 h 18 min 39 s Du mazout enflammé et des flammes sont observés près de la génératrice 3 du pont 4.
    30 janvier 2018 21 h 20 Tous les membres d’équipage, sauf ceux se trouvant dans la salle des machines, se rassemblent à leurs postes de rassemblement respectifs.
    30 janvier 2018 21 h 30 Le capitaine en second atteint la SCM avec 2 AREU.
    30 janvier 2018 21 h 37 Un appel de détresse est lancé.
    30 janvier 2018 21 h 38 Le capitaine en second dirige 3 membres d’équipage hors de la salle des machines, où il en reste 3.
    30 janvier 2018 21 h 40 Un refroidissement des cloisonnements est entrepris derrière la superstructure.
    30 janvier 2018 22 h 23 On signale l’urgence à bord du MOL Prestige au CCCOS de Victoria.
    30 janvier 2018 22 h 25 D’autres alarmes d’incendie sonnent à bord du navire.
    30 janvier 2018 22 h 40 Les 3 membres d’équipage se trouvant toujours dans la salle des machines utilisent l’ascenseur pour en sortir.
    30 janvier 2018 22 h 43 Le pétrolier Eagle Bay se dirige vers le MOL Prestige.
    30 janvier 2018 22 h 47 Le pétrolier Polar Resolution, à 75 NM à l’est du MOL Prestige, est chargé de venir en aide.
    30 janvier 2018 22 h 50 Du CO2 est déchargé dans la salle des machines.
    30 janvier 2018 22 h 55 à 23 h 19 Une intervention est entreprise par le R465 et le NGCC Sir Wilfrid Laurier.
    30 janvier 2018 23 h 42 Le capitaine signale aux SCTM que tous les membres d’équipage ont été dénombrés, que la salle des machines a été remplie de CO2 et que l’incendie a été éteint.
    1er février 2018 0 h 35 à 0 h 50 L’hélicoptère de recherche et sauvetage 903 (R903) de l’ARC quitte Comox (Colombie-Britannique), suivi du R465.
    1er février 2018 1 h 20 Le MOL Prestige signale aux SCTM que l’incendie brûle toujours et n’est pas maîtrisé, et que le capitaine réévalue la situation.
    1er février 2018 1 h 37 De la peinture à l’extérieur de la porte 51 commence à boursouffler, et de la fumée commence à sortir de son cadre.
    1er février 2018 1 h 37 30 bouteilles de CO2 sont ouvertes manuellement pour en décharger le contenu dans la salle des machines. Plus tard, 54 autres bouteilles sont ouvertes manuellement.
    1er février 2018 2 h 09 Le capitaine indique aux SCTM que les réserves de CO2 sont faibles et que de la fumée sort toujours de la cheminée.
    1er février 2018 3 h 17 Le capitaine signale aux SCTM que l’incendie dans la salle des machines brûle toujours et que l’équipage est incapable d’accéder à la salle des machines.
    1er février 2018 3 h 56 Le Polar Resolution atteint le MOL Prestige et demeure prêt à intervenir.
    1er février 2018 3 h 56 L’équipage du MOL Prestige poursuit le refroidissement des cloisonnements.
    1er février 2018 4 h On interrompt temporairement le refroidissement des cloisonnements pour aider l’équipage à évaluer la situation. L’incendie semble maîtrisé.
    1er février 2018 9 h 07 Les SCTM communiquent avec le BST et lui signalent l’incendie à bord du MOL Prestige.
    1er février 2018 10 h 44 Le capitaine informe les SCTM qu’on poursuit le refroidissement des cloisonnements, que de la fumée sort toujours de la cheminée et qu’il reste environ 60 bouteilles de CO2.
    1er février 2018 11 h 34 L’Eagle Bay atteint le MOL Prestige et reçoit instruction de demeurer sur place.
    1er février 2018 12 h 09 On permet à l’Eagle Bay de quitter la zone. Le Polar Resolution demeure en attente.
    1er février 2018 15 h 13 Le R465 et le R903 atteignent le MOL Prestige et en évacuent 2 membres d’équipage. L’état de 3 autres membres de l’équipage est évalué par des techniciens en recherche et en sauvetage.
    1er février 2018 16 h 50 On inspecte la salle des machines et y trouve un feu couvant.
    1er février 2018 Entre 17 h et 17 h 15 On inspecte la salle des machines et constate que l’air y est respirable et qu’elle ne présente aucun signe de feu couvant.
    1er février 2018 23 h 41 Le NGCC Sir Wilfrid Laurier arrive sur les lieux, et le Polar Resolution quitte la zone.
    2 février 2018 Entre 10 h et 12 h 15 Du personnel du NGCC Sir Wilfrid Laurier prodigue les premiers soins à 3 membres de l’équipage du MOL Prestige.
    3 février 2018 Entre 9 h 30 et 13 h 45 La salle des machines et la salle de CO2 sont inspectées.
    3 février 2018 17 h 44 Le remorqueur Denise Foss arrive sur les lieux et entreprend de remorquer le navire jusqu’à Seattle (État de Washington), aux États-Unis.
    11 février 2018 21 h 30 Le remorqueur arrive à Seattle avec le MOL Prestige.
    20 mars 2018 12 h Le MOL Prestige est remis en service, après avoir été réparé.