Rapport d'enquête maritime M18C0105

Panne de l’appareil à gouverner et échouement
Pétrolier-chimiquier Chem Norma
Morrisburg (Ontario)

Le Bureau de la sécurité des transports du Canada (BST) a enquêté sur cet événement dans le but de promouvoir la sécurité des transports. Le Bureau n’est pas habilité à attribuer ni à déterminer les responsabilités civiles ou pénales. Le présent rapport n’est pas créé pour être utilisé dans le contexte d’une procédure judiciaire, disciplinaire ou autre. Voir Propriété et utilisation du contenu.

Table des matières

    Déroulement du voyage

    Le 29 mai 2018, le pétrolier-chimiquier Chem Norma battant pavillon des Îles Marshall (OMI 9486192, figure 1) remontait la Voie maritime du Saint-Laurent en direction de Sarnia (Ontario) avec à son bord 11 119 tonnes d'alkylat (UN1268). L'équipe à la passerelle était composée du capitaine, d'un pilote, du troisième officier, d'un timonier et d'une vigie.

    Figure 1. Pétrolier-chimiquier Chem Norma (Source : ASM Maritime B.V.)
    Image
    Pétrolier-chimiquier Chem Norma

    À 4 h 15Note de bas de page 1, tandis que le timonier gouvernait le navire en mode asserviNote de bas de page 2 à une vitesse de 11 nœudsNote de bas de page 3 en effectuant des corrections mineures pour maintenir le cap gyroscopique à 238°, le gouvernail est soudainement passé à tribord toute. L'appareil à gouverner était alors commandé par le système nº 1, et la pompe nº 2 fonctionnaitNote de bas de page 4. Le navire a viré brusquement à tribord, est sorti du chenal balisé et a pénétré dans la zone de mouillage cartographiée au large de Morrisburg (Ontario). Le capitaine a immédiatement arrêté le moteur principal.

    Le capitaine est passé en mode non asservi 23 secondes après la panne, mais l'appareil à gouverner ne répondait pas, et le gouvernail est resté à tribord toute. Le pilote a ordonné la marche arrière toute du moteur principal, et le capitaine a transféré le système de commande de l'appareil à gouverner du nº 1 au nº 2. L'appareil à gouverner a alors recommencé à répondre aux commandes. Le capitaine a mis le gouvernail à bâbord toute tandis que le navire était toujours en mode non asservi, et on a ordonné la marche avant toute du moteur principal. Malgré cela, le Chem Norma s'est échoué sur la rive nord de la Voie maritime, à l'extérieur de la zone de mouillage, et s'est immobilisé 2 minutes et 25 secondes après la panne de l'appareil à gouverner.

    Environ 650 tonnes de la cargaison ont été transférées des citernes 2, 3 et 4 tribord à la citerne 6 bâbord. Le navire a été renfloué le 3 juin 2018 avec l'aide de 3 remorqueurs et grâce à une élévation contrôlée des niveaux d'eau dans la Voie maritime du Saint-LaurentNote de bas de page 5. La coque du navire a subi des avaries légèresNote de bas de page 6; son hélice et son gouvernail ont été lourdement endommagés. Aucune blessure ni pollution n'a été signalée.

    Système de commande de l'appareil à gouverner

    L'appareil à gouverner du Chem Norma est muni de 2 commandes électroniques distinctes, le système nº 1 et le système nº 2. Ces 2 systèmes contrôlent directement, par l'intermédiaire de relais électromécaniques, les valves de distribution hydraulique à solénoïde qui actionnent les vérins de l'appareil à gouverner. Ces relais de commande sont désignés 5K1, 5K2, 5K3 et 5K4 dans les schémas techniques du navire.

    Le relais 5K3 excite le solénoïde de la valve de distribution hydraulique qui commande le mouvement vers tribord du gouvernail lorsque la pompe nº 2 est utilisée, peu importe la commande électronique utilisée. Le relais 5K3 est un relais inverseur bipolaire bidirectionnel enfichable de 24 volts courant continu (V c.c.) largement accessible, dont l'intensité nominale est de 12 ampères à 28 V c.c.

    Examen des relais de commande par le BST

    Le BST a mené un examen et une analyse de défaillance des relais de commande 5K1, 5K2, 5K3 et 5K4. Des dommages causés par la chaleur ont été observés à proximité des contacts utilisés (contacts 5 et 9). Les contacts mêmes étaient gravement détériorés et présentaient des traces claires d'arc électrique. On a aussi procédé à un examen par microscope électronique à balayage et une analyse spectrographique des contacts 5 et 9 des 4 relais. Bien qu'aucun indice clair de soudure n'ait été décelé sur les contacts, des pics et des cratères sur le relais 5K3, attribuables à une perte d'argentan (AgNi) de base et à la resolidification ultérieure du métal en fusion, suggèrent un accrochage mécanique des contacts 5 et 9. Tous les relais examinés montraient des signes de dommages par arc électrique, quoique pas aussi prononcés que ceux observés sur le relais 5K3.

    Effet des surtensions et des surintensités sur les relais de commande

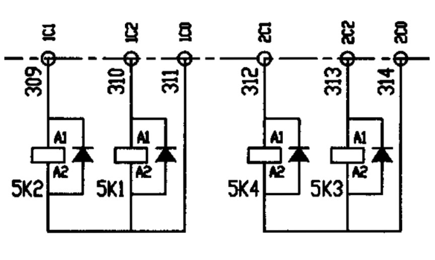
    Les contacts des relais peuvent subir des surtensions et des surintensités pendant la commutation de charges inductives, comme à des solénoïdes à courant continu. Pour protéger un contact au moment de son ouverture, il est important que ces surtensions ou surintensités soient absorbées (p. ex., par une diode). Le système de commande électrique de l'appareil à gouverner du Chem Norma n'avait aucun mécanisme de protection des relais de commande contre les surtensions et les surintensités (figure 2); les bobines des relais de commande étaient toutefois protégées par une diode qui leur était connectée en parallèle (figure 3).

    Figure 2. Extrait des schémas du système de commande de l'appareil à gouverner du Chem Norma montrant les contacts 5 et 9 des relais 5K1, 5K2, 5K3 et 5K4 sans mécanisme de protection contre les surtensions ou les surintensités
    Image
    Extrait des schémas du système de commande de l'appareil à gouverner du Chem Norma montrant les contacts 5 et 9 des relais 5K1, 5K2, 5K3 et 5K4 sans mécanisme de protection contre les surtensions ou les surintensités
    Figure 3. Extrait des schémas du système de commande de l'appareil à gouverner du Chem Norma montrant les diodes servant de mécanisme de protection contre les surtensions ou les surintensités connectées en parallèle aux bobines des relais 5K1, 5K2, 5K3 et 5K4
    Image
    Extrait des schémas du système de commande de l'appareil à gouverner du Chem Norma montrant les diodes servant de mécanisme de protection contre les surtensions ou les surintensités connectées en parallèle aux bobines des relais 5K1, 5K2, 5K3 et 5K4

    Les relais 5K1, 5K2, 5K3 et 5K4 sont théoriquement compatibles avec les solénoïdes de 24 V c.c./30 watts qu'ils commandaient. Par contre, ce modèle particulier de relais était conçu comme un contact de relais de transfert (type C) à usage général. Ce type de relais ne convient pas aux tensions supérieures à la tension nominale de 28 V c.c. qui sont générées lorsque le contact est rompu par la force contre-électromotrice inhérente à la charge inductive produite par le solénoïde. D'autres types de relais sont conçus spécifiquement pour composer avec les conditions difficiles créées par ces charges inductives.

    Selon le système informatisé d'entretien planifié du navire, certains relais, dont le relais 5K3, étaient en service depuis 16 mois au moment de l'événement, ce qui est conforme à la périodicité de remplacement de 24 mois. Le lendemain de l'échouement du navire, l'entreprise a modifié la périodicité de remplacement des relais 5K1, 5K2, 5K3 et 5K4 de 24 à 12 mois. L'enquête a également permis de déterminer que l'équipage indiquait parfois que les relais avaient été remplacés dans le bon de travail du système d'entretien planifié, même si le remplacement des relais n'avait été fait qu'en partie. Ainsi, certains relais étaient maintenus en service plus longtemps que leur durée de vie recommandée sans que cela soit noté.

    Dans cette événement, bien que la cause précise de la panne du système de commande de l'appareil à gouverner du Chem Norma n'ait pu être déterminée, un accrochage mécanique qui aurait temporairement maintenu fermés les contacts 5 et 9 du relais 5K3, entraînant l'ordre d'effectuer un virage à tribord toute, est un scénario plausible.

    Mesures de sécurité prises

    Le 27 juillet 2018, le BST a envoyé la lettre d'information sur la sécurité maritime 04/18 à l'entreprise (ASM Maritime B.V.) et des copies à Transports Canada, aux Îles Marshall, au Libéria (qui est l'État du pavillon de 3 navires jumeaux du Chem Norma), à Nippon Kaiji Kyokai (ClassNK) et à Tokyo Keiki Inc. Cette lettre décrivait les résultats de l'examen et de l'analyse de défaillance effectués sur les relais de commande 5K1, 5K2, 5K3 et 5K4, soulignait le mauvais état du relais 5K3 et notait l'incompatibilité de ce modèle de relais avec les conditions difficiles produites par les charges inductives comme les solénoïdes. La lettre mentionnait aussi la cause possible de la panne de l'appareil à gouverner et prévenait l'entreprise que ce type de panne pouvait survenir sur n'importe lequel des 4 navires jumeaux du Chem Norma équipés d'un système de commande d'appareil à gouverner similaire.

    Après cet événement, les Îles Marshall, l'État du pavillon du navire, ont recommandé au propriétaire du navire de revoir les procédures du système de gestion de la sécurité concernant la perte de maîtrise de l'appareil à gouverner et la gouverne d'urgence, en particulier la perte de maîtrise de l'appareil à gouverner dans un cours d'eau étroit ou lorsqu'il y a des dangers à proximité de la trajectoire prévue. Le propriétaire du navire a également communiqué avec le fabricant de l'appareil à gouverner pour demander à ce qu'un type de relais de commande soit conçu pour mieux résister aux conditions difficiles produites par les charges inductives générées dans l'appareil à gouverner du navire.

    Le présent rapport conclut l'enquête du Bureau de la sécurité des transports du Canada sur cet événement. Le Bureau a autorisé la publication de ce rapport le . Il a été officiellement publié le .