Rapport d’enquête sur la sécurité du transport aérien A22A0067

Collision avec le relief
Piper PA-46-350P, N5EQ
Immatriculation privée
Aéroport de Goose Bay (Terre-Neuve-et-Labrador), 2,5 NM SW

Le Bureau de la sécurité des transports du Canada (BST) a enquêté sur cet événement dans le but de promouvoir la sécurité des transports. Le Bureau n’est pas habilité à attribuer ni à déterminer les responsabilités civiles ou pénales. Le présent rapport n’est pas créé pour être utilisé dans le contexte d’une procédure judiciaire, disciplinaire ou autre. Voir Propriété et utilisation du contenu.

Table des matières

    Déroulement du vol

    Vers 8 h 20Note de bas de page 1 le 14 décembre 2022, l’aéronef Piper PA-46-350P (avec la conversion JetPROP DLX) sous immatriculation privée (immatriculation N5EQ aux États-Unis, numéro de série 4636051) a décollé de l’aéroport de Sept-Îles (CYZV) (Québec) pour effectuer un vol selon les règles de vol aux instruments à destination de l’aéroport de Goose Bay (CYYR) (Terre-Neuve-et-Labrador), avec à son bord le pilote et une passagère. Ce vol devait être l’une des étapes d’un voyage visant à retourner l’aéronef à son aéroport d’attache en Europe, à la suite de mises à niveau de l’avionique effectuées aux États-Unis.

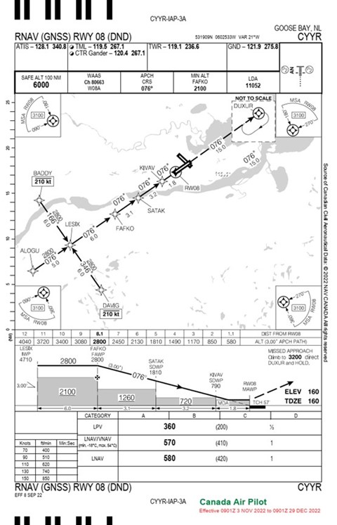
    Selon les données du système de surveillance dépendante automatique en mode diffusion (ADS-B) de l’aéronef à l’étudeNote de bas de page 2, à 9 h 28, alors que l’aéronef se trouvait à environ 85 milles marins (NM) de CYYR, le pilote a amorcé une descente à partir de l’altitude de croisière du niveau de vol 230Note de bas de page 3. À 9 h 42, alors que l’aéronef se trouvait à 45 NM de CYYR et qu’il franchissait les 10 000 pieds au-dessus du niveau de la mer (ASL) en descente, le pilote a été autorisé à effectuer une approche de navigation de surface par système mondial de navigation par satellite (approche RNAV [GNSS]) vers la piste 08 de CYYR (annexe A). Les communications avec les services de la circulation aérienne étaient régulières tout au long de l’approche.

    Vers 9 h 58, l’aéronef a franchi le repère d’approche finale/point de cheminement d’approche finale FAFKO à 2800 pieds ASL, à une vitesse solNote de bas de page 4 de 104 nœuds, et il a entamé la descente finale. Même si la descente a maintenu un profil constant de 3°, la vitesse sol a diminué de façon continue pendant environ 60 secondes. À 9 h 59 min 50 s, la tour de CYYR a avisé l’équipage d’un autre aéronef qu’il était deuxième pour l’approche vers la piste 08 et qu’il suivait l’aéronef à l’étude, qui se trouvait à 7 milles en finale à 70 nœuds. L’équipage de l’autre aéronef a répondu qu’il allait réduire sa vitesse. La vitesse sol de l’aéronef à l’étude, qui avait diminué pour passer à 67 nœuds, s’est mise à augmenter alors même que l’aéronef maintenait un profil d’approche constant de 3° (figure 1).

    Figure 1. Tracé des données du système de surveillance dépendante automatique en mode diffusion obtenues de NAV CANADA, avec annotations indiquant l’heure des communications avec les services de la circulation aérienne (Source : BST)
    Image
    Tracé des données du système de surveillance dépendante automatique en mode diffusion obtenues de NAV CANADA, avec annotations indiquant l’heure des communications avec les services de la circulation aérienne (Source : BST)

    À 10 h 00 m 31 s, le pilote dans l’événement à l’étude a fait son compte rendu au point de cheminement SATAK. La vitesse sol avait alors augmenté pour atteindre plus de 80 nœuds. La tour a fourni au pilote des renseignements à jour sur le ventNote de bas de page 5 et a autorisé l’aéronef à se poser sur la piste 08. Le pilote a accusé réception de l’autorisation à 10 h 00 min 49 s. Peu après, la vitesse sol s’est remise à diminuer à un rythme similaire au rythme précédent. À 10 h 02 min 47 s, la vitesse avait diminué à 51 nœuds. Il y a eu perte de maîtrise de l’aéronef, qui a percuté le relief alors qu’il se trouvait à environ 2,5 NM au sud-ouest de l’aéroport, le long du prolongement de l’axe de la piste 08.

    La radiobalise de repérage d’urgence de 406 MHz s’est déclenchée et le signal a été reçu par le Centre conjoint de coordination de sauvetage à Halifax (Nouvelle-Écosse) à 10 h 06. Une mission de recherche et sauvetage par hélicoptère a été lancée à partir de la 5e Escadre Goose Bay de la base des Forces canadiennes à 10 h 36; l’hélicoptère est arrivé sur les lieux de l’accident 3 minutes plus tard. Des techniciens médicaux ont sorti les 2 occupants, tous deux grièvement blessés. Les occupants ont été transportés par voie aérienne jusqu’à une ambulance en attente et ont ensuite été transportés à l’hôpital local. Le pilote est mort des suites de ses blessures. L’aéronef a été détruit.

    Renseignements sur le pilote

    Le pilote avait accumulé environ 2260 heures de vol, dont 594 heures de vol aux instruments et environ 1046 heures de vol à bord de l’aéronef à l’étude ou d’autres aéronefs monomoteurs à turbine.     

    Le pilote était titulaire d’un certificat de pilote professionnel délivré par la Federal Aviation Administration (FAA) des États-Unis, d’un certificat d’instructeur de vol délivré par la FAA et d’un certificat médical de classe 2. Le pilote était également titulaire d’une licence de pilote privé – avion délivrée par l’Office fédéral de l’aviation civile en Suisse, et d’un certificat médical suisse de classe 2. La licence et les certificats étaient valides.

    Rien n’indique que la fatigue a nui au rendement du pilote.

    Questions relatives à la survie des occupants

    Le pilote et la passagère portaient tous deux leur ceinture de sécurité (ceinture sous-abdominale et ceinture-baudrier). Les mécanismes de rétraction des 2 ceintures-baudriers sont restés fixés à la structure de la cellule. Les ceintures-baudriers sont conçues pour retenir le corps humain lorsque des forces de décélération longitudinales s’exercent sur le torse à la suite d’un impact frontal. Même si la vitesse longitudinale de l’aéronef était relativement faible, l’aéronef a été soumis à d’importantes forces de décélération verticales, que les ceintures-baudriers sont moins efficaces pour atténuer.

    Renseignements météorologiques

    La carte Nuages et temps de la prévision de zone graphique pour la zone à l’étude, valide au moment de l’événement, indiquait ce qui suit :

    • une couche de nuages fragmentés à partir de 14 000 pieds ASL avec des sommets à 20 000 pieds ASL;
    • une couche inférieure de nuages fragmentés à 3000 pieds ASL avec des sommets à 6000 pieds ASL;
    • visibilité supérieure à 6 milles terrestres (SM) avec visibilité de 2 SM par endroits dans de la neige légère et avec des plafonds de 500 à 1000 pieds au-dessus du sol (AGL), et des zones locales de visibilité de 1 SM dans de la faible bruine verglaçante et de la brume.

    La carte Givrage, turbulence et niveau de congélation de la prévision de zone graphique pour la zone à l’étude, valide au moment de l’événement, illustrait ce qui suit :

    • du givrage mixte modéré entre 3000 pieds ASL et 6000 pieds ASL;
    • des zones localisées de givrage mixte modéré de la surface à 3000 pieds ASL, occasionné par de la bruine verglaçante localisée;
    • de la turbulence modérée de la surface à 3000 pieds AGL, occasionnée par la turbulence mécanique et le cisaillement du vent à basse altitude.

    L’observation météorologique de surface relevée à CYYR figurant dans le message d’observation météorologique régulière d’aérodrome (METAR) émis à 10 h indiquait ce qui suit :

    • vent soufflant du 030° vrai à 16 nœuds, avec rafales à 22 nœuds;
    • visibilité de 15 SM;
    • plafond couvert à 1000 pieds AGL;
    • température de 1 °C et point de rosée de −1 °C;
    • calage altimétrique de 30,52 pouces de mercure (inHg).

    Renseignements sur l’aéronef

    L’aéronef à l’étude était un Piper PA-46-350P modifié avec un turbopropulseur PT6A-35 de Pratt & Whitney Canada et des systèmes associés conformément au certificat de type supplémentaire (CTS) ST00541SENote de bas de page 6 détenu par JetPROP, LLC. Lorsque le Piper PA-46-350P est modifié en vertu de ce CTS, il est communément connu sous le nom de JetPROP DLX. L’aéronef est certifié pour être exploité par un seul pilote selon les règles de vol à vue et les règles de vol aux instruments dans des conditions de givrage connues et peut transporter jusqu’à 5 passagers. Sa vitesse indiquée en nœuds (KIAS) de décrochage est de 69 nœuds en configuration lisseNote de bas de page 7 et de 58 nœuds en configuration d’atterrissage.

    Lorsque l’aéronef est équipé à l’origine d’un moteur à pistons turbocompressé, la charge totale de carburant est de 120 gallons américains d’essence aviation (AVGAS) (environ 720 livres)Note de bas de page 8. Le CTS de conversion du JetPROP DLX exige l’utilisation de carburéacteur et modifie le circuit de carburant en y ajoutant une capacité de 11 gallons américains. Une autre modification, prévue par le CTS SA00859AT, a aussi été faite à l’aéronef à l’étude afin de fournir une capacité additionnelle de 20 gallons américains, pour une capacité totale de 151 gallons américains (environ 1057 livres)Note de bas de page 9.

    Les volets de l’aéronef sont actionnés électriquement par un levier de commande qui se trouve immédiatement à droite du pylône de commande. Un disjoncteur permet d’alimenter en électricité le moteur du vérin de volet. Les volets peuvent être réglés à 4 positions : 0° (rentrés), 10°, 20° et 36° (sortis à fond).

    L’aéronef à l’étude avait effectué 12,3 heures de vol depuis la dernière inspection annuelle prévue et les mises à niveau de l’avionique. Les mises à niveau de l’avionique comprenaient l’installation d’un système de pilote automatiqueNote de bas de page 10, d’instruments électroniques de vol (EFI) en double commandeNote de bas de page 11 et d’un système d’indication de l’angle d’attaqueNote de bas de page 12 ainsi que la mise à niveau de l’écran principal de volNote de bas de page 13 pour offrir une capacité d’accroissement de la vision.

    Les 2 unités EFI étaient capables de conserver les données, y compris les données aériennes et du système de référence de cap et d’assiette. L’aéronef était également équipé d’un système de surveillance des tendances du moteur qui enregistre les données critiques relatives au moteur et à la cellule, telles que les démarrages du moteur, les décollages, les atterrissages et les arrêts du moteur. Ce système enregistre également des paramètres du moteur sous forme de vérification de puissance à des fins d’analyse des tendances du moteur, en plus d’enregistrer tout dépassement des limites du moteur qui se produit pendant le vol.

    L’aéronef n’était pas équipé d’un enregistreur de données de vol ni d’un enregistreur de conversations de poste de pilotage, et ni l’un ni l’autre n’était requis selon la réglementation.

    Masse et centrage de l’aéronef

    La masse maximale certifiée sur l’aire de trafic de l’aéronef à l’étude était de 4318 livres, et sa masse brute maximale au décollage était de 4300 livres, avec des limites de centre de gravité entre 143,3 et 147,1 pouces derrière la ligne de référence.

    Les dossiers montrent que l’aéronef a décollé de CYZV avec des réservoirs de carburant pleins. Le rapport sur la masse et le centrage de l’aéronef à l’étude indiquait une charge utile de 1216,73 livres. Avec des réservoirs de carburant pleins, il y aurait eu une capacité disponible d’environ 160 livres pour les occupants, les bagages et le fret. Tous les articles à bord ont été pesés, et il a été déterminé que la masse totale de l’aéronef était d’environ 4775 livres au décollage, avec le centre de gravité estimé à 141,4 pouces derrière la ligne de référence. On a calculé que, au moment de l’accident, la masse de l’aéronef était d’environ 4348 livres, avec un centre de gravité estimé à 141,2 pouces derrière la ligne de référence (figure 2).

    Figure 2. Graphique montrant la masse et le centrage de l’aéronef au décollage et au moment de l’accident par rapport aux limites de référence du fabricant pour la masse et le centrage (Source : JetPROP, LLC, JetProp DLX Pilot’s Operating Handbook and FAA Approved Airplane Flight Manual [1er juillet 2014], dernière page de la section 6 : Weight and balance, avec annotations du BST)
    Image
    Graphique montrant la masse et le centrage de l’aéronef au décollage et au moment de l’accident par rapport aux limites de référence du fabricant pour la masse et le centrage (Source : JetPROP, LLC, JetProp DLX Pilot’s Operating Handbook and FAA Approved Airplane Flight Manual [1er juillet 2014], dernière page de la section 6 : Weight and balance, avec annotations du BST)

    La masse totale de l’aéronef était supérieure à la masse maximale autorisée au décollage; toutefois, il n’a pas été possible de déterminer si le chargement de l’aéronef a contribué à la perte de maîtrise lors de l’événement à l’étude.

    Si un aéronef est chargé au-delà de la masse maximale au décollage, sa performance générale sera inférieure à la normale. Plus particulièrement, une surcharge fait croître la distance de décollage et d’atterrissage, augmente la vitesse de décrochage et réduit le taux de montée, la vitesse de croisière et l’autonomie de l’aéronef. Le BST a précédemment cerné les risques liés à l’utilisation d’un aéronef dont la masse dépasse la masse brute maximale autorisée et les répercussions d’une telle surcharge sur la performance de l’aéronefNote de bas de page 14.

    La répartition de la masse entre l’avant et l’arrière d’un aéronef est essentielle et influe sur sa stabilité et sa performance. Une position d’équilibre du centre de gravité qui se situe à l’avant de la limite avant approuvée augmente la vitesse de décrochage de l’aéronef.

    De nombreux modèles d’aéronef exigent des pilotes qu’ils prévoient des charges de carburant réduites lorsqu’ils transportent des occupants et des bagages, afin que la masse et le centrage de l’aéronef restent dans les limites établies. Selon le manuel de vol de l’aéronef JetPROP DLX [traduction] :

    Bien que l’avion offre une souplesse de chargement, il ne peut pas voler avec le nombre maximal de passagers adultes, des réservoirs de carburant pleins et le maximum de bagages. La souplesse offerte s’accompagne de responsabilités. Avant d’effectuer le décollage, le pilote doit s’assurer que l’avion est chargé en respectant les limites de chargementNote de bas de page 15.

    Vitesse d’approche

    Selon un article publié dans le magazine AOPA Pilot de l’Aircraft Owners and Pilots Association (AOPA) [traduction] :

    La clé d’une approche stabilisée est de ralentir le rythme du dernier segment critique. Si vous vous y prenez bien et que vous stabilisez tôt, il semble qu’il n’y a plus rien à faire; le temps se dilate alors que vous êtes assis à observer l’avion pendant la dernière minute avant d’atteindre la piste. À cette étape de l’approche, il s’agit principalement de surveiller, et non de manipuler, ce qui est préférable pour la conscience situationnelle pendant l’approche Note de bas de page 16.

    La méthode acceptée Note de bas de page 17 pour contrôler le profil de descente d’un aéronef afin d’effectuer une approche stable consiste à utiliser la gouverne de profondeur pour commander le tangage (qui à son tour règle la vitesse anémométrique) et la puissance du moteur pour maîtriser le taux de descente. Cependant, un système de pilote automatique comme celui installé dans l’aéronef à l’étude utilise ses servocommandes pour déplacer les gouvernes de manière à maintenir une trajectoire de descente verticale lorsque le système est activé pour la navigation verticale. Par conséquent, lorsque le Garmin GFC 600 est utilisé pour suivre une trajectoire de descente verticale, la vitesse anémométrique est contrôlée en variant la puissance du moteur et doit être surveillée et ajustée par le pilote Note de bas de page 18. L’enquête a permis de déterminer que le système de pilote automatique était activé pour l’approche; toutefois, l’enquête n’a pas permis de confirmer l’état du pilote automatique pendant les 60 dernières secondes du volNote de bas de page 19.

    Le manuel de vol du JetPROP DLX indique que l’approche finale doit être effectuée [traduction] « à 90 KIAS avec les volets sortis à fond (100 KIAS avec les volets rentrés), et avec la puissance nécessaire pour maintenir l’angle d’approche souhaité Note de bas de page 20 ».

    D’après les renseignements reçus de 2 compagnies indépendantes qui dispensent une formation au pilotage de l’aéronef JetPROP DLX, il est suggéré d’effectuer l’approche finale à une vitesse minimale de 120 KIAS. Il a été indiqué que cela permet d’assurer une meilleure stabilité en tangage de l’aéronef.

    Renseignements sur l’impact et sur l’épave

    Les dommages aux arbres causés par l’impact indiquent que l’aéronef avait un angle de descente finale de 37° à l’endroit de l’impact avec le sol. D’après les marques d’impact au sol, l’aéronef a d’abord heurté la route alignée avec le prolongement de l’axe de la piste 08 de CYYR, et les dommages à l’aéronef indiquent que l’impact s’est produit dans une assiette plus ou moins horizontale. L’aile gauche a heurté la base d’un arbre et a fait faire un mouvement de lacet à l’aéronef, qui s’est alors déplacé la queue en premier le long de la route et s’est immobilisé à environ 14 m de l’impact initial avec le sol. Les dommages correspondent à une perte de maîtrise à faible vitesse (figure 3).

    Figure 3. Vue aérienne du lieu de l’accident montrant la direction de la trajectoire de vol et l’endroit où l’aéronef a percuté le relief et s’est immobilisé (Source : Ministère de la Défense nationale, avec annotations du BST)
    Image
    Vue aérienne du lieu de l’accident montrant la direction de la trajectoire de vol et l’endroit où l’aéronef a percuté le relief et s’est immobilisé (Source : Ministère de la Défense nationale, avec annotations du BST)

    Le train d’atterrissage de l’aéronef était en position sortie au moment de l’impact. Les volets étaient entre les positions 0° et 10°, et le disjoncteur du moteur des volets s’était déclenchéNote de bas de page 21. Les dommages au moteur et à l’hélice indiquent qu’une puissance importante était générée pendant la séquence d’impact. Il n’y avait aucune indication qu’une défectuosité d’un composant ou d’un système avait contribué à la perte de maîtrise de l’aéronef. Les premiers intervenants n’ont pas noté de signes d’accumulation de glace sur les ailes de l’aéronef, les stabilisateurs vertical et horizontaux ou les bords d’attaque des antennes.

    Le système de surveillance des tendances du moteur a enregistré un dépassement de la limite de couple du moteur 1 seconde avant l’enregistrement de l’arrêt du moteurNote de bas de page 22. Ce dépassement était caractéristique d’une hélice qui a heurté le relief lorsque le moteur était en marche.

    Les données de vol ont été extraites des 2 unités EFI, qui contenaient les données de tous les vols effectués depuis leur installation, y compris le vol à l’étude. Les données des 2 unités étaient assez semblables, mais elles se sont arrêtées environ 60 secondes avant la fin du vol à l’étude. La perte de données était due aux dommages subis durant la séquence d’impact.

    En l’absence de données de la dernière minute du vol à l’étude, l’enquête n’a pas pu déterminer la séquence complète des événements qui ont conduit à la perte de maîtrise et à la collision avec le relief.

    Rapports de laboratoire du BST

    Le BST a produit les rapports de laboratoire suivants dans le cadre de la présente enquête :

    • LP004/2023 – NVM Recovery – Various [Récupération de la mémoire non volatile – Divers]
    • LP025/2023 – Flight Data Analysis [Analyse des données de vol]

    Messages de sécurité

    Il est rappelé aux pilotes que le chargement d’un aéronef au-delà des limites approuvées peut avoir des effets néfastes sur sa manœuvrabilité et sa performance.

    Dans le cadre d’une approche stable, il est important que la vitesse anémométrique soit stabilisée tôt afin que seules de petites modifications soient nécessaires. Cette stabilisation permet de consacrer plus de temps et d’attention à la surveillance et au maintien de la conscience situationnelle.

    Le présent rapport conclut l’enquête du Bureau de la sécurité des transports du Canada sur cet événement. Le Bureau a autorisé la publication de ce rapport le . Le rapport a été officiellement publié le .

    Annexe A – Approche RNAV (GNSS) RWY 08 (DND) pour l’aéroport de Goose Bay (ne doit pas être utilisée pour la navigation)

    Annexe A – Approche RNAV (GNSS) RWY 08 (DND) pour l’aéroport de Goose Bay (ne doit pas être utilisée pour la navigation)
    Image
    Approche RNAV (GNSS) RWY 08 (DND) pour l’aéroport de Goose Bay (ne doit pas être utilisée pour la navigation)

    Source : NAV CANADA, Canada Air Pilot (CAP), CAP 7: Atlantic (en vigueur du 3 novembre 2022 au 29 décembre 2022)