Marine transportation safety investigation report M17P0098

Partial sinking with loss of life
Commercial sport fishing vessel BC1329967 (Catatonic)
Tofino, British Columbia

The Transportation Safety Board of Canada (TSB) investigated this occurrence for the purpose of advancing transportation safety. It is not the function of the Board to assign fault or determine civil or criminal liability. This report is not created for use in the context of legal, disciplinary or other proceedings. See Ownership and use of content.

Table of contents

    Summary

    On 30 April 2017, at approximately 1314 Pacific Daylight Time, the sport fishing vessel Catatonic took on water and partially sank near Tofino, BC. The operator and 4 passengers were recovered from the water by 2 assisting vessels, and were transferred to a local hospital. Two of the vessel occupants were later pronounced dead. The vessel was eventually towed, dewatered, and secured at a local dock in Tofino. At the time of the occurrence, the vessel had approximately 200 L of gasoline on board. Minor pollution was reported.

    Le présent rapport est également disponible en français.

    1.0 Factual information

    1.1 Particulars of the vessel

    Table 1. Particulars of the vessel
    Name of vessel Catatonic
    Pleasure craft licence number BC1329967
    Port of registry Nanaimo, BC
    Flag Canada
    Type Pleasure craft*
    Gross tonnage - assigned 9.99
    Length 9.07 m
    Built AussieCat Australia Private Limited, Australia
    Hull identification number (HIN) X0A 270 51. F1. 01
    Year built 2001
    Propulsion Twin 225 Mercury outboard motors.
    (2 × 167.9 kW) (2 × 225 hp)
    Crew 1
    Passengers 4**
    Owner 1026487 B.C. LTD.

    * The vessel was registered as a pleasure craft but used as a commercial sport fishing vessel.
    ** The vessel could carry a maximum of 6 passengers.

    1.2 Description of the vessel

    The Catatonic is a twin-hulled catamaran made of fibreglass. The owner/operator purchased the vessel in January 2015 and used it for sport fishing activities (Figure 1).

    Figure 1. The Catatonic
    Image
    The commercial sport fishing vessel BC1329967 (Catatonic)

    An electric anchor winch is located in the bow. The vessel's steering station, which is located on the starboard side of the main deck, contains the steering wheel, engine controls, electrical and electronics switch panels, magnetic compass, global positioning system (GPS) and 2 very high frequency (VHF) radiotelephones, including 1 with digital selective calling (DSC) capabilities.Footnote 1 .

    The stern contains 2 compartments, one on each side (port and starboard) of the transom door. The port compartment contains two 12 V batteries, and the starboard compartment contains the power steering unit and a 4-way selector switch for the battery circuit.

    Below the main deck, 2 buoyancy compartments in the bow and 2 in the stern, located on the port and the starboard sides, provide the vessel with sufficient buoyancy to remain afloat at the waterline even if they fill with water (Appendix A).Footnote 2 Also below the main deck, from the transom to aft of the accommodation area (which is located in the forward portion of the vessel), there are 4 pontoonsFootnote 3 : forward starboard, forward port, aft starboard, and aft port. A watertight bulkhead separates the aft pontoons from the stern buoyancy compartments.

    The midsection between the 2 hulls is raised. The port and starboard pontoons are connected by a semi-circular arc 0.46 m from the bottom of the aft pontoons. A gap of approximately 25 cm in height between the top of the arc and the bottom of the main deck runs between the 2 watertight bulkheads and the pontoons.

    Each aft pontoon contains a fish boxFootnote 4 that is accessible from the main deck through a non-watertight hatch cover. The fish boxes were designed to be filled with seawater using a flexible hose that runs from the bottom of the box to an overboard isolation valve. This feature prevents any water shipped on deck from entering the pontoon bilges through the fish boxes. A channel around the cover, with a hose attached to it, drains water overboard through discharge outlets on the outside of the vessel at the waterline.

    The vessel is fitted with 2 bilge discharge outlets, 2 pontoon cover channel drain outlets at the waterline, 2 fish box filling/discharge outlets (port and starboard), and 1 deck wash pump suction inlet. Clamshell-type deflectors covered all of these openings, with the exception of the starboard fish box filling/discharge outlet located at the bottom of the hull (Appendix B). The exact purpose of these deflectors is unknown. The deflectors were not watertight.

    Two electric cables run through holes in the watertight bulkhead of the stern buoyancy compartments. These cables are connected to light-emitting diode (LED) lights fitted to the stern's outer underwater hull, one on each side of the vessel (Appendix C).

    Two fuel tanks, with a capacity of 280 L each, are located in the forward pontoons on each side of the vessel.

    1.2.1 Bilge pump

    The vessel is fitted with 2 bilge pumps, 1 in each aft pontoon, and each pump has an automatic bilge float switch. Two sets of toggle switches, located at the steering station, can set the bilge pumps to manual, off, or automatic mode.Footnote 5 In automatic mode, the float switch turns the pump on when the water reaches the float switch level in the pontoon, and sounds an alarm. When the water recedes below the float switch level, the pump is turned off. In manual mode, the bilge pump will start or stop when the switch is set to manual. Both pumps provide a visual indication when operating.

    1.3 History of the voyage

    On 30 April 2017, at approximately 0930 Pacific Daylight Time,Footnote 6 the sport fishing vessel Catatonic, with 1 operator and 4 passengers on board, commenced its voyage from Tofino, British Columbia, to nearby fishing grounds. Shortly after departure, an alarm sounded. The operator stopped the vessel and checked the bilges. No abnormalities were observed, and the voyage continued.

    At around 1000, the vessel anchored about 3 nautical miles (nm) off Tofino at a fishing spot that the operator frequently used; the operator shut down both engines. After a while, the operator started the port engine and both bilge pumps in manual mode. The operator noticed water on deck, from the stern, due to shipping seas.Footnote 7 At approximately 1100, the operator moved to a different anchorage, about 5 nm south-southwest, off Bartlett Island, BC.

    The operator then stopped both engines and the bilge pumps. While the vessel was anchored, shipping seas again washed over the deck from the stern. The operator occasionally monitored the bilge level in the pontoons.

    At approximately 1250, after about an hour and a half of fishing, the operator and passengers prepared to return to the dock. The operator started the port engine, then started both bilge pumps in manual mode, and hauled up the fishing gear with the electric downriggers and secured the gear.

    At approximately 1303, the operator switched off both bilge pumps and attempted to start the starboard engine in order to retrieve the anchor. The starboard engine did not start. The operator then observed a low battery signal on the starboard engine, and observed that the port engine had stopped. The bilge pumps, navigation equipment, and communications equipment had also stopped functioning.

    At around 1304, the operator used a personal cellphone and called a friend who was fishing at the first anchorage off Tofino, and asked for assistance to boost the vessel's dead batteries. The operator's friend was unable to provide assistance, however, because he had returned to shore.

    Soon after, the operator and passengers noticed that the vessel's stern was sitting lower in the water than usual, and that the vessel had a port list. They checked the fish boxes and discovered that the port fish box had completely filled with seawater. The operator and passengers moved to the stern to bail out the port fish box with two 10-litre buckets and a hand-operated bilge pump.

    Between 1307 and 1309, the operator communicated multiple times with a family member and informed the family member of the situation. At 1312, the operator called his friend again via cellphone, and asked for immediate assistance.

    At 1315, the operator used the cellphone to call the Canadian Coast Guard (CCG) lifeboat station in Tofino and report the emergency. The operator gave the vessel's location as 3 nm off Bartlett Island.Footnote 8 The vessel's actual position was 49°08.5' N, 126°08.0' W (Appendix D).

    At 1317, the CCG lifeboat station informed the Joint Rescue Coordination Centre (JRCC) in Victoria of the Catatonic's situation. Meanwhile, the operator and passengers observed that the shipping seas were causing additional seawater to fill the vessel's deck through the stern scupper and transom area. Noticing that the water level on deck was rising rapidly, the operator and passengers donned their lifejackets. One of the passengers was unable to fasten the strap of his lifejacket.

    Immediately after the CCG contacted the JRCC, the JRCC contacted the operator via cellphone. The operator informed the JRCC that the vessel was sinking. Within moments, a large wave shipped on deck over the transom, and the stern became completely submerged. Communication with JRCC was completely cut off,Footnote 9 because the operator and the passengers entered the water. At 1317, the JRCC tasked the fast rescue craft Tofino 1, based at the CCG Tofino lifeboat station.

    At 1319, Tofino 1 departed the Tofino lifeboat station to assist with the search-and-rescue (SAR) operation. Minutes later, the JRCC told Marine Communication and Traffic Services to broadcast a Mayday that reported the occurrence location as Bartlett Island, west of Vargas Island. Vessels in the area voluntarily responded to the Mayday and began searching for the Catatonic. Because the Mayday did not state the accurate distance off Bartlett Island, some vessels proceeded north of Vargas Island and searched for the Catatonic closer to the shore of Bartlett Island. At 1324, the CCG lifeboat Cape Ann also departed the Tofino lifeboat station to assist in the SAR operation; it searched the reported location and then diverted to the site of reported debris off Blunden Island, which turned out to be unrelated to the occurrence.

    Shortly after entering the water at 1320, one of the passengers helped another passenger secure the strap of his lifejacket. The strap was eventually fastened, but the lifejacket was not donned correctly.

    After entering the water, the passenger wearing the incorrectly donned lifejacket, as well as another passenger, lost consciousness.

    At approximately 1440, a commercial aircraft assisting in the SAR operation spotted the partially submerged vessel west of Vargas Island and informed the JRCC of the vessel's position. A sheen of oil was observed around the vessel.

    At 1445, assisting SAR vessels arrived on site. At 1456, they recovered all 5 persons from the water, with 2 unresponsive, and took them to a local hospital, arriving at 1533. All of the recovered persons had experienced the effects of cold water immersion (Appendix E), and the 2 unresponsive persons were pronounced dead by the coroner.

    On 01 May 2017, the half-submerged Catatonic was towed to a dock in Tofino, dewatered, and secured.

    1.4 Damage to the vessel

    Both outboard engines were damaged, as well as the vessel's navigation and communications equipment.

    1.5 Damage to the environment

    Approximately 200 L of gasoline (Mid-Grade Gas 89 Octane) was on board at the time of the occurrence and was released into the environment.

    1.6 Personnel certification and experience

    The operator held a Small Vessel Operator Proficiency (SVOP) certificate and Small Non-Pleasure Vessel Basic Safety (MED A3) certificate, both of which were issued by a local boating school in Vancouver, BC. The operator also held a Restricted Operator Certificate (Maritime) with DSC endorsement that had been issued in April 2010. The operator had a total of 12 years of seagoing experience, including 9 years as the operator of the Catatonic.

    To operate the Catatonic commercially, the operator was required to hold a Master, Limited for a Vessel of Less Than 60 Gross Tonnage certificate. However, he did not hold this certificate.Footnote 10

    1.7 Vessel certification and survey

    In this occurrence, the vessel was operated as a commercial sport fishing vessel and was therefore required to be registered as a small commercial vessel, and was subject to Part 4 of the Small Vessel Regulations. This part of the Regulations applies to passenger-carrying vessels with a gross tonnage (GT) of not more than 15 that carry no more than 12 passengers. Sections 408, 410, 411, and 420 of Part 4 of the Small Vessel Regulations provide direction and guidance to commercial sport fishing vessel operators regarding the requirements for lifesaving equipment, such as the type and number of equipment required on board (depending on the voyage), as well as location, readiness, and operating procedures.

    The Catatonic was registered with Transport Canada (TC) as a pleasure craft.Footnote 11 As a pleasure craft more than 9 m in length but not exceeding 12 m in length, the vessel was equipped in accordance with Part 2 of the Small Vessel Regulations.Footnote 12

    A local surveyor surveyed the vessel on 05 March 2012, while the vessel was under the previous ownership. The current owner received a copy of the survey report when he purchased the vessel. In the survey report, the surveyor identified deficiencies, such as expired flares, and advised that the deficiencies be corrected immediately. At the time of the occurrence, the flares, which had expired on 01 January 2007, were still on board.

    1.8 Environmental conditions

    The weather at the time of the occurrence was partly cloudy with visibility of approximately 24 nm. There was a west-northwesterly wind gusting 21 to 34 knots and a southeasterly swell of approximately 1 m. The sea state was reported to be confused. The air temperature was 10.2 °C, and the water temperature was approximately 10 °C.

    1.9 Transport Canada inspection and certification

    1.9.1 Small Vessel Compliance Program

    A non-pleasure craft is a vessel that an operator uses for work or commercial activities.Footnote 13 As is the case with the Catatonic, commercially operated craft with a gross tonnage of not more than 15, and carrying not more than 12 passengers, are defined as "small vessels" by TC. These vessels are required to be registered with TC, but are not required to undergo a periodic inspection by a marine safety inspector or have a certificate of inspection in order to operate. However, they must comply with the Canada Shipping Act, 2001 (CSA 2001) and its associated regulations at all times.

    The Small Vessel Compliance Program (SVCP) is available to owners of small commercial vessels. This program is intended to help vessel owners and operators understand and meet their legal obligations.Footnote 14 Enrollment in the SVCP is voluntary. During the enrollment process, an owner submits a detailed compliance report that is reviewed by a marine safety inspector. The compliance report includes a checklist that covers items such as safety procedures, operations, equipment, maintenance, and emergency preparation. Any shortcomings are communicated to the owner to ensure that the vessel complies with regulatory requirements, which is the sole responsibility of the owner or authorized representative (AR).Footnote 15 .

    Before a vessel is enrolled in the SVCP, the AR must obtain a Certificate of Registry from TC's Chief Registrar; this certificate is mandatory for all commercially operated vessels.Footnote 16 The AR then submits a comprehensive reportFootnote 17 to the Transport Canada Marine Safety and Security (TCMSS) regional office. This document is completed to the AR's best knowledge and understanding, although the AR can request the assistance of TCMSS or of an independent marine consultant.

    Once TCMSS has reviewed the submitted package and concluded that its content is satisfactory, it enrolls the vessel in the SVCP and sends a confirmation letter to the AR.Footnote 18 A decal is also issued, which the AR must visibly post on the enrolled vessel.Footnote 19 Enrollment is valid for a 5-year period, during which the AR sends an annual reportFootnote 20 to TCMSS to demonstrate the vessel's compliance with all regulatory requirements.

    Statistics provided by TCMSS to the TSB on 06 November 2017 indicated that a total of 26 094 registered commercial vessels of less than 15 GT are presently operating across Canada. Of these 26 094 vessels, 10 824 are passenger vessels and workboats, and of these, only 3107 vessels (or about 29%) are enrolled in the SVCP.

    In BC, a total of 7651 commercial vessels of less than 15 GT are registered, including 3481 passenger vessels and workboats. Of this number, only 1209 passenger vessels and workboats (or about 35%) are enrolled in the SVCP.

    The Catatonic was not enrolled in the SVCP at the time of the occurrence, nor had it ever been enrolled in the program. The operator of the Catatonic did not have a maintenance or compliance plan or any emergency-related procedures.

    1.10 Regulations for commercial sport fishing vessels

    According to the Small Vessel Regulations, a passenger-carrying vessel more than 8.5 m in length and not engaged in a sheltered waters voyage, such as the Catatonic, is required to carry one or more life rafts with a total capacity sufficient to carry all passengers on board.Footnote 21 The Catatonic was not equipped with a life raft.

    The same regulations also require the operator of a commercial sport fishing vessel to ensure that

    • all passengers are briefed about the vessel's safety and emergency procedures prior to departure;
    • all passengers know the location and use of on-board personal life-saving appliances, visual signals, and vessel safety equipment;
    • a sail plan is filed with a designated person on shore; and
    • a briefing is provided that demonstrates how to don each type of lifejacket.Footnote 22

    The passengers did not receive a safety briefing before departure, nor had a sail plan been filed with a designated person on shore.

    1.11 Life-saving appliances

    The Catatonic voluntarily carried a personal locator beacon (PLB) and an emergency position indicating radio beacon (EPIRB) on board. Both of these devices are designed to transmit a distress signal and provide continuous position updates. The devices were not registered with the Canadian Beacon Registry.Footnote 23 The PLB unit was programmed with a 406 MHz beacon and was functional, but the EPIRB was programmed with a 121.5/243 MHz beacon,Footnote 24 and was inoperative due to damaged internal connections. Instructions on how to operate the Catatonic's PLB unit and information about registering the unit with the Canadian Beacon Registry were printed on the body of the unit.Footnote 25 .

    In accordance with the Small Vessel Regulations, the vessel was required to have 12 pyrotechnics distress signals, not more than 6 of which are smoke signals.Footnote 26 The vessel carried the required number and type of flares, but they were expired. At the time of the occurrence, the flares were located inside the forward accommodation cabin, each inside a sealed bag. The vessel also had 9 adult lifejackets, 3 child lifejackets, and 2 floater suits on board. The lifejackets and floater suits were also stored in the accommodation cabin.

    1.11.1 Canadian Beacon Registry

    The Canadian Beacon Registry is an integral part of the SAR satellite system designed to provide distress alert and location data to SAR authorities. The Canadian Beacon Registry is co-located with the Canadian Mission Control Centre (CMCC) at Canadian Forces Base Trenton (Ontario), for use by responders in SAR operations.Footnote 27 .

    When an EPIRB or a PLB signal is received, SAR authorities at CMCC can retrieve information from a registration database. This includes beacon owner contact information, emergency contact information, and vessel characteristics and equipment. Having this information allows SAR services to respond appropriately.Footnote 28 .

    It is mandatory for all EPIRBsFootnote 29 to be registered with the Canadian Beacon Registry. Ensuring that an EPIRB and a PLB are registered, as well as updating the information regularly, facilitates SAR operations in the event of a distress situation.

    Online access to the Canadian Beacon Registry is available to all owners of 406 MHz emergency beacons so that they can register new emergency beacons or update their existing information.

    1.12 Vessel's original construction and present arrangement

    1.12.1 Original construction

    The Catatonic's original construction included 2 separate battery compartments. Each battery compartment contained an independent 12 V battery and a 4-way battery switch that could be set to Battery 1, Battery 2, Both, or Off (Figure 2). According to the owner's manual, to supply house powerFootnote 30 or to start the engines, the operator had to set the 4-way battery switch to select the battery bank from which to draw power.Footnote 31

    Figure 2. Builder-approved and standard battery bank arrangement in both battery compartments (Source: LeisureCAT Australia, LeisureCat 8000 Sportsfisher Owners Manual)
    Image
    Builder-approved and standard battery bank arrangement in both battery compartments

    As per the original design, the operator would select Battery 1 to power the port engine, and Battery 2 to power the starboard engine (Appendix F).Footnote 32 The design provided a safety feature that ensured that the operator could not drain both batteries simultaneously and that there would always be a backup power source.

    The vessel was also originally equipped with 2 Honda 130 hp outboard engines.

    1.12.2 Modified arrangement

    1.12.2.1 Batteries

    The operator purchased the vessel in January 2015. The following month, he contracted a local company to repower the Catatonic with 2 Mercury 225 hp outboard engines. At the same time, the contractor replaced the vessel's batteries with new ones, installed them inside the port battery compartment (Figure 3), and connected them to a single 4-way selector switch located inside the starboard battery compartment.

    Figure 3. Modified, non-standard arrangement of battery banks in the port battery compartment
    Image
    Modified, non-standard arrangement of battery banks in the port battery compartment

    The 4-way selector switch could be set to 1, 2, ALL, or OFF. For convenience, the operator typically chose to keep the selector switch set to the ALL position, causing both batteries to act as a single unit. At the time of the occurrence, the selector switch was set to the ALL position.

    When acting as a single unit, both batteries are charged and drained simultaneously, and act as the only power source for the entire vessel (Figure 4).

    Figure 4. The vessel's battery power distribution arrangement at the time of the occurrence
    Image
    The vessel's battery power distribution arrangement at the time of the occurrence
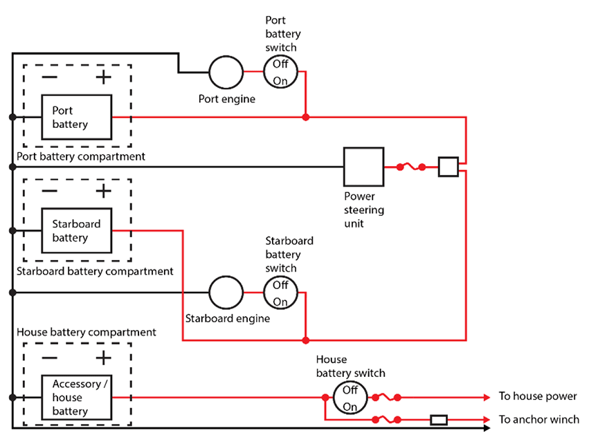
    1.12.2.2 Engine manufacturer's recommended battery arrangement

    The outboard engine manufacturer's recommended designFootnote 33 for the installation of 2 of its outboard motors indicates that the vessel should be fitted with

    • 3 batteries and 3 selector switches with ON or OFF options;
    • 1 battery and 1 selector switch for each engine; and
    • a separate third battery and selector switch for the house power (Figure 5).
    Figure 5. Engine manufacturer's recommended battery arrangement for dual Mercury 225 hp outboards
    Image
    Engine manufacturer's recommended battery arrangement for dual Mercury 22 hp outboards
    1.12.2.3 Other modifications

    The vessel had also been modified to include 6 clamshell-type deflectors that were fitted over the outlets on the outer side of the hull, and 3 holes had been drilled in the stern buoyancy compartment to allow for the passage of electrical cables. Additionally, the flexible hoses that originally ran from the bottom of each of the fish boxes to an overboard isolation valve had been cut out to allow the fish boxes to be removed (e.g., for cleaning).

    1.13 Post-occurrence examination of the vessel

    Shortly after the occurrence, the TSB examined the vessel in Tofino and again at the TSB facility in Richmond, BC. The examinations identified the following:

    • The vessel had clamshell-type deflectors covering all discharge outlets, with the exception of the starboard fish box filling/discharge outlet located at the bottom of the hull. The investigation could not determine where, when, or why the deflectors had been fitted.
    • Clamshell-type deflectors were fitted over 5 outlets and 1 inlet opening on the stern quarter of the outer hull of the vessel. Each deflector had 3 securing screws, and all of the securing screws penetrated the hull.
    • The clamshell-type deflector located at the stern port section of the vessel's outer hull around the waterline was missing. Three screws, about 3 mm in diameter, which originally secured the deflector, were also missing. The 3 screws had been installed 4 cm, 7 cm, and 10 cm, respectively, below the main deck level around the waterline. The waterline was observed to be about 7 cm below the deck level.Footnote 34
    • Three holes were observed on the aft watertight bulkhead separating the stern buoyancy compartment and aft pontoons: 2 holes (10 mm and 8 mm in diameter) were on the port side of the vessel, and 1 hole (10 mm in diameter) was on the starboard side. All 3 holes were located about 53 cm in height from the keel.
    • Electrical wires had been passed through the two 10 mm holes without any arrangements to maintain the watertightness of the bulkhead. The 8 mm hole was unused.
    • The batteries were connected to both engines in all selector switch positions except for the "OFF" position.
    • Both bilge pumps were functional, and both bilge alarms were functional with an audible signal.
    • The audible alarm on both engines was functional.
    • The pontoon channel drain line to overboard on the starboard side was clogged with debris.

    1.14 TSB laboratory reports

    The TSB completed the following laboratory reports in support of the investigation:

    • LP127/2017 – Plotter Data Recovery
    • LP129/2017 – EPIRB Analysis (includes PLB analysis)
    • LP261/2017 – PCM [powertrain control module] Data Recovery

    2.0 Analysis

    The TSB investigation into the occurrence determined that the Catatonic's stern sank primarily due to water ingress into the vessel's pontoons and stern buoyancy compartments. The port engine stopped and electrical power was lost throughout the vessel, the bilge pumps ceased functioning, and water continued to rise inside the compartments until the vessel could not maintain its upright aspect.

    This analysis will focus on the vessel's unapproved modifications, the importance of relaying a vessel's exact location in an emergency, and the importance of compliance with Transport Canada (TC) regulations.

    2.1 Factors leading to the sinking and loss of life

    2.1.1 Causes and contributing factors leading to the sinking

    When the 3 deflector securing screws on the port pontoon hatch cover drain went missing, the watertight integrity of the hull was compromised, and seawater was allowed to ingress into the vessel's port pontoon. The TSB determined that seawater ingressed through one of the 3 mm holes where the securing screws would normally have been installed. The ingress occurred at an approximate rate of 1 L per minute, and this rate increased as time progressed. Furthermore, the removal of the fish box drain hoses to make it easier to take out the boxes and inspect the pontoon bilges created a point of ingress for seawater that had washed on deck due to shipping seas. The water thus entered the starboard and port fish boxes through the pontoon hatch covers, eventually draining into both pontoons through the open fish box drain holes. Because the bilge pumps were run intermittently to keep the water in the bilges at a low level, the hull breach and the resulting water ingress went undetected.

    While preparing to depart the second anchorage location, the operator started the port engine. However, at some point, the port engine stopped without the operator's knowledge. The vessel's electrical equipment, including the bilge pumps, continued to draw power from the batteries; however, neither engine was running and thus the batteries were not being charged. When the operator attempted to start the starboard engine, it did not start because the batteries were low. Because the batteries were losing power, the bilge pump stopped, allowing the water level to steadily rise undetected inside the port pontoon.

    Because the water level in the port pontoon was initially higher than the water level of the starboard side, the water from the port pontoon progressed over the middle arc structure of the vessel and into the starboard pontoon. Once the water levels equalized, the water level in both pontoons rose simultaneously, causing the vessel's stern to sit lower in the water than usual. As the water continued to rise, it entered the vessel's 2 stern buoyancy compartments through the two 10 mm holes and the one 8 mm hole that had been drilled in the aft bulkhead to feed electrical wires through, causing the stern to lower further.

    The operator and the passengers who were at the stern to bail out the water from the port fish box added more weight, which submerged the stern to the waterline. In conjunction with the shipping seas, this caused the deck to fill with water and contributed to the stern's sinking (Appendix H). Eventually, the vessel could not maintain its upright aspect, and everyone on board abandoned the vessel into the water.

    2.1.2 Causes and contributing factors leading to the loss of life

    Knowing the precise location of a vessel in distress is crucial for an effective search-and-rescue (SAR) mission. The investigation determined that, at the time of the occurrence, the vessel's manual emergency position indicating radio beacon (EPIRB) was defective and that the operator's personal locator beacon (PLB) was not activated, because the operator was not familiar with how it worked.

    In addition, because the vessel's power supply was dead, the very high frequency (VHF) radiotelephones and global positioning system were not functional; the operator was therefore unable to relay the vessel's exact location to the Joint Rescue Coordination Centre (JRCC). The SAR team therefore had to search a wider area based on an approximate location that the operator reported via cellphone.

    Because of the inaccurate reporting of the occurrence location, the SAR team took about 1.5 hours to spot the vessel, and another 10 minutes to arrive on scene. The length of time spent searching for the vessel and the fact that the Catatonic did not have a life raft meant that the passengers and the operator were immersed in cold water for approximately 1 hour and 40 minutes before they were recovered. They were therefore subjected to cold water immersion and associated cold water shock.

    One passenger entered the water with an unsecured life jacket. Although the life jacket was later secured, it was not donned properly; this passenger eventually lost consciousness. After being exposed to the water for more than an hour, another passenger also became unconscious shortly before he was recovered. The coroner later pronounced both unconscious passengers dead, concluding that the cause of both deaths was drowning.

    2.2 Modifications to the vessel's original design

    Three modifications were made to the original design of the vessel: these affected the battery configuration, the fish box overboard lines, and the aft watertight bulkhead.

    With the original battery configuration, the vessel was equipped with 2 selector switches that were individually connected to each battery, and the arrangement was such that the batteries could not be made to act as a single unit. After the vessel was repowered with dual outboard engines, it was equipped with 2 batteries and only 1 selector switch. These modifications overrode the manufacturer's original built-in safety features, such that both batteries could operate as a single unit and be drained simultaneously when the selector switch was set to the ALL position. This meant that if the battery unit drained, the vessel would be without a power supply for critical equipment such as the engines, bilge pumps, and VHF radiotelephones.

    The standard practice was to keep the selector switch in the ALL position. Because the switch was in the ALL position at the time of the occurrence, power was inadvertently drained from the battery unit, leaving the vessel without the power to start either of the engines and without the means to charge the battery unit.

    The modification to the fish box overboard lines allowed, the water shipped on deck to first enter the fish boxes and then drain into the pontoon bilges through the open drain holes in the fish box, thereby raising the water level in the pontoon bilges.

    The aft watertight bulkhead was modified by making 3 holes in the bulkhead. This compromised the watertight integrity of the stern buoyancy compartments: when the water in the port pontoon rose to the level of the 3 holes, the water entered the stern buoyancy compartments and contributed to the stern's sinking.

    At some point in time, 6 clamshell-type deflectors were fitted over 5 outlets and 1 inlet on the stern quarter of the outer hull of the vessel. Each deflector had 3 securing screws. All securing screws penetrated the hull. The deflector and securing screws for the port pontoon cover channel drain outlet were missing. Because the deflector was in line with the outriggers, it is likely that, over time, the fishing lines snagged the deflector, ripping it off.

    If vessel modifications compromise the safety features of the original design, there is an increased risk that the vessel will not be adequate for its intended voyage.

    2.3 Transport Canada requirements and programs

    Commercial sport fishing vessels such as the Catatonic are required to comply with all applicable regulations, including regulations regarding life-saving appliances. Sections 408, 410, 411, and 420 of the Small Vessel Regulations provide direction and guidance to commercial sport fishing vessel operators regarding the requirements for life-saving equipment, such as the type and number of equipment required on board (depending on the voyage), as well as location, readiness, and operating procedures.

    At the time of the occurrence, the vessel was outside of sheltered waters, and was therefore required to be equipped with applicable lifesaving equipment, including a life raft. However, the vessel was not equipped with a life raft, and this and other deficiencies, such as expired flares, were not identified before the occurrence voyage.

    Although the operator received a copy of the survey upon purchasing the Catatonic, the operator was not fully aware of the importance of correcting these deficiencies and the consequences of operating while the deficiencies persisted. Checks carried out by regulatory or approved authorities could have identified those critical deficiencies and provided the operator with instructions and guidance that could have led to the deficiencies being resolved before the occurrence voyage.

    Moreover, the vessel had never been enrolled in the voluntary Small Vessel Compliance Program, which also could have provided the required guidance to identify the deficiencies through self-checks of the vessel's critical equipment and procedures. Nor did the operator request assistance from Transport Canada Marine Safety and Security. As a result, the deficiencies in the equipment and procedures, such as expired flares, the lack of a sail plan filed with a designated person on shore, and the lack of a pre-departure safety briefing that included a demonstration of donning lifejackets, were not identified.

    If operators of small commercial vessels do not comply with the Small Vessel Regulations, there is a risk that deficiencies in life-saving equipment and procedures will not be identified, compromising the safety of the vessel.

    2.4 Distress alerting

    The success of a SAR mission often depends on promptly notifying SAR authorities of the vessel's exact position, as well as alerting by other means, such as flares, dye markers, and other devices.

    In this occurrence, the Catatonic voluntarily carried both an EPIRB and a PLB; however, the EPIRB was inoperative and the PLB was not used to send a distress signal. The PLB was not used because the operator was not familiar with how it worked. Instead, the operator used his cellphone to communicate the vessel's approximate position to the Canadian Coast Guard. However, because the vessel had lost power, its coordinates could not be obtained from the navigational equipment.

    Both an EPIRB and PLB, if functioning as intended, can continuously transmit exact coordinates. Furthermore, if registered and updated with vessel particulars, both of these devices provide SAR resources with valuable information that can expedite the emergency response.

    Although the vessel carried flares, they were expired. Furthermore, they remained stowed on board when the occupants entered the water.

    If accurate position information is not provided in an emergency, there is a risk that valuable time will be lost while SAR resources try to locate the vessel.

    3.0 Findings

    3.1 Findings as to cause and contributing factors

    1. Three securing screws breached the watertight integrity of the vessel. When these screws went missing, the resulting holes allowed seawater ingress into the vessel's port pontoon.
    2. Water that had washed on deck due to shipping seas entered the port and starboard fish boxes through the pontoon hatch covers and eventually drained into both pontoons through the open fish box drain holes.
    3. Because neither engine was charging the battery unit, the power drained while running the vessel's electrical equipment and was insufficient to operate the bilge pumps. As a result, the water level steadily rose in the port pontoon.
    4. The water from the port pontoon progressed into the starboard pontoon through the hull's middle arc structure. Once the water level equalized, it rose simultaneously in both pontoons and caused the vessel's stern to sit low in the water.
    5. The water continued to rise and entered the vessel's 2 stern buoyancy compartments through the two 10 mm holes in the aft bulkhead, causing the stern to lower further.
    6. The additional weight of the operator and passengers at the stern of the vessel submerged the stern to the waterline, and shipping seas filled the deck with water.
    7. The vessel could not maintain its upright aspect, and all occupants abandoned the vessel into the water.
    8. Because the vessel's exact location could not be provided to SAR authorities, 1 hour and 40 minutes elapsed from the time the stern sank to the time everyone was recovered from the water.
    9. All 5 people in the water were subjected to cold water shock and immersion, resulting in 2 passengers becoming unconscious and drowning.

    3.2 Findings as to risk

    1. If vessel modifications compromise the safety features of the original design, there is an increased risk that the vessel will not be adequate for its intended voyage.
    2. If operators of small commercial vessels do not comply with the Small Vessel Regulations, there is a risk that deficiencies in life-saving equipment and procedures will not be identified, compromising the safety of the vessel.
    3. If accurate position information is not provided in an emergency, there is a risk that valuable time will be lost while search and rescue resources try to locate the vessel.

    3.3 Other findings

    1. The vessel's flares (expired) were in the accommodation area and were not easily accessible.
    2. The Mayday did not include the vessel's reported distance off Bartlett Island, which led some responding vessels to search closer to the shore.

    4.0 Safety action

    The TSB is not aware of any safety action taken as a result of this occurrence.

    This report concludes the Transportation Safety Board of Canada’s investigation into this occurrence. the Board authorized the release of this report on . It was first released on .

    Correction

    The Summary of the report has been amended to state that, at the time of the occurrence, the vessel had approximately 200 L of gasoline on board. The initially released report stated that the product was marine gas oil.

    Section 1.1, Particulars of the vessel, has been amended to correct 2 numbers in Table 1, Particulars of the vessel. The vessel’s gross tonnage – assigned has been changed from 14.99 to 9.99, and its length from 10.06 m to 9.07 m.

    Section 1.5, Damage to the environment, has been amended to state that approximately 200 L of gasoline (Mid-Grade 89 Octane) was on board at the time of the occurrence and was released into the environment. The initially released report stated that the product was marine gas oil (Mid-Grade Gas 89 Octane).

    This correction was approved by the Board on ; the corrected version of the report was released on .

    Appendices

    Appendix A – General arrangement of vessel (side and plan view)

    Appendix B – Location of clamshell-type deflectors

    Image
    Location of clamshell-type deflectors
    1. Starboard bilge pump discharge outlet
    2. Starboard pontoon cover channel drain outlet
    3. Deck wash pump suction inlet
    4. Starboard fish box filling/discharge outlet (located at the bottom of the hull)
    5. Port bilge pump discharge outlet
    6. Port pontoon cover channel drain outlet
    7. Port fish box filling/discharge outlet (located on the outer side of the hull)

    Appendix C – Position of holes and compartments below main deck

    Appendix D – Occurrence location

    Source: Canadian Hydrographic Service and Google Earth, with TSB annotations
    Image
    Occurrence location

    Appendix E – Physical responses to cold water immersion

    Water conducts heat away from the body much faster than air does at the same temperature. As a result, prolonged exposure of an unprotected body to water below body temperature will lead to heat being transferred from the body to the water. Heat transfer from the body to water becomes much more rapid when the water becomes ≤ 15 °C.Footnote 35 Footnote 36 Footnote 37

    The first 3 stages of sudden, cold water immersion are cold shock response, cold incapacitation, and hypothermia.Footnote 38 Footnote 39 Footnote 40

    Stage 1: Cold shock response (0 to 2 minutes)

    Immersion is immediately followed by an initial large gasp and subsequent hyperventilation, causing small muscle spasms. If a person's mouth is below water level, or waves are splashing over the mouth, water will enter the lungs, causing drowning. In some cases, however, spasms in the upper airways prevent water and air from entering the lungs, and the person dies from suffocation, another type of drowning. The duration of drowning is affected by factors such as age, health, breath-holding tolerance, and temperature of the water, although consciousness is usually lost within 3 minutes of submersion.

    It is possible to survive this stage if the person is able to keep his or her airways out of the water until the gasping, hyperventilation, high blood pressure, and rapid heart rate begin to subside.

    Stage 2: Cold incapacitation (5 to 30 minutes)

    This stage occurs before the body's core temperature has dropped significantly. The fine muscles of the hands may be the first to be affected, reducing a person's ability to secure, don, or hold onto a flotation device. It is possible to survive this stage if the person, in a donned flotation device, does not have any requirement to perform any dexterous tasks, such as tying the straps of a lifejacket. Cognitive impairment also starts to occur at this stage.

    Stage 3: Hypothermia (after 30 minutes)

    There is a significant risk of hypothermia in water ≤ 25 °C, and it is especially significant in water colder than 15 °C. The body begins to cool as soon as an individual is immersed in cold water, but the full effect of hypothermia usually takes at least 30 minutes. Effects include loss of consciousness and heart failure. As the body cools, the individual's willpower to survive will also decrease. The individual will become weaker and lose the ability to keep his or her head above the water line.

    Without an appropriately donned flotation device, such as a lifejacket, to keep the individual's head above water, the most likely causes of death are stages 1 (cold shock) and 2 (incapacitation). With an appropriately donned flotation device, the most likely cause of death is stage 3 (hypothermia).

    Appendix F – Vessel manufacturer's recommended battery arrangement for dual outboards (Suzuki or Honda)

    Source: LeisureCat
    Image
    Vessel manufacturer's recommended battery arrangement for dual outboards

    Appendix G – Boat flooding rates in litres per minute

      Diameter of opening or hole
    Depth of hole below waterline 3 mm 6 mm 12 mm 25 mm 38 mm 50 mm 63 mm 76 mm 89 mm 100 mm
    0.15 m 0.8 3.2 13 52.4 118.5 210.5 328.9 645 645.03 842.6
    0.31 m 1.1 4.5 18.3 73.4 165.8 294.9 460.7 903.2 903.2 1179.5
    0.61 m 1.6 6.4 25.7 105.2 236.6 420.6 657.1 1287.8 1287.8 1682.3
    0.92 m 2.2 9 36.3 128.3 288.8 513.9 802.5 1573.2 1573.2 2054.7
    1.22 m 3.1 12.5 49.9 148.7 334.6 594.7 928.6 1821.5 1821.5 2378.7

    Note: The volume of water that can enter a vessel is proportional to the square root of the depth of the hole and proportional to the square of the radius of the hole. That is, a hole twice as deep allows in 1.4 times more water, and a hole twice as large lets in 4 times more water. A deep but small hole is safer than a shallow large hole.

    A 3 mm hole that is about 31 cm below the waterline can fill about 1.1 L within 1 minute.

    Source: William H. Seward Yacht Club

    Appendix H – Effect of water ingress and weight of people standing at the stern of the vessel