Marine Investigation Report M08C0058

Capsizing and subsequent sinking
Workboat Bonnie Mouse
off George Island, Lake Winnipeg, Manitoba

The Transportation Safety Board of Canada (TSB) investigated this occurrence for the purpose of advancing transportation safety. It is not the function of the Board to assign fault or determine civil or criminal liability. This report is not created for use in the context of legal, disciplinary or other proceedings. See Ownership and use of content.

Table of contents

    Summary

    Shortly after 0645 central daylight time on 21 October 2008, the workboat Bonnie Mouse sank during heavy weather en route from Poplar River to Berens River on Lake Winnipeg. The two deckhands safely abandoned into a small boat being towed by the Bonnie Mouse, but the master, who remained aboard, was never found.

    Factual information

    Particulars of the vessel

    Name Bonnie Mouse
    Official Number 0823564
    Port of Registry Winnipeg, Man.
    Flag Canada
    Type Workboat
    Gross Tonnage 25
    LengthFootnote 1 12.80 m
    Built 1974 Zag Fab Boats, Riverton, Man.
    Propulsion Perkins diesel engine, 90 kW
    Crew 3
    Registered Owner Private owner

    Description of the vessel

    The Bonnie Mouse was a steel vessel of closed construction built in 1974.

    In 2001, it was modified by its owners to suit work requirements. It was certified by Transport Canada (TC) as a special-workboat.Footnote 2

    Photo 1. The Bonnie Mouse
    Image
    Photo 1 - The Bonnie Mouse

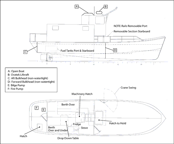
    The vessel had a raised centreline wheelhouse located amidships. Slightly below the wheelhouse and connected to it by a few steps was an accommodation area extending the entire breadth of the vessel and bounded fore and aft by steel bulkheads fitted with non-watertight doors. There were three hatches on the main deck leading to spaces below. One on the forward exterior deck led to a gear stowage locker. One in the accommodation led to the machinery space, as did another on the aft exterior deck.

    The exterior decks were enclosed by a continuous, solid bulwark, which lacked the required freeing ports or scuppers. A fire pump and a bilge pump were located on the aft deck.

    The wheelhouse was equipped with communication and navigation equipment, including a magnetic compass, a global positioning system (GPS), radar, a VHF radio, and an echo sounder.

    A small crane, powered by an electric winch and with a lifting capacity of approximately 2300 kg, was located on the port side of the main deck immediately forward of the wheelhouse. The crane was used to lift and handle buoys and their moorings.

    History of the voyage

    At 1244Footnote 3 on 20 October 2008, the vessel departed Poplar River with a master and two deckhands. The vessel, with a yawl in tow,Footnote 4 was headed to Berens River to de-commission navigation buoys.Footnote 5

    At around 1730, the vessel was approximately nine nautical miles (nm) south of George Island when a deckhand noticed the engine overheating. After it was shut down, a leak was discovered in the cooling system. The system was replenished with water and the engine operated for about 15 minutes before it overheated and was shut down again.

    At around 1800, the winds began to strengthen and the vessel anchored. As south-westerly winds increased, accompanied by heavy seas, the vessel dragged its anchor until it was replaced by a concrete buoy anchor that had been stowed on the main deck forward. At about 1936, with the vessel rolling heavily, the master broadcast several PAN PANFootnote 6 messages requesting assistance on VHF radio. He also attempted to contact the Marine Communications and Traffic Services (MCTS) centre in Thunder Bay, Ontario, but received no response. Attempts to get the engine operational were abandoned after an hour because it kept overheating.

    At about midnight, the deckhand on watch in the wheelhouse noticed that the anchor line had parted and that the vessel had begun to drift. The engine was restarted and the vessel headed west, then southwest for 15 minutes until the engine again overheated; it was then stopped, and the vessel drifted back with the wind to George Island. This manoeuvre was repeated once more during the night.

    At around 0400 on 21 October 2008, the master, who had been resting in his bunk, relieved the deckhand in the wheelhouse.

    At approximately 0630, water was discovered in the vicinity of the engine below the level of the shaft. The bilge pump was started on the aft deck, which was awash. Water flooded into the accommodation area. By this time, the vessel was listing heavily to starboard. The deckhand then alerted the others of the developing situation. The other deckhand, who was in his bunk, exited the accommodation via the forward door. This allowed the water from the forward deck to further flood the accommodation. By the time the deckhand had exited the accommodation, the vessel was on its starboard beam ends.

    At around 0645, the deckhands hauled in the yawl, boarded it, started the engine, and drifted away from the vessel. There was no indication that the master exited the vessel and, soon afterward, the vessel sank stern first.

    At around 0730, the two deckhands reached the shore at Marchand Point, five miles to the east of where they abandoned the Bonnie Mouse. They transmitted a distress call on VHF channel 73 using the yawl's VHF radio; this was picked-up at about 0745 by a Poplar River resident, who then made unsuccessful attempts to relay the distress call to MCTS in Thunder Bay, using VHF Channel 16.

    Search and rescue

    At 0827 on 21 October 2008, the Joint Rescue Coordination Centre (JRCC) in Trenton, Ontario, which tasks search-and-rescue (SAR) resources, was alerted by the Poplar River fire chief of the incident. At 0910, JRCC Trenton commenced tasking SAR resources, which included Rescue 340, a SAR aircraft based in Winnipeg, Manitoba, and the Canadian Coast Guard ship (CCGS) Vakta. At 0952, JRCC advised the Royal Canadian Mounted Police (RCMP) of the incident. The RCMP chartered a helicopter to assist with the search. At 1017, Rescue 340 was on scene and in contact with the two survivors, who were later recovered by vessels from Poplar River.

    While in the vicinity of George Island, the CCGS Vakta, which arrived on scene subsequent to the recovery of the survivors, communicated with MCTS in Thunder Bay via satellite phone because it was unable to do so via VHF radio.

    The search for the master was suspended on the evening of 21 October 2008 due to weather—winds were 30 knots from the south and seas were 3 to 4 m in height—and resumed the next morning.

    At 1508 on 22 October 2008, Rescue 340 was stood down, followed by the CCGS Vakta at 1710. The CCGS Vakta remained on scene for the next two days, but found no sign of the vessel or the missing master.

    Lifesaving equipment

    Onboard lifesaving equipment included lifejackets for four adults and one child, a life buoy, and six Type A and Type C pyrotechnics, respectively. An Ovatek liferaft and a four-person non-motorized boat were located atop the accommodation space.

    Distress alerting and communications on Lake Winnipeg

    MCTS in Thunder Bay monitors two VHF channels for Lake Winnipeg: channel 16 (the distress channel) and channel 26. Channel 73, the preferred channel of local operators and the channel used by the two deckhands to transmit their distress call, is not monitored.

    VHF radio signal range varies with transmission power and antennae height, and is generally limited to line-of-sight. Peripheral radio sites that transmit and receive with a MCTS centre are geographically placed to extend the area of designated coverage.

    Information regarding distress alerting and communications on Lake Winnipeg is contained in Radio Aids to Marine Navigation (RAMN).Footnote 7 This publication contains no information about the expected range or coverage from the Lake Winnipeg peripheral radio sites, nor does it state that some areas may be beyond the reception range of coastal radio stations. A geographic illustration of the Lake Winnipeg radio coverage is located on the Canadian Coast Guard (CCG) Web site.Footnote 8

    The nearest peripheral radio site to the occurrence area was located along the western edge of Lake Winnipeg at Long Point, Manitoba, approximately 50 nm west of George Island, Manitoba. The Long Point site, which is operational from May 15 to October 31, has a line-of-sight range of approximately 40 nm. In the event of a MAYDAY call, distressed traffic is advised to communicate on channel 16. MCTS in Thunder Bay then broadcasts a distress relay (to alert any vessels in the vicinity) and informs JRCC Trenton, Ontario, which in turn notifies the RCMP.Footnote 9

    Emergency position-indicating radio beacons (EPIRBs) can also be used on Lake Winnipeg to alert rescue authorities. EPIRBs provide information such as the identification of the vessel in distress and its position. Activation of a 406-MHz EPIRBs signal would be received via satellite by the Canadian Mission Control Centre and the processed information passed to the JRCC. The Bonnie Mouse did not have an EPIRB, nor was one required by regulation.

    Approximately 560 vessels operate on Lake Winnipeg's north basin between June and the end of October. There is conflicting information as to how many of these small vessels have a marine VHF radio on board. The majority of vessels are less than 8 m and are not required by regulation to carry a VHF radio.

    Crew certification

    The master of the Bonnie Mouse held certification suitable for the vessel and its intended operation: a Master of a Minor Waters Steamship certificate issued on 28 May 2003, and a Continued Proficiency Certificate issued on 05 April 2006. He also had marine emergency duties (MED) training. The master had been under contract with the CCG for buoy tending in Lake Winnipeg for the last seven years.

    One deckhand held a Master, Limited certificate for a vessel 60 tons or more, issued on 29 October 2007. He also held a Restricted Radiotelephone Operator's Certificate and had MED training. He had worked with the master on the Bonnie Mouse for the last two years.

    The second deckhand was a commercial fisherman who had worked with the master on the Bonnie Mouse for the last six years. He had no formal marine training.

    Vessel certification and surveys

    The Bonnie Mouse underwent a mandatory, quadrennial inspection by Transport Canada in May 2008. The inspection included an examination of the hull, steering, electrical, lifesaving, firefighting, navigation, and communications equipment. The maintenance records for the engine were reviewed. As the vessel was out of the water at the time, the engine was not started or tested. TC's post-inspection report did not identify deficiencies in the watertight integrity of doors or hatches.

    No major defects were identified in the inspection report, and a safety inspection certificate (SIC) was issued on 01 June 2008. This certificate was valid until 31 May 2012, for the period from 01 May until 31 October only.

    Weather

    The marine forecast for the north basin of Lake Winnipeg issued by Environment Canada at 1130 on 20 October 2008 provided a strong wind warning, with winds southeast at 10 knots and increasing to south at 30 knots after midnight. Rain showers were forecast to end early in the afternoon with periods of rain beginning the next afternoon, October 21. Subsequent forecasts—issued at 1600 on October 20 and 0300 on October 21, respectively—stated that the strong wind warning remained in effect.

    The nearest weather station, located on George Island, was not operating at the time of the occurrence. A weather station at Berens River, approximately 56 km away, recorded southeast winds between 13 and 15 km/h during the period from 0500 to 0600 on 21 October 2008.Footnote 10

    Analysis

    Sinking sequence

    The events as reported are consistent with a loss of transverse stability resulting from the free-surface effect of a large volume of shipped water on deck and subsequent downflooding into the hull. However, because the vessel was not recovered, it was not possible to determine if there was additional flooding as a result of any sustained damage to the vessel's hull or fittings.

    In this occurrence, the overheated engine prevented the Bonnie Mouse from manoeuvring in the prevailing seas or from seeking shelter. Shipped water that was retained on deck due to the combination of a solid bulwark and the absence of scuppers downflooded through the non-watertight deck hatch covers. With the wind and waves producing an initial heel to starboard, the shipped water flowed freely to starboard. This produced a virtual rise in the vessel's centre of gravity that grew more pronounced as more water was shipped and the list increased.

    Once the accommodation doors were opened, water entered the accommodation, where it collected along the starboard side and downflooded. The vessel eventually rolled onto its starboard beam ends. It then lost reserve buoyancy and sank by the stern.

    Vessel inspection

    It is not uncommon for water to be shipped on deck of a small vessel while at sea. However, it is critical for vessel safety that this water be shed and that the vessel be watertight.

    In this occurrence, the vessel's bulwarks were solid and there were no freeing ports or scuppers to allow water to drain. Neither were the hatch covers watertight—with the result that shipped water accumulated on deck, where it was able to downflood into the hull.

    Neither of these conditions were identified during the May 2008 inspection. This was done with the vessel still on its chocks; it did not confirm the operation of the engine or pumps and was not followed by an inspection of the vessel in the water, where machinery and pumps are run and checked for proper operation.

    Non-watertight hatches and the inability to shed shipped water put vessels and their crews at risk.

    Distress communications

    In an emergency, a vessel in distress relies on the ability to promptly alert those who may be able to render assistance. As VHF radio is the primary method for this, MCTS monitors the distress alerting channel 16 and local working channels. When a distress signal is received, not only can MCTS broadcast a distress relay (to alert any vessels in the vicinity), but it informs the JRCC, which tasks and coordinates SAR resources.

    These safety benefits, however, are unlikely to be realized in areas outside of MCTS VHF radio coverage; a distressed vessel would be forced to rely on the presence of nearby vessels or anyone else who might be monitoring the frequency. In this occurrence, the Bonnie Mouse was operating beyond the nominal range of the peripheral radio site at Long Point.Footnote 11 Thus, when the vessel's engine overheated and it began to ship water, it was unable to seek shelter, nor could it contact MCTS in Thunder Bay. Although private and commercial vessels (as well as individuals with shore radios) carry out intermittent local monitoring of VHF channels 16 and 73 along the eastern shore of the northern basin of Lake Winnipeg, radio traffic was reduced given the time of year and the fact that most vessels had ceased operations. It was therefore only a matter of chance that the survivors' distress call was picked up by a Poplar River resident.Footnote 12

    Information about the lack of MCTS VHF radio coverage for the area is not provided in the publication Radio Aids to Marine Navigation (Atlantic, St. Lawrence, Great Lakes), but it can be found on the CCG Web site. Operators may be unaware of this and may not make alternative communication arrangements,Footnote 13 thereby placing them at undue risk.

    Findings

    Findings as to causes and contributing factors

    1. After the engine overheated, the vessel was unable to seek shelter as the weather deteriorated.
    2. The vessel was beyond the range of the nearest VHF peripheral radio site and unable to communicate its distress to Marine Communications and Traffic Services in Thunder Bay, Ontario.
    3. The solid bulwark, combined with the absence of scuppers or freeing ports, allowed shipped water to be retained on deck.
    4. The non-watertight hatch covers and open accommodation doors allowed the shipped water to collect along the starboard side and downflood until the vessel rolled on its beam ends and sank.

    Findings as to risk

    1. Operators who are unaware of the lack of Marine Communications and Traffic Services VHF radio coverage on Lake Winnipeg may be placed at risk.
    2. Deficiencies that are not identified by inspections, such as non-watertight hatches and doors and the inability to shed shipped water, place vessels and their crews at risk.

    This report concludes the Transportation Safety Board's investigation into this occurrence. Consequently, the Board authorized the release of this report on .

    Appendices

    Appendix A — Area of the occurrence

    Appendix B — General arrangement of vessel