Air transportation safety investigation report A18Q0069

Loss of separation
Montreal/Pierre E. Trudeau International Airport
Montreal, Quebec

The Transportation Safety Board of Canada (TSB) investigated this occurrence for the purpose of advancing transportation safety. It is not the function of the Board to assign fault or determine civil or criminal liability. This report is not created for use in the context of legal, disciplinary or other proceedings. See Ownership and use of content.

Table of contents

    Summary

    On 16 May 2018, an Air Transat Airbus A310-304 aircraft (registration C-GFAT, serial number 545), operating as flight 485 (TSC485), was conducting an instrument flight rules flight from Toronto/Lester B. Pearson International Airport, Ontario, to Montréal/Pierre Elliott Trudeau International Airport, Quebec. At about the same time, a privately owned Cessna 421-B aircraft (registration C-GADG, serial number 421B0802) conducting an instrument flight rules flight, was returning to Montréal/Pierre Elliott Trudeau International Airport from Trois-Rivières Airport, Quebec. The Airbus was inbound from the west, and its flight path would take it north of the airport to commence an approach to land on Runway 24R. The Cessna was inbound from the northeast to commence an approach to land on Runway 24L. At 1901:17 Eastern Daylight Time, when the aircraft were approximately 18 nautical miles northeast of Montréal/Pierre Elliott Trudeau International Airport, a loss of separation occurred. Neither the required vertical separation minimum of 1000 feet nor the lateral separation minimum of 3 nautical miles was maintained. When the loss of separation occurred, they were 200 feet and 2.8 nautical miles from each other. At the closest point, the 2 aircraft came within 500 feet vertically and 1.7 nautical miles laterally of each other. At 1902:22, following instructions from the controllers, the required separation was re-established, and the 2 aircraft landed without incident.

    Factual information

    Background

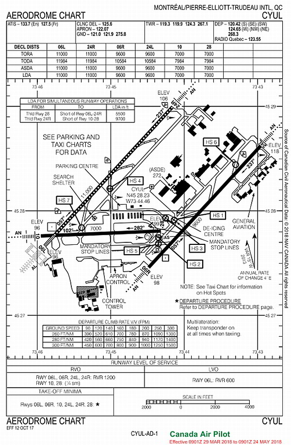
    On 16 May 2018, parallel runways 24R and 24L at Montréal/Pierre Elliott Trudeau International Airport (CYUL), Quebec, were the active runways for arriving and departing aircraft (Appendix A).

    The Montréal area control centre (ACC) airspace is divided into several specialties, including the Montréal terminal specialty. The Montréal terminal specialty airspace is further divided into 6 sectors: north arrivals (AN), south arrivals (AS), low arrivals (LO), north departure (DN), south departure (DS), and satellite (SA). On the evening of the occurrence, because of short-staffing, control of some of the sectors was combined and covered by 3 control positions, as follows:

    • DN, DS, and SA (the control position is hereafter referred to as DN);
    • AN and AS (the control position is hereafter referred to as AN); and
    • LO. Footnote 1

    History of the flights

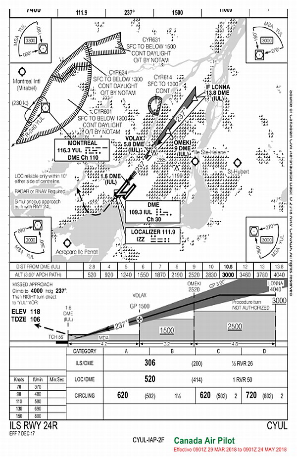
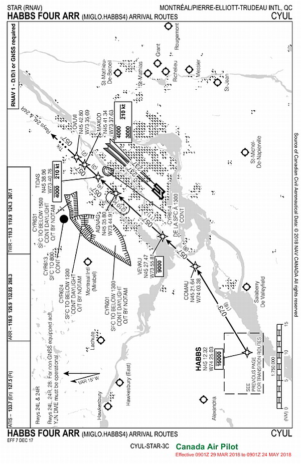
    An Air Transat Airbus A310-304 aircraft (registration C-GFAT, serial number 545), operating as flight 485 (TSC485), was conducting an instrument flight rules (IFR) flight from Toronto/Lester B. Pearson International Airport (CYYZ), Ontario, to CYUL with 2 flight crew members, 7 cabin crew members, and 206 passengers on board. The Airbus was inbound from the west, and its flight path would take it north of CYUL on the area navigation (RNAV)Footnote 2 HABBS FOUR ARR standard terminal arrival (STAR)Footnote 3 (Appendix B) before commencing an instrument landing system (ILS)Footnote 4 approach to land on Runway 24R (Appendix C).

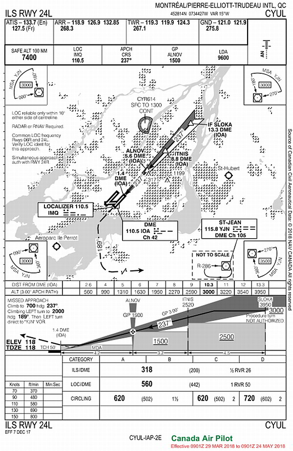
    At about the same time, a privately registered Cessna 421-B aircraft (registration C-GADG, serial number 421B0802) was conducting an IFR flight, returning to CYUL from Trois-Rivières Airport (CYRQ), Quebec, with 2 pilots on board. The Cessna was inbound from the northeast, flying at 4000 feet,Footnote 5 to commence an ILS approach to land on Runway 24L (Appendix D).

    Air traffic services radar surveillance separation was being applied in the Montréal terminal specialty airspace.

    Sequence of events

    At approximately 1836,Footnote 6 the LO controller became ill and had to leave the operations room. The LO control position was then closed, and the AN controller assumed responsibility for the LO sector.

    At 1842:40, while the Cessna was inbound from the northeast, the Rawdon sectorFootnote 7 controller, who had control responsibility for the Cessna, contacted the DN controller to coordinate the transfer of control responsibility. The DN controller informed the Rawdon sector controller that control responsibility for the Cessna should be transferred directly to the LO controller,Footnote 8 then immediately corrected that to the AN controller. The DN controller subsequently explained that the LO sector had been combined with the AN sector.

    At approximately 1848, the DN controller informed the AN controller that control responsibility of the Cessna would be transferred to him directly from the Rawdon sector. The AN controller agreed, although the aircraft would not be entering his area of responsibility for some time, as it would have to fly through the DN sector first. Shortly thereafter, the AN controller accepted responsibility for the Cessna.

    At 1849:53, when the aircraft was approximately 45 nautical miles (nm) northeast of the airport, the pilot of the Cessna contacted the AN controller and reported being at 4000 feet. The AN controller acknowledged the transmission and informed the pilot that Runway 24L was the active runway for his flight and that automatic terminal information service (ATIS)Footnote 9 information ZuluFootnote 10 was current.

    Shortly afterward, the AN controller instructed the pilot of the Cessna to fly directly to the SLOKA intermediate fixFootnote 11 for the ILS approach to Runway 24L (Appendix D). SLOKA is located on the final approach course, 11.9 nm from the threshold of Runway 24L.

    The AN controller made initial contact with the Airbus at 1851:06, during which the controller informed the Airbus flight crew that Runway 24R was the active runway for their flight and that the altimeter was 29.90 inches of mercury. The flight crew acknowledged the information and informed the AN controller that they were descending through 16 700 feet to 8000 feet and reducing their speed to 250 knots. The Canadian Automated Air Traffic System Situation Display (CSiT)Footnote 12 indicated that the Airbus was approximately 36 nm west of the airport.

    At 1853:17, the shift supervisor reopened the LO controller position and assumed responsibility for the LO sector from the AN controller. The AN controller provided a verbal briefing to the shift supervisor, who was now also the LO controller. The briefing included information about the Cessna, which was flying at 4000 feet over the St-Felix-de-Valois non-directional beacon, approximately 37 nm to the northeast of the airport.

    After the transfer of position responsibility had been completed, the AN controller was responsible for the AN and AS sectors.

    At 1854:20, the Cessna entered the Montréal terminal DN sector airspace, approximately 34 nm northeast of the airport, flying at 4000 feet. At the same time, the Airbus was approximately 18 nm west of CYUL, descending through 11 900 feet to 8000 feet (Figure 1).

    Figure 1. Close-up view of the Canadian Automated Air Traffic System Situation Display for the Montréal terminal specialty airspace, showing the Cessna (C-GADG) entering the Montréal terminal DN sector airspace at 4000 feet. The Airbus (TSC485) is 18 nm west of the airport. (Source: NAV CANADA, with TSB annotations)
    Image
     Close-up view of the Canadian Automated Air Traffic System  Situation Display for the Montréal terminal specialty airspace, showing the  Cessna (C-GADG) entering the Montréal terminal DN sector airspace at 4000  feet. The Airbus (TSC485) is 18 nm west of the airport. (Source: NAV CANADA,  with TSB annotations)

    At 1856:17, when the Airbus was approximately 9 nm west of the airport, the AN controller instructed the flight crew to descend to 6000 feet. About 1 minute later, the controller instructed them to contact the LO controller on frequency 126.9 MHz. At that time, the Airbus was approximately 6 nm northwest of the airport, and the Cessna was approximately 27 nm northeast of the airport.

    While monitoring the LO control position in preparation for assuming responsibility for the LO sector, a controller-in-training observed the Cessna on the CSiT. The controller jurisdiction symbol indicated that it was under the control responsibility of the AN controller and flying in the DN sector.

    At 1857:23, the controller-in-training received a briefing from the LO controller (who was also the shift supervisor), which included information about the aircraft operating in the LO sector. Just before the briefing, the CSiT range had been decreased, and the Cessna was no longer visible. The LO controller forgot to include information about the Cessna during the verbal briefing. Following the briefing, the LO controller became the LO controller-in-training's on-the-job instructor (OJI).

    At 1857:57, the Airbus flight crew contacted the LO controller-in-training and informed him they were descending through 6700 feet to 6000 feet. The LO controller-in-training acknowledged the information and instructed the flight crew to continue descending to 4000 feet. The Airbus was approximately 6 nm north-northwest of the airport, on the HABBS FOUR ARR STAR.

    At 1859:16, the Airbus flight crew informed the LO controller-in-training that they might not be below the required altitude restriction upon reaching the TIDAS waypoint.Footnote 13,Footnote 14 The LO controller-in-training acknowledged the information and subsequently cancelled the altitude restriction. The Airbus was approximately 9 nm north-northeast of the airport, flying in a northeasterly direction. The Cessna was approximately 24 nm northeast of the airport, flying in a southwesterly direction.

    At 1859:30, the Cessna entered the LO sector approximately 23 nm northeast of the airport, heading toward the SLOKA intermediate fix at 4000 feet. The Airbus was approximately 10 nm northeast of the airport, descending to 4000 feet and flying in a northeasterly direction (Figure 2).

    Figure 2. Close-up view of the Canadian Automated Air Traffic System Situation Display for the Montréal terminal specialty airspace, showing the Cessna (C-GADG) entering the Montréal terminal LO sector airspace at 4000 feet, flying directly to the SLOKA intermediate fix (Source: NAV CANADA, with TSB annotations)
    Image
     Close-up view of the Canadian Automated Air Traffic System  Situation Display for the Montréal terminal specialty airspace, showing the  Cessna (C-GADG) entering the Montréal terminal LO sector airspace at 4000  feet, flying directly to the SLOKA intermediate fix (Source: NAV CANADA, with  TSB annotations)

    At 1900:41, the LO controller-in-training instructed the Airbus to turn right, fly on a heading of 150°, and descend to 3000 feet. The LO controller-in-training then asked the OJI about the Cessna, pointing to it on the CSiT. The 2 aircraft were 6.4 nm apart: the Airbus was approximately 15 nm northeast of the airport, turning right and descending through 4100 feet; the Cessna was approximately 21 nm northeast of the airport, still flying in a southwesterly direction at 4000 feet.

    At 1901:11, the OJI made a radio call to determine whether the Cessna was on the LO sector frequency; there was no response. The OJI subsequently asked the AN controller to tell the Cessna to contact the LO sector controller. Almost simultaneously, the pilot of the Cessna contacted the AN controller on the AN sector frequency. The 2 aircraft were now 3.6 nm apart: the Airbus was approximately 16 nm northeast of the airport, turning right and descending through 3900 feet; the Cessna was approximately 19 nm northeast of the airport, still flying directly to the SLOKA intermediate fix at 4000 feet.

    At 1901:17, a loss of separation between the Airbus and Cessna occurred. The aircraft were 200 feet and 2.8 nm from each other, closer than the required minimum separation of 1000 feet verticallyFootnote 15 or 3 nm laterally.Footnote 16

    At 1901:19, the AN controller instructed the pilot of the Cessna to turn left and to fly on a heading of 150°; 5 seconds later, the controller instructed the Cessna to turn further left immediately and fly on a heading of 100°.

    At 1901:29, the LO controller-in-training instructed the Airbus to turn right and to fly on a heading of 180°. The 2 aircraft were now 2.2 nm apart: the Airbus was approximately 17 nm northeast of the airport, turning right and descending through 3700 feet; the Cessna was approximately 19 nm northeast of the airport, turning left at 4000 feet.

    At 1901:35, the AN controller informed the pilot of the Cessna that the Airbus was at his 1 o'clock position,Footnote 17 approximately 1 mile ahead,Footnote 18 flying in a southerly direction towards the airport, at 3500 feet and descending. The pilot of the Cessna informed the AN controller that he had the Airbus in sight.

    At 1901:46, when the Airbus was turning right and descending through 3500 feet, the Cessna was turning left at 4000 feet. At that time, the 2 aircraft were separated by 1.7 nm and 500 feet, which is the closest laterally the 2 aircraft came to one another (Figure 3).

    Figure 3. Close-up view of the Canadian Automated Air Traffic System Situation Display for the Montréal terminal specialty airspace, showing the Airbus (TSC485) turning right and descending through 3500 feet while the Cessna (C-GADG) is turning left in level flight at 4000 feet. The 2 aircraft are 1.7 nm and 500 feet apart (Source: NAV CANADA, with TSB annotations)
    Image
     Close-up view of the Canadian Automated Air Traffic System    Situation Display for the Montréal terminal specialty airspace, showing the    Airbus (TSC485) turning right and descending through 3500 feet while the    Cessna (C-GADG) is turning left in level flight at 4000 feet. The 2 aircraft    are 1.7 nm and 500 feet apart (Source: NAV CANADA, with TSB annotations)

    At 1901:56, the AN controller instructed the Cessna to contact the LO controller-in-training on frequency 126.9 MHz.

    At 1901:58, the LO controller-in-training instructed the Airbus to turn right onto a heading of 210° and cleared it for an ILS approach to Runway 24R (Appendix C). The aircraft landed without incident.

    At 1902:22, the required separation between the Airbus and the Cessna was re-established.

    At 1902:34, the LO controller-in-training contacted the Cessna and instructed it to turn right and to fly on a heading of 210°.

    At 1903:56, the Cessna was cleared for an ILS approach to Runway 24L (Appendix D). Then, at 1904:59, after the pilot reported that he had the airport in sight, the Cessna was cleared for a visual approach,Footnote 19 and it landed without incident.

    Traffic alert and collision avoidance system

    A traffic alert and collision avoidance system (TCAS) on board an aircraft detects potentially conflicting aircraft using secondary surveillance radar transponder signals and provides advice to the flight crews concerning the aircraft involved.Footnote 20 The dimensions of the airspace protected by a TCAS vary according to the closure rate between the aircraft involved. If an aircraft is on a track that will lead it inside the protected area around an aircraft equipped with a TCAS, the system issues a traffic or resolution advisory to the flight crew.Footnote 21 In this occurrence, the Airbus was equipped with a TCAS; however, the flight crew did not receive a traffic or resolution advisory. Air Transat maintenance personnel later confirmed that the aircraft’s TCAS functioned properly when tested. The Cessna’s track may not yet have reached a point to trigger such an advisory, given the closure rate between the 2 aircraft.

    The investigation was unable to collect sufficient flight data to determine whether the TCAS should have provided a traffic or resolution advisory to the flight crew.

    The Cessna was not equipped with a TCAS-type system, nor was such a system required by regulation.

    Meteorological information

    The CYUL aviation routine weather report issued at 1900 was as follows:

    • Wind 180° true at 7 knots
    • Visibility 30 statute miles
    • Few clouds at 10 000 feet above ground level, scattered clouds at 24 000 feet above ground level
    • Temperature 22 °C, dew point 8 °C
    • Altimeter 29.89 inches of mercury

    Weather was not a factor in this occurrence.

    Air traffic services

    Controller information

    The air traffic controllers involved in the occurrence were licensed and qualified for the operation. The investigation, including a review of the controllers’ shift schedules, determined that fatigue was not a factor in this occurrence.

    The controller-in-training was qualifying to work in the Montréal terminal specialty and was being monitored by the shift supervisor, who was also the OJI. The shift supervisor had been a controller at the Montréal terminal specialty since 2007 and had been appointed supervisor on an interim basis on 19 February 2018. The DN controller on duty at the time of the occurrence had been a controller at the Montréal terminal specialty since 2007, and the AN controller on duty at the time of the occurrence had been a controller at the Montréal terminal specialty since 2015.

    Staffing

    According to guidelines for the Montréal terminal specialty, 7 controllers and 1 supervisor should have been on duty at that time of day. However, because of absences, the Montréal terminal specialty was short-staffed on the evening of the occurrence; 4 controllers (not including the controller-in-training) and 1 shift supervisor had initially been on duty. Three of the controllers were actively controlling, and the fourth controller was on a break. At the time of the occurrence, after one of the controllers had fallen ill, only 3 controllers remained on duty. Therefore, the shift supervisor assumed control responsibility for the LO sector.

    Workload

    At the time of the occurrence, the workload at the Montréal terminal specialty was moderate, with light-to-moderate complexity. However, the closing and reopening of the LO sector in a relatively short period added to the workload and level of complexity.Footnote 22

    Structure of Montréal area control centre airspace

    The Montréal ACC is responsible for the controlled airspace within an area defined in the Montreal ACC Operations Manual. The area is divided into several specialties, including the Montréal terminal specialty, which is further divided into AN, AS, LO, DN, DS, and SA sectors.Footnote 23

    At the time of the occurrence, control of some of the 6 sectors was combined and covered by 3 controller positions (Figure 4). The AN controller was responsible for aircraft flying on the STARs and in the airspace over certain areas of the LO sector at altitudes from 11 000 feet to 6000 feet (referred to as “110/60” in Figure 4). The LO controller was responsible for aircraft on approach to the airport and flying at various altitudes 7000 feet and below, within the LO sector. The DN controller was responsible for aircraft flying in all other airspace within the Montréal terminal specialty, including aircraft transiting through the airspace north-northeast of the airport up to 16 000 feet (“DN airspace up to 160” in Figure 4) that were not assigned to the AN or LO controllers. The airspace northeast of the airport, outside of the Montréal terminal airspace, is under the responsibility of the Rawdon sector.

    Figure 4. Montréal terminal arrival airspace when runways 24R and 24L are the active arrival runways (Source: NAV CANADA, Montreal Terminal Operations Manual, with TSB annotations)
    Image
     Montréal terminal arrival airspace when runways 24R and 24L are  the active arrival runways (Source: NAV CANADA, <em>Montreal Terminal Operations Manual</em>, with TSB annotations)

    Air traffic control procedures

    Transfer of control responsibility

    The NAV CANADA Manual of Air Traffic Services—Control Service—Area Control Centre provides guidance regarding control responsibility. It states, “[o]nly one ATC [air traffic control] sector/unit is responsible for controlling an aircraft at any given time. The sector/unit transfers control responsibility to the next sector/unit as the flight progresses.”Footnote 24,Footnote 25

    The manual also specifies that controllers must, “[u]nless otherwise coordinated or specified in a unit directive, an agreement, or an arrangement, assume control of an aircraft only after it is in your area of jurisdiction”Footnote 26 and “[c]oordinate and receive approval before permitting an aircraft under your control to enter the airspace under the jurisdiction of another controller.”Footnote 27

    Point-outs

    The NAV CANADA Manual of Air Traffic Services—Control Service—Area Control Centre defines a point-out as “an action taken by a controller to coordinate the radar identification of an aircraft target with another controller, when radio communication will not be transferred.”Footnote 28

    In this occurrence, the airspace northeast of the airport, outside of Montréal terminal airspace, is under control responsibility of the Rawdon sector. Thus, the Rawdon sector controller contacted the DN controller to initiate a verbal transfer of control responsibility of the Cessna. The DN controller acknowledged the information as a point-out and informed the Rawdon sector controller that control responsibility of the Cessna should be transferred directly to the AN controller. The DN controller then informed the AN controller that control responsibility of the Cessna would be transferred directly to him.

    Handoffs

    A handoff is the “process of transferring identification of an aircraft and radio communications for that aircraft to another sector or unit.”Footnote 29 The Manual of Air Traffic Services—Control Service—Area Control Centre provides guidance regarding when to initiate a handoff from one controller (the transferring controller) to another (the receiving controller). When the receiving controller is applying air traffic services surveillance separation, the transferring controller must initiate the handoff before the aircraft enters the receiving controller's airspace and complete it before the aircraft passes the sector boundary. Footnote 30

    Limiting service

    At times, controllers may have to limit the number of aircraft in the airspace for which they are responsible to ensure they can control the aircraft safely and efficiently. This may be accomplished by “instructing aircraft to hold on the ground or in the air [or by] informing an adjacent sector or unit that approval is required before an aircraft can enter [their] area of responsibility.”Footnote 31

    During the evening of the occurrence, because of the shortage of controllers, requests to fly through the Montréal terminal airspace under visual flight rules (VFR) were denied,Footnote 32,Footnote 33 and IFR practice approaches at airports within the Montréal terminal specialty airspace were not permitted.

    Transfer of position responsibility

    A transfer of position responsibility is required when a controller relieves another controller from an operating position or when a sector is opened. During the transfer, the outgoing controller is required to “provide a verbal briefing to the relieving controller using the transfer of responsibility checklist.”Footnote 34

    The Montréal terminal specialty checklist requires the outgoing controller to brief the incoming controller on specific items, such as weather, reports of turbulence, status of the equipment, active special-use airspace, and VFR and IFR aircraft in the sector.Footnote 35

    On-the-job instructor's responsibilities

    The Manual of Air Traffic Services—Control Service —Area Control Centre outlines the OJI's responsibilities:

    The responsibility for position attendance and operation are the same for an OJI with a trainee and a controller working alone. When working as an OJI:

    • Monitor the operation and the trainee.
    • Be prepared to assume operation of the position at any time without requiring the trainee to provide any details of the operation.
    • Whenever safety may be jeopardized, restrict a trainee's involvement in the operation.Footnote 36

    While monitoring the LO controller-in-training, the OJI (who was also the shift supervisor) became distracted by a nearby conversation between the shift scheduler and another controller on duty. As the shift supervisor, the OJI wanted to ensure that the controller in question could work beyond his scheduled completion time to meet staffing requirements for the remainder of the shift.

    Shift supervisor's responsibility

    According to the Montreal ACC Operations Manual, the shift supervisor is “responsible for assigning work positions, ensuring that operations room guidelines are followed, and ensuring that procedures and directives are followed.”Footnote 37 In addition, the manual states, “The shift supervisor for each specialty is responsible for deciding which sectors to open or to combine.”Footnote 38 Considerations when making these decisions include current and forecasted traffic and staff availability.Footnote 39

    Human factors

    Air traffic controller memory

    As discussed in the Handbook of Aviation Human Factors,Footnote 40 ATC is a dynamic and information-rich operational environment. A continuous flow of transient information must be perceived, retained, and retrieved—primarily for use within seconds or minutes—and then discarded. ATC displays provide a large amount of information, and controllers direct their attention to sections of the displays related to on-going tasks and priorities.

    Models of human information processing recognize that working memory (short-term memory) continuously receives, stores, and retrieves information. This allows controllers to retain transient information and produce subsequent outputs. However, working memory has limitations and constraints, and it is particularly vulnerable to intervening events and distraction. Consequently, people can forget even very important information. The capacity of working memory is further constrained in a dynamic environment where there are large amounts of transitory information.

    Forgetting information stored in the working memory (memory lapses) is related to the ability to retrieve critical information. There are generally 2 mechanisms that produce retrieval failure or memory lapse: (1) rapid decay of information and (2) interference. In rapid decay, information becomes less available over time and is replaced with other information. Interference (or distraction) is caused by competing or concurrent activities that demand an attention shift.

    The transient nature and volatility of information in working memory are probably the greatest contributors to operational errors in ATC.Footnote 41 Studies have shown that working memory has high retention of information for about 15 seconds, and minimal retention afterward. Standard operating procedures can help mitigate this factor.Footnote 42

    Adaptation of standard procedures

    Standard procedures are developed to assist controllers in providing air traffic services. When followed, procedures can increase operational efficiency and minimize the requirement for coordination between different sectors or units.

    The Montreal Terminal Operations Manual states that the procedures outlined in the manual “should be followed in order to maintain a simple, structured and consistent operational environment. Any deviation from these procedures which increases coordination must be justified by an appreciable increase in overall operational efficiency.”Footnote 43

    Sometimes, standard procedures are not fully complied with, and practices are adapted. Certain conditions and circumstances can be conducive to such adaptations. For example, when there are no negative consequences, these adaptations can persist and become widespread.

    Situational awareness

    Situational awareness has been defined as “the perception of the elements in the environment within a volume of time and space, the comprehension of their meaning and the projection of their status in the near future.”Footnote 44 This definition cites 3 essential levels of situational awareness that are critical for effective performance in dynamic environments. That is, performance that produces a desired result relies on an individual's ability to take in information (perception) and to understand both its meaning (comprehension) and its implications for the future of the operation (projection).

    Analysis

    The air traffic controllers involved in this occurrence were licensed and qualified for the operation. The controller-in-training was being monitored by a qualified on-the-job instructor (OJI), who was also the shift supervisor. The investigation did not find any indication that the controllers were fatigued.

    The loss of separation resulted from a deviation from standard procedures, memory lapses caused by the number of exchanges of information between controllers, and a loss of full situational awareness. The OJI's distraction due to his other duties as shift supervisor also contributed to the occurrence. This analysis will focus on staffing and transfer of control and position responsibilities.

    Staffing

    According to guidelines for the Montréal terminal specialty, 7 controllers and 1 shift supervisor should have been on duty on the evening of the occurrence. The shortage of 3 controllers at the Montréal terminal specialty resulted in the control of some of the sectors being combined and covered by 3 control positions: DN was responsible for the north departure (DN), south departure (DS), and satellite (SA) sectors; AN was responsible for the north arrivals (AN) and south arrivals (AS) sectors; and LO was responsible only for the low arrivals (LO) sector.

    Before the occurrence, the LO controller became ill and had to leave the operations room. As a result, the LO control position was closed, and control of the LO sector was combined with the AN control position. The LO control position was subsequently reopened, and the shift supervisor assumed responsibility for the sector.

    Combining the sectors in the Montréal terminal specialty because of short staffing, compounded by the sudden illness of the LO controller and the closing and reopening of the LO sector, increased the controllers' areas of responsibility as well as their workload and the level of complexity of the workload.

    Transfer of control responsibility

    According to the NAV CANADA Manual of Air Traffic Services—Control Service—Area Control Centre, controllers should assume control of an aircraft only after it is in their area of jurisdiction and should coordinate and receive approval before permitting an aircraft under their control to enter the airspace under the jurisdiction of another controller, unless the transfer of control responsibility is otherwise coordinated or specified in a unit directive, agreement, or arrangement. The Montreal Terminal Operations Manual specifies that the procedures outlined in the manual should be followed in order to maintain a simple, structured, and consistent operational environment. The manual also specifies that any deviation from these procedures that increases coordination must be justified by an appreciable increase in overall operational efficiency.Footnote 45

    In this occurrence, because the Cessna was approaching Montréal/Pierre Elliott Trudeau International Airport from the northeast at 4000 feet, control responsibility of the aircraft should have been transferred from the Rawdon sector controller to the DN controller and then to the LO controller. However, when the Rawdon sector controller contacted the DN controller to initiate a transfer of control responsibility , the DN controller acknowledged the information as a point-out and verbally coordinated with the Rawdon sector controller to have control responsibility of the aircraft transferred directly to the AN controller, who was also responsible for the LO sector at the time. The DN controller then informed the AN controller that control responsibility of the Cessna would be transferred directly to him. The AN controller agreed, although the aircraft would not be entering his area of responsibility immediately. The transfer of control responsibility of the Cessna from the Rawdon sector controller directly to the AN controller was therefore a deviation from the procedures specified in the Montreal Terminal Operations Manual.

    Although the Rawdon sector controller initiated verbal coordination for the transfer of control responsibility of the Cessna and the DN controller acknowledged it as a point-out, the way control responsibility was transferred directly from the Rawdon sector controller to the AN controller increased the amount of coordination needed among controllers. As a result, a structured and consistent operational environment was not maintained, and the AN controller became responsible for an aircraft outside of his area of responsibility.

    According to the Manual of Air Traffic Services—Control Service—Area Control Centre, since air traffic services radar surveillance separation was being applied in both the AN and LO sectors, the transfer of control responsibility of the Cessna should have been completed before it crossed the boundary separating the 2 sectors. The AN controller should have initiated a handoff. Once the handoff had been accepted by the LO controller, the AN controller should have instructed the Cessna to contact the LO controller on the LO sector frequency. However, in this occurrence, the AN controller forgot about the Cessna, and the handoff was never completed.

    Control responsibility for the Cessna was not transferred from the AN controller to the LO controller-in-training before the Cessna entered the LO sector airspace. Consequently, neither the AN controller nor the LO controller OJI observed the Cessna entering the LO sector airspace on the Canadian Automated Air Traffic System Situation Display (CSiT) until it was pointed out by the LO controller-in-training.

    Transfer of position responsibility

    In accordance with the procedures outlined in the Manual of Air Traffic Services—Control Service—Area Control Centre and the Montreal Terminal Operations Manual, the AN controller provided a transfer of position responsibility briefing to the shift supervisor when he reopened and assumed responsibility for the LO sector. The shift supervisor acknowledged the information and believed that control responsibility of the Cessna would be transferred to him before it entered his sector. However, once the AN controller provided information about the Cessna to the LO controller during the transfer of position responsibility briefing, the AN controller believed that the LO controller was now responsible for the Cessna, although an automated handoff of the Cessna to the LO controller had not been completed, and the Cessna had not been instructed to contact the LO controller on the LO sector frequency.

    After position responsibility for the LO sector was transferred, the AN controller was once again responsible for the AN and AS sectors. Consequently, he returned to concentrating on his usual area of responsibility, which did not include the DN sector airspace, even though the Cessna was flying in that sector and still remained under his control. Since it was uncommon for him to be responsible for aircraft in the DN sector airspace, the AN controller did not include the DN sector when scanning the CSiT.

    Thus, following the transfer of position responsibility for the LO sector, the AN controller concentrated on his usual area of responsibility, which did not include the airspace to the northeast of the airport where the Cessna was flying, and forgot to transfer the Cessna. Rapid decay of information and attention shift contributed to this memory lapse.

    Shortly after the shift supervisor opened the LO sector, the controller-in-training began monitoring the LO control position. The controller-in-training observed the Cessna on the CSiT, which indicated that the aircraft was under the control responsibility of the AN controller.

    After the controller-in-training had familiarized himself with the operation, the OJI provided a verbal briefing, which included aircraft flying under instrument flight rules that were approaching the airport. The Cessna was not visible on the CSiT during the verbal briefing because the CSiT range had been decreased to focus on the area of responsibility for the LO sector. During the verbal briefing and exchange of aircraft information between the OJI and the LO controller-in-training, information about the Cessna was not provided. Therefore, the LO controller-in-training did not have an opportunity to incorporate his knowledge of the converging instrument flight rules traffic into his awareness of the traffic situation.

    While the situation was developing, the LO controller OJI became distracted by a nearby conversation between the shift scheduler and another controller on duty. As the shift supervisor, he wanted to ensure that the controller in question could work beyond his scheduled completion time to meet staffing requirements for the remainder of the shift. The OJI was thus distracted from his OJI responsibilities, from the CSiT, and from the operation; as a result, he did not adequately monitor the developing situation or the operation.

    Findings

    Findings as to causes and contributing factors

    1. Combining the sectors in the Montréal terminal specialty because of short staffing, compounded by the sudden illness of the low arrivals controller and the closing and reopening of the low arrivals sector, increased the controllers' areas of responsibility as well as the workload and the level of complexity of the workload.
    2. The transfer of control responsibility of the Cessna from the Rawdon sector controller directly to the north arrivals controller was a deviation from the procedures in the Montreal Terminal Operations Manual.
    3. A structured and consistent operational environment was not maintained, and the north arrivals controller became responsible for an aircraft outside of his area of responsibility.
    4. Control responsibility for the Cessna was not transferred from the north arrivals controller to the low arrivals controller-in-training before the Cessna entered the low arrivals sector airspace. Consequently, neither the north arrivals controller nor the low arrivals controller on-the-job instructor observed the Cessna entering the low arrivals sector airspace on the Canadian Automated Air Traffic System Situation Display until it was pointed out by the low arrivals controller-in-training.
    5. Once the north arrivals controller provided information about the Cessna to the low arrivals controller during the transfer of position responsibility briefing, the north arrivals controller believed the low arrivals controller was now responsible for the aircraft, although control responsibility had not been transferred to the low arrivals controller.
    6. Following the transfer of position responsibility of the low arrivals sector, the north arrivals controller concentrated on his usual area of responsibility, which did not include the airspace to the northeast of the airport where the Cessna was flying, and forgot to transfer the Cessna.
    7. During the verbal briefing and exchange of aircraft information between the low arrivals controller on-the-job instructor and the low arrivals controller-in-training, information about the Cessna was not provided. Therefore, the low arrivals controller-in-training did not have an opportunity to incorporate knowledge of the converging instrument flight rules traffic into his awareness of the traffic situation.
    8. The low arrivals controller on-the-job instructor was distracted from his on-the-job instructor responsibilities, from the Canadian Automated Air Traffic System Situation Display, and from the operation; as a result, he did not adequately monitor the developing situation or the operation.

    Safety action

    Safety action taken

    The Board is not aware of any safety action taken following this occurrence.

    This report concludes the Transportation Safety Board of Canada's investigation into this occurrence. The Board authorized the release of this report on 03 June 2019. It was officially released on 10 July 2019.

    Appendices

    Appendix A – Montréal/Pierre Elliott Trudeau International Airport aerodrome chart

    Appendix A. Montréal/Pierre Elliott Trudeau International Airport aerodrome chart
    Image
     Montréal/Pierre Elliott Trudeau International Airport aerodrome chart

    Note: NOT TO BE USED FOR NAVIGATION.

    Source: NAV CANADA, Canada Air Pilot (effective 29 March 2018 to 24 May 2018) CAP 5: Quebec.

    Appendix B – Montréal/Pierre Elliott Trudeau International Airport HABBS FOUR ARR standard terminal arrival

    Appendix B. Montréal/Pierre Elliott Trudeau International Airport HABBS FOUR ARR standard terminal arrival
    Image
     Montréal/Pierre Elliott Trudeau International Airport HABBS FOUR ARR standard terminal arrival

    Note: NOT TO BE USED FOR NAVIGATION.

    Source: NAV CANADA, Canada Air Pilot (effective 29 March 2018 to 24 May 2018) CAP 5: Quebec.

    Appendix C – Instrument landing system approach to Runway 24R at Montréal/Pierre Elliott Trudeau International Airport

    Appendix C. Instrument landing system approach to Runway 24R at Montréal/Pierre Elliott Trudeau International Airport
    Image
     Instrument landing system approach to Runway 24R at Montréal/Pierre Elliott Trudeau International Airport

    Note: NOT TO BE USED FOR NAVIGATION.

    Source: NAV CANADA, Canada Air Pilot (effective 29 March 2018 to 24 May 2018) CAP 5: Quebec.

    Appendix D – Instrument landing system approach to Runway 24L at Montréal/Pierre Elliott Trudeau International Airport

    Appendix D. Instrument landing system approach to Runway 24L at Montréal/Pierre Elliott Trudeau International Airport
    Image
     Instrument landing system approach to Runway 24L at Montréal/Pierre Elliott Trudeau International Airport

    Note: NOT TO BE USED FOR NAVIGATION.

    Source: NAV CANADA, Canada Air Pilot (effective 29 March 2018 to 24 May 2018) CAP 5: Quebec.