Air transportation safety investigation A16A0032

Collision with terrain
Mitsubishi MU-2B-60, N246W
Îles-de-la-Madeleine Airport, Quebec, 1.4 nm WSW

The Transportation Safety Board of Canada (TSB) investigated this occurrence for the purpose of advancing transportation safety. It is not the function of the Board to assign fault or determine civil or criminal liability. This report is not created for use in the context of legal, disciplinary or other proceedings. See Ownership and use of content.

Table of contents

    Summary

    On 28 March 2016, a privately operated Mitsubishi MU-2B-60 aircraft (registration N246W, serial number 1552S.A.) departed Montréal/Saint-Hubert Airport, Quebec, on an instrument flight rules flight to Îles-de-la-Madeleine Airport, Quebec. The pilot, a passenger-pilot, and 5 passengers were on board. During the final approach to Runway 07, when the aircraft was 1.4 nautical miles west-southwest of the airport, it deviated south of the approach path. At approximately 1230 Atlantic Daylight Time, aircraft control was lost, resulting in the aircraft striking the ground in a near-level attitude. The aircraft was destroyed, and all occupants were fatally injured. There was no post-impact fire. The 406-megahertz emergency locator transmitter activated. The accident occurred during daylight hours.

    1.0 Factual information

    The International Civil Aviation Organization's (ICAO's) Annex 13 requires states conducting accident investigations to protect cockpit voice recordings. Footnote 1 Canada complies with this requirement by making all on-board recordings —including cockpit voice recorders (CVRs)—privileged in the Canadian Transportation Accident Investigation and Safety Board Act. While the TSB may make use of any on-board recording in the interests of transportation safety, it is not permitted to knowingly communicate any portion of an on-board recording that is unrelated to the causes or contributing factors of an accident or to the identification of safety deficiencies.

    The reason for protecting CVR material lies in the premise that these protections help ensure that pilots will continue to express themselves freely and that this essential material is available for the benefit of safety investigations. The TSB has always taken its obligations in this area very seriously and has vigorously restricted the use of CVR data in its reports. Unless the CVR material is required to both support a finding and identify a substantive safety deficiency, it will not be included in the TSB's report.

    To validate the safety issues raised in this investigation, the TSB has made use of the available CVR information in its report. In each instance, the material has been carefully examined in order to ensure that it is required to advance transportation safety.

    1.1 History of the flight

    On 28 March 2016, the day before the occurrence, a family friend asked whether the pilot could fly him and 4 of his family members from Montréal/Saint-Hubert Airport (CYHU), Quebec, to Îles-de-la-Madeleine Airport (CYGR), Quebec, to attend a family gathering. The family friend had flown to CYGR with the pilot on previous occasions. The pilot agreed to carry out the flight and invited another pilot (hereafter referred to as the passenger-pilot Footnote 2) to accompany him on the flight.

    At 0831 Footnote 3 on 29 March 2016, the pilot filed an instrument flight rules (IFR) flight plan using an Internet-based flight-planning software. The flight plan indicated a total of 6 occupants. Footnote 4 The occurrence flight was to take about 2 hours at a cruise altitude of flight level 230. Footnote 5 The planned alternate aerodrome was Charlottetown Airport (CYYG), Prince Edward Island.

    The pilot obtained a printed copy of the CYGR weather, which forecasted the following at the estimated time of arrival: wind 040° true (T) at 30 knots with gusts to 40 knots; visibility 1½ statute miles (sm) Footnote 6 in light rain and snow; overcast ceiling at 300 feet above ground level (AGL). The pilot also printed the notices to airmen and enroute pilot weather reports (PIREPs). The PIREPs for the intended route did not indicate any significant weather or other conditions that would affect the flight. At 1031, the Mitsubishi MU-2B-60 aircraft departed CYHU with 7 people on board. The pilot occupied the left seat, and the passenger-pilot occupied the right seat.

    At 1033, during the initial climb-out, the pilot engaged the autopilot system. Approximately 15 minutes later, the pilot advised the passenger-pilot that they would fly to CYGR at an enroute altitude of flight level 210.

    During the cruise portion of the flight, and until the initial descent was commenced, the pilot and the passenger-pilot engaged in continual conversation. The passenger-pilot was not familiar with the operation of the MU-2B or high-level flight operations in pressurized aircraft. The pilot provided information on the aircraft's systems and instruments and explained their operation.

    At 1140, when the aircraft was 220 nautical miles (nm) from CYGR, the pilot conducted the approach briefing, including a detailed explanation of the instrument setup and airspeed on the approach, and a step-by-step explanation of the landing technique he intended to use. The pilot indicated he would conduct the approach at 125 knots indicated airspeed (KIAS). He asked the passenger-pilot to look for the runway and to monitor the airspeed because it was important to maintain the airspeed above 120 KIAS, the minimum final approach speed specified in the Special Federal Aviation Regulation (SFAR) training.

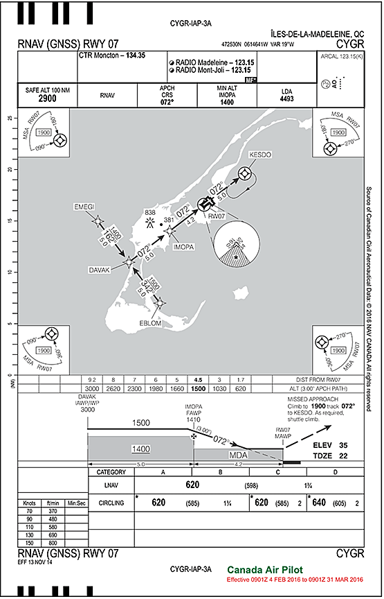
    The pilot briefed the passenger-pilot on the RNAV (GNSS) [area navigation (global navigation satellite system)] approach to Runway 07 (Appendix A). The pilot explained that this approach has a minimum descent altitude (MDA) of 620 feet ASL (598 feet AGL) and a missed approach altitude of 1900 feet ASL. At no time during the briefing did the pilot indicate under what conditions a go-around would be performed, or the procedure to be followed if a missed approach was required.

    In addition to configuring the aircraft for the RNAV (GNSS) approach to Runway 07, the pilot also prepared for the Runway 07 localizer / distance measuring equipment (LOC/DME) approach (Appendix B) and set the appropriate instruments. The MDA for the LOC/DME approach is 140 feet lower than for the RNAV (GNSS) approach. The pilot stated that he preferred the RNAV (GNSS) approach because the autopilot system can remain coupled for the descent and approach. However, the pilot advised the passenger-pilot that, if the ceiling was below the RNAV (GNSS) MDA, he could easily switch to the LOC/DME approach and continue to the lower MDA.

    The briefing was completed at 1152, at which time the aircraft was about 167 nm from CYGR.

    At 1157, when the aircraft was about 145 nm from CYGR, the pilot advised the passenger-pilot that, once the aircraft was in the descent, the initial descent rate would be 1500 feet per minute (fpm). The pilot programmed the aircraft's global positioning system (GPS) so that the aircraft would be at 3000 feet ASL upon reaching the initial approach waypoint (DAVAK), 9.2 nm from the runway. The pilot advised the passenger-pilot that they would request descent from the Moncton Area Control Centre (ACC) controller when the GPS indicated that the descent should be started.

    Shortly thereafter, the pilot advised the passenger-pilot that the descent would be delayed in order to save fuel, since less fuel is consumed at higher altitudes. The pilot also noted that there would be a 40-knot tailwind on descent. Because they would be closer to CYGR than originally planned, the pilot indicated that the aircraft would have to descend at 250 KIAS, which is the aircraft's maximum operating limit speed (VMO). Footnote 7

    The pilot later indicated that, in order to minimize time spent in cloud, the descent would again be delayed, and the descent rate would be increased to 2000 fpm.

    At 1215, when the aircraft was 64 nm from CYGR, the Moncton ACC controller cleared the aircraft to descend to 9000 feet ASL when it was ready to do so and provided the altimeter setting at CYGR as 28.83 inches of mercury (n. Hg). About a minute later, the passenger-pilot asked the pilot when they would start the descent, and asked whether the altimeter should be changed from 29.92 in. Hg to 28.83 in. Hg. The pilot instructed the passenger-pilot to wait until the aircraft had descended below 18 000 feet ASL.

    At 1218, when the aircraft was 51 nm from CYGR, the pilot began a slow descent, initially descending at 800 fpm; the passenger-pilot asked whether he should carry out the descent checklist.

    The pilot agreed and the passenger-pilot began reading the checklist; the associated actions were acknowledged or completed by the pilot. The checklist, consisting of 7 items, took more than 2½ minutes to complete. For several items in the descent checklist, the pilot explained the system associated with that checklist item. The pilot indicated that the propeller and the engine de-ice systems would be selected ON only if the aircraft entered cloud or if the ice detector light Footnote 8 illuminated. During the discussions, the pilot indicated that the flaps and landing gear would be selected down when the aircraft was travelling at 175 KIAS.

    About 4 minutes after the descent was initiated, the descent rate had increased to 1800 fpm. This was inconsistent with the pilot's revised plan to descend at 2000 fpm.

    Once the descent checklist was complete, the pilot instructed the passenger-pilot to call the CYGR flight service station (FSS) specialist to obtain the latest weather report. The pilot spent the next 40 seconds explaining to the passenger-pilot how to select the correct frequency on the second radio and how to operate the radio. At 1222:47, while the passenger-pilot was obtaining the weather information from the CYGR FSS, the aircraft's rate of descent increased to 2000 fpm.

    At 1223, the Moncton ACC controller contacted the pilot and advised him of an aerodrome special meteorological report (SPECI) that had been issued at 1217 for CYGR. The pilot indicated that he had obtained current weather information from the CYGR FSS, and the controller then cleared the aircraft to descend to 7000 feet ASL and asked which approach was planned. The pilot indicated that the requested approach was the RNAV (GNSS) approach to Runway 07. The controller then cleared the aircraft to DAVAK. The passenger-pilot read the weather information obtained from the CYGR FSS, which was wind 070° magnetic (M) at 19 knots with gusts to 24 knots; 2 sm visibility; a broken layer of cloud (ceiling) based at 200 feet AGL; and an overcast layer based at 800 feet AGL.

    Although the ceiling was lower than the MDA, there was no discussion or concern noted by either the pilot or the passenger-pilot. The pilot merely indicated that the controller had cleared the aircraft to DAVAK.

    At 1224, as the aircraft descended through 12 000 feet ASL, the airspeed was 245 knots, Footnote 9 and the descent rate was 2300 fpm. The pilot indicated that the airspeed was high and that the power needed to be reduced. The power levers were reduced, and the gear warning horn silence button was depressed to prevent the horn Footnote 10 from activating.

    At 1225:13, the passenger-pilot once again asked the pilot whether the altimeter setting should be changed from 29.92 in. Hg to 28.83 in. Hg, the current altimeter setting for CYGR. The pilot agreed and, as the aircraft descended through 10 400 feet indicated altitude, both the pilot and passenger-pilot set their altimeters to the new setting. Footnote 11

    At 1225:22, the controller cleared the aircraft for the Runway 07 RNAV (GNSS) approach via DAVAK and advised the pilot to contact the CYGR FSS. The passenger-pilot contacted the CYGR FSS and stated that the aircraft was cleared for the Runway 07 RNAV (GNSS) approach via DAVAK. The FSS specialist requested the aircraft's position, altitude, and estimated time of arrival. The passenger-pilot said that they were at 6800 feet ASL in the descent, 4.7 nm from DAVAK, and estimated to arrive at CYGR in 3 minutes. At this time, the aircraft was descending at 2500 fpm, with a speed of 240 knots.

    At 1226:35, the CYGR FSS specialist advised that the winds were 060°M at 18 knots gusting to 24 knots; the altimeter was 28.84 in. Hg; and the Runway 07/25 surface condition was 100% bare and wet. The passenger-pilot acknowledged this call.

    At 1227:06, the pilot asked the passenger-pilot what altitude they could descend to at DAVAK; the passenger-pilot indicated that the procedure crossing altitude was 3000 feet ASL. The CYGR FSS specialist then called and stated that the runway approach lighting system was at maximum intensity.

    At 1227:14, the aircraft crossed DAVAK on a heading of 114°M at 4500 feet ASL—1500 feet higher than the published procedure crossing altitude. The aircraft was descending at 1600 fpm and at an airspeed of 238 knots—about 100 knots above the recommended approach speed of 140 KIAS. Footnote 12 This resulted in the aircraft deviating significantly from the inbound course of 072° and subsequently proceeding on a meandering flight path.

    At this point, the pilot's workload had increased significantly. There was no time available during the approach to carry out the approach checklist or the before-landing checklist.

    At 1227:36, the airspeed was 226 knots—about 85 knots above the recommended approach speed of 140 KIAS. The power levers were then reduced to idle, causing the gear warning horn to activate. The pilot then cancelled the gear warning horn.

    At about 7 nm from the runway, as the aircraft descended from 3600 feet ASL to 2800 feet ASL, the wind shifted from a southerly wind component to a headwind component of approximately 20 to 25 knots.

    At 1228:23, at 5.8 nm from the runway, the aircraft reached about 3000 feet ASL, and the pilot advised the passenger-pilot that, because the aircraft was very high, the rate of descent would have to be increased.

    At 1228:45, the pilot indicated he was going to slow down to reach the flap and gear extension speed; otherwise, the aircraft would not be able to land. The pilot also commented that the aircraft was too high.

    Almost immediately afterwards, the aircraft crossed IMOPA—the final approach waypoint, 4.2 nm from the runway—at 2200 feet ASL, which is 790 feet above the published crossing altitude of 1410 feet ASL. The aircraft was descending at 1900 fpm, the speed was 188 knots—about 50 knots above the recommended approach speed of 140 KIAS—and the power levers remained at idle.

    At 1229:22, when the aircraft was 2.7 nm from the runway, the airspeed had decreased to 175 knots—35 knots above the recommended approach speed of 140 KIAS—and the descent rate had been reduced to 1200 fpm. At this time, the landing gear was lowered and the flaps were set to 5°. The aircraft continued to descend, and the airspeed continued to slow.

    At 1229:34, the aircraft was at 1250 feet ASL; 6 seconds later, it was at 1000 feet ASL. The pilot indicated that the rate of descent had to be further reduced and noted that the aircraft radio altimeter was set at 600 feet AGL.

    At 1229:58, when the aircraft was 1.6 nm from the runway at approximately 600 feet AGL, the passenger-pilot indicated he could see the ground on the right side of the aircraft. Although the pilot acknowledged this, he did not indicate that he had visual contact with the runway environment. Four seconds later, the pilot stated that he would continue the approach and fly the aircraft manually.

    The pilot then disconnected the autopilot system as the radio altimeter automated audio call of "500" sounded, indicating that the aircraft was 500 feet above the terrain. At the same time, the pilot emphasized the need to watch that the airspeed did not become too slow. At that point, the airspeed had decreased to 99 knots, within a few knots of the stall speed of 95 knots. The pilot rapidly advanced the power levers to their full forward position. This increased the engine power to maximum.

    Immediately following the power application, the aircraft experienced an upset, yawed, and quickly rolled to the right, exceeding a 70° angle of bank, and then rapidly descended. The pilot was caught by surprise and reacted by trying to counteract these conditions. At approximately 150 feet AGL, the aircraft regained a wings-level attitude. However, the aircraft was still descending at a high rate and had not regained the loss of altitude resulting from the upset. During this time, the aircraft's rate of descent increased from 1350 fpm, reaching a maximum of 4600 fpm. There was insufficient altitude to recover the aircraft.

    At 1230:12, the aircraft struck the ground 1.4 nm west-southwest of CYGR, in a left-wing-low, nose-high attitude on a 130°M heading (Figure 1). The aircraft came to rest about 300 feet from the initial impact point on the same heading, about 1100 feet south of the extended runway centreline of Runway 07 (Figure 2). The aircraft was destroyed, and all occupants were fatally injured.

    Figure 1. Flight path (Source: Google Earth, with TSB annotations)
    Image
    Flight path (Source: Google Earth, with TSB annotations)
    1. 4.7 nm from DAVAK, 6800 feet ASL, 240 knots, 2500 fpm descent
    2. At DAVAK, 4500 feet ASL, 238 knots, 1600 fpm descent (1500 feet above the published crossing altitude, about 100 knots above the recommended approach speed)
    3. At IMOPA, 2200 feet ASL, 188 knots, 1900 fpm descent (790 feet above the published crossing altitude, about 50 knots above the recommended approach speed; gear and flaps should be set)
    4. 2.7 nm from the runway, 1440 feet ASL, 1200 fpm descent, 175 knots, gear and flaps selected (the aircraft should be levelling at 620 feet ASL and slowing to 125 KIAS)
    5. Impact: 1.4 nm from the runway and about 1000 feet south of the centreline

    At no time during the approach did the pilot discuss discontinuing the approach as an option available to reduce the workload. Additionally, neither the pilot nor the passenger-pilot indicated that the aircraft had encountered icing conditions, that the ice detector light was illuminated, or that additional de-icing or anti-icing systems should be selected ON.

    Several local residents witnessed the crash, and a 911 call was made at 1231. Local residents also called the CYGR FSS to report that an aircraft had crashed. Shortly after the accident, the FSS received a call from the 911 operator requesting the number of persons on board. The FSS specialist reviewed the flight plan and noted that the section with this information was not attached and, therefore, the number of persons on board could not be provided at that time.

    The FSS specialist notified the Moncton ACC controller that the aircraft had crashed, then contacted NAV CANADA's Montréal ACC, Footnote 13 where the original flight plan was filed, to determine whether they could provide the number of persons on board; however, this information was not available.

    At 1345, the first responders determined that there had been 7 occupants on board.

    Figure 2. Accident site
    Image
    Accident site

    1.2 Injuries to persons

    Table 1. Injuries to persons
    Crew Passengers Others Total
    Fatal 1 6 7
    Serious 0 0 0
    Minor/None 0 0 0
    Total 1 6 7

    1.3 Damage to aircraft

    The aircraft was destroyed.

    1.4 Other damage

    About 1000 pounds of jet fuel contaminated the soil at the site, which was a field adjacent to a residential area. An environmental clean-up was carried out.

    1.5 Personnel information

    1.5.1 Pilot

    Table 2. Pilot information
    Pilot licence Airline transport pilot licence
    Medical expiry date 01 December 2016
    Total flying hours* 2500
    Flight hours on type* 125
    Flight hours in the last 7 days 0
    Flight hours in the last 30 days* 4.3
    Flight hours in the last 90 days* 19.1
    Flight hours on type in the last 90 days* 19.1

    * The pilot's logbook was not located; all times are based on the pilot's electronic logbook and aircraft electronic records.

    The pilot had obtained a Canadian airline transport pilot licence (ATPL) and a multi-engine rating in 2010. A Group 1 instrument rating endorsement was renewed on 02 May 2014 and was valid until 01 June 2016.

    The pilot also held a U.S. Federal Aviation Administration (FAA) private pilot certificate, issued on 12 June 2014.

    He had flown a variety of single- and multi-engine aircraft; however, the MU-2B was the first high-performance aeroplane Footnote 14 that the pilot had flown.

    1.5.1.1 Pilot-in-command of a U.S.-registered MU-2B aircraft

    To be a pilot-in-command (PIC) of a U.S.-registered MU-2B aircraft, a pilot must hold "an airplane category and multi-engine land class rating, and [have] logged a minimum of 100 flight hours of PIC time in multi-engine airplanes." Footnote 15 The pilot must also have completed the SFAR No. 108 training, Footnote 16 and his or her logbook must be endorsed by a certified flight instructor who states that the pilot meets the SFAR requirements.

    In July 2014, the pilot had completed initial MU-2B-60 on-aircraft training in the U.S., including the SFAR No. 108 training requirements. In June 2015, the pilot completed recurrent MU-2B-60 training using an MU-2B simulator, in accordance with the SFAR No. 108 requirements.

    The occurrence pilot had fulfilled all the requirements related to operating the MU-2B aircraft under the privileges of his FAA-issued private pilot certificate. The pilot was certified and qualified for the occurrence flight in accordance with existing U.S. regulations.

    1.5.1.2 Pilot's experience on the MU-2B aircraft

    The pilot's experience on the MU-2B-60 included 100 hours flown under the supervision of an MU-2B–qualified pilot. Although the aircraft was certified for single-pilot operations, the supervised hours were completed to comply with aircraft insurance requirements so that the pilot could act as PIC of the aircraft. Subsequently, the pilot flew the aircraft for approximately 25 hours as PIC, and most of these hours were with other passenger-pilots who held an IFR rating.

    1.5.1.3 Pilot's practices related to flying the MU-2B aircraft

    The pilot's practice was to fly the aircraft with other pilots who held a multi-engine IFR rating, referred to in this report as "passenger-pilots." These passenger-pilots were not assigned any specific flying duties and were not paid to accompany the pilot; such flights were seen as an opportunity for them to become familiar with the aircraft. Although these passenger-pilots were not type-rated on the MU-2B, they did carry out basic crew-related functions, such as following checklists, performing radio communications, and operating the GPS.

    None of the passenger-pilots who would typically accompany the pilot were available for the occurrence flight to CYGR. The passenger-pilot who was contacted and agreed to go on the flight had never flown with the occurrence pilot before.

    1.5.2 Passenger-pilot

    The passenger-pilot held a Canadian commercial pilot licence (aeroplane), with a class 3 instructor and multi-engine rating. The passenger-pilot's licence was also endorsed with a Group 1 instrument rating, valid until 01 December 2017. At the time of the occurrence, the passenger-pilot had 834.2 total flying hours, which included 111.3 hours of multi-engine and 85.4 hours of IFR flight time. The passenger-pilot also held an FAA commercial pilot certificate, which had been issued on 18 March 2014. He had no previous experience on the MU-2B.

    1.6 Aircraft information

    1.6.1 General

    The MU-2B-60 is a high-performance, twin-engine, turbo-prop aircraft certified for single-pilot operations (Figure 3). Footnote 17 It is a high-wing aircraft with a pressurized cabin, retractable tricycle landing gear, and counterclockwise-rotating propellers. The aircraft has a spoiler Footnote 18 system instead of ailerons Footnote 19 for roll control, which allows for a full span-wing flap.

    Figure 3. The occurrence aircraft (Source: Daniel Villeneuve)
    Image
    The occurrence aircraft (Source: Daniel Villeneuve)

    The MU-2B-60 type certificate data sheet indicates that the aircraft was originally certified with a seating configuration for 8 to 11 passengers.

    1.6.2 Occurrence aircraft information

    Table 3. Aircraft information
    Manufacturer Mitsubishi Heavy Industries, Ltd.*
    Type, model, and registration Airplane MU-2B-60 N246W
    Year of manufacture 1982
    Serial number 1552S.A.
    Certificate of airworthiness issue date 13 May 1982
    Total airframe time 11 758.5 hours**
    Engine type (number of engines) Honeywell TPE-331 (2)
    Propeller (number of propellers) Hartzell, HC-B4TN-5JL (2)
    Maximum allowable take-off weight 11 575 pounds
    Recommended fuel type(s) Jet A, Jet A-1, Jet B
    Fuel type used Jet A-1

    * According to the type certificate data sheet, "Mitsubishi Heavy Industries America Inc. […] is licensed by Mitsubishi Heavy Industries, Ltd. to maintain the type design […] for the Model MU-2B series airplanes listed in [the sheet]."

    ** This time was based on the aircraft's Hobbs hour meter.

    The occurrence aircraft was equipped with 6 passenger seats, configured as 3 rows of 2 seats: 2 rows aft-facing and 1 row forward-facing.

    The aircraft was equipped with a 406-megahertz emergency locator transmitter, which activated during the occurrence and emitted a signal.

    1.6.3 Weight and balance

    The investigation could not locate weight and balance information for the occurrence flight.

    Although the flight plan indicated a total of 6 persons on board, the aircraft actually departed with 7 persons on board: 5 men and 2 women.

    During the investigation, weight was calculated based on the aircraft departing with full fuel and on the luggage and on-board aircraft equipment recovered after the occurrence. The calculations also considered various weight configurations (actual/standard, Footnote 20 number of occupants, and male/female ratio Footnote 21) (Table 4).

    Table 4. Aircraft weight calculations
    Weights used* Actual Standard Standard Standard
    Number of occupants (pilot, passenger-pilot and passengers) 7 7 6 6
    Number of passengers (male/female ratio) 3 males, 2 females 3 males, 2 females 2 males, 2 females 3 males, 1 female
    Basic aircraft empty weight 7775.88 7775.88 7775.88 7775.88
    Pilot's and passenger-pilot's combined weight 315 400 400 400
    Passengers' weight 855 930 730 765
    Luggage and aircraft equipment weight 174 174 174 174
    Fuel 2700 2700 2700 2700
    Fuel weight deducted for taxi −50 −50 −50 −50
    Total weight at takeoff 11 769.88 11 929.88 11 729.88 11 764.88
    Weight in excess of maximum allowable take-off weight 195 355 155 190

    * All weights are in pounds.

    In all circumstances, the aircraft weight exceeded the maximum allowable take-off weight of 11 575 pounds.

    Among other factors, exceeding the maximum allowable take-off weight affects the take-off performance of an aircraft. Although the take-off weight did not play a contributory role in this occurrence, if the weight of an aircraft exceeds the certified maximum take-off weight, there is a risk of aircraft performance being degraded, which may jeopardize the safety of the flight.

    For the occurrence flight, when actual weights for all occupants were used, the investigation determined that the centre of gravity was within prescribed limits. Although the aircraft was within weight limits at the time of the accident, the aircraft exceeded the maximum allowable take-off weight by about 195 pounds on departure.

    1.6.4 Maintenance

    1.6.4.1 General

    Records indicate that the aircraft was certified and equipped in accordance with existing regulations and approved procedures.

    From the time the occurrence aircraft was registered to its current owner (in June 2014), all of the maintenance work was carried out in Canada by either the pilot's approved maintenance organization or Canadian-licensed aircraft maintenance engineers with the required qualifications and authorizations. All work was completed in accordance with the Maintenance Implementation Procedures. Footnote 22

    There was no report of any technical difficulties before the occurrence flight, nor was there any indication of a component or system failure during the flight.

    1.6.4.2 Airworthiness Directive 2006-17-05

    FAA Airworthiness Directive (AD) 2006-17-05 for the MU-2B series aircraft was issued

    to detect and correct improper adjustment of the flight idle fuel flow setting. This condition, if uncorrected, could result in degraded performance and poor handling qualities with consequent loss of control of the airplane in certain situations. Footnote 23

    The AD was to be complied with "within 100 hours time-in-service (TIS) after [the effective date of the AD] and repetitively thereafter at intervals not to exceed 100 hours TIS." Footnote 24

    The procedures to comply with the AD were identified in Service Bulletin (SB) No. 097/73-001 issued by Mitsubishi Heavy Industries, Ltd. (MHI). This SB provided the following background information:

    It has come to MHI's attention that some operators may be improperly adjusting the flight idle fuel flow setting on the engines to allow a higher than normal sink rate when flight idle power is selected. […] Operation outside of the specifications may result in unsafe flight characteristics during landing or in the event of a stall. In particular, improper settings may cause one or both of the propellers to go into Negative Torque Sensing (NTS) mode which may result in unsafe flight characteristics. Footnote 25

    The NTS is a system in the turboprop engine that prevents excessive propeller drag on a failed engine by controlling the pitch of the propeller blades. If the engine suddenly loses power while in flight, and excess negative torque is applied to the engine, the NTS system hydraulically actuates the propeller-feathering valve to move the propeller blades automatically toward their feathered position. The system is designed so that it will not activate under conditions associated with a high-speed descent with the power levers set at flight idle.

    The SB required a flight check to be performed by a qualified pilot,

    To assure the engine and propeller rigging is adjusted within manufacturer's specifications and to prevent potential degraded flight handling qualities associated with the flight idle power being set asymmetrically or too low. Footnote 26

    While performing the flight check, the pilot was also required to verify that there were "no indications of propeller NTS operation." Footnote 27

    Once the flight check had been successfully completed, an entry was required in the aircraft logbook showing compliance with the AD. Footnote 28 In 2015, the pilot had performed the flight check and made the required logbook entry. There was no indication that the aircraft's performance was outside the specifications or that the propeller NTS had operated during the flight check.

    Between the time of the 2015 flight check and the accident flight, there was no record of any adjustments made to the rigging of the engine or propeller controls.

    Maintenance records indicated that a check for compliance with AD 2006-17-05 was due to be repeated, because the occurrence aircraft had logged about 106 hours time in service since the previous flight check for compliance had been carried out. Although there was a technical logbook entry showing that the flight check was required, there was no indication that it had been performed. The investigation reviewed the flights carried out after the date of the logbook entry and determined that the flight check had not been carried out. Although the aircraft was not in compliance with AD 2006-17-05 at the time of the occurrence, there was no indication that it was operating outside of the directive's specifications.

    1.6.5 Aircraft systems

    1.6.5.1 Stall warning system

    The Mitsubishi MU-2B-60 Pilot's Operating Manual provided the following information for the stall warning system:

    As the airplane approaches a stall, a lift transducer mounted in the leading edge of the right wing responds to changes in airflow over the wing [...] and actuates the shaker 4 to 9 [knots] before the stall. [...] The lift transducer incorporates a heater element for ice protection. During flight conditions when ice accumulates on the wing leading edge, the stall warning system may not always actuate the stick shaker prior to stall. Flight tests have demonstrated however, that natural aerodynamic buffet precedes the stall. Footnote 29

    1.7 Meteorological information

    1.7.1 General

    An aviation routine weather report (METAR) is normally taken and disseminated on the hour. It describes the actual weather conditions at a specified location and time, as observed from the ground. It is based on observations made by qualified personnel.

    At CYGR, hourly METARs are issued by NAV CANADA FSS specialists. If there are significant changes in weather conditions between these hourly observations, the specialists issue a SPECI. Footnote 30

    1.7.2 Weather received by the pilot before departure

    A SPECI issued on 29 March 2016 at 0835 indicated wind 070°T at 23 knots with gusts to 33 knots; visibility 3 sm in light rain and mist; overcast cloud at 300 feet AGL; temperature 0°C; dew point 0°C; and altimeter 28.87 in. Hg.

    The aerodrome forecast (TAF) Footnote 31 issued on 29 March 2016 at 0738 indicated that, starting a 1200 and for the period of arrival, the weather would be wind 040°T at 30 knots with gusts to 40 knots; visibility 1½ sm in light rain and snow; overcast cloud at 300 feet AGL; temperature 1 °C.

    A temporary change in weather (TEMPO) was forecasted between 1200 and 1400 as follows: forecasted visibility 3 sm in light rain and mist; overcast cloud at 600 feet AGL. The winds were forecasted to become stronger as the day progressed. From 1400, the wind was forecasted to be 360°T at 40 knots gusting to 55 knots; visibility 1 sm in light snow and blowing snow. From 1600, the wind was forecasted to be 350°T at 45 knots gusting to 60 knots.

    At the time of takeoff from CYHU, the weather at CYGR was suitable for the occurrence aircraft to depart and conduct an approach. Footnote 32 The winds were forecasted to become substantially stronger as the day progressed. This and other operational factors resulted in several commercial operators cancelling flights planned for later in the day.

    1.7.3 Îles-de-la-Madeleine weather issued while aircraft was en route

    The TAF issued on 29 March 2016 at 1041 for CYGR indicated wind 050°T at 30 knots with gusts to 40 knots; visibility 1½ sm in light rain, snow, and mist; overcast cloud at 300 feet AGL. A TEMPO from 1100 to 1400 forecasted visibility 3 sm in light rain and mist; overcast cloud at 800 feet AGL; and a 30% probability between 1300 and 1400 of ¾ sm visibility in light snow and blowing snow with a vertical visibility of 600 feet AGL.

    A SPECI for CYGR issued on 29 March at 1217 indicated wind 050°T at 17 knots with gusts to 27 knots; visibility 2 sm in light rain and mist; broken cloud at 200 feet AGL with overcast cloud at 800 feet AGL; temperature 0 °C; dew point 0 °C; and altimeter 28.84 in. Hg.

    The actual weather at CYGR received from the CYGR FSS on 29 March at 1223:54 was wind 070°M at 19 knots with gusts to 24 knots; visibility 2 sm; and broken cloud at 200 feet AGL. At 1226:37, it was wind 060°M at 18 knots with gusts to 24 knots.

    1.7.4 Îles-de-la-Madeleine weather issued after the accident

    Another SPECI was issued for CYGR on 29 March at 1248, about 18 minutes after the accident, which indicated wind 040°T at 20 knots with gusts to 27 knots; visibility 2 sm in light rain and mist; overcast cloud at 200 feet AGL; temperature 0 °C; dew point 0 °C; and altimeter 28.84 in. Hg.

    The 1300 METAR for CYGR indicated wind 040°T at 20 knots with gusts to 28 knots; visibility 2 sm in light rain and mist; overcast cloud at 200 feet AGL; temperature 0 °C; dew point 0 °C; and altimeter 28.84 in. Hg.

    1.7.5 Charlottetown Airport

    The weather at CYYG (alternate aerodrome) on 29 March at 1300 was forecasted to be wind 330°T at 35 knots gusting to 50 knots; visibility 1 sm in light snow and blowing snow; vertical visibility of 800 feet AGL. A TEMPO between 1300 and 1700 forecasted visibility 3 sm in light snow and blowing snow, with an overcast ceiling of 1200 feet AGL.

    1.7.6 Turbulence and icing

    At the TSB's request, after the occurrence, Environment and Climate Change Canada conducted an assessment of the meteorological conditions at CYGR before and around the time of the accident. The assessment concluded that, under the weather conditions at the time of the accident, there was potential for moderate mixed icing in cloud below 10 000 feet ASL and moderate mechanical turbulence below 3000 feet AGL. Footnote 33

    Throughout the flight, there was no indication of turbulence, icing conditions, or ice build-up on the aircraft. Therefore, turbulence and icing were not considered factors in this occurrence.

    1.8 Aids to navigation

    CYGR navigational aids serving the 3 available IFR approaches for Runways 07, 25, and 16 include

    • RNAV (GNSS) for the 3
    • LOC and DME for Runway 07;
    • very high-frequency omnidirectional range (VOR) and DME approaches for Runways 16 and 25; and
    • VOR approaches for Runways 16 and 25.

    These navigational aids were serviceable at the time of the occurrence.

    The occurrence aircraft had the appropriate equipment to conduct both the RNAV (GNSS) approach and the LOC/DME approach for Runway 07, and this equipment was serviceable at the time of the occurrence.

    In the vicinity of CYGR, radar coverage for flight-following purposes is not available below 8000 feet.

    1.9 Communications

    No difficulties with the quality of radio transmissions were noted throughout the flight.

    1.10 Aerodrome information

    CYGR has 2 asphalt runways: Runway 07/25 is 4493 feet long and Runway 16/34 is 3608 feet long.

    Runway 07 is oriented 072°M with a touchdown elevation of 22 feet ASL. The runway is serviced by a precision approach path indicator, which projects a 3° slope and is suitable for aircraft with an eye-to-wheel height of 25 feet. The runway is equipped with threshold and end lights, medium-intensity runway edge lights, and a medium-intensity omnidirectional approach lighting system extending 1500 feet from the threshold.

    At the time of the occurrence, there was a notice to airmen indicating that the last sequenced flashing light on Runway 07 was unserviceable.

    1.11 Flight recorders

    The aircraft was not equipped with a flight data recorder (FDR) or a cockpit voice recorder (CVR) as defined in CARs section 605.33. Neither of these was required by regulation.

    1.11.1 Wi-Flight GTA02 flight data recorder system

    The aircraft was equipped with a General Aviation Safety Network Footnote 34 Wi-Flight GTA02 FDR system, which the manufacturer markets as a portable, automatic FDR for the purpose of flight operations quality assurance and flight data monitoring.

    The Wi-Flight GTA02 FDR is based on a smartphone, with extensive software customization options. Although this system was not designed or marketed to meet the requirements of CARs section 605.33, it does record cockpit ambient sound, complete cockpit voice audio from the radio microphones, GPS information, and acceleration data (Appendix C). The system can automatically generate alerts after the flight, when certain parameters of the recorded flight are exceeded by either pilot inputs or unsafe flight conditions. "After landing [the recorder] automatically uploads its data contents via [...] Wi-Fi access points, any open Wi-Fi or optional 3G/4G cellular upload." Footnote 35

    The GTA02 FDR system was installed by a TC-approved maintenance organization in accordance with the Maintenance Implementation Procedures. The recorder was installed in the mounting bracket supplied by the manufacturer, which was permanently fastened to the top of the radio-mounting rack. Electrical power for the recorder was supplied by a separate stand-alone cigar lighter socket that had been permanently mounted under the cockpit instrument panel. The electrical power wiring was secured using cable ties.

    All data for the occurrence flight was successfully extracted from the Wi-Flight GTA02 FDR system.

    1.11.2 TSB-privileged on-board recording

    The Canadian Transportation Accident Investigation and Safety Board Act (CTAISB Act) defines on-board recordings and the protections offered as privileged under section 28 as follows (emphasis in original):

    Definition of "on-board recording"

    • 28(1) In this section, on-board recording means the whole or any part of
      1. a recording of voice communications originating from, or received on or in,
        1. the flight deck of an aircraft, [...]
      2. a video recording of the activities of the operating personnel of an aircraft, ship, locomotive or pipeline

    that is made, using recording equipment that is intended to not be controlled by the operating personnel, on the flight deck of the aircraft [...], and includes a transcript or substantial summary of such a recording.

    Privilege for on-board recordings

    1. Every on-board recording is privileged and, except as provided by this section, no person, including any person to whom access is provided under this section, shall
      1. knowingly communicate an on-board recording or permit it to be communicated to any person […]. Footnote 36

    The TSB determined that, because the General Aviation Safety Network Wi-Flight GTA02 FDR system was installed in the occurrence aircraft such that it was not intended to be controlled by the operating personnel on the flight deck of the aircraft, the recorded voice communications were privileged in accordance with the CTAISB Act.

    1.12 Wreckage and impact information

    1.12.1 General

    During the approach to Runway 07, the aircraft struck the base of a hill in a left-wing-low, nose-high attitude, 1.4 nm west and 1000 feet south of the runway centreline (Figure 4). The aircraft momentarily became airborne again, then struck the ground and slid for about 100 feet before coming to rest.

    Figure 4. Impact sequence
    Image
    Impact sequence
    1. First point of impact
    2. Top of slope and end point of initial ground scars (aircraft airborne)
    3. Second point of impact
    4. Final resting position of main aircraft wreckage

    Propeller strikes were found in the ground on both sides of the initial impact site: 3 strikes on the left side and 2 on the right side. Measurements of these strikes indicated that the engines were driving both propellers and producing power at impact. Based on the analysis of the propeller strikes and the flight data, the investigation determined that the aircraft struck the ground at a ground speed of about 100 knots and a descent rate of approximately 4000 fpm.

    During the impact sequence, the pilot's seat separated from its floor tracks. The passenger-pilot's seat remained connected to the cockpit floor. The bottom frame of both seats was deformed, and portions of the seats' structure failed. Both rows of aft-facing passenger seats separated from their supporting structure (floor and wall). The aft-facing passenger seat on the forward left side was not occupied during the occurrence flight. The 2 forward-facing passenger seats remained connected to the wall structure but separated from the floor structure.

    The centre section of the wing remained on top of the fuselage, but was displaced to the left and rotated, indicating that its connections to the fuselage had failed. The upper fuselage section underneath the wing was visibly crushed by the weight of the wing. The cabin section was crushed and had an opening that extended across the top of the fuselage, terminating near the forward, lower corner of the main entrance door. As a result of the crushed cabin, only the occupant in the forward right seat had sufficient occupiable volume. The nose landing gear and the left main landing gear had separated, as had the empennage.

    The investigation confirmed the integrity of the aircraft flight control systems and accounted for all aircraft components, which indicated that there was no structural failure before impact.

    1.12.2 Stall warning system

    The stall warning system was tested at the TSB Engineering Laboratory, with the system's flap position potentiometer set to 5° and the signal from the landing gear set to "flight" mode. When the stall vane was moved to indicate a stalled wing, the stick shaker activated as designed. Although it was not possible to determine whether the stall warning was calibrated correctly, the stall warning system would have been capable of indicating a stall during the occurrence approach.

    The investigation could not determine whether the stick shaker activated during the occurrence flight, given that the Wi-Flight system was not designed to record aircraft audio alerts.

    1.13 Medical and pathological information

    The investigation determined that there was nothing to indicate that the pilot's performance was degraded by medical or physiological factors.

    All occupant injuries reported by the coroner were consistent with vertical acceleration forces of 80g Footnote 37 to 100g. Footnote 38 All occupants received fatal injuries during the initial impact with terrain.

    1.14 Fire

    There was no evidence of a pre- or post-impact fire.

    1.15 Survival aspects

    The aircraft had 2 distinct ground impacts. The investigation calculated the peak vertical acceleration, which was reached during the first impact, to be about 78g for 0.06 seconds. Research has established that a vertical g force of this magnitude causes severe injuries even if the aircraft structure and restraints provide maximum attenuation of impact forces. Footnote 39

    All occupants had been wearing the available seatbelts.

    1.16 Tests and research

    1.16.1 TSB laboratory reports

    The TSB completed the following laboratory reports in support of this investigation:

    • LP073/2016 – Light Bulb Analysis
    • LP075/2016 – Wreckage Examination
    • LP076/2016 – Audio Synchronization
    • LP077/2016 – Flight Data Analysis
    • LP078/2016 – Crashworthiness Examination
    • LP081/2016 – Site Survey
    • LP082/2016 – Propeller Examination
    • LP083/2016 – Download of TAWS [terrain awareness and warning system]
    • LP084/2016 – Instrument Analysis
    • LP085/2016 – Flight Control Continuity
    • LP281/2016 – Oxygen Bottle Pressure Gauge Examination

    1.17 Organizational and management information

    1.17.1 General

    The occurrence aircraft was purchased in June 2014 by Marquise Aviation Corp. Trustee (Marquise), a U.S. corporation registered in Wilmington, Delaware, United States. Marquise authorized the pilot to make decisions on behalf of the corporation. The aircraft was registered in the U.S. and was privately operated under Part 91 of Title 14 of the Code of Federal Regulations (CFR), "General operating and flight rules."

    1.17.2 Aircraft registration

    Although the occurrence aircraft was still registered in the U.S., it had been permanently based at CYHU since its purchase, operating within Canada and, on occasion, to the United States.

    CARs section 202.42, under Division V—Operation of Foreign Aircraft, specifies the period of time that foreign-registered aircraft are permitted to operate in Canada. However, TC does not monitor or track the number of days foreign-registered aircraft are in Canada during a given 12-month period.

    CARs section 202.42 states (emphasis added):

    1. Subject to section 203.03, no person shall operate in Canada an aircraft that is registered in a foreign state that has been present in Canada for a total of 90 days or more in the immediately preceding twelve-month period unless
      1. the foreign state is a contracting state;
      2. the operator of the aircraft is
        1. the foreign state,
        2. an individual who is not a Canadian citizen or a permanent resident but is a citizen or subject of the foreign state, or
        3. an entity that is incorporated or otherwise formed under the laws of the foreign state; and
      3. if the operator of the aircraft is an entity described in subparagraph (b)(iii), the aircraft is operated in Canada
        1. in accordance with an air operator certificate, or
        2. in any operation other than an operation that would require a private operator certificate if the aircraft were registered in Canada. Footnote 40

    CARs section 604.03 establishes which types of Canadian-registered aircraft require a private operator registration document (PORD) Footnote 41 (emphasis added):

    1. Subject to subsection (2), no person shall operate any of the following Canadian aircraft for the purpose of transporting passengers or goods unless the person is the holder of a private operator registration document:
      1. a large aeroplane;
      2. a turbo-jet-powered aeroplane; or
      3. a turbine-powered pressurized aeroplane certificated for more than six passenger seats.
    2. Subsection (1) does not apply to the operation of an aircraft referred to in paragraphs (1)(a) to (c) by
      1. an air operator who operates the aircraft in accordance with the requirements of Part VII; or
      2. a person who operates the aircraft under a flight permit issued under section 507.04. Footnote 42

    The investigation determined that the occurrence aircraft had been operated in Canada for more than 90 days in the 12 months immediately preceding the occurrence flight. The pilot had concluded that he did not have to be registered in Canada, based on his interpretation of the following provisions of CARs section 202.42:

    • subparagraph (1)(b)(iii): the operator of the aircraft (Marquise) was an entity that was incorporated under the laws of the United States; and
    • subparagraph (1)(c)(ii): the aircraft would be operated in Canada in an operation that did not require a PORD, because it was equipped with only 6 passenger seats.

    A few months after the accident, in July 2016, Footnote 43 TC issued Advisory Circular (AC) 604-004: Private Operator - Subpart 604 of the Canadian Aviation Regulations," to provide interpretation and guidance with respect to regulatory requirements of subpart 604 of the [CARs]." Footnote 44

    AC 604-004 included the following note (emphasis added):

    With regard to paragraph 604.03(1)(c) of the CARs: The Aircraft Type Certificate for each model aircraft specifies the maximum number of passengers that may be transported. Aircraft owners who elect to reduce the maximum number of passengers to six (6) or less through a Supplementary Type Certificate (STC) are still required to obtain a Private Operator Registration Document (PORD). The requirement for a PORD is based on the maximum number of passengers listed for that aircraft in the original Type Certificate. Footnote 45

    Had the occurrence aircraft been registered in Canada, the operator would have been required to obtain a PORD.

    1.17.3 Canadian Transportation Agency investigation

    The Canadian Transportation Agency prepared a report on whether the occurrence flight was a publicly available air service that required a licence from the agency. It determined that a licence issued under section 57 of the Canada Transportation Act was not required.

    1.18 Additional information

    1.18.1 Special federal aviation regulations

    1.18.1.1 Special Federal Aviation Regulation 108

    In the U.S., from July 2002 to the end of 2005, there were 14 accidents involving MU-2B aircraft, 10 of which were fatal. This prompted the FAA to conduct a thorough and complete safety evaluation, which involved a review of the certification aspects of the aircraft as well as of operations, maintenance, and training.

    During the safety evaluation, the FAA concluded that

    the MU-2B series airplane is increasingly utilized in cargo hauling and private operations. This switch in operational focus has put the high-performance MU-2B series airplane into the hands of pilots and maintenance providers who, in general, have less experience in high-performance airplanes than when it was used primarily as corporate transportation. Footnote 46

    As a result of this study, the FAA concluded that pilots needed specific training on the MU-2B and that an SFAR Footnote 47 would best address specific pilot training and skills testing.

    SFAR No. 108, Mitsubishi MU-2B Series Special Training, Experience, and Operating Requirements, took effect 05 February 2009. The SFAR applied

    to all persons who operate [a U.S.-registered] Mitsubishi MU–2B series airplane, including those who act as pilot-in-command, act as second-in-command, or other persons who manipulate the controls while under the supervision of a pilot-in-command. Footnote 48

    SFAR No. 108 required mandatory initial training, requalification training, and recurrent training for all MU-2B pilots.

    According to SFAR No. 108,

    Certain aspects of pilot knowledge, skills and abilities must be emphasized and evaluated during the training and checking process of the MU–2B Training Program.

    1. Accelerated stall awareness and recovery procedures with emphasis on configuration management. Awareness of the margin to stall in all flight operations and configurations must be emphasized throughout training.
    2. Vmc [minimum control speed] awareness and early recognition must be trained and checked. [...]
    3. Airspeed management and recognition of airspeed deterioration below recommended speeds and recovery methods in this training program must be emphasized throughout training and checking. [...]
    1. Airplane performance characteristics with all engines operating [...]. Footnote 49
    1.18.1.2 U.S. Code of Federal Regulations, Title 14, Part 91, Subpart N

    To improve the safety of operating the MU-2B series aircraft, the FAA updated and relocated the contents of SFAR No. 108 to 14 CFR Part 91 Subpart N. The rule to relocate the SFAR came into effect on 07 September 2016.

    The FAA corrected and updated several inaccurate manoeuvre profiles to reflect the current FAA training philosophy and added new procedures that were not previously part of the training under SFAR No. 108. The training program in the SFAR No. 108 appendices were relocated to Advisory Circular 91-89, Mitsubishi MU-2B Training Program (22 July 2016).

    1.18.2 Effect of propeller performance on aircraft dynamics

    1.18.2.1 P-factor

    P-factor is the term for asymmetric propeller loading that causes the aircraft to yaw at a high angle of attack (AOA).

    A propeller rotating counterclockwise (as viewed from the rear) causes the descending left side of the propeller, which has a higher AOA relative to the oncoming air, to generate more thrust than the ascending right side. As a result, the propeller's aerodynamic centre is located left of the aircraft's centreline. For this reason, when the AOA or power is increased, the aircraft responds by yawing to the right.

    1.18.2.2 Propeller torque

    Propeller torque causes the aircraft to roll on its longitudinal axis in the direction opposite to propeller rotation (Figure 5). Propeller torque is typically counteracted by the pilot moving or trimming the ailerons or spoilers. For example, to counter the aircraft rolling to the right, the pilot must apply the left spoiler. This correction induces adverse yaw, which is corrected by moving or trimming the rudder.

    Figure 5. Effect of propeller torque
    Image
    Effect of propeller torque

    When there is a sudden increase in power, such as when a pilot advances the power levers quickly, there is also a sudden increase in torque. This situation can be critical when landing because the aircraft is at a relatively low speed. When the speed of the air passing over the wings and vertical stabilizer is low, the control surfaces are much less effective and may not be able to counteract the torque. Footnote 50 This condition can be exacerbated in multi-engine aircraft.

    1.18.2.3 Propeller effect on pitch moment

    "Propellers produce an upward lift component (perpendicular to the thrust line) due to the altering of airflow as it passes through the propeller." Footnote 51 As a result, an upward pitching moment is produced, which is typically counteracted by the pilot moving or trimming the elevators. On a conventional tractor aircraft, Footnote 52 the propeller effect rotates the aircraft nose up. The propeller effect worsens as the aircraft AOA and power are increased. Footnote 53

    1.18.2.4 Propeller effect on MU-2B

    In support of this investigation, Mitsubishi Heavy Industries America, Inc. (MHIA) carried out in-flight Footnote 54 and simulator testing Footnote 55 to observe the effects of propeller torque on aircraft dynamics.

    1.18.2.4.1 In-flight test

    While the aircraft was in level flight, the test pilot selected the power levers to flight idle, allowed the airspeed to slow to about 110 KIAS, then quickly moved the power levers to increase engine power to the maximum.

    The pilot immediately had to compensate for the significant right roll by applying left spoiler. As the aircraft speed increased, the roll diminished until the aircraft was stabilized.

    1.18.2.4.2 MU-2B simulator

    The simulator test replicated an MU-2B aircraft carrying out an approach to the MDA and then performing a go-around. During the simulation, the aircraft was configured with the flaps set to 5°, the landing gear extended, and the autopilot selected OFF. With the aircraft in level flight, the pilot selected the power levers to flight idle, allowed the airspeed to slow to about 100 KIAS, and quickly moved the power levers to increase engine power to the maximum. The pilot then purposely waited a few seconds (to represent the delay due to being startled) before applying the opposite spoiler.

    During this test, the aircraft pitched up slightly, rolled rapidly to the right, and immediately descended in a right-wing-low attitude until the impact with the ground.

    1.18.3 Aircraft energy management

    Aircraft energy is a function of the airspeed and airspeed trend as well as of altitude, vertical speed, drag (flaps and landing gear), and thrust. One of the pilot's main duties is to use available reference points to monitor and control the aircraft's energy condition appropriate to the phase of the flight and then to correct low- or high-energy situations. This energy control involves a balance of speed, power, drag, and flight path. Footnote 56

    The approach speed is ordinarily slightly behind the minimum approach power curve; speed is therefore unstable in deceleration Footnote 57 (Appendix D). For the path to be maintained with a reduction in speed, a power increase is required; as a result, the deceleration trend increases if power is not increased.

    According to the Flight Safety Foundation (FSF),

    The flight crew's inability to assess or to manage the aircraft's energy condition during approach is cited often as a cause of unstabilized approaches.

    Either a deficit of energy (low/slow) or an excess of energy (high/fast) may result in an approach-and-landing incident or accident [...]. Footnote 58

    1.18.4 Aeroplane upset

    ICAO describes an aeroplane upset as follows:

    An aeroplane in flight unintentionally exceeding the parameters normally experienced in line operations or training, normally defined by the existence of at least one of the following parameters:

    1. pitch attitude greater than 25 degrees, nose up; or
    2. pitch attitude greater than 10 degrees, nose down; or
    3. bank angle greater than 45 degrees; or
    4. within the above parameters, but flying at airspeeds inappropriate for the conditions. Footnote 59

    In addition, "An upset is not necessarily a departure from controlled flight (i.e. a stall/spin) but it also includes abnormal attitudes and gross over/under-speed conditions." Footnote 60

    1.18.5 Low-speed control characteristics of the MU-2B

    1.18.5.1 General

    MU-2 aircraft information is available on the Turbine Aircraft Services, Inc. (TAS) website. Footnote 61 The following information was presented in the April 2016 issue of MU-2 Magazine, published by TAS: Footnote 62

    [T]he ability to maintain control should be to simply maintain an adequate airspeed and keep the aircraft in balanced flight. [...]

    Airspeeds from the AFM [aircraft flight manual] and checklist have been flight tested to provide an adequate margin over stall. Review these speeds as part of your takeoff and approach planning, and don't go below them. [...]

    [L]oss of control can also result from sudden power addition at very low airspeeds, even with both engines running. Especially when slow, a rapid power addition will cause the nose to rise, and, if uncorrected, the wing to stall. If power is added without proper pitch and rudder inputs, a spin can develop. On approach, while a pilot is looking for the runway, he might be surprised when the stick shaker activates while his scan is outside. With the airplane just a few hundred feet above the runway, if he rapidly adds power without rudder, the airplane nose could pitch up with a consequent stall or spin. [...]

    In summary, all "Loss of control" or "Failure to maintain airspeed" accidents share two things in common—in each, the airplane got slow, and the airplane was flyable. Perhaps there is a third common factor—that the pilot was not properly prepared. We owe it to ourselves and to our passengers to be well prepared so that these needless accidents never happen to us. Footnote 63

    1.18.6 Stall recovery / approach to stall recovery

    The original SFAR No. 108 training for stall recovery required the following actions to be carried out simultaneously:

    • apply max power;
    • adjust pitch as necessary to minimize altitude loss; and
    • level wings if in a bank.

    In 2012, the FAA revised its stall recognition and recovery procedures for all aircraft and all training programs. The new procedures emphasized establishing a positive reduction in AOA by pitching the aircraft's nose down to re-establish smooth airflow over the wings. This procedural change made it less likely that pilots would encounter a secondary stall while trying to minimize altitude loss. The new procedure also stated that some altitude loss must be accepted to ensure a good safety margin during the recovery.

    The new stall recovery procedures include the following instructions:

    • disconnect the autopilot;
    • reduce the AOA;
    • level wings if in a bank; and
    • add power.

    The SFAR No. 108's stall recovery method was amended to be consistent with the FAA's new stall recovery procedures. Since 2012, the revised stall recovery methods have been required to be demonstrated when pilots complete the SFAR No. 108 training.

    In the MU-2B, when the new stall recovery procedures are used, about 450 feet of altitude loss can be expected during the recovery from a wings-level power-off stall. About 200 feet of altitude loss can be expected during the recovery from a wings-level power-on stall.

    1.18.7 Transport Canada prevention and recovery from stalls and approach to stall events

    TC's Advisory Circular AC 700-031, Prevention and Recovery from Aeroplane Stalls, took effect in November 2013.

    The purpose of the document was

    to provide guidance to operators, pilots, flight crews and Transport Canada personnel for the prevention and recovery from stall events.

    This AC provides best practices and guidance for training, testing, and checking within existing regulations, to ensure correct and consistent responses to unexpected stall warnings and stick pusher activations.

    This AC emphasizes reducing the angle of attack (AOA) as the most important response to a stall event. This AC also provides guidance for operators and training providers on the development of stall and stick pusher event training. Footnote 64

    AC 700-031 also stated that

    Evidence exists that some pilots are failing to avoid conditions that may lead to a stall, or failing to recognize the insidious onset of an approach-to-stall during routine operations in both manual and automatic flight. Evidence also exists that some pilots may not have the required skills or training to respond appropriately to an unexpected stall or stick pusher event, especially if startled or surprised. […] Effective stall prevention and recovery training may also prevent aeroplane upsets, which have occurred because of a pilot's inappropriate avoidance or or [sic] reaction to a stall event. Aeroplane upsets in turn have led to Loss of Control – Inflight (LOC-I) accidents, which are currently the leading cause of fatalities in aviation accidents world-wide. Footnote 65

    The AC's key focus included the following:

    1. Prevention of stall events through effective recognition, avoidance, and recovery should they be encountered;
    2. Reduction of Angle of Attack (AOA) is the most important response when confronted with a stall event; Footnote 66

    According to the AC,

    The term "prevention" […] refers to any pilot's actions to be aware of present or potential threats and their escalation in order to avoid a stall event. "Recovery" refers to any pilot actions to return to a desired aircraft state from a developing or fully developed stall. Footnote 67

    1.18.8 Situational awareness

    Situational awareness is defined as "the perception of elements in the environment within a volume of time and space, the comprehension of their meaning, and the projection of their status in the near future." Footnote 68

    Maintaining situational awareness is therefore a result of 3 separate processes on the part of a pilot. A pilot must first perceive information from the environment; second, establish the relevance of this information to the ability to achieve operational goals; and finally, use this information to project future states and events. In this way, a pilot maintains 3 levels of situational awareness, allowing him or her to "plan ahead and prepare for contingencies," Footnote 69 which leads to more effective decision making. All 3 levels involve information-processing stages at which shortcomings may occur and that may result in incomplete or inadequate situational assessments.

    A pilot's training, knowledge, experience, and preconceptions are some of the individual factors that influence his or her understanding of a situation. Footnote 70

    1.18.9 Pilot decision making

    1.18.9.1 General

    Pilot decision making can be described as making the right choice at the right time and avoiding circumstances that can lead to difficult choices. Many decisions are made on the ground, and a well-informed pre-flight choice avoids the need for a much more difficult in-flight decision. An important component of pilot decision making is good situational awareness, which requires a pilot to align the reality of a situation with his or her expectations. Inadequate or ineffective pilot decision making can result in operating beyond an aircraft's capability or exceeding a pilot's abilities.

    Interruptions and distractions in the cockpit break the flow pattern of ongoing cockpit activities (actions and communications), such as standard operating procedures (SOPs), normal checklists, operational communications (listening, processing, and responding), monitoring tasks, and problem-solving activities. Avoiding non-essential conversations minimizes the risk of distraction to a pilot's operational attentiveness.

    Diverted attention resulting from interruptions or distractions usually leaves a pilot feeling rushed and faced with competing or pre-empting tasks. This disruption and lapse of attention may result in a failure to monitor the flight path, the omission of an action, or a failure to detect and correct the resulting abnormal condition or configuration. Footnote 71

    1.18.10 Workload management

    Workload is a function of the number of tasks that must be completed within a given amount of time. If the number of tasks that must be completed increases, or if the time available to complete them decreases, the workload increases. Therefore, to reduce the workload, a pilot must either reduce the number of tasks to be completed or increase the time available to complete those tasks.

    Task saturation occurs when the number of tasks to be completed in a given time exceeds a pilot's capacity to perform them, and some tasks must be shed or deferred as a result.

    If pilots start to fall behind, they can quickly find themselves under increased time pressure. This situation can cause the workload to reach critical levels. When that happens, the extra mental capacity required to catch up with what is happening can lead to undetected cues from the environment.

    If pilots find that their workload is excessive, they must take action to reduce it, especially when in a critical phase of flight, such as approach or landing. One technique available to pilots who find they are nearing task saturation—or are in an unsafe position—while on final approach is a go-around.

    In terms of workload management, executing a go-around provides pilots with additional time to catch up, so that workload levels can be reduced to acceptable levels before they attempt another approach.

    The FAA describes several operational pitfalls that can lead to dangerous situations. Among them are the following:

    Getting Behind the Aircraft

    This pitfall can be caused by allowing events or the situation to control pilot actions. A constant state of surprise at what happens next may be exhibited when the pilot is "getting behind" the aircraft.

    Loss of Positional or Situational Awareness

    In extreme cases of a pilot getting behind the aircraft, a loss of positional or situational awareness may result. The pilot may not know the aircraft's geographical location, or may be unable to recognize deteriorating circumstances. Footnote 72

    1.18.10.1 Cognitive biases affecting pilot decision making

    Pilots operate in a complex environment with multiple sources and types of information to monitor. A pilot's cognitive workload—the information-processing capacities that are dedicated to the performance of a flight task—is a product of information load in the working memory. Humans have limited information-processing capacities, so a limited number of tasks can be performed simultaneously within a period of time. High workload can result in task saturation, in which the input or task load and associated difficulties require greater information-processing capacities than those available. High workload and task saturation are associated with decreased safety margins, situational awareness, and decision-making abilities. Footnote 73

    The January/February 2010 edition of the FAA Aviation News provided some examples of how human factors can have an impact on safety, including the effect of workload on pilots:

    As any pilot knows, many things can happen during very brief periods of each flight that can increase the likelihood of error. In too many accidents and incidents, the pilots get "behind" the aircraft, become controlled by changing circumstances, or rush to comply with conflicting duties.

    Research has taught us that human beings are limited as information processors. When overloaded, we tend to shed duties and accept a less planned or controlled approach to what we do. These "normal" reactions can create unacceptable, but unrecognized, risk in flight. Footnote 74

    A number of cognitive biases, including the ones listed below, are known to affect how information is gathered and processed, as well as how decisions are made.

    1.18.10.1.1 Plan continuation bias

    Plan continuation bias is the "deep-rooted tendency of individuals to continue their original plan of action even when changing circumstances require a new plan." Footnote 75 Once a plan is made and committed to, it becomes more difficult for stimuli or conditions in the environment to be recognized as indicating a need for change than if a plan had not been made. For pilots to recognize and act on a reason to change the plan in a timely manner, a condition or stimulus needs to be perceived as sufficiently salient to require immediate action.

    Plan continuation bias has been linked to situational awareness. Footnote 76 Footnote 77 Footnote 78 For example, pilots may not detect an environmental change (that is, they experience reduced situational awareness) that decreases flight safety, and this may lead to a decision to continue an approach or landing in unsafe conditions.

    This bias is also related to workload. Pilots are more likely to experience plan continuation bias in high-workload conditions. Footnote 79 Aviation references also note this relationship: the bias is more likely to occur "as the culmination of a task nears, for example during the flying of an approach to land […]." Footnote 80

    1.18.10.1.2 Overconfidence bias

    Overconfidence bias refers to an individual's overestimation of his or her own skills, knowledge, or judgment regarding a given situation and its outcome. Footnote 81 Overconfidence in the correctness of one's decisions may lead individuals to disregard contradictory but important information, and can result in decisions with undesirable outcomes.

    1.18.10.1.3 Attentional tunnelling

    Accurate situational awareness is highly dependent on attention to different aspects of the work environment. People have limited abilities to divide their attention, meaning they can become trapped—a situation called "attentional tunnelling." People focus on certain cues within their environment that they are trying to process, while inadvertently or intentionally dropping their attention from other cues or tasks. For example, pilots in high-workload conditions may focus on specific gauges within the cockpit to the detriment of their attention to others. Situational awareness can quickly become degraded when pilots omit or drop certain aspects that need to be monitored. Footnote 82

    1.18.10.1.4 Framing bias

    Framing bias is a cognitive bias in which people react to a particular choice in different ways, depending on how it is framed.

    In an aviation context, this bias occurs when a pilot is faced with 2 choices. One may be framed as a "sure loss" even if it is safer, and the other as a "risky loss." For example, in adverse conditions, the safer option is to conduct a missed approach and/or proceed to the alternate aerodrome (the "sure loss"), as opposed to continuing with an unstable approach (the "risky loss" alternative). When decisions are framed in this way, there is a propensity to seek the riskier alternative. Footnote 83

    When pilots receive information that is contrary to their expectations, their reactions are slower and may be inappropriate. Footnote 84

    1.18.11 Transport Canada guidance for situational awareness and pilot decision making

    TC's Flight Test Guide – Private Pilot Licence – Aeroplane provides all pilots with the following information:

    Problem Solving and Decision Making

    1. anticipates problems far enough in advance to avoid crisis reaction
    2. uses effective decision-making process
    3. makes appropriate inquiries
    4. prioritizes tasks to gain maximum information input for decisions
    5. makes effective use of all available resources to make decisions
    6. considers "downstream" consequences of the decision being considered

    Situational Awareness

    1. actively monitors weather, aircraft systems, instruments, ATC [air traffic control] communications
    2. avoids "tunnel vision" - awareness that factors such as stress can reduce vigilance
    3. stays "ahead of the aircraft" in preparing for expected or contingency situations
    4. remains alert to detect subtle changes in the environment

    Communication

    1. provides thorough briefings
    2. asks for information and advice
    3. communicates decisions clearly
    4. asserts one's position appropriately

    Workload Management

    1. organizes cockpit resources well
    2. recognizes overload in self
    3. eliminates distractions during high workload situations
    4. maintains ability to adapt during high workload situations Footnote 85

    1.18.12 Retention of skills

    Without regular reinforcement, skills degrade with time. The amount of degradation is related to

    • the level of proficiency achieved at the completion of learning;
    • the length of time since learning; and
    • the degree to which the skills are rehearsed following training. Footnote 86

    In essence, skills are most effectively maintained when they are well mastered during training, retrained on a regular basis, and rehearsed regularly between training sessions. This cycle of retraining is most critical for procedural tasks, which consist of a number of discrete steps (for example, responding to an in-flight emergency such as an engine failure), since these types of tasks have been shown to degrade the most over time.

    Conversely, continuous tasks, which are more automatic and for which cues are provided by the environment (for example, manually flying an aircraft on a visual approach), show minimal degradation over time.

    1.18.13 Checklist discipline

    Checklists are critical information resources that provide procedural guidance to pilots for the operation of an aircraft. They assist with pilot decision making, providing pilots with predetermined solutions to various situations. They also account for risk factors that may not be readily apparent to a pilot during normal operations or during an abnormal or emergency situation. Following the appropriate checklist or procedure provides pilots with the safest and most efficient course of action in most cases.

    The MU-2B pilot checklist states the following:

    The purpose of a checklist is to aid in accurate completion of a procedure. A procedure is a set of actions or decisions prescribed to achieve a specified objective. A checklist is a physical aid to overcome the limitations of human memory. […]

    When accomplishing these checklists, operators must always be aware that their first and foremost responsibility is to maintain control of the airplane. Primary attention should be given to airspeed and altitude control. Situational awareness must also be constantly maintained. It is essential for the operator to always place the airplane at appropriate altitudes and airspeeds for the current and forecast conditions. Footnote 87

    1.18.14 Stable approach

    1.18.14.1 General

    Unstable approaches significantly increase the risk of accidents during landing. Without improvements in compliance with policies for stable approaches, most unstable approaches will continue to a landing, increasing the risk of approach-and-landing accidents. Footnote 88

    According to TC, an approach is considered stabilized if it meets the air operator's and/or the aircraft manufacturer's stabilized approach criteria. Footnote 89

    1.18.14.2 MU-2B-60 stable approach

    The SFAR No. 108 flight training for normal and for reduced or no-flap landing profiles includes detailed stabilized approach criteria:

    • aircraft is descending at a rate of 500 to 600 feet per minute,
    • aircraft is configured (landing gear and flaps) by 500 feet AGL,
    • pilots have completed all checklists, and
    • aircraft is slowed to the reference landing speed (VREF). Footnote 90

    The MU-2B-60 pilot checklist states that

    It is strongly recommended that the airplane be established on a stable approach for the last 1000 feet of descent in IMC [instrument meteorological conditions] conditions (or for the complete final approach segment of a non precision approach if that segment is less than 1000 feet above the field) or the last 500 feet of descent in VMC [visual meteorological conditions] conditions. A stable approach means that the airplane is configured for landing, all checklists have been completed, power is established at a setting to maintain an airspeed of VREF [landing reference speed] to VREF plus 20 knots, the airspeed is steady at VREF to VREF plus 20 knots, the proper glide path is being maintained, the airplane is trimmed, and no unusual maneuvering is required to accomplish the landing. A missed approach is recommended if deviation from any of these parameters occurs. Footnote 91
    1.18.14.3 Transport Canada stable approach
    1.17.14.3.1 Civil Aviation Safety Alert No. 2015-04

    On 06 August 2015, TC issued Civil Aviation Safety Alert (CASA) No. 2015-04, Stabilized Approach. The CASA was addressed to air operators certified under CARs subparts 702, 703, 704, and 705, as well as to private operators registered under CARs Subpart 604. Its purpose was "to stress the importance of, and to outline, the elements of a stabilized approach." Footnote 92 The document summarized the stabilized approach concept as "maintaining a stable speed, descent rate, and vertical/lateral flight path in the landing configuration." Footnote 93

    In addition, CASA No. 2015-04 states that

    Rushed and unstabilized approaches remain a significant factor in Controlled Flight Into Terrain (CFIT) and other Approach-and-Landing Accidents (ALA). The safety benefits derived from a stabilized final approach have been recognized by many organizations including ICAO, the FAA, EASA [European Aviation Safety Agency] and TCCA [Transport Canada Civil Aviation]. These benefits include:

    • Increased flight crew situational awareness;
    • More time and attention for monitoring ATC communications, weather conditions and systems operation;
    • More time and attention for flight path and energy monitoring;
    • Defined flight parameter deviation limits and minimum stabilization heights to support the decision to land or to go-around; and,
    • Landing performance consistent with expected performance values. Footnote 94

    TC has indicated that all operators should define stabilized approach criteria for all of the approaches they fly, and that an approach is considered stabilized when those criteria are based on

    • Range of speeds specific to the aircraft type;
    • Power setting(s) specific to the aircraft type;
    • Range of attitudes specific to the aircraft type;
    • Configuration(s) specific to the aircraft type;
    • Crossing altitude deviation tolerances;
    • Sink rate; and
    • Completion of checklists and flight crew briefings. Footnote 95

    In CASA No. 2015-04, TC encourages operators to always follow their stabilized approach procedures and recommends that those procedures include

    • "close monitoring of airspeed, sink rate and energy state during a visual or instrument approach"; Footnote 96
    • monitoring of the aircraft state and flight path using "[a]ll available lateral and vertical guidance and visual aids"; Footnote 97
    • "verbal communication about the aircraft state and its progression along the approach"; Footnote 98 and
    • an announcement and prompt correction of "[a]ny significant deviations from planned flight path, airspeed, or descent rate". Footnote 99

    If the approach cannot be continued within the stabilized approach parameters, a go-around is required.

    TC advocates that

    [i]t is important to note that the decision to execute a go-around is not an indication of poor flight crew performance but rather prudent decision making. Footnote 100
    1.18.14.3.2 Flight Test Guide

    TC's Flight Test Guide—Instrument Rating Groups 1, 2 and 3—Aeroplane (TP 9939), "sets out the techniques, procedures and the marking criteria [...] for the conduct of the flight test required for the issuance of the Instrument Rating—Groups 1, 2 and 3 - Aeroplane." Footnote 101 The document is to be used by TC inspectors, pilot examiners, flight training units, flight instructors, and flight test candidates.

    The April 2014 edition of the guide included, for the first time, stabilized approach criteria. The criteria indicate that the aircraft must be on the correct final approach path and that

    • Aircraft must be in the proper landing configuration appropriate for wind and runway conditions;
    • Only small heading and pitch changes required;
    • Speed within +20/-0 [knots] of the reference speed;
    • Maximum sink rate of 1,000 feet per minute;
    • Appropriate power settings applied;
    • Briefings and checklists complete; […]
    • During IMC – Stable by 1,000 feet AGL;
    • During VMC – Stable by 500 feet AGL.
    • Visual Approach – Wings level at 500 feet AGL Footnote 102

    During the flight test, if an aircraft is stable at 1000 feet AGL but subsequently becomes unstable due to handling or flight conditions, the TC inspector or pilot examiner will consider the pilot's actions during their evaluation.

    1.18.14.4 Flight Safety Foundation

    According to the FSF, a stabilized approach on the optimum slope is known to reduce workload and increase a pilot's understanding of his or her situation by providing more time to monitor the path, rate of descent, and speed trends, and therefore the aircraft's energy status. Footnote 103

    The FSF has stated that the "failure to recognize the need for and to execute a missed approach when appropriate is a primary cause of approach-and-landing accidents." Footnote 104

    The FSF has also noted that

    [t]he lack of a go-around decision is the leading risk factor in approach and landing accidents and is the primary cause of runway excursions during landing. Yet, less than 5% of unstabilised approaches lead to a go-around. […]

    Go-around [or missed approach] is a normal phase of flight. Footnote 105

    The procedures associated with performing a go-around are included in a pilot's initial and recurrent training. Although a go-around is an infrequent occurrence, if it becomes necessary, the pilot must take immediate and positive action. This decision and the actions taken become more critical the closer the aircraft is to the ground, as the aircraft transitions to a lower state of energy.

    1.18.15 TSB Watchlist

    Unstable approaches will remain on the TSB Watchlist until

    • major airlines track stable-approach-policy compliance through their safety management systems, and take action to reduce the number of unstable approaches that are continued to landing; and
    • there is a reduction in the number of incidents of unstable approach and in the number of accidents in which approach stability was a causal or contributing factor.

    The TSB Watchlist identifies the key safety issues that need to be addressed to make Canada's transportation system even safer.

    Unstable approaches are a Watchlist 2016 issue. As this occurrence demonstrates, accidents involving unstable approaches continue to occur at Canadian airports. Footnote 106

    1.18.16 Angle-of-attack systems

    1.18.16.1 General

    AOA indicators provide a simple visual representation of the current AOA and how close it is to the critical AOA.

    The occurrence aircraft was not equipped with an AOA system, nor was it required to be.

    1.18.16.2 TSB Aviation Safety Advisory: stall warning systems

    During the investigation into the October 2013 occurrence involving a departure from controlled flight and collision with terrain in West Cracroft Island, British Columbia, Footnote 107 the TSB found that the factual information gathered was consistent with the C185E aircraft stalling during its turn to final approach for landing. The aircraft collided with terrain before the pilot could recover from the stall.

    To reduce the risk of such accidents in aviation, promoting the use of AOA indicators is worth pursuing. For this reason, the TSB issued Aviation Safety Advisory A13P0278-D3-A1: Stall Warning Systems, to TC, stating that TC may wish to promote the use of AOA indicators in Canadian aircraft. TC did not respond to the safety advisory, nor was it required to do so.

    1.18.16.3 United States non-required or supplemental angle-of-attack systems

    The U.S. National Transportation Safety Board, Footnote 108 the U.S. FAA, and the general aviation community in the U.S. are focused on preventing loss of control in general aviation. One method that may help to accomplish this is widespread acceptance of, training on, and appropriate use of AOA-based systems.

    In February 2014, the FAA issued a memorandum that established "requirements and procedures for issuing a design and production approval to a [U.S.] manufacturer [...] for a non-required/supplemental [AOA] indicator system." Footnote 109 AOA systems built under this policy can be added to small aircraft to supplement the airspeed indicators and stall warning systems. The memo and associated policy apply only to systems installed in U.S.-registered aircraft, excluding commuter and transport-category aircraft.

    The installation of such a system does not represent a major change to the aircraft's type design and, therefore, does not require a supplemental type certificate (STC) for installation. An appropriately rated mechanic can install these systems through a field approval or as a minor alteration.

    1.18.16.4 Transport Canada approval of non-required or supplemental angle-of-attack systems

    TC considers that the discretionary installation of an AOA system on normal-category, type-certificated, Canadian-registered aircraft is a major modification that requires an STC approval.

    1.18.17 On-board recorders

    1.18.17.1 Flight data recorders, cockpit voice recorders, and image/video recorders

    For several decades now, FDRs and CVRs have been conceived, designed, and installed on aircraft to record flight and cockpit data for accident investigation purposes. FDRs record numerous aircraft parameters—such as altitude, airspeed, and heading—many times per second. CVRs record radio transmissions and sounds in the cockpit, such as the pilots' voices and engine noises. Image/video recorders provide video of the crew immediately before, during, and after an event. Currently, FDRs and CVRs are considered the most comprehensive methods of capturing large amounts of flight data for accident investigations.

    Investigations can also obtain data downloaded from GPSs, engine monitors, or other non-volatile memory sources that are not crash-protected.

    Investigations that can access data from these sources, as well as from other recorders, are more likely to identify safety deficiencies than investigations that do not benefit from FDR and CVR data.

    1.18.17.2 Flight data and cockpit voice recorder requirements

    The requirements for FDR and CVR equipment in aircraft are similar throughout the world, and are based primarily on the number and type of engines, on the number of passenger seats in the aircraft, and on the type of operation. Large commercial aircraft are required to be equipped with both an FDR and a CVR. Some smaller commercial aircraft are required to be equipped with both an FDR and CVR or only a CVR. Smaller business aircraft are not required to have either of these.

    In Canada, requirements for FDRs and CVRs are set out in CARs section 605.33, "Flight Data Recorder and Cockpit Voice Recorder." There are no regulations requiring small private aircraft to be equipped with any type of data recorder.

    1.18.17.3 Lightweight flight recording system

    Commercially operated aircraft weighing less than 12 500 pounds (5700 kg) are usually not fitted at manufacture with the system infrastructure needed to support an FDR, and installing conventional FDRs would require modifications to this category of aircraft. Several lightweight flight-recording systems that can record combined cockpit images, cockpit audio, aircraft parametric data, and/or data-link messages are currently manufactured.

    According to ICAO,

    Lightweight flight recorders comprise four systems: an aircraft data recording system (ADRS), a cockpit audio recording system (CARS), an airborne image recording system (AIRS) and a data link recording system (DLRS). […] ADRS performance requirements are as contained in the EUROCAE [European Organisation for Civil Aviation Equipment] ED-155, Minimum Operational Specifications (MOPS) for Lightweight Flight Recording Systems, or equivalent documents. Footnote 110

    The European Organisation for Civil Aviation Equipment's Minimum Operational Performance Specification for Lightweight Flight Recording Systems (ED-155)

    defines the minimum specification to be met for aircraft required to carry lightweight flight recording systems […]. It is applicable to robust on-board recording systems, ancillary equipment and their installation in aircraft.

    This document can also be used to give guidance to manufacturers intending to develop or install lightweight flight recording systems which maybe [sic] used for or [sic] other purposes such as flight training, flight data monitoring. Footnote 111

    In Canada, there are no regulations requiring any aircraft to be equipped with a lightweight flight recording system, as defined by ED-155.

    1.18.17.4 TSB Recommendation A13-01 (May 2013)

    In 2013, following its investigation into the March 2011 loss of control/in-flight break-up occurrence northeast of Mayo, Yukon, Footnote 112 the TSB found that if cockpit or data recordings are not available to an investigation, the identification and communication of safety deficiencies to advance transportation safety may be precluded.

    In the preamble to its recommendation, the Board stated that, given the combined accident statistics for CARs subparts 702, 703, and 704 operations, there is a compelling case for industry and the regulator to proactively identify hazards and manage the risks inherent in these operations. In order to manage risk effectively, they need to know why incidents happen and what the contributing safety deficiencies may be. Moreover, routine monitoring of normal operations can help these operators both improve the efficiency of their operations and identify safety deficiencies before they result in an accident. In the event that an accident does occur, recordings from lightweight flight recording systems can provide useful information to enhance the identification of safety deficiencies in the investigation.

    The Board acknowledged that issues would need to be resolved to facilitate the effective use of recordings from lightweight flight recording systems, including questions about the integration of this equipment in an aircraft, human resource management, and legal issues, such as restrictions on the use of cockpit voice and video recordings. Nevertheless, given the potential of this technology, combined with flight data monitoring, to significantly improve safety, the Board believed that no effort should be spared to overcome these obstacles. Therefore, the Board recommended that

    the Department of Transport work with industry to remove obstacles to and develop recommended practices for the implementation of flight data monitoring and the installation of lightweight flight recording systems by commercial operators not currently required to carry these systems.
    Transportation Safety Recommendation A13-01

    TC has acknowledged that flight data monitoring programs would enhance safety. Since 2013, TC's attempts to assemble a focus group with industry to address this recommendation have been unsuccessful. In its January 2017 response to the recommendation, TC indicated its renewed proposal to conduct a focus group in 2017, which it had been planning to do since 2013. However, until the focus group reaches conclusions as to the challenges and benefits associated with the installation of lightweight multi-function recording devices in small aircraft, and until TC provides the TSB with its plan of action moving forward following those conclusions, it is unclear when or how the safety deficiency identified in Recommendation A13-01 will be addressed.

    Therefore, the response to Recommendation A13-01 was assessed as Unable to Assess.

    Although this recommendation was directed at commercial operators, the investigation of this accident demonstrates the value that can be gained from lightweight flight data recording systems for privately operated aircraft.

    1.18.17.5 Lack of flight recorder data

    Numerous TSB aviation investigation reports have referred to investigators' inability to determine the reasons for an accident due to the absence of on-board recording devices. The benefits of recorded flight data in aircraft accident investigations are well known and documented.

    If flight, cockpit, or image/video data recordings are not available to an investigation, the identification and communication of safety deficiencies to advance transportation safety may be precluded.

    1.18.18 Online flight planning

    The pilot used an Internet-based flight-planning provider to file a flight plan. The flight plan included route and altitude selection, fuel burn, and time en route. Under the supplementary information section (item 19), the pilot listed the fuel on board, number of persons on board, and the name of the flight's PIC.

    Once filed, flight plan messages are transmitted electronically via the aeronautical fixed telecommunications network (AFTN) to the air traffic control units that will be providing advisory, control, and alerting services. The AFTN interconnects Canadian ACCs, control towers, FSSs, and flight information centres, and aeronautical facilities around the world.

    IFR flight plans are transmitted to the ACC in the flight information region where the departure aerodrome is located so that the ACC can provide control and alerting services. They are then transmitted from one ACC to the next as the flight progresses, and each new ACC assumes responsibility for alerting services.

    The unique address from which the AFTN received the flight plan for the occurrence flight does not function as an email address. The flight-planning provider can be contacted only by telephone; the telephone number is usually included in the AFTN message. However, in the case of the occurrence flight, the pilot removed the telephone contact information for the flight-planning provider and entered his own.

    When a flight plan is filed electronically, the person filing is expected to be available by telephone for 30 minutes after NAV CANADA receives the flight plan in order to clarify any information.

    The information in the supplementary information section, item 19, is required according to the ICAO flight planning format; however, the Procedures for Air Navigation Services—Air Traffic Management (PANS-ATM) Footnote 113 flight plan guidance indicates that item 19 is not to be transmitted in flight plan messages. None of the information in this item is included when the flight plan is sent via AFTN to the ACC.

    Although this information was included when the flight plan was filed, it was not included when the occurrence flight plan was forwarded to NAV CANADA. As a result, the CYGR FSS did not have this supplementary information when the accident occurred and, therefore, the number of persons on board, amount of dispatched fuel, and pilot's name were not available to the FSS specialist or to the first responders. The contact information for the flight-planning provider was not available either, because it had been removed and replaced with the pilot's.

    The investigation found that several Internet-based flight-planning providers do not include the supplementary information in item 19 when transmitting flight plans to the applicable air traffic control units.

    1.19 Useful or effective investigation techniques

    1.19.1 Data retrieval and analysis

    The investigation successfully recovered data from the terrain awareness and warning system and the Wi-Flight recording device. These data were used to reconstruct the flight profile during all stages of flight, enhancing the investigation's ability to understand and analyze the final moments before impact. The audio retrieved from the Wi-Flight was complete and instrumental to the understanding of the events leading to the accident.

    2.0 Analysis

    2.1 Introduction

    The aircraft was equipped and maintained in accordance with regulations; no mechanical discrepancies were reported or found during the examination that would have prevented it from operating normally.

    The pilot had completed all required training to operate the MU-2B under the authority of his Federal Aviation Administration–issued private pilot certificate.

    The data and audio retrieved from the Wi-Flight was critical to understanding the events that led to the accident. Although not required by regulation, the installation and use of a lightweight flight recording system during the occurrence flight, as well as the successful retrieval of its data during the investigation, permitted a greater understanding of this accident.

    The analysis will focus on the events, conditions, and underlying factors that caused or contributed to this accident. It will include approach planning, descent and approach, workload management during final approach, situational awareness and "getting behind" the aircraft, the pilot's experience on the aircraft type, and online flight planning. In addition, it will examine risks to the transportation system, with the objective of improving aviation safety.

    2.2 Approach planning

    While in cruise flight, the pilot recognized there would be a strong tailwind during the descent. The pilot developed his approach plan, which included starting a 1500-feet-per-minute (fpm) descent when prompted to do so by the aircraft's global positioning system (GPS) in order to cross the initial approach waypoint (DAVAK) at 3000 feet above sea level (ASL). The minimum descent altitude (MDA) of 620 feet ASL was set on the radio altimeter, and the missed-approach altitude of 1900 feet ASL was noted. Other than the briefing on the minimum descent and missed approach altitudes, there was no briefing of when or under what conditions a go-around would be performed.

    The pilot subsequently decided to delay the descent to reduce fuel consumption and to minimize the time spent in cloud by adopting a higher airspeed and rate of descent. This led the pilot to further revise the plan to carry out the descent at 250 knots indicated airspeed and at a rate of 2000 fpm. This new plan would still have enabled the aircraft to reach DAVAK at or near 3000 feet. However, the faster and steeper descent would cause the aircraft to be in a high-energy condition, which would require more vigilant monitoring by the pilot.

    The broken ceiling at 200 feet was approximately 400 feet lower than the MDA; however, there was no discussion of the potential risks associated with continuing the approach. No contingency plan, such as performing a go-around if circumstances dictated, was discussed. The pilot continued with his original plan to land at CYGR.

    If pilots are not prepared to conduct a go-around on every approach, they risk not responding appropriately to situations that require one.

    2.3 Descent and approach

    The descent started when the aircraft was 51 nautical miles (nm) from CYGR. The descent checklist was started almost immediately after the descent began. While completing the checklist, the pilot engaged the passenger-pilot in non-essential communication, explaining aircraft systems and their operation. This interrupted the flow of the necessary cockpit activities and continued throughout the completion of the checklist.

    As a result, the actual descent rate began at 800 fpm, and more than 4 minutes later it had increased to only 1800 fpm, still 200 fpm below the briefed and planned descent rate of 2000 fpm. This placed the aircraft above the planned descent profile and further compressed the time available to complete subsequent checklist activities, thereby increasing the pilot's workload.

    If pilots engage in non-essential communication during critical phases of flight, there is an increased risk that they will be distracted, which reduces the time available to complete cockpit activities and increases their workload.

    One of a pilot's primary tasks is to maintain an energy condition appropriate to the phase of flight and, if deemed necessary, to recover the aircraft from a low- or high-energy condition.

    Approximately 6 minutes after starting the descent, the pilot recognized that the aircraft was too high and that the descent rate would have to be increased substantially to achieve his original plan of arriving at DAVAK at the correct altitude. To do so, the pilot reduced the engine power and increased the rate of descent to more than 2000 fpm. Just over a minute later, after the pilot reset the altimeter, effectively losing about 1000 feet of altitude, the aircraft was descending at 2500 fpm at 240 knots, which is considered a high-energy condition. When the aircraft crossed DAVAK, it was 1500 feet too high, about 100 knots too fast, and still descending at 1600 fpm.

    During the descent and approach, the airspeed constantly exceeded the MU-2B's published values, and the rates of descent exceeded those typically defined by stabilized approach criteria.

    Although the pilot had properly briefed the passenger-pilot on the approach and realized he was high, fast, and not configured for landing, he continued the unstable approach.

    If pilots do not apply stable-approach criteria, there is a risk that they will continue an unstable approach to a landing, which can lead to an approach-and-landing accident.

    2.4 Workload management during final approach

    During the final approach, the pilot became primarily focused on individual tasks—alternating his attention among airspeed, rate of descent, and altitude—based on what he deemed critical at any one time, without planning and preparing for contingencies. This is consistent with attentional tunnelling.

    Specifically, the pilot initially focused on ensuring that the airspeed was reduced so that the aircraft could be configured for landing upon reaching the final approach waypoint IMOPA. However, as the aircraft crossed IMOPA, it was about 790 feet too high and 50 knots too fast, descending at 1900 fpm. At 2.7 nm from CYGR, the airspeed had been reduced to 175 knots, and the descent rate to 1200 fpm, when the aircraft flaps were selected to 5° and the landing gear was extended.

    The pilot's inability to effectively manage the aircraft's energy condition led to an unstable approach.

    The pilot's workload had significantly increased, which would have influenced his ability to make decisions; the pilot likely did not recognize that a go-around was an option available to reduce his workload. If pilots do not recognize that changing circumstances require a new plan, then plan continuation bias may lead them to continue with their original plan even though it may not be safe to do so.

    With less than 2.7 nm remaining to reach the runway, the pilot's attention was diverted from monitoring airspeed to monitoring the altitude so that the aircraft would not descend below the MDA. The passenger-pilot stated that the ground could be seen on the right side of the aircraft, but at no time during the descent did the pilot indicate that he had the runway in sight.

    During the final moments of the flight, by the time the pilot had refocused his attention on the airspeed, the aircraft had already transitioned to a low-energy condition and the airspeed had decreased to 99 knots, within a few knots of the stall speed of 95 knots.

    At the time the pilot disconnected the autopilot, he recognized that the airspeed was critically low. While the aircraft was in a low-energy state and approaching the onset of a stall, the pilot rapidly advanced the power levers, causing a power-induced upset, resulting in the aircraft rolling sharply to the right and descending rapidly. The aircraft experienced a loss of control and responded in the manner described in MU-2B documents, which was consistent with the effects of the counterclockwise-rotating propellers. It is likely that the pilot was not prepared for the resulting power-induced upset and, although he managed to level the wings, the aircraft was too low to recover before striking the ground.

    2.5 Situational awareness and "getting behind" the aircraft

    Situational awareness requires a pilot to align the reality of a situation with his or her expectations. Maintaining situational awareness allows a pilot to plan and prepare for the unexpected, thereby fostering more effective decision making. Any reduction in the pilot's ability to effectively process information may result in a loss of situational awareness.

    The pilot recognized that the aircraft was high, fast, and not configured for landing as it passed the final approach waypoint. Plan continuation bias, overconfidence bias, attentional tunnelling, and framing bias contributed to the pilot's continuing the approach.

    When the tasks required to fly an aircraft exceed the pilot's capacity to conduct them, the aircraft starts to "get ahead" of the pilot—or the pilot "gets behind" the aircraft. This means that events or situations control the pilot's actions.

    In this occurrence, inadequate approach planning and distraction caused by discussions not specific to the flight contributed to the pilot "getting behind" the aircraft, as demonstrated by the following signs:

    • late descent;
    • slow initial rate of descent;
    • late change of altimeter setting;
    • minimal corrections to rate of descent and airspeed;
    • failure to complete checklists; and
    • late landing configuration of the aircraft.

    The number of tasks that the pilot had to perform in the time remaining exceeded his capacity to perform them. As a result, there was no time available during the approach to conduct the approach checklist or the before-landing checklist.

    The pilot's high workload and reduced time available resulted in a task-saturated condition, which decreased his situational awareness and impaired his decision making.

    The pilot "got behind" the aircraft by allowing events to control his actions, and cognitive biases led him to continue the unstable approach.

    2.6 Experience

    The occurrence aircraft was the first high-performance aircraft the pilot had flown, and the only aircraft he flew that was equipped with counterclockwise-rotating propellers.

    On final approach, the aircraft slowed to within a few knots of the stall speed before this was recognized by the pilot. The sudden addition of high power at low airspeed in the MU-2B produces a right-rolling tendency, which can lead to loss of control if not anticipated and corrected. The pilot was surprised by the right roll and delayed correcting it, which permitted the aircraft to roll more than 70° before returning to a near wings-level attitude at impact. A loss of control occurred when the pilot rapidly added full power at low airspeed while at low altitude, which caused a power-induced upset and resulted in the aircraft rolling sharply to the right and descending rapidly.

    Although information was available to explain the aircraft's characteristics when high power is applied at low airspeeds, it is unlikely that the pilot was familiar with this situation, based on his reaction during the occurrence. The pilot had about 2500 total flight hours and had held an airline transport pilot licence for about 6 years, but his flying experience was primarily on non–high performance single-engine and multi-engine aircraft. During the 20 months that the pilot had flown the occurrence aircraft, he had accumulated about 125 flight hours, of which at least 100 hours were flown under the supervision of a qualified and experienced pilot. In the previous 3 months, he had logged only about 19 flight hours and, in the previous 30 days, only 4 flight hours. The investigation could not determine how many pilot-in-command (PIC) hours the pilot had flown with another pilot accompanying him.

    Skills are most effective when they are mastered during training and retrained on a regular basis. Degradation of skills is related to the level of proficiency obtained, the length of time since learning, and the repeated use of flight skills following training.

    The initial slow descent, the lack of effective aircraft energy management, getting behind the aircraft, and the low ceiling presented challenging flight conditions. 

    Therefore, it is unlikely that the pilot's flight skills and procedures were sufficiently practised to ensure his proficiency as the PIC for single-pilot operation on the MU-2B for the conditions experienced during the occurrence flight.

    2.7 Online flight planning

    The use of Internet-based online flight planning providers is becoming more common. Information is transmitted electronically from the pilot to the flight-planning provider, and then to the area control centre (ACC) for the flight information region, via the aeronautical fixed telecommunications network.

    The search-and-rescue supplementary information (item 19) listed on a flight plan includes the amount of fuel on board, the number of occupants on board, the name of the PIC, and any emergency equipment on board in case of an off-airport forced or emergency landing. The transfer of search-and-rescue supplementary information is not regarded as mandatory when the flight plan is transmitted. Currently, that information is stored at the flight-planning provider's base of operations, which could be in another country; therefore, attempts at retrieval of search-and-rescue information when required can be problematic.

    On the occurrence flight, search-and-rescue supplementary information (item 19) was not transmitted by the flight-planning provider via the aeronautical fixed telecommunications network and therefore was unavailable when the flight information region responsible for the accident location called the ACC to obtain it. The ACC did not have the telephone number of the flight-planning provider, since the pilot had removed it. The first responders did not know how many persons would need search and rescue or medical assistance until they were on scene and were extricating the occupants from the aircraft.

    If a flight plan does not contain search-and-rescue supplementary information, and if that information is not transmitted or readily available, there is a risk that first responders will not have the information they need to respond adequately.

    3.0 Findings

    3.1 Findings as to causes and contributing factors

    1. The pilot's inability to effectively manage the aircraft's energy condition led to an unstable approach.
    2. The pilot "got behind" the aircraft by allowing events to control his actions, and cognitive biases led him to continue the unstable approach.
    3. A loss of control occurred when the pilot rapidly added full power at low airspeed while at low altitude, which caused a power-induced upset and resulted in the aircraft rolling sharply to the right and descending rapidly.
    4. It is likely that the pilot was not prepared for the resulting power-induced upset and, although he managed to level the wings, the aircraft was too low to recover before striking the ground.
    5. The pilot's high workload and reduced time available resulted in a task-saturated condition, which decreased his situational awareness and impaired his decision making.
    6. It is unlikely that the pilot's flight skills and procedures were sufficiently practised to ensure his proficiency as the pilot-in-command for single-pilot operation on the MU-2B for the conditions experienced during the occurrence flight.

    3.2 Findings as to risk

    1. If the weight of an aircraft exceeds the certified maximum take-off weight, there is a risk of aircraft performance being degraded, which may jeopardize the safety of the flight.
    2. If pilots engage in non-essential communication during critical phases of flight, there is an increased risk that they will be distracted, which reduces the time available to complete cockpit activities and increases their workload.
    3. If flight, cockpit, or image/video data recordings are not available to an investigation, the identification and communication of safety deficiencies to advance transportation safety may be precluded.
    4. If pilots do not recognize that changing circumstances require a new plan, then plan continuation bias may lead them to continue with their original plan even though it may not be safe to do so.
    5. If pilots do not apply stable-approach criteria, there is a risk that they will continue an unstable approach to a landing, which can lead to an approach-and-landing accident.
    6. If pilots are not prepared to conduct a go-around on every approach, they risk not responding appropriately to situations that require one.
    7. If a flight plan does not contain search-and-rescue supplementary information, and if that information is not transmitted or readily available, there is a risk that first responders will not have the information they need to respond adequately.

    3.3 Other findings

    1. Transport Canada does not monitor or track the number of days foreign-registered aircraft are in Canada during a given 12-month period.
    2. Turbulence and icing were not considered factors in this occurrence.
    3. Transport Canada considers that the discretionary installation of an angle-of-attack system on normal-category, type-certificated, Canadian-registered aircraft is a major modification that requires a supplemental type certificate approval.
    4. Although the aircraft was not in compliance with Airworthiness Directive 2006-17-05 at the time of the occurrence, there was no indication that it was operating outside of the directive's specifications.
    5. Although not required by regulation, the installation and use of a lightweight flight recording system during the occurrence flight, as well as the successful retrieval of its data during the investigation, permitted a greater understanding of this accident.

    4.0 Safety action

    4.1 Safety action taken

    4.1.1 NAV CANADA

    NAV CANADA worked directly with 2 flight-planning providers to correct their filing processes and align them with the instructions in the Transport Canada Aeronautical Information Manual for filing flight plans in Canada. NAV CANADA is also working with all other third-party providers to ensure that they comply with that manual and with the International Civil Aviation Organization's Procedures for Air Navigation Services—Air Traffic Management for formatting flight plan messages. A reduction in formatting errors has been noted, and new issues are dealt with when they arise.

    NAV CANADA is now receiving complete flight plan and supplementary information. The supplementary information is captured in the identified fields and in the correct form. Search-and-rescue information is placed in the field for survival-equipment remarks.

    NAV CANADA also accelerated publication of the revised global navigation satellite system procedures for Îles-de-la-Madeleine Airport in response to this occurrence. The procedures were published in March 2017.

    This report concludes the Transportation Safety Board of Canada's investigation into this occurrence. The Board authorized the release of this report on . It was officially released on .

    Appendices

    Appendix A — Canada Air Pilot approach plate for area navigation (global navigation satellite system) Runway 07 at Îles-de-la-Madeleine Airport (CYGR)

    Appendix A. Canada Air Pilot approach plate for area navigation (global navigation satellite system) Runway 07 at Îles-de-la-Madeleine Airport (CYGR)
    Image
    Canada Air Pilot approach plate for area navigation (global navigation satellite system) Runway 07 at Îles-de-la-Madeleine Airport (CYGR)

    Source: NAV CANADA, Canada Air Pilot, Instrument Procedures, Quebec, AIP Canada (ICAO) Part 3—Aerodromes (AD), effective 0901Z 04 February 2016 to 0901Z 31 March 2016. NOT TO BE USED FOR NAVIGATION PURPOSES.

    Appendix B — Canada Air Pilot approach plate for localizer / distance measuring equipment Runway 07 at Îles-de-la-Madeleine Airport (CYGR)

    Appendix B. Canada Air Pilot approach plate for area navigation (global navigation satellite system) Runway 07 at Îles-de-la-Madeleine Airport (CYGR)
    Image
    Canada Air Pilot approach plate for localizer / distance measuring equipment Runway 07 at Îles-de-la-Madeleine Airport (CYGR)

    Source: NAV CANADA, Canada Air Pilot, Instrument Procedures, Quebec, AIP Canada (ICAO) Part 3—Aerodromes (AD), effective 0901Z 04 February 2016 to 0901Z 31 March 2016. NOT TO BE USED FOR NAVIGATION PURPOSES.

    Appendix C — Data recorded by Wi-Flight GTA02 flight data recorder system

    Parameter Notes
    High-rate acceleration data (25 hertz)
    Date and time Coordinated Universal Time
    Acceleration 3-axis accelerations in g*
    Acceleration scale accelerometer range of 2.3g or 9.2g
    All other data (4 hertz)
    Elapsed time seconds
    Ground track radians true
    Vertical acceleration  g
    Estimated engine speed  rotations per minute**
    GPS** accuracy  vertical, horizontal, and position (3D) in metres, recorded every 6 seconds
    Latitude and longitude degrees
    Altitude (2x) altitude and "WGS84*** altitude" in metres
    Height above ground metres
    Ground speed metres per second
    Vertical speed feet per minute

    * g: acceleration due to gravity

    ** GPS: global positioning system

    *** WGS84: World Geodetic System 1984

    Appendix D — Thrust required to fly a 3° glide path in landing configuration

    Appendix D. Thrust required to fly a 3° glide path in landing configuration
    Image
    Thrust required to fly a 3° glide path in landing configuration

    Source: Flight Safety Foundation, Approach-and-landing Accident Reduction (ALAR) Task Force, Briefing