TSB Laboratory Report LP168/2013

1.0 Introduction

1.1 Description of occurrence

1.1.1

On 06 July 2013, a unit train carrying petroleum crude oil operated by Montreal, Maine & Atlantic Railway derailed in Lac-Mégantic, Quebec. Numerous tank cars ruptured and a fire ensued. The ambient air temperature at the time of the derailment was reported to be around 21 °C.

1.2 Engineering services requested

1.2.1

A request was received from the Transportation Safety Board of Canada (TSB) Eastern Regional Operations - Rail/Pipeline office to analyze crude oil samples taken from selected tank cars.

1.3 Parts received

1.3.1

Coupons were obtained from 9 derailed tank cars during the field examination. Table 1 summarizes the relevant tank car information. At least one representative tank car from each builder was sampled.

Table 1. Parts received
Car field numberFootnote 1 Position in consist Car initial Car number Owner reporting markFootnote 2 BuilderFootnote 3 Number of coupons
8 10 WFIX 130682 FURX Trinity Tank Car 2
9 11 TILX 316641 TILX Trinity Tank Car 2
15 17 ACFX 79709 NATX ACF Industries 2
20 26 PROX 44293 PROX Union Tank Car 2
24 25 ACFX 76605 NATX ACF Industries 1
34 31 WFIX 130571 FURX Trinity Tank Car 1
40 42 CTCX 735572 CEFX ARI 2
58 63 NATX 310515 NATX Gunderson 2
59 58 ACFX 79383 NATX ACF Industries 2

1.3.2

Figures 1 through 9 are photographs that show the coupons as marked on the cars. Coupons were taken from locations with as little impact and fire damage as possible, except for car WFIX 130571 from which a coupon was purposely taken from an area with extensive fire damage that contained a burn-throughFootnote 4 (Figure 6). The marked sections of cars were cut out using hydraulic shears before the cars were scrapped. Since hot work was not permitted on the occurrence site due to the fire hazard, an external company was contracted to cut circular coupons from the sheared-off sections of tank car using water-jet equipment. Figure 1a is a representative example of a sheared-off section of tank car after the circular coupon was cut out. Table 2 summarizes the identification and origin of each coupon. Figure 10 shows the water jet–cut coupons as received at the TSB Engineering Laboratory.

Table 2. Coupon Identification and Location
Coupon ID Car initial Car number Coupon locationFootnote 5
8H WFIX 130682 B end head
8S WFIX 130682 Shell ring 2
9H TILX 316641 A end head
9S TILX 316641 Shell ring 5
15H ACFX 79709 A end head
15S ACFX 79709 Shell ring 2
20H PROX 44293 B end head
20S PROX 44293 Shell ring 2
24H ACFX 76605 B end headFootnote 6
34S WFIX 130571 Shell ring 5
40H CTCX 735572 A end head
40S CTCX 735572 Shell ring 6
58H NATX 310515 B end head
58S NATX 310515 Shell ring 1
59H ACFX 79383 A end head
59S ACFX 79383 Shell ring 2

1.4 Material requirements for subject tank cars

1.4.1

Table 3 summarizes the material type, grade, and thickness indicated on the Application for Approval and Certificate of Construction of the subject tank cars. The tensile and chemical composition requirements for the specified tank car steels are summarized in tables 4 and 5, respectively.

1.4.2

The heads of 4 cars (WFIX 130582, TILX 316641, PROX 44293, and WFIX 130571) were made of non-normalized ASTM A516 Grade 70 steel whereas the heads of 2 cars (CTCX 735572 and NATX 310515) were made of normalized ASTM A516 Grade 70 steel. The heads of 3 cars (ACFX 79709, ACFX 76605, and ACFX 79383) were made of non-normalized ASTM A515 Grade 70 steel.

1.4.3

All of the shells were made of non-normalized AAR TC128 Grade B steel except for car NATX 310515, the shell of which was made of normalized AAR TC128 Grade B steel.

Table 3. Material requirements for subject tank cars
Car initial Car number Heads Shell
Steel type and grade Nominal thickness (inch) Steel type and grade Nominal thickness (inch)
WFIX 130682 ASTM A516Footnote 7 Grade 70 7/16 AAR TC128Footnote 8 Grade B 7/16
TILX 316641 ASTM A516 Grade 70 7/16 AAR TC128 Grade B 7/16
ACFX 79709 ASTM A515Footnote 9 Grade 70 15/32 AAR TC128 Grade B 7/16
PROX 44293 ASTM A516 Grade 70 15/32 AAR TC128 Grade B 7/16
ACFX 76605 ASTM A515 Grade 70 15/32 AAR TC128 Grade B 7/16
WFIX 130571 ASTM A516 Grade 70 7/16 AAR TC128 Grade B 7/16
CTCX 735572 ASTM A516 Grade 70
normalized
7/16 AAR TC128 Grade B 7/16
NATX 310515 ASTM A516 Grade 70
normalized
0.443 AAR TC128 Grade B
normalized
0.438
ACFX 79383 ASTM A515 Grade 70 15/32 AAR TC128 Grade B 7/16
Table 4. Tensile requirements for tank car steels
Specification Minimum yield strength (psi) Tensile strength (psi) Minimum elongation in 2 inches (%)
ASTM A515 Grade 70 38,000 70,000 to 90,000 21
ASTM A516 Grade 70 38,000 70,000 to 90,000 21
AAR TC128 Grade B 50,000 81,000 to 101,000 22.0 min.
Table 5. Chemical composition requirements for tank car steels
Element Chemical requirements
AAR TC128 Grade BFootnote 10 ASTM A516 Grade 70Footnote 11 ASTM A515 Grade 70Footnote 12
Carbon (max %) 0.26 0.25 A 0.31 B
Manganese (%) 1.00-1.70 A 0.79-1.26 C 1.30 C
Phosphorus (max %) 0.025 0.025 0.025
Sulfur (max %) 0.015 0.015 0.025
Silicon (%) 0.13-0.45 A 0.15-0.45 0.13-0.45
Vanadium (max %) 0.084 0.04 D 0.04 D
Copper (max %) 0.35 0.35 0.43 D
Nickel (max %) No limit 0.43 D 0.43 D
Chromium (max %) No limit 0.34 D 0.34 D
Molybdenum (max %) No limit 0.13 D 0.13 D
Aluminum (%) 0.015-0.060 0.015-0.060 Not specified
Niobium (max %) 0.03 D 0.03 D 0.03 D
Titanium (max %) 0.020 0.020 0.04 D
Boron (max %) 0.0005 0.0005 0.0015 D
Nitrogen (max %) 0.012 0.012 Not specified
Tin (max %) 0.020 0.020 Not specified
CEq (max %) E 0.55 0.45 0.47 F
Cu+Ni+Cr+Mo (max %) 0.65 0.65 1.00 D
Nb+V+Ti (max %) 0.11 0.11 Not specified
Ti/N (max ratio) 4.0 4.0 Not specified
  1. for plate ≤ 3/4 inch thick
  2. 1 inch and under
  3. for each reduction of 0.01 percentage point below the specified maximum for carbon, an increase of 0.06 percentage point above the specified maximum for manganese is permitted, up to a maximum of 1.60%
  4. per ASTM A20/A20M Table 1
  5. CEq = C + Mn / 6 + ( Cr + Mo + V ) / 5 + ( Ni + Cu ) / 15 Footnote 13
  6. per ASTM A20/A20M Table S20.1

2.0 Examination

2.1 Chemical analysis

2.1.1

Samples approximately 1 by 2 inches in size were cut from each tank car coupon at the locations indicated by the dashed red lines in Figure 10. The cut-out samples are shown in Figure 11. The samples were sent to an external laboratoryFootnote 14 for chemical analysis in accordance with ASTM E415-08Footnote 15 and ASTM E1019-11.Footnote 16 The detailed chemical analysis results are presented in Appendix A (see tables A-1 through A-9).

2.1.2

All of the tank car coupons, except for coupon 15S (ACFX 79709 shell), gave chemical analysis results that were in agreement with the currently applicable chemical requirements. Coupon 15S gave a Cu+Ni+Cr+Mo result of 0.74% (Table A-3), which is slightly higher than the maximum Cu+Ni+Cr+Mo limit of 0.65% for TC128 Grade B steel (Table 5). However, tank car ACFX 79709 was ordered in 1979 and the specification had no requirement for a maximum Cu+Ni+Cr+Mo content at that time. Therefore coupon 15S would have met the chemical requirements applicable when the tank car was ordered.

2.2 Thickness measurements

2.2.1

Table 6 summarizes the thickness results obtained on the tank car coupons. Coupon 34S was not measured since it was visibly eroded due to fire damage. The permissible variation in thickness for plate with a specified thickness of 0.438 (7/16) to 0.5 inch ranges from 0.03 to 0.06 inch, depending on the width of the plate.Footnote 17 The subject tank car coupons met this tolerance requirement.

2.3 Metallurgical examination

2.3.1

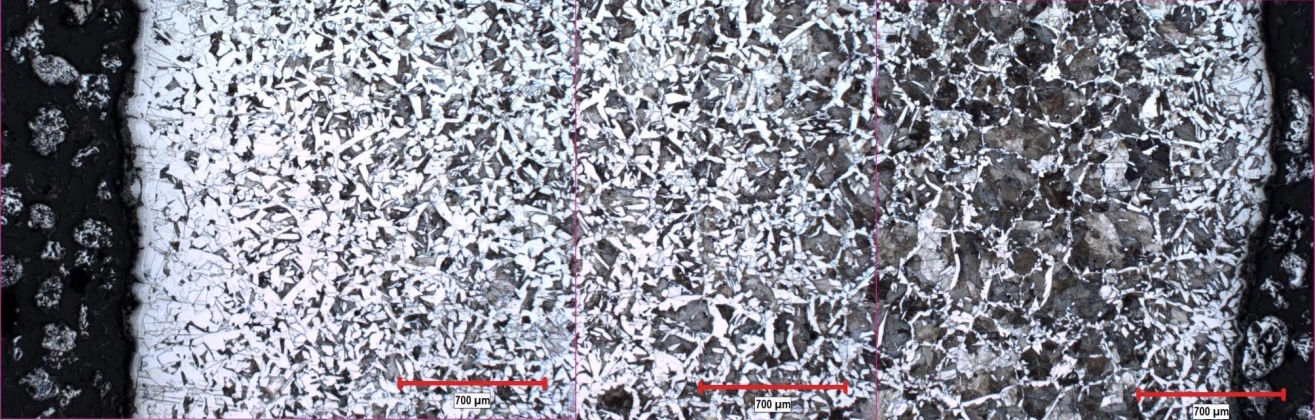
Metallurgical cross-sections were prepared from the coupons to examine their microstructure. For shell coupons, the cross-sections were taken parallel to the tank's longitudinal axis, i.e., transverse to the final rolling direction of the plate. For head coupons, the cross-sections were taken parallel to the vertical axis of the tank (the final rolling direction of head plates relative to the tank was unknown). Figures 12 through 21 display representative micrographs of the cross-sections.

2.3.2

The microstructure of head and shell coupons taken from cars WFIX 130682, TILX 316641, ACFX 79709, PROX 44293, ACFX 79383, and the shell coupon from car CTCX 735572 was composed of equiaxed or slightly elongated ferrite (white constituent) and pearliteFootnote 18 (dark constituent) (figures 12, 13, 14, 15, 21, and 19). Coupons 20S (CTCX 735572 shell) and 59H (ACFX 79383 head) also contained acicular ferrite grains (figures 15d and 21c), suggesting the probable presence of bainite. Examination at higher magnification in a scanning electron microscope (SEM) revealed that the pearlite was lamellar with no visible spheroidizing.Footnote 19 The cross-sections exhibited varying degrees of ferrite-pearlite banding.Footnote 20 Overall these microstructures were consistent with the typical microstructure for non-normalized (as-rolled) steel plates. Coupons 15H (ACFX 79709 head) and 24H (ACFX 76605 head) exhibited visibly larger grains and pearlite with coarser inter-lamellar spacing than the other as-rolled steel coupons in this group.

2.3.3

The microstructure of coupons 58H and 58S (NATX 310515 head and shell) was composed of fine-grained ferrite and lamellar pearlite, with some banding (Figure 20), consistent with a normalized plate steel. Coupon 40H (CTCX 735572 head) was also made of normalized steel but its microstructure was visibly coarser (figures 19a, 19c, and 19e).

Table 6. Thickness results
Coupon ID Car initial, number and coupon location Measured thickness (inch) Nominal thickness (inch)
8H WFIX 130682 head 0.532 0.438
8S WFIX 130682 shell 0.455 0.438
9H TILX 316641 head 0.515 0.438
9S TILX 316641 shell 0.455 0.438
15H ACFX 79709 head 0.465 0.469
15S ACFX 79709 shell 0.450 0.438
20H PROX 44293 head 0.477 0.469
20S PROX 44293 shell 0.455 0.438
24H ACFX 76605 head 0.465 0.469
34S WFIX 130571 shell not determined 0.438
40H CTCX 735572 head 0.473 0.438
40S CTCX 735572 shell 0.448 0.438
58H NATX 310515 head 0.456 0.443
58S NATX 310515 shell 0.437 0.438
59H ACFX 79383 head 0.477 0.469
59S ACFX 79383 shell 0.457 0.438

2.3.4

Figures 17 and 18 show the microstructure of coupon 34S (WFIX 130571 shell). Two cross-sections were prepared from this coupon: the first through the edge of the burn-through (Figure 17), and the second a few centimeters away from the burn-through (Figure 18). Both cross-sections revealed significant microstructure variations across the thickness of the plate (figures 17a and 18a). There was a visible reduction of the amount of pearlite (dark constituent) near the outer surface, whereas the material adjacent to the inner surface was almost fully pearlitic. Such variations were not observed on the other tank car coupons.

2.3.5

On the first cross-section (through the edge of the burn-through), the material adjacent to the inner surface had a lamellar pearlite microstructure with blocky ferrite grains decorating the boundaries of the large prior austenite grains (figures 17b and 17c). On the second cross-section (away from the burn-through), the material adjacent to the inner surface also exhibited a fully pearlitic microstructure, but the prior austenite grain boundaries were decorated with a continuous film of carbide phase (most probably cementite) (figures 18b, 18c, 18d, and 18e). These observations suggest that the region adjacent to the inner surface was significantly enriched with carbon. The carbon content corresponding to a fully pearlitic microstructure is about 0.8 wt.%,Footnote 21 as compared with the initial carbon concentration of 0.11 wt.% (Table A-6). It is considered most probable that this carbon enrichment occurred when the steel was exposed to a carbon-rich environment at elevated temperatures during the post-derailment fire. The crude oil in the tank car likely acted as a supply of carbon for absorption and diffusion into the steel.

2.3.6

The middle portions of the coupon 34S cross-sections exhibited amounts of ferrite and pearlite phases similar to those observed in other cross-sections of as-rolled TC128 Grade B steel (for example coupon 8S). However, the coupon 34S cross-sections had visibly larger grain size, as demonstrated by comparing the grain size on figures 12b and 12f (coupon 8S) with figures 17d, 17e, 18f, and 18g (coupon 34S). This is consistent with the steel having been overheated during the exposure to the post-derailment fire.

2.3.7

The microstructure at the outer surface of coupon 34S was composed mainly of ferrite, with only a small amount of pearlite. The outer surface was covered with an irregular layer of oxide. Figure 17f shows a representative cross-section through this oxide. Energy dispersive x-ray spectroscopy (EDS) indicated it was composed of iron oxide (see area 1 on figures 17f and 17g) and iron-silicon oxide (see area 2 on figures 17f and 17g). The above observations indicate that the outer surface of coupon 34S was both decarburized and oxidized. When steel is exposed to an environment containing oxygen and water vapour at high temperature (as would have been present during the response to the post-derailment fire), the carbon atoms near the surface react with the oxygen and water vapour, causing a reduction of the surface carbon content and consequently, an increase of ferrite content. The iron atoms in the steel also react with the oxygen and water vapour to form iron oxide at the surface.

2.4 Hardness tests

2.4.1

Rockwell B hardness measurements were performed on the metallurgical cross-sections. Hardness was also measured on a second set of samples cut at 90 degrees to the orientation of the metallurgical cross-sections (i.e., parallel to the final rolling direction for shell coupons and parallel to the horizontal axis of the tank for head coupons; see paragraph 2.3.1). The results are summarized in Table 7. The tensile strength requirement for the AAR TC128 Grade B steel used for the shells is 81,000 to 101,000 psi, corresponding to an approximate hardness requirement of 84 to 95.5 HRBW.Footnote 22 The shell coupons met this requirement except for coupons 9S, 15S, and 40S, which gave results slightly below the 84 HRBW limit. The tensile strength requirement for the ASTM A515 Grade 70 and ASTM A516 Grade 70 steels used for the heads is 70,000 to 90,000 psi. This corresponds to an approximate hardness requirement of 79 to 91 HRBW. Head coupons 9H, 20H, and 59H met this requirement whereas coupons 8H, 15H, 24H, 40H, and 58H gave results slightly below the 79 HRBW limit.

Table 7. Rockwell B hardness results
Coupon ID Car initial, number and coupon location Average hardness (HRBW)
Metallurgical cross-section 90º to metallurgical cross-section
8H WFIX 130682 head 78 76
8S WFIX 130682 shell 85 82
9H TILX 316641 head 81 79
9S TILX 316641 shell 85 83
15H ACFX 79709 head 79 76
15S ACFX 79709 shell 85 84
20H PROX 44293 head 82 81
20S PROX 44293 shell 95 95
24H ACFX 76605 head 76 73
34S WFIX 130571 shell 88 not determined
40H CTCX 735572 head 77 76
40S CTCX 735572 shell 83 82
58H NATX 310515 head 80 78
58S NATX 310515 shell 87 85
59H ACFX 79383 head 87 86
59S ACFX 79383 shell 91 90

2.5 Tensile tests

2.5.1

Tensile testing of selected tank car coupons was conducted by an external laboratoryFootnote 23 in accordance with ASTM A370-12a. Tensile samples were machined with their longitudinal axis parallel to the tank's longitudinal axis (shell coupons) or to its vertical axis (head coupons). The gauge length was 2 inches and the nominal gauge width was 0.5 inch. Three samples were tested for each coupon and the results are presented in tables 8 (head coupons) and 9 (shell coupons).

2.5.2

All of the head coupons met the tensile requirements for the specified ASTM A515 Grade 70 and ASTM A515 Grade 70 steels (Table 8). All of the shell coupons met the tensile requirements for the specified AAR TC128 Grade B steel, except for coupon 40S (CTCX 735572) that had 2 samples (40S-2 and 40S-3) with ultimate tensile strength (UTS) results marginally below the minimum requirement (Table 9).

2.5.3

Coupons made of non-normalized steel gave tensile results that were generally comparable to those obtained from normalized steel coupons (tables 8 and 9).

Table 8. Tensile results – Head coupons
Car initial and number Steel type and grade Sample ID 0.2% yield stress (psi) Ultimate tensile strength (psi) Elongation (%)
TILX 316641 ASTM A516 Grade 70 non-normalized 9H-1 51,600 72,900 38
TILX 316641 ASTM A516 Grade 70 ASTM A516 Grade 70 non-normalized 9H-2 53,400 75,300 36
TILX 316641 ASTM A516 Grade 70 ASTM A516 Grade 70 non-normalized 9H-3 52,300 74,800 35
PROX 44293 ASTM A516 Grade 70 non-normalized 20H-1 48,400 76,200 35
PROX 44293 ASTM A516 Grade 70 non-normalized 20H-2 46,300 76,800 33
PROX 44293 ASTM A516 Grade 70 non-normalized 20H-3 49,900 75,700 33
CTCX 735572 ASTM A516 Grade 70 normalized 40H-1 44,000 71,400 38
CTCX 735572 ASTM A516 Grade 70 normalized 40H-2 41,100 71,100 34
CTCX 735572 ASTM A516 Grade 70 normalized 40H-3 41,900 71,400 36
NATX 310515 ASTM A516 Grade 70 normalized 58H-1 46,900 73,600 36
NATX 310515 ASTM A516 Grade 70 normalized 58H-2 52,600 74,800 34
NATX 310515 ASTM A516 Grade 70 normalized 58H-3 51,400 75,000 34
ACFX 79383 ASTM A515 Grade 70 non-normalized 59H-1 48,100 81,500 24
ACFX 79383 ASTM A515 Grade 70 non-normalized 59H-2 60,300 85,800 29
ACFX 79383 ASTM A515 Grade 70 non-normalized 59H-3 61,600 86,200 29

Tensile requirements per ASTM A515-70 and ASTM A516-70 (see Table 4)

  • 0.2% yield stress (psi): min 38,000
  • Ultimate tensile strength (psi): 70,000 to 90,000
  • Elongation (%): min 21
Table 9. Tensile results – Shell coupons
Car initial and number Steel type and grade Sample ID 0.2% yield stress (psi) Ultimate tensile strength (psi) Elongation (%)
TILX 316641 AAR TC128 Grade B non-normalized 9S-1 54,100 81,600 30
TILX 316641 AAR TC128 Grade B non-normalized 9S-2 51,700 81,600 30
TILX 316641 AAR TC128 Grade B non-normalized 9S-3 52,100 82,000 34
PROX 44293 AAR TC128 Grade B non-normalized 20S-1 67,800 98,400 24
PROX 44293 AAR TC128 Grade B non-normalized 20S-2 71,500 97,500 22
PROX 44293 AAR TC128 Grade B non-normalized 20S-3 70,300 97,400 22
CTCX 735572 AAR TC128 Grade B non-normalized 40S-1 52,600 81,000 34
CTCX 735572 AAR TC128 Grade B non-normalized 40S-2 53,400 80,700 32
CTCX 735572 AAR TC128 Grade B non-normalized 40S-3 50,600 80,300 32
NATX 310515 AAR TC128 Grade B normalized 58S-1 62,500 84,500 28
NATX 310515 AAR TC128 Grade B normalized 58S-2 62,900 84,900 28
NATX 310515 AAR TC128 Grade B normalized 58S-3 62,800 85,000 30
ACFX 79383 AAR TC128 Grade B non-normalized 59S-1 66,400 89,700 26
ACFX 79383 AAR TC128 Grade B non-normalized 59S-2 68,600 91,400 26
ACFX 79383 AAR TC128 Grade B non-normalized 59S-3 67,600 91,300 26

Tensile requirements per AAR TC128-B (see Table 4)

  • 0.2% yield stress (psi): min 50,000
  • Ultimate tensile strength (psi): 81,000 to 101,000
  • Elongation (%): min 22.0

3.0 Discussion

3.1

The tank car coupons gave chemical analysis results that were consistent with the currently applicable chemical requirements, except for coupon 15S (ACFX 79709 shell), which had a slightly enhanced amount of the sum concentration of 4 metallic elements (the concentrations of these elements taken separately met the current specification requirements). However, this coupon would have met the chemical requirements applicable when tank car ACFX 79709 was ordered.

3.2

The microstructure of the tank car coupons was composed primarily of ferrite and pearlite grains, with some variation of grain size and degree of ferrite-pearlite banding. Overall, the coupon microstructures were generally consistent with the microstructure expected for the specified plate steels.

3.3

Coupons 58H and 58S (NATX 310515 head and shell), which were made of normalized steels, had visibly finer grains than the other coupons, consistent with the expected effect of normalizing. During the normalizing process, the steel is reheated to form austenite, followed by air cooling through the phase transformation. This is usually done to refine the ferrite grain size and to obtain a fine pearlite structure.Footnote 24

3.4

Coupons 15H (ACFX 79709 head), 24H (ACFX 76605 head), 40H and 40S (CTCX 735572 head and shell) had visibly larger grains and coarser pearlite than the other coupons. Discoloration indicative of fire damage was noted on the outer surface of these tank cars (see figures 3, 5, and 7). Reheating of ferrite-pearlite steels above 600 to 700 °C eventually causes a coarsening of the microstructure.Footnote 25 Ferrite grain growth takes place due to the enhanced rate of diffusion at higher temperature. The cementite particles of the pearlite phase can also coarsen and eventually become spheroidized (globular). It is considered likely that the coarser microstructures exhibited by coupons 15H, 24H, 40H, and 40S were caused by the exposure to the post-derailment fire.

3.5

The Rockwell B hardness results obtained for the tank car coupons were in general agreement with the equivalent hardness limits corresponding to the tensile requirement except for some coupons that gave marginally low hardness results. As noted above, coupons 15H, 24H, 40H and 40S had visibly coarser microstructures, likely due to their exposure to the post-derailment fire. This may explain their lower hardness, since grain growth results in softening of the steel. It is possible that some coarsening due to fire exposure also affected the microstructure of other coupons with lower hardness results.

3.6

Head coupons from cars TILX 316641, PROX 44293, CTCX 735572, NATX 310515, and ACFX 79383 met the tensile requirements for the specified ASTM A515 Grade 70 and ASTM A515 Grade 70 steels. The shell coupons met the tensile requirements for the specified AAR TC128 Grade B steel, except for coupon 40S (CTCX 735572), which had 2 samples with UTS results marginally below the minimum requirement. As mentioned above, the microstructure of this coupon was likely softened due to exposure to the post-derailment fire.

3.7

The examination of a coupon taken from a tank car with extensive fire damage revealed a carbon-enriched region at the tank's inner surface. The crude oil in the tank car likely acted as a supply of carbon for absorption and diffusion into the steel during the exposure to the post-derailment fire. High-temperature carburization attack can produce embrittlement, pitting, and rapid loss of material (so-called metal dusting).Footnote 26 The outer surface of the steel was decarburized and oxidized, consistent with exposure to oxygen and/or water vapour at elevated temperature. No sign of melting was observed on the coupon cross-sections, indicating that melting was not the cause of the burn-through. It is concluded that chemical reaction of the steel with the crude oil and the external environment was likely responsible for the plate erosion and loss of material causing the burn-through.

3.8

The cross-sections of the fire-damaged coupon had large grains, suggesting that the steel was exposed to high temperatures in the austenite range (well above 800 °C), causing significant coarsening of the austenite. This is consistent with the range of temperatures within pool fires reported in available literature (900–1100 °C).Footnote 27

4.0 Conclusion

4.1

The tank car coupons met the applicable chemical composition requirements at time of manufacture.

4.2

The tank car coupons met the current thickness requirements.

4.3

With the exception of some coupons likely affected by exposure to the post-derailment fire, the microstructure of the tank car coupons was generally consistent with the microstructure expected for the specified plate steels.

4.4

The microstructure of some coupons was likely coarsened due to exposure to high temperature during the post-derailment fire.

4.5

The tank car coupons met the specified tensile requirements except for 1 coupon (CTCX 735572 shell), which gave slightly low ultimate tensile strength results. This was likely due to softening of the steel caused by the exposure to the post-derailment fire.

4.6

Coupons made of non-normalized and normalized steels had generally similar tensile properties.

4.7

The coupon with extensive fire damage exhibited changes to its carbon content and external oxidation consistent with exposure to crude oil and air at high temperature during the post-derailment fire. The resulting chemical reactions were likely responsible for the loss of material causing the burn-through. A large grain size was observed indicating that the steel was likely exposed to temperatures well above 800 °C.

4.8

The coupon examination did not find any material deficiency that could have affected the performance of the tank cars during the derailment.

5.0 Figures

Figure 1. Photographs showing coupons marked on tank car WFIX 130682

(a) Sheared-off head with a round hole where the coupon has been cut out using water-jet equipment.
Image
Photo of tank car WFIX 130682 showing a sheared-off head with the round hole where the coupon has been cut out using water-jet equipment
(b) Coupon marked on the shell.
Image
Photo of tank car WFIX 130682 showing coupon marked on the shell

Figure 2. Photographs showing coupons marked on tank car TILX 316641

(a) Coupon marked on the head.
Image
(a) Coupon marked on the head
(b) Coupon marked on the shell.
Image
(b) Coupon marked on the shell

Figure 3. Photographs showing coupons marked on tank car ACFX 79709

(a) Coupon marked on the head.
Image
(a) Coupon marked on the head
(b) Coupon marked on the shell.
Image
(b) Coupon marked on the shell

Figure 4. Photographs showing coupons marked on tank car PROX 44293

(a) Coupon marked on the head
Image
(a) Coupon marked on the head
(b) Coupon marked on the shell"
Image
(b) Coupon marked on the shell

Figure 5. Photograph showing coupon marked on the head of tank car ACFX 76605

Figure 6. Photograph showing the location (circled) from which a coupon was taken from tank car WFIX 130571

Figure 7. Photograph showing coupons marked the head and shell of tank car CTCX 735572.

Figure 8. Photographs showing coupons marked on tank car NATX 310515

(a) Coupon marked on the head
Image
(a) Coupon marked on the head
(b) Coupon marked on the shell
Image
(b) Coupon marked on the shell

Figure 9. Photographs showing the coupons marked on tank car ACFX 79383

(a) Coupon marked on the head
Image
(a) Coupon marked on the head
(b) Coupon marked on the shell
Image
(b) Coupon marked on the shell

Figure 10. Photographs showing the coupons as received

Arrows indicate the "up" direction (head coupons) or the car's longitudinal axis (shell coupons). Dashed red lines indicate the portion used for chemical analysis, metallurgical examination and hardness testing.

Select an image to see it at full size.

Figure 11. Photograph showing the samples cut out of each coupon

The smaller piece was used for chemical analysis; the larger piece for metallurgical examination and hardness testing. Arrows marked on the larger pieces indicate the vertical direction (head coupons) or the tank car's longitudinal axis (shell coupons).

Figure 12. Metallurgical cross-sections (Nital etch) of the WFIX 130682 coupons

Coupon 8H – head
 
Image
(a) Coupon 8H – Optical micrograph, original magnification 200X
(a) Coupon 8H – Optical micrograph, original magnification 200X
Coupon 8S - shell
 
Image
(b) Coupon 8S – Optical micrograph, original magnification 200X
(b) Coupon 8S – Optical micrograph, original magnification 200X"
(c) Coupon 8H – Optical micrograph, original magnification 1000X
Image
(c) Coupon 8H – Optical micrograph, original magnification 1000X
(d) Coupon 8S – Optical micrograph, original magnification 1000X
Image
(d) Coupon 8S – Optical micrograph, original magnification 1000X
(e) Coupon 8H – SEM micrograph, original magnification 3000X
Image
(e) Coupon 8H – SEM micrograph, original magnification 3000X
(f) Coupon 8S – SEM micrograph, original magnification 3000X
Image
(f) Coupon 8S – SEM micrograph, original magnification 3000X

Figure 13. Metallurgical cross-sections (Nital etch) of the TILX 316641 coupons

Coupon 9H – head
 
Image
(a) Coupon 9H – Optical micrograph, original magnification 200X
(a) Coupon 9H – Optical micrograph, original magnification 200X
Coupon 9S - shell
 
Image
(b) Coupon 9S – Optical micrograph, original magnification 200X
(b) Coupon 9S – Optical micrograph, original magnification 200X
(c) Coupon 9H – Optical micrograph, original magnification 1000X
Image
(c) Coupon 9H – Optical micrograph, original magnification 1000X
(d) Coupon 9S – Optical micrograph, original magnification 1000X
Image
(d) Coupon 9S – Optical micrograph, original magnification 1000X
(e) Coupon 9H – SEM micrograph, original magnification 3000X
Image
(e) Coupon 9H – SEM micrograph, original magnification 3000X
(f) Coupon 9S – SEM micrograph, original magnification 3000X
Image
(f) Coupon 9S – SEM micrograph, original magnification 3000X

Figure 14. Metallurgical cross-sections (Nital etch) of the ACFX 79709 coupons

Coupon 15H - head
 
Image
(a) Coupon 15H – Optical micrograph, original magnification 200X
(a) Coupon 15H – Optical micrograph, original magnification 200X
Coupon 15S - shell
 
Image
(b) Coupon 15S – Optical micrograph, original magnification 200X
(b) Coupon 15S – Optical micrograph, original magnification 200X
Image
(c) Coupon 15H – Optical micrograph, original magnification 1000X
(c) Coupon 15H – Optical micrograph, original magnification 1000X
Image
(d) Coupon 15S – Optical micrograph, original magnification 1000X
(d) Coupon 15S – Optical micrograph, original magnification 1000X
Image
(e) Coupon 15H – SEM micrograph, original magnification 3000X
(e) Coupon 15H – SEM micrograph, original magnification 3000X
Image
(f) Coupon 15S – SEM micrograph, original magnification 3000X
(f) Coupon 15S – SEM micrograph, original magnification 3000X

Figure 15. Metallurgical cross-sections (Nital etch) of the PROX 44293 coupons

Coupon 20H - head
 
Image
(a) Coupon 20H – Optical micrograph, original magnification 200X
(a) Coupon 20H – Optical micrograph, original magnification 200X
Coupon 20S - shell
 
Image
(b) Coupon 20S – Optical micrograph, original magnification 200X
(b) Coupon 20S – Optical micrograph, original magnification 200X
Image
(c) Coupon 20H – Optical micrograph, original magnification 1000X
(c) Coupon 20H – Optical micrograph, original magnification 1000X
Image
(d) Coupon 20S – Optical micrograph, original magnification 1000X
(e) Coupon 20H – SEM micrograph, original magnification 3000X
Image
(e) Coupon 20H – SEM micrograph, original magnification 3000X
(e) Coupon 20H – SEM micrograph, original magnification 3000X
Image
(f) Coupon 20S – SEM micrograph, original magnification 3000X
(f) Coupon 20S – SEM micrograph, original magnification 3000X

Figure 16. Metallurgical cross-section (Nital etch) of coupon 24H (ACFX 76605 - head)

Image
(a) Coupon 24H – Optical micrograph, original magnification 200X
(a) Coupon 24H – Optical micrograph, original magnification 200X
Image
(b) Coupon 24H – Optical micrograph, original magnification 1000X
(b) Coupon 24H – Optical micrograph, original magnification 1000X
Image
(c) Coupon 24H – SEM micrograph, original magnification 3000X
(c) Coupon 24H – SEM micrograph, original magnification 3000X

Figure 17. Metallurgical cross-section of the WFIX 130571 shell coupon taken near the burn-through

Image
(a) Coupon 34S – Montage of optical micrographs showing the microstructural variation across the plate thickness (left- outer surface, right –inner surface, Nital etch, original magnification 25X)
(a) Coupon 34S – Montage of optical micrographs showing the microstructural variation across the plate thickness (left- outer surface, right –inner surface, Nital etch, original magnification 25X)
Image
(b) Coupon 34S – Optical micrograph taken near the inner surface (Nital etch, original magnification 200X)
(b) Coupon 34S – Optical micrograph taken near the inner surface (Nital etch, original magnification 200X)
Image
(c) Coupon 34S – SEM micrograph taken near the inner surface (Nital etch, original magnification 2000X)
(c) Coupon 34S – SEM micrograph taken near the inner surface (Nital etch, original magnification 2000X)
Image
(d) Coupon 34S – Optical micrograph taken in the middle of the cross-section (Nital etch, original magnification 200X)
(d) Coupon 34S – Optical micrograph taken in the middle of the cross-section (Nital etch, original magnification 200X)
Image
(e) Coupon 34S – SEM micrograph taken in the middle of the cross-section (Nital etch, original magnification 2000X)
(e) Coupon 34S – SEM micrograph taken in the middle of the cross-section (Nital etch, original magnification 2000X)
Image
(f) Coupon 34S – SEM micrograph showing the oxide layer on the outer surface (back scattered electron mode, as-polished, original magnification 150X)
(f) Coupon 34S – SEM micrograph showing the oxide layer on the outer surface (back scattered electron mode, as-polished, original magnification 150X)
(g) Coupon 34S – EDS spectra obtained from the areas highlighted on Figure 17f (O - oxygen, Si - silicon, Mn - manganese, Fe - iron)
Image
(g) Coupon 34S – EDS spectra obtained from the areas highlighted on Figure 17f [area 1] (O - oxygen, Si - silicon, Mn - manganese, Fe - iron).
Area 1
Image
(g) Coupon 34S – EDS spectra obtained from the areas highlighted on Figure 17f [area 2] (O - oxygen, Si - silicon, Mn - manganese, Fe - iron).
Area 2
Image
(g) Coupon 34S – EDS spectra obtained from the areas highlighted on Figure 17f [area 3] (O - oxygen, Si - silicon, Mn - manganese, Fe - iron).
Area 3

Figure 18. Metallurgical cross-section of the WFIX 130571 shell coupon taken away from the burn-through

Image
(a) Coupon 34S - Montage of optical micrographs showing the microstructural variation across the plate thickness (left-outer surface, right–inner surface, Nital etch, original magnification 25X)
(a) Coupon 34S - Montage of optical micrographs showing the microstructural variation across the plate thickness (left-outer surface, right–inner surface, Nital etch, original magnification 25X)
Image
(b) Coupon 34S - Optical micrograph taken near the inner surface (Nital etch, original magnification 200X)
(b) Coupon 34S - Optical micrograph taken near the inner surface (Nital etch, original magnification 200X)
Image
(c) Coupon 34S - Optical micrograph taken near the inner surface (Nital etch, original magnification 1000X)
(c) Coupon 34S - Optical micrograph taken near the inner surface (Nital etch, original magnification 1000X)
Image
(d) Coupon 34S - SEM micrograph taken near the inner surface showing carbide phase decorating the prior austenite grain boundary (Nital etch, original magnification 2000X)
(d) Coupon 34S - SEM micrograph taken near the inner surface showing carbide phase decorating the prior austenite grain boundary (Nital etch, original magnification 2000X)
Image
(e) Coupon 34S - SEM micrograph taken near the inner surface showing pearlitic microstructure (Nital etch, original magnification 2000X)
(e) Coupon 34S - SEM micrograph taken near the inner surface showing pearlitic microstructure (Nital etch, original magnification 2000X)
Image
(f) Coupon 34S - Optical micrograph taken in the middle of the cross-section (Nital etch, original magnification 200X)
(f) Coupon 34S - Optical micrograph taken in the middle of the cross-section (Nital etch, original magnification 200X)
Image
(g) Coupon 34S - SEM micrograph taken in the middle of the cross-section (Nital etch, original magnification 2000X)
(g) Coupon 34S - SEM micrograph taken in the middle of the cross-section (Nital etch, original magnification 2000X)

Figure 19. Metallurgical cross-sections (Nital etch) of the CTCX 735572 coupons

Image
(a) Coupon 40H – Optical micrograph, original magnification 200X
(a) Coupon 40H – Optical micrograph, original magnification 200X
Image
(b) Coupon 40S – Optical micrograph, original magnification 200X
(b) Coupon 40S – Optical micrograph, original magnification 200X
Image
(c) Coupon 40H – Optical micrograph, original magnification 1000X
(c) Coupon 40H – Optical micrograph, original magnification 1000X
Image
(d) Coupon 40S – Optical micrograph, original magnification 1000X
(d) Coupon 40S – Optical micrograph, original magnification 1000X
Image
(e) Coupon 40H – SEM micrograph, original magnification 3000X
(e) Coupon 40H – SEM micrograph, original magnification 3000X
Image
(f) Coupon 40S – SEM micrograph, original magnification 3000X
(f) Coupon 40S – SEM micrograph, original magnification 3000X

Figure 20. Metallurgical cross-sections (Nital etch) of the NATX 310515 coupons

Image
(a) Coupon 58H – Optical micrograph, original magnification 200X
(a) Coupon 58H – Optical micrograph, original magnification 200X
Image
(b) Coupon 40S – Optical micrograph, original magnification 200X
(b) Coupon 58S – Optical micrograph, original magnification 200X
Image
(c) Coupon 58H – Optical micrograph, original magnification 1000X
(c) Coupon 58H – Optical micrograph, original magnification 1000X
Image
(d) Coupon 58S – Optical micrograph, original magnification 1000X
(d) Coupon 58S – Optical micrograph, original magnification 1000X
Image
(e) Coupon 58H – SEM micrograph, original magnification 3000X
(e) Coupon 58H – SEM micrograph, original magnification 3000X
Image
(f) Coupon 58S – SEM micrograph, original magnification 3000X
(f) Coupon 58S – SEM micrograph, original magnification 3000X

Figure 21. Metallurgical cross-sections (Nital etch) of the ACFX 79383 coupons

Image
(a) Coupon 59H – Optical micrograph, original magnification 200X
(a) Coupon 59H – Optical micrograph, original magnification 200X
Image
(b) Coupon 59S – Optical micrograph, original magnification 200X
(b) Coupon 59S – Optical micrograph, original magnification 200X
Image
(c) Coupon 59H – Optical micrograph, original magnification 1000X
(c) Coupon 59H – Optical micrograph, original magnification 1000X
Image
(d) Coupon 59S – Optical micrograph, original magnification 1000X
(d) Coupon 59S – Optical micrograph, original magnification 1000X
Image
(e) Coupon 59H – SEM micrograph, original magnification 3000X
(e) Coupon 59H – SEM micrograph, original magnification 3000X
Image
(f) Coupon 59S – SEM micrograph, original magnification 3000X
(f) Coupon 59S – SEM micrograph, original magnification 3000X

6.0 Appendices

Appendix A - Chemical analysis results for tank car coupons

Table A-1a: WFIX 130682 coupons (Coupon 8H - head)
Element Requirement per ASTM A516-70A (%) Result (%)
Carbon 0.25 max 0.16
Manganese 0.79-1.26 1.06
Phosphorus 0.025 max 0.012
Sulfur 0.015 max 0.012
Silicon 0.15-0.45 0.26
Vanadium 0.04 max <0.005
Copper 0.35 max 0.17
Nickel 0.43 max 0.06
Chromium 0.34 max 0.05
Molybdenum 0.13 max 0.02
Aluminum 0.015-0.060 0.024
Niobium 0.03 max <0.005
Titanium 0.020 max <0.005
Boron 0.0005 max <0.0005
Nitrogen 0.012 max 0.006
Tin 0.020 max 0.01
CEq 0.45 max <0.37
Cu+Ni+Cr+Mo 0.65 max 0.3
Nb+V+Ti 0.11 max <0.015
Ti/N 4.0 max <0.83

A Refer to Table 5 in main body of report for details.

Table A-1b: WFIX 130682 coupons (Coupon 8S - shell)
Element Requirement per TC128-BA (%) Result (%)
Carbon 0.26 max 0.20
Manganese 1.00-1.70 1.42
Phosphorus 0.025 max 0.021
Sulfur 0.015 max 0.005
Silicon 0.13-0.45 0.32
Vanadium 0.084 max <0.005
Copper 0.35 max 0.02
Nickel no limit 0.02
Chromium no limit 0.02
Molybdenum no limit <0.01
Aluminum 0.015-0.060 0.030
Niobium 0.03 max <0.005
Titanium 0.020 max <0.005
Boron 0.0005 max <0.0005
Nitrogen 0.012 max 0.007
Tin 0.020 max <0.01
CEq 0.55 max <0.45
Cu+Ni+Cr+Mo 0.65 max <0.07
Nb+V+Ti 0.11 max <0.015
Ti/N 4.0 max <0.71

A Refer to Table 5 in main body of report for details.

Table A-2a: TILX 316641 coupons (Coupon 9H - head)
Element Requirement per ASTM A516-70A (%) Result (%)
Carbon 0.25 max 0.12
Manganese 0.79-1.26 1.31
Phosphorus 0.025 max 0.014
Sulfur 0.015 max 0.008
Silicon 0.15-0.45 0.31
Vanadium 0.04 max <0.005
Copper 0.35 max 0.24
Nickel 0.43 max 0.13
Chromium 0.34 max 0.10
Molybdenum 0.13 max 0.04
Aluminum 0.015-0.060 0.036
Niobium 0.03 max <0.005
Titanium 0.020 max <0.005
Boron 0.0005 max <0.0005
Nitrogen 0.012 max 0.009
Tin 0.020 max 0.01
CEq 0.45 max <0.39
Cu+Ni+Cr+Mo 0.65 max 0.51
Nb+V+Ti 0.11 max <0.015
Ti/N 4.0 max <0.56

A Refer to Table 5 in main body of report for details.

Table A-2b: TILX 316641 coupons (Coupon 9S - shell)
Element Requirement per TC128-BA (%) Result (%)
Carbon 0.26 max 0.21
Manganese 1.00-1.70 1.43
Phosphorus 0.025 max 0.020
Sulfur 0.015 max 0.006
Silicon 0.13-0.45 0.33
Vanadium 0.084 max <0.005
Copper 0.35 max 0.03
Nickel no limit 0.02
Chromium no limit 0.02
Molybdenum no limit <0.01
Aluminum 0.015-0.060 0.028
Niobium 0.03 max <0.005
Titanium 0.020 max <0.005
Boron 0.0005 max <0.0005
Nitrogen 0.012 max 0.007
Tin 0.020 max <0.01
CEq 0.55 max <0.46
Cu+Ni+Cr+Mo 0.65 max <0.08
Nb+V+Ti 0.11 max <0.015
Ti/N 4.0 max <0.71

A Refer to Table 5 in main body of report for details.

Table A-3a: ACFX 79709 coupons (Coupon 15H - head)
Element Requirement per ASTM A515-70A (%) Result (%)
Carbon 0.31 max 0.27
Manganese 1.30 max 0.46
Phosphorus 0.025 max 0.012
Sulfur 0.025 max 0.008
Silicon 0.15-0.45 0.25
Vanadium 0.04 max <0.005
Copper 0.43 max 0.16
Nickel 0.43 max 0.12
Chromium 0.34 max 0.11
Molybdenum 0.13 max 0.03
Aluminum not specified <0.005
Niobium 0.03 max <0.005
Titanium 0.04 max <0.005
Boron 0.0015 max <0.0005
Nitrogen not specified 0.008
Tin not specified 0.01
CEq 0.47 max <0.39
Cu+Ni+Cr+Mo 1.00 max 0.42
Nb+V+Ti not specified <0.015
Ti/N not specified <0.63

A Refer to Table 5 in main body of report for details.

Table A-3b: ACFX 79709 coupons (Coupon 15S - shell)
Element Requirement per TC128-BA (%) Result (%)
Carbon 0.26 max 0.18
Manganese 1.00-1.70 1.13
Phosphorus 0.025 max 0.010
Sulfur 0.015 max 0.014
Silicon 0.13-0.45 0.19
Vanadium 0.084 max 0.044
Copper 0.35 max 0.30
Nickel no limit 0.22
Chromium no limit 0.17
Molybdenum no limit 0.05
Aluminum 0.015-0.060 0.018
Niobium 0.03 max <0.005
Titanium 0.020 max <0.005
Boron 0.0005 max <0.0005
Nitrogen 0.012 max 0.010
Tin 0.020 max 0.02
CEq 0.55 max 0.46
Cu+Ni+Cr+Mo 0.65 max 0.74
Nb+V+Ti 0.11 max <0.054
Ti/N 4.0 max <0.50

A Refer to Table 5 in main body of report for details.

Table A-4a: PROX 44293 coupons (Coupon 20H - head)
Element Requirement per ASTM A516-70A (%) Result (%)
Carbon 0.25 max 0.18
Manganese 0.79-1.26 1.13
Phosphorus 0.025 max 0.016
Sulfur 0.015 max 0.007
Silicon 0.15-0.45 0.33
Vanadium 0.04 max <0.005
Copper 0.35 max 0.02
Nickel 0.43 max 0.01
Chromium 0.34 max 0.12
Molybdenum 0.13 max 0.08
Aluminum 0.015-0.060 0.038
Niobium 0.03 max 0.005
Titanium 0.020 max <0.005
Boron 0.0005 max <0.0005
Nitrogen 0.012 max <0.005
Tin 0.020 max <0.01
CEq 0.45 max <0.41
Cu+Ni+Cr+Mo 0.65 max 0.23
Nb+V+Ti 0.11 max <0.015
Ti/N 4.0 max 1.0

A Refer to Table 5 in main body of report for details.

Table A-4b: PROX 44293 coupons (Coupon 20S - shell)
Element Requirement per TC128-BA (%) Result (%)
Carbon 0.26 max 0.23
Manganese 1.00-1.70 1.51
Phosphorus 0.025 max 0.014
Sulfur 0.015 max 0.012
Silicon 0.13-0.45 0.27
Vanadium 0.084 max 0.034
Copper 0.35 max 0.02
Nickel no limit 0.01
Chromium no limit 0.16
Molybdenum no limit 0.04
Aluminum 0.015-0.060 0.023
Niobium 0.03 max <0.005
Titanium 0.020 max <0.005
Boron 0.0005 max <0.0005
Nitrogen 0.012 max 0.005
Tin 0.020 max 0.01
CEq 0.55 max 0.53
Cu+Ni+Cr+Mo 0.65 max 0.23
Nb+V+Ti 0.11 max <0.044
Ti/N 4.0 max <1.0

A Refer to Table 5 in main body of report for details.

Table A-5a: ACFX 76605 coupons (Coupon 24H - head)
Element Requirement per ASTM A515-70A (%) Result (%)
Carbon 0.31 max 0.25
Manganese 1.30 max 0.50
Phosphorus 0.025 max 0.006
Sulfur 0.025 max 0.008
Silicon 0.15-0.45 0.29
Vanadium 0.04 max <0.005
Copper 0.43 max 0.16
Nickel 0.43 max 0.13
Chromium 0.34 max 0.11
Molybdenum 0.13 max 0.03
Aluminum not specified <0.005
Niobium 0.03 max <0.005
Titanium 0.04 max <0.005
Boron 0.0015 max <0.0005
Nitrogen not specified 0.007
Tin not specified 0.01
CEq 0.47 max 0.38
Cu+Ni+Cr+Mo 1.00 max 0.43
Nb+V+Ti not specified <0.015
Ti/N not specified <0.71

A Refer to Table 5 in main body of report for details.

Table A-6: WFIX 130571 Coupon (Coupon 34S - shell)
Element Requirement per TC128-BA (%) Result (%)
Carbon 0.26 max 0.11
Manganese 1.00-1.70 1.23
Phosphorus 0.025 max 0.015
Sulfur 0.015 max <0.005
Silicon 0.13-0.45 0.32
Vanadium 0.084 max 0.031
Copper 0.35 max 0.28
Nickel no limit 0.12
Chromium no limit 0.12
Molybdenum no limit 0.02
Aluminum 0.015-0.060 0.035
Niobium 0.03 max <0.005
Titanium 0.020 max <0.005
Boron 0.0005 max <0.0005
Nitrogen 0.012 max 0.008
Tin 0.020 max 0.01
CEq 0.55 max 0.38
Cu+Ni+Cr+Mo 0.65 max 0.54
Nb+V+Ti 0.11 max <0.041
Ti/N 4.0 max <0.63

A Refer to Table 5 in main body of report for details.

Table A-7a: CTCX 735572 coupons (Coupon 40H - head)
Element Requirement per ASTM A516-70A (%) Result (%)
Carbon 0.25 max 0.17
Manganese 0.79-1.26 1.13
Phosphorus 0.025 max 0.015
Sulfur 0.015 max 0.007
Silicon 0.15-0.45 0.32
Vanadium 0.04 max <0.005
Copper 0.35 max 0.02
Nickel 0.43 max 0.02
Chromium 0.34 max 0.12
Molybdenum 0.13 max 0.09
Aluminum 0.015-0.060 0.035
Niobium 0.03 max <0.005
Titanium 0.020 max <0.005
Boron 0.0005 max <0.0005
Nitrogen 0.012 max <0.005
Tin 0.020 max <0.01
CEq 0.45 max <0.40
Cu+Ni+Cr+Mo 0.65 max 0.25
Nb+V+Ti 0.11 max <0.015
Ti/N 4.0 max 1.0

A Refer to Table 5 in main body of report for details.

Table A-7b: CTCX 735572 coupons (Coupon 40S - shell)
Element Requirement per TC128-BA (%) Result (%)
Carbon 0.26 max 0.26
Manganese 1.00-1.70 1.23
Phosphorus 0.025 max 0.011
Sulfur 0.015 max <0.005
Silicon 0.13-0.45 0.31
Vanadium 0.084 max 0.027
Copper 0.35 max 0.25
Nickel no limit 0.12
Chromium no limit 0.11
Molybdenum no limit 0.04
Aluminum 0.015-0.060 0.036
Niobium 0.03 max <0.005
Titanium 0.020 max <0.005
Boron 0.0005 max <0.0005
Nitrogen 0.012 max 0.007
Tin 0.020 max 0.01
CEq 0.55 max 0.53
Cu+Ni+Cr+Mo 0.65 max 0.52
Nb+V+Ti 0.11 max <0.037
Ti/N 4.0 max <0.71

A Refer to Table 5 in main body of report for details.

Table A-8a: NATX 310515 coupons (Coupon 58H - head)
Element Requirement per ASTM A516-70A (%) Result (%)
Carbon 0.25 max 0.17
Manganese 0.79-1.26 1.08
Phosphorus 0.025 max 0.009
Sulfur 0.015 max 0.006
Silicon 0.15-0.45 0.31
Vanadium 0.04 max <0.005
Copper 0.35 max 0.04
Nickel 0.43 max 0.02
Chromium 0.34 max 0.11
Molybdenum 0.13 max 0.08
Aluminum 0.015-0.060 0.031
Niobium 0.03 max <0.005
Titanium 0.020 max <0.005
Boron 0.0005 max <0.0005
Nitrogen 0.012 max 0.005
Tin 0.020 max 0.01
CEq 0.45 max <0.39
Cu+Ni+Cr+Mo 0.65 max 0.25
Nb+V+Ti 0.11 max <0.015
Ti/N 4.0 max <1.0

A Refer to Table 5 in main body of report for details.

Table A-8b: NATX 310515 coupons (Coupon 58S - shell)
Element Requirement per TC128-BA (%) Result (%)
Carbon 0.26 max 0.20
Manganese 1.00-1.70 1.36
Phosphorus 0.025 max 0.012
Sulfur 0.015 max 0.008
Silicon 0.13-0.45 0.20
Vanadium 0.084 max 0.040
Copper 0.35 max 0.26
Nickel no limit 0.12
Chromium no limit 0.11
Molybdenum no limit 0.03
Aluminum 0.015-0.060 0.023
Niobium 0.03 max <0.005
Titanium 0.020 max <0.005
Boron 0.0005 max <0.0005
Nitrogen 0.012 max 0.008
Tin 0.020 max 0.01
CEq 0.55 max 0.49
Cu+Ni+Cr+Mo 0.65 max 0.52
Nb+V+Ti 0.11 max <0.050
Ti/N 4.0 max <0.63

A Refer to Table 5 in main body of report for details.

Table A-9a: ACFX 79383 coupons (Coupon 15H - head)
Element Requirement per ASTM A515-70A (%) Result (%)
Carbon 0.31 max 0.27
Manganese 1.30 max 0.42
Phosphorus 0.025 max 0.008
Sulfur 0.025 max 0.016
Silicon 0.15-0.45 0.19
Vanadium 0.04 max <0.005
Copper 0.43 max 0.33
Nickel 0.43 max 0.21
Chromium 0.34 max 0.20
Molybdenum 0.13 max 0.07
Aluminum not specified <0.005
Niobium 0.03 max <0.005
Titanium 0.04 max <0.005
Boron 0.0015 max <0.0005
Nitrogen not specified 0.007
Tin not specified 0.02
CEq 0.47 max <0.43
Cu+Ni+Cr+Mo 1.00 max 0.81
Nb+V+Ti not specified <0.015
Ti/N not specified <0.71

A Refer to Table 5 in main body of report for details.

Table A-9b: ACFX 79383 coupons (Coupon 15S - shell)
Element Requirement per TC128-BA (%) Result (%)
Carbon 0.26 max 0.18
Manganese 1.00-1.70 1.22
Phosphorus 0.025 max 0.011
Sulfur 0.015 max 0.012
Silicon 0.13-0.45 0.23
Vanadium 0.084 max 0.068
Copper 0.35 max 0.24
Nickel no limit 0.13
Chromium no limit 0.07
Molybdenum no limit 0.03
Aluminum 0.015-0.060 0.005
Niobium 0.03 max <0.005
Titanium 0.020 max <0.005
Boron 0.0005 max <0.0005
Nitrogen 0.012 max 0.008
Tin 0.020 max 0.02
CEq 0.55 max 0.44
Cu+Ni+Cr+Mo 0.65 max 0.47
Nb+V+Ti 0.11 max <0.078
Ti/N 4.0 max <0.63

A Refer to Table 5 in main body of report for details.

This lab report is part of the Transportation Safety Board of Canada's investigation report R13D0054.